KE-2070_KE-2080_KE-2080R-Rev18 - 第177页
- 170 - NOTE( 注記 ) #01....FOR EN EN 用 REF.NO NOTE PART NO D E S C R I P T I O N 品 名 Qty 1 400-44847 XY RELAY CABLE3 ASM XYリレーケーブル3組 1 2 400-45444 XY-SAFETY I/F CABLE ASM XY−SAFETY I/Fケーブル組 1 3 400-45268 SAFETY CABLE1 ASM…

- 169 -
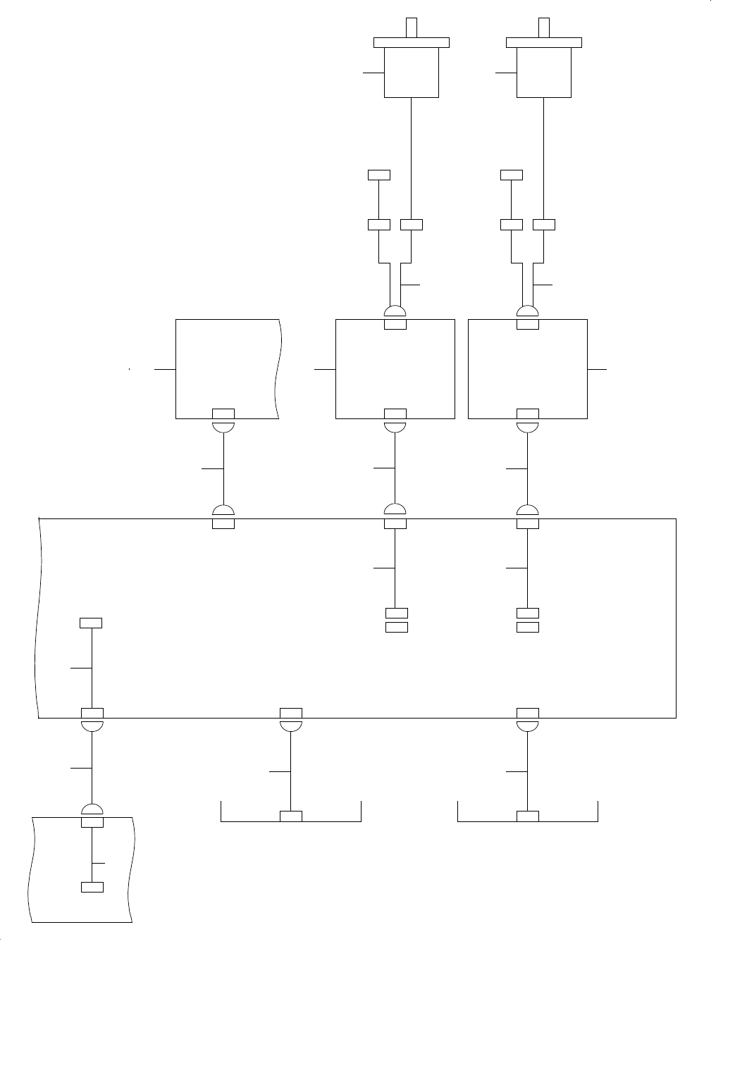
85. SYSTEM DIAGRAM (SAFETY)
SYSTEM DIAGRAM(SAFETY)
5PHASE
DRIVER
13-4B
15-2A
12-4D
1-2B
1-2B
POWER-UNIT
15-3A
CN9CN9
CN8CN8
COVER
POWER-UNIT
MOTOR2(R)
MOTOR1(L)
CN655R
CN656R
CN672RLS1-9LS1-9 CN671L CN2CN1
CN655L
CN656L
CN672LLS1-8LS1-8 CN671L CN2CN1
SMEMA(R)
SMEMA(L)
COVER
CN03
CN1LS1-2
CN02
CN1LS1-1
5PHASE
DRIVER
SAFTY PCB ASM(4/4)
CN5
CN14
XY RELAY PCB ASM
(4/5)
LS0-14LS0-14 LS1-5LS1-5
OPEARATION PCB
ASM(1/3)
CN704 CN4CN3 LS1-3
1
2
3
45
67
8
9
16
10
11 13
12 14
17
15 18

- 170 -
NOTE( 注記 ) #01....FOR EN EN 用
REF.NO NOTE PART NO D E S C R I P T I O N
品 名
Qty
1 400-44847 XY RELAY CABLE3 ASM
XYリレーケーブル3組
1
2 400-45444 XY-SAFETY I/F CABLE ASM
XY−SAFETY I/Fケーブル組
1
3 400-45268 SAFETY CABLE1 ASM
セーフティケーブル1組
1
4 E9378-729-0A0 SMEMA CABLE (L) ASM.
スメマケ−ブル(L)組
1
5 400-02334 SMEMA CABLE(R)ASM
スメマケーブルR組
1
6 400-45269 SAFETY CABLE2 ASM
セーフティケーブル2組
1
7 400-45270 SAFETY CABLE3 ASM
セーフティケーブル2組
1
8 400-02202 SAFETY CABLE ASM
セーフティケーブル組
1
9 400-45445 PMDC L CABLE ASM
PMDC Lケーブル組
1
10 400-01953 OPERATION PWB ASM.(ST)
オペパネ基板ST組
1
11
#01
400-01954 OPERATION PWB ASM.(EN)
オペパネ基板EN組
1
12 400-45449 I/O MOTOR L CABLE ASM
I/OモータLケーブル組
1
13 HM-0013200-00 MOTOR DRIVER
モータドライバ
1
14 400-45450 I/O MOTOR R CABLE ASM
I/OモータRケーブル組
1
15 E9431-729-0A0 CENT MOTOR ASM.
CENTモ−タ組
1
16 400-45446 PMDC R CABLE ASM
PMDC Rケーブル組
1
17 HM-0013200-00 MOTOR DRIVER
モータドライバ
1
18 E9431-729-0A0 CENT MOTOR ASM.
CENTモータ組
1

- 171 -
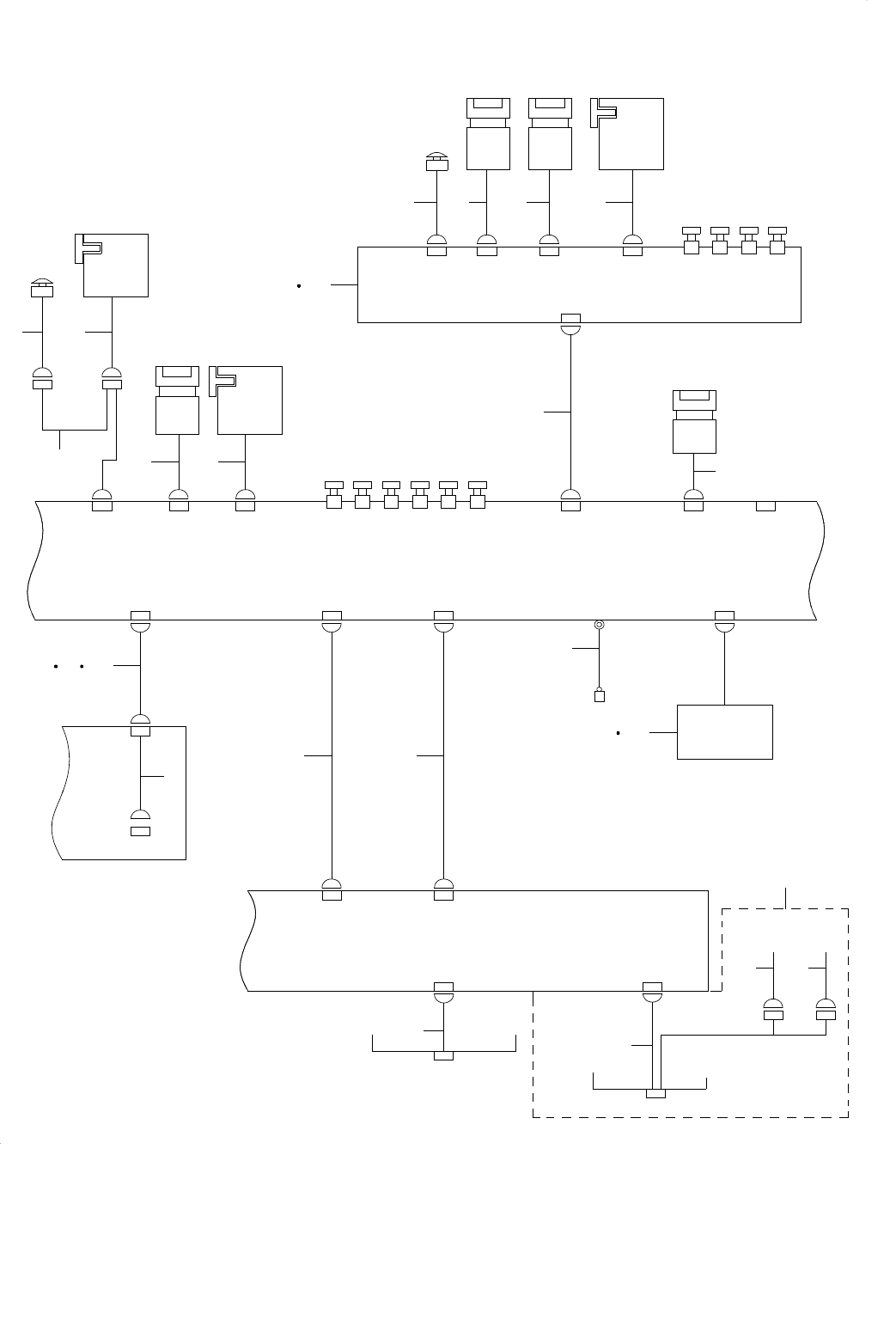
86. SYSTEM DIAGRAM (OPERATION UNIT)
SYSTEM DIAGRAM(OPERATION UNIT)
14-1A
CN2CN02
KEY CHANGE SW
CN18CN718
KE-2080-ST(RFID)
RFID WIRING
CN04SR
CN03MR
CN04SR
CN03MR
9-4D
9-4C
MTC I/F(R)
COVER
CN12
LS4-1
CN7
SFSW007
SFSW
705/928
SAFETY SW
CN16CN16 LS0-16
XY RELAY PCB(5/5)
LS0-16
MTC I/F(R)
CN25
(NON-STOP OPERATION)
FEEDER SW(F)
CN719CN19
LS4-6CN6
CN1LS4-1
SW9
SW10
SW5
SW6
SW1
SW2
14-3B
9-3C
I/O CONTROL
PCB(5/5)
COVER
COVER OPEN
SW(F)
LS4-4CN4 CN1CN701
CN1CN741
CN7CN7
EMG SW_FR
CN705
CYCLE SW
SERVO FREE SW
STOP SW
START SW
ORIGIN SW
ON LINE SW
CN5
CN15CN715
CN3
CN11CN711
CN703
OPERATION
PCB(2/3)
HOD BOX
CN12
OPE-E1
19-4A
10
FG-TAP
FRONT
FEEDER SW(R)
(NON-STOP OPERATION)
EMG SW_RR
SW PCB
OPERATION
KEY CHANGE SW
CN5 CN745
CN7CN7
START SW
STOP SW
SERVO FREE SW
CYCLE SW
CN2 CN742
SW6
SW5
SW10
SW9
CN6 CN746
SFSW
005/928
COVER OPEN
SW(R)
1
2
3 24
5
6
4
7
16
17
21
22 23
20
18
810
925
11
14
12
13
27 15
19
26