KE-2070_KE-2080_KE-2080R-Rev18 - 第192页
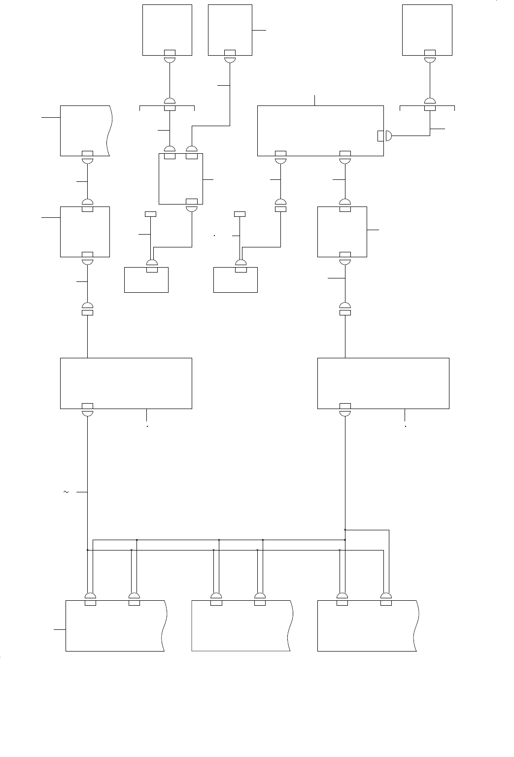
- 185 - 93. SYSTEM DIAGRAM (PLACEMENT MONITOR) SYSTEM DIAGRAM (プレースメントモニタ) LN C 6 2 EP V 6 2 LA N CPU B O AR D LA N HUB PW R COVE R EP V PC S W IT C H IN G H U B 3-2A 2-3A 2-2A EP V 6 1 - C N 1 L N C 61-C N 1 1-5C Z T C-…

- 184 -
REF.NO NOTE PART NO D E S C R I P T I O N
品 名
Qty
1 400-02271 SAFETY U IF CABLE ASM(EN)
安全ユニットIFケーブル組(EN)
1
2 HB-0015800-00 RELAY
リレー
1
3 400-02248 SAFETY U ZT PWR CABLE A
Zθサーボ電源入力ケーブル組
1
4 400-02247 SAFETY U XY PWR CABLE A
YXサーボ電源入力ケーブル組
1
5 400-02279 SAFETY U 100V CABLE ASM
安全ユニット100Vケーブル組
1
6 400-02276 CARRY M PWR CABLE ASM(EN)
搬送モータ電源ケーブル組(EN)
1
7 400-02277 AWC DRV PWR CABLE ASM(EN)
AWCドライブ電源ケーブル組(EN)
1
8 400-02278 BU DRV PWR CABLE ASM(EN)
BUドライバ電源ケーブル組(EN)
1
9 400-02272 SAFETY U OPE IF CABLE ASM
安全ユニットパネルIFケーブル組
1
10 400-02254 COVER OPEN SW CABLE ASM
カバーオープンスイッチケーブル組
1
11 400-02273 R COVER SW RLY CABLE ASM
リアカバーSW中継ケーブル組(EN)
1
12 400-02254 COVER OPEN SW CABLE ASM
カバーオープンスイッチケーブル組
1
13 400-02275 EM SW R CABLE ASM(EN)
リアEMGスイッチケーブル組(EN)
1
14 400-02274 EM SW F CABLE ASM(EN)
フロントEMGスイッチケーブル組(EN)
1
15 400-02281 BU LOCK RLY CABLE ASM(EN)
BUロック中継ケーブル組(EN)
1
16 400-02282 F AREA SENS CABLE ASM(EN)
フロントエリアセンサケーブル組(EN)
1
17 400-02323 AREA SENS LIGHT ASM(EN)
エリアセンサ発光組(EN)
1
18 400-02324 AREA SENS DETECTOR ASM(EN)
エリアセンサ受光組(EN)
1
19 400-02284 B UP SW RLY CABLE ASM(EN)
バンクアップSW中継ケーブル組(EN)
1
20 400-02344 BUP SHORT WIRE(EN) ASM
BUP ショートケーブル組 (EN)
1
21 400-02344 BUP SHORT WIRE(EN) ASM
BUP ショートケーブル組(EN)
1
22 400-02283 R AREA SENS CABLE ASM(EN)
リアエリアセンサケーブル組(EN)
1
23 400-02323 AREA SENS LIGHT ASM(EN)
エリアセンサ発光組(EN)
1
24 400-02324 AREA SENS DETECTOR ASM(EN)
エリアセンサ受光組(EN)
1
25 E9816-729-HA0 BUP
BUP圧力センサ中継ケーブル組
1
26 E9816-729-HA0 BUP
BUP圧力センサ中継ケーブル組
1
27 400-02287 B SW CABLE ASM(EN)
バンクSWケーブル組
1
28 400-02287 B SW CABLE ASM(EN)
バンクSWケーブル組
1

- 185 -
93. SYSTEM DIAGRAM (PLACEMENT MONITOR)
SYSTEM DIAGRAM(プレースメントモニタ)
LNC62
EPV62
LAN
CPU BOARD
LAN
HUB PWR
COVE R
EPV PC
SWITCHING HUB
3-2A
2-3A
2-2A
EPV61-CN1
LNC61-CN1
1-5C
ZTC- CN8
ZTC- CN5
ZTB-CN8
ZTB-CN5
ZTA-CN8
ZTA-CN5
IEEE1394a
REPEATER
EPV61/62
CH1CH2
HUB PWR
COVER
I EEE1394a
REPEATER HUB
EPV PC
EPV61
CN1
ZTC SERVO
AMP( 1/3)
MR- MD1 1 0
CN5
CN8
ZTB SERVO
AMP( 1/3)
MR-MD110
CN5
CN8
ZTA SERVO
AMP( 1/3)
MR-MD110
CN5
CN8
LNC61
IEEE1394a
REPEATER
I EEE1394a
BOARD
LNC61/62
CH1
CH1CH2CN1
CN014A
CN0 1 4CN0 1 4
POWER
UNI T
CN017A
CN016A
CN0 1 7CN0 1 7
POWER
UNI T
1
2
4
20 215 6
7
8
9
10
11
12
13
14
15
16
17
18
19
22
23
24
25

- 186 -
NOTE( 注記 ) #01....FOR 2070 2070用
#02....FOR 2080 2080用
#03....FOR 2080R 2080 R 用
#04....FOR 2080,2080R 2080,2080 R 用
#05....FOR 2070,2080 2070,2080用
#06....REFER TO THE LAST PAGE 最終ページのマシン Rev 管理表を参照下さい。
M/C REV CHART.
REF.NO NOTE PART NO D E S C R I P T I O N
品 名
Qty
1 401-55290 4AXIS SERVO AMP
4軸一体型サーボアンプ
1
2
#02
401-02159 ENCODER CABLE 80 ASM
エンコーダケーブル80組
1
3
#01
400-89210 ENCODER CABLE ASM
エンコーダケーブル組
1
4
#03
401-02160 ENCODER CABLE 80R ASM
エンコーダケーブル80R組
1
5
#04
401-05810 LNC62
LNC62
1
6
#01
400-89198 LNC61
LNC61
1
7 400-44517 1394 ROBOT CABLE ASM
1394ロボットケーブル組
1
8 400-48078 IEEE1394 REPEATER BOARD
IEEE1394リピータボード
1
9 400-44516 1394 RELAY CABLE ASM
1394中継ケーブル組
1
10
#06
401-50021 IEEE1394 BOARD
IEEE1394ボード
1
11 401-02162 S.HUB PWR CABLE ASM
Sハブ電源ケーブル組
1
12 400-73033 SWITCHING HUB
スイッチングハブ
1
13 HW-0018100-80 LAN CABLE
LANケーブル
1
14 HW-0018100-80 LAN CABLE
LANケーブル
1
15
#06
401-07372 CPU BOARD
CPUボード
1
16
#05
400-89216 HUB PWR RELAY CABLE ASM
ハブ電源中継ケーブル組
1
17
#03
401-02161 HUB PWR RERAY CABLE ASM(R)
ハブ電源中継ケーブル組(R)
1
18 401-41914 HUB PWR CABLE ASM
ハブ電源ケーブル組
1
19 401-41912 1394 REPEATER HUB
1394リピータハブ
1
20
#04
401-02158 EPV62
EPV62
1
21
#01
400-89197 EPV61
EPV61
1
22 400-44517 1394 ROBOT CABLE ASM
1394ロボットケーブル組
1
23 400-48078 IEEE1394 REPEATER BOARD
IEEE1394リピータボード
1
24 400-48033 1394 CABLE 4.5M
1394ケーブル4.5M
1
25 401-02157 1394 ADAPTER CABLE
1394アダプタケーブル
1