KE-2070_KE-2080_KE-2080R-Rev18 - 第197页
- 190 - REF.NO NOTE PART NO D E S C R I P T I O N 品 名 Qty 1 400-44534 SERVO MOTOR 30W サーボモータ30W 1 2 400-44533 SERVO MOTOR 10W サーボモータ10W 1 3 400-44534 SERVO MOTOR 30W サーボモータ30W 1 4 400-44533 SERVO MOTOR 10W サーボモータ10W 1 5 …

- 189 -
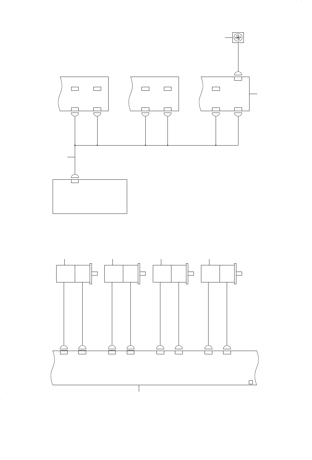
95. SYSTEM DIAGRAM (PLACEMENT MONITOR/ZT5,6 MOTOR/Z ORG DI)
SYSTEM DIAGRAM(プレースメントモニタ/ ZT 5,6 MOTOR / Z ORG DI)
3-2C
CN4ACN4BZTC-CN4B
CN4CCN4DZTC-CN4D
ZTC SERVO
AMP(3/3)
MR-MD110
2-4C
CN4ACN4BZTB-CN4B
CN4CCN4DZTB-CN4D
ZTB SERVO
AMP(3/3)
MR-MD110
2-2C
HEAD FAN
CN4ACN4BZTA-CN4B
CN4CCN4DZTA-CN4DCN13CN13
ZTA SERVO
AMP(3/3)
MR-MD110
HEAD MAIN PCB
T6
MOTOR
HC-BP0136D-S1
T5
MOTOR
HC-BP0136D-S1
Z6 MOTOR
HC-BH0336LW-S4
Z5 MOTOR
HC-BH0336LW-S4
3-4C
1-1C
CNP2A
CN2A
CNP2B
CN2B
CNP2C
CN2C
CNP2D
CN2D
ID
2
ZTC SERVO
AMP(2/3)
MR-MD110
1234
5
6
7
8

- 190 -
REF.NO NOTE PART NO D E S C R I P T I O N
品 名
Qty
1 400-44534 SERVO MOTOR 30W
サーボモータ30W
1
2 400-44533 SERVO MOTOR 10W
サーボモータ10W
1
3 400-44534 SERVO MOTOR 30W
サーボモータ30W
1
4 400-44533 SERVO MOTOR 10W
サーボモータ10W
1
5 401-55379 Z ORG DI CABLE ASM
Z ORG DIケーブル組
1
6 401-55382 HEAD FAN CABLE ASM
ヘッド冷却ファンケーブル組
1
7 401-55290 4AXIS SERVO AMP
4軸一体型サーボアンプ
1
8 401-55290 4AXIS SERVO AMP
4軸一体型サーボアンプ
1

- 191 -
96. SYSTEM DIAGRAM (ISM/MES)
SYSTEM DIAGRAM(ISM / MES)
CPU BOARD
USB
USB
COVER
LAN
COVER
USB
USB
ISM/MES COOPERATION OP
BARCORD READER(F)
BARCORD READER(R)
1
2 2 3
4
5 5
66
77