KE-2070_KE-2080_KE-2080R-Rev18 - 第37页
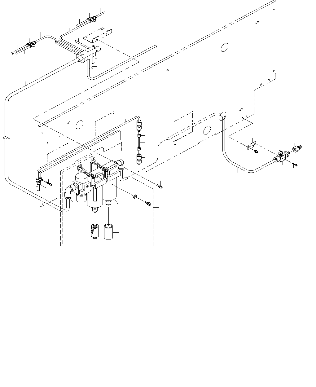
- 30 - REF.NO NOTE PART NO D E S C R I P T I O N 品 名 Qty 1 400-01560 AIR COMBINATION ASSY エアーコンビネーション組 1 2 SL-6061692 -TN BOLT 座金付き六角穴ボルト (2) 3 WP-084160 1-SC WASHE R 8.4X17.4X1. 6 平座金みがき丸 M8 (2) 4 400-00545 AIR PROVIDER…

- 29 -
15. AIR COMPONENTS
エアー関係
19
20
23
10
13
31
16
22
15
18
11
24
17
17
9
9
14
12
27
21
2
3
6
7
1
5
4
8
26
25
35
36
34
30
29
28
15
32
33

- 30 -
REF.NO NOTE PART NO D E S C R I P T I O N
品 名
Qty
1 400-01560 AIR COMBINATION ASSY
エアーコンビネーション組
1
2 SL-6061692-TN BOLT
座金付き六角穴ボルト
(2)
3 WP-0841601-SC WASHER 8.4X17.4X1.6
平座金みがき丸 M8
(2)
4 400-00545 AIR PROVIDER
エアプロバイダー
(1)
5 PJ-3041253-01 ELBOW UNION
エルボユニオン
(2)
6 PF-9010060-00 FILTER ELEMENT
フィルタエレメント
(1)
7 PF-9010020-00 FILTER ELEMENT A
フィルタエレメントA
(1)
8 PF-0552150-A0 AIR COMBINATION
エアーコンビネーション
(1)
9 PJ-3090400-03 REDUCER
レジューサ(φ4−φ10)
2
10 SL-6051092-TN BOLT
座金付き六角穴ボルト
2
11 PJ-3081000-01 UNION Y
ユニオンワイ
1
12 BT-0600400-EC URETHANE TUBE BLUE 6X4
ポリウレタン チューブ 青 6X4
0.5
13 BT-0800501-EA URETHANE TUBE BLUE 8X5
ポリウレタン チューブ 青 8X5
3.5
14 BT-0400251-EA URETHANE TUBE BLUE 4X2.5
ポリウレタン チューブ 青 4X2.5
0.05
15 PJ-3080600-03 Y UNION
ユニオンワイ
6
16 PJ-0252000-03 PLUG
プラグ
2
17 PJ-3031000-02 STRAIGHT
ストレート
2
18 SL-6042592-TN SCREW
座金付き六角穴ボルト
2
19 PV-0152120-00 FINGER VALVE
フィンガバルブ
1
20 SL-6032542-TN SCREW
座金付き六角穴ボルト
2
21 BT-1200801-EF URETHANE TUBE WHITE 12X8
ポリウレタン チューブ 白 12X8
0.9
22 SL-6052092-TN SCREW
座金付き六角穴ボルト
2
23 400-00550 FV BRACKET
FVブラケット
1
24 BT-1000651-EB URETHANE TUBE BLACK 10X6.5
ポリウレタン チューブ 黒 10X6.5
0.85
25 BT-1000651-EB URETHANE TUBE BLACK 10X6.5
ポリウレタン チューブ 黒 10X6.5
0.8
26 BT-1000651-EB URETHANE TUBE BLACK 10X6.5
ポリウレタン チューブ 黒 10X6.5
0.25
27 BT-1200801-EF URETHANE TUBE WHITE 12X8
ポリウレタン チューブ 白 12X8
0.4
28 BT-0600400-EC URETHANE TUBE BLUE 6X4
ポリウレタン チューブ 青 6X4
0.3
29 BT-0600400-EC URETHANE TUBE BLUE 6X4
ポリウレタン チューブ 青 6X4
2.5
30 BT-0600400-EC URETHANE TUBE BLUE 6X4
ポリウレタン チューブ 青 6X4
0.5
31 BT-0600400-EC URETHANE TUBE BLUE 6X4
ポリウレタン チューブ 青 6X4
2.5
32 BT-0600400-EC URETHANE TUBE BLUE 6X4
ポリウレタン チューブ 青 6X4
0.15
33 BT-0600400-EC URETHANE TUBE BLUE 6X4
ポリウレタン チューブ 青 6X4
0.3
34 BT-0600400-EC URETHANE TUBE BLUE 6X4
ポリウレタン チューブ 青 6X4
8.5
35 400-54839 SOFT NYLON 8
ソフトナイロン8
7.5
36 400-54839 SOFT NYLON 8
ソフトナイロン8
7.5

- 31 -
16. X-Y COMPONENTS (1)
X−Y関係(1)
22
3
4
7
20
20
20
20
49
59
39
41
38
42
44
45
46
43
47
50
55
57
58
61
62
24
25
51
22
15
23
56
6
23
51
10
14
5
67
68
69
70
2
16
17
18
19
28
27
29
30
31
36
35
33
37
32
34
40
64
63
13
66
52
53
54
8
11
10
12
12
21
65
65
1
48
1
12
12
9
71
71
71
26
71
60