P-0195-001 - 第137页
MODEL TCM-3000Z-2 0108-001 135 Key No. P AR T No. P AR T NAME Q’ ty REMARKS NOTE 6-5 1 630 054 4398 PLA TE 1 628J--03B-1 14 2 630 054 8938 SPRING,T ORSION 1 628J--03B-1 16 3 630 054 8914 PLA TE 1 628J--03B-1 18 4 630 000…

MODEL TCM-3000Z-2
0108-001
134
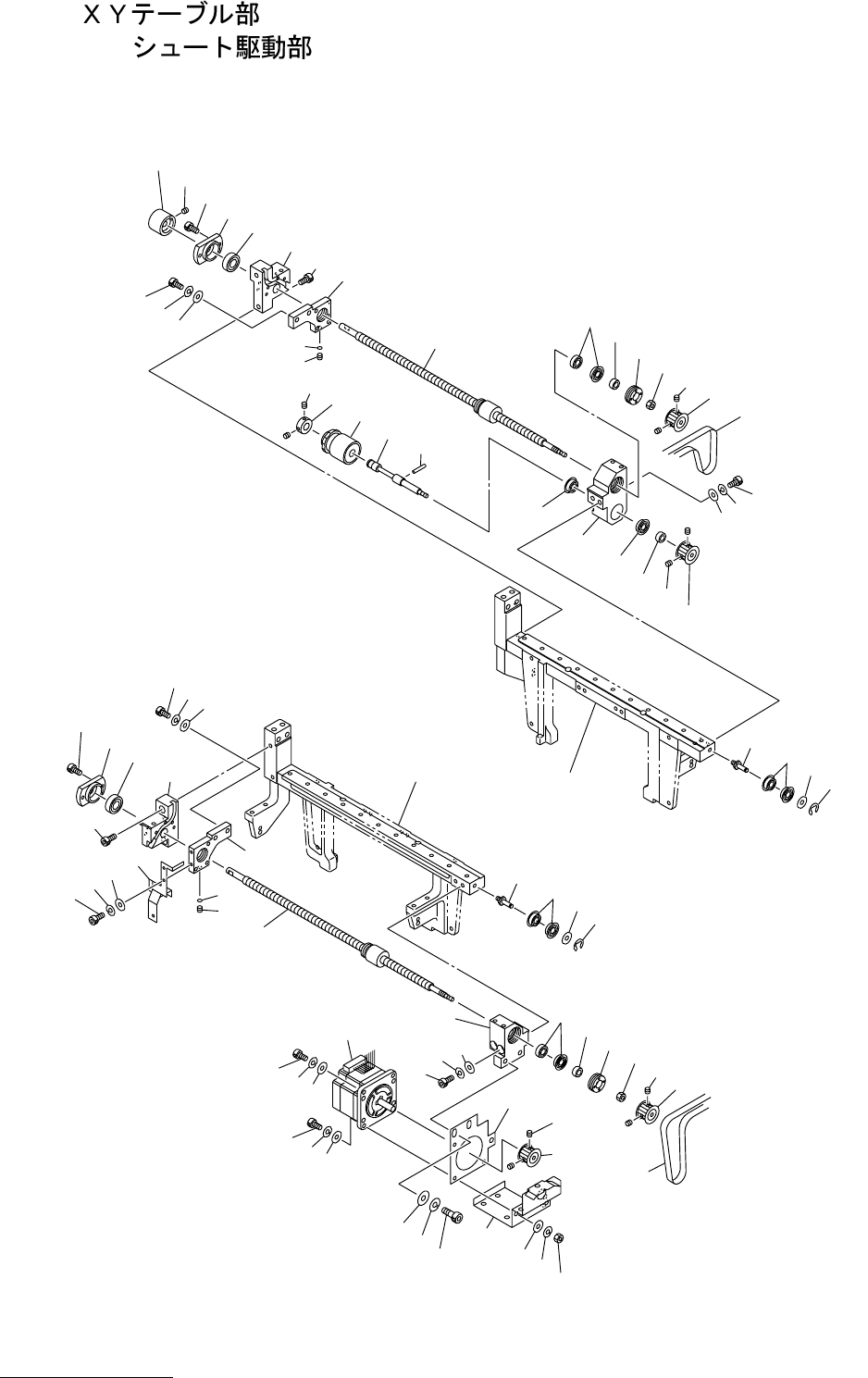
XY TABLE SECTION
Fig. 6-5
P.C.B. Detector Lever
1
2
3
4
5
6
6-1
10
11
12
21
22
22
23
23
24
24
25
25
26
26
26-1
30
30
31
31
32
32
27
27
28
29
29
7
8
9
See Fig.6-4
See Fig.6-4
Key No.1
Key No.1
See Fig.6-4
See Fig.6-4
Key No.21
Key No.21
See Fig.6-4
See Fig.6-4
Key No.41
Key No.41

MODEL TCM-3000Z-2
0108-001
135
Key No. PART No. PART NAME Q’ty REMARKS
NOTE
6-5
1 630 054 4398 PLATE 1 628J--03B-114
2 630 054 8938 SPRING,TORSION 1 628J--03B-116
3 630 054 8914 PLATE 1 628J--03B-118
4 630 000 8883 SET SCREW 1 M3X4 SET
5 630 054 4343 PLATE 1 628J--03B-120
6 630 004 1798 SENSOR,PHOTO 1 PHS56 628J--03H-103
6 -1 630 000 0269 SENSOR,PHOTO(CONNECTOR) 1 628J--03H-021
7 411 088 9005 WASHER F 3X6X0.5 2 FWS3 F
8 411 086 4408 WASHER SPR 3 2 SW3 F
9 411 042 0703 SCR PAN 3X8 2 M3X8 PAN
10 411 141 3902 WASHER V 3X7X0.5 2 FW3
11 411 141 2806 WASHER SPR 3 2 SW3
12 630 000 7527 BOLT,HEX-SCT 2 M3X10
21 630 054 4336 PLATE 1 628J--03B-113
22 630 054 4329 SPRING,TORSION 1 628J--03B-115
23 630 054 4312 PLATE 1 628J--03B-117
24 630 000 8883 SET SCREW 1 M3X4 SET
25 630 063 1425 PLATE 1 628J--03B-119
26 630 004 1798 SENSOR,PHOTO 1 PHS55 628J--03H-103
26 -1 630 000 0269 SENSOR,PHOTO(CONNECTOR) 1 628J--03H-021
27 411 088 9005 WASHER F 3X6X0.5 2 FWS3 F
28 411 086 4408 WASHER SPR 3 2 SW3 F
29 411 040 6202 SCR PAN 3X10 2 M3X10 PAN
30 411 141 3902 WASHER V 3X7X0.5 2 FW3
31 411 141 2806 WASHER SPR 3 2 SW3
32 630 000 7527 BOLT,HEX-SCT 2 M3X10

MODEL TCM-3000Z-2
0108-001
136
XY TABLE SECTION
Fig. 6-6
Chute Driver
80
56
56
58
58
57
52
51
47
49
49
48
45-1
45-1
45
66
68
68
67
76
76
78
77
79
45-1
50
50
71
43
43
44
44
70
70
41
59
46
46
53-1
53-1
14
13
13
13-1
6
2
1
3
4
39
39
37
36
19
19
38
28
28
26
26
27
53
54
55-1
55-1
55
55
42
42
69
69
65
64
64
See Fig.6-4
Key No.2
See Fig.6-4
Key No.1
76
78
77
79
28
26
26
27
24
22
20
21
21
23
31
31
32
32
25
25
33
34
35
26
27
30
30
18
18
16
5
7
11
80
12
10
8
9
17
17
Fig.6-6
TCM-3000Z-2
62
60
60
61
61