P-0195-001 - 第171页
MODEL TCM-3000Z-2 0108-001 169 Key No. P AR T No. P AR T NAME Q’ ty REMARKS NOTE 9-2 1 630 048 8944 BRACKET(ST OPPER) 2 628F--03B-027 2 41 1 141 4305 W ASHER V 6X12.5X1.6 2 F W 6 3 41 1 141 3001 W ASHER SPR 6 2 S W 6 4 6…

MODEL TCM-3000Z-2
0108-001
168
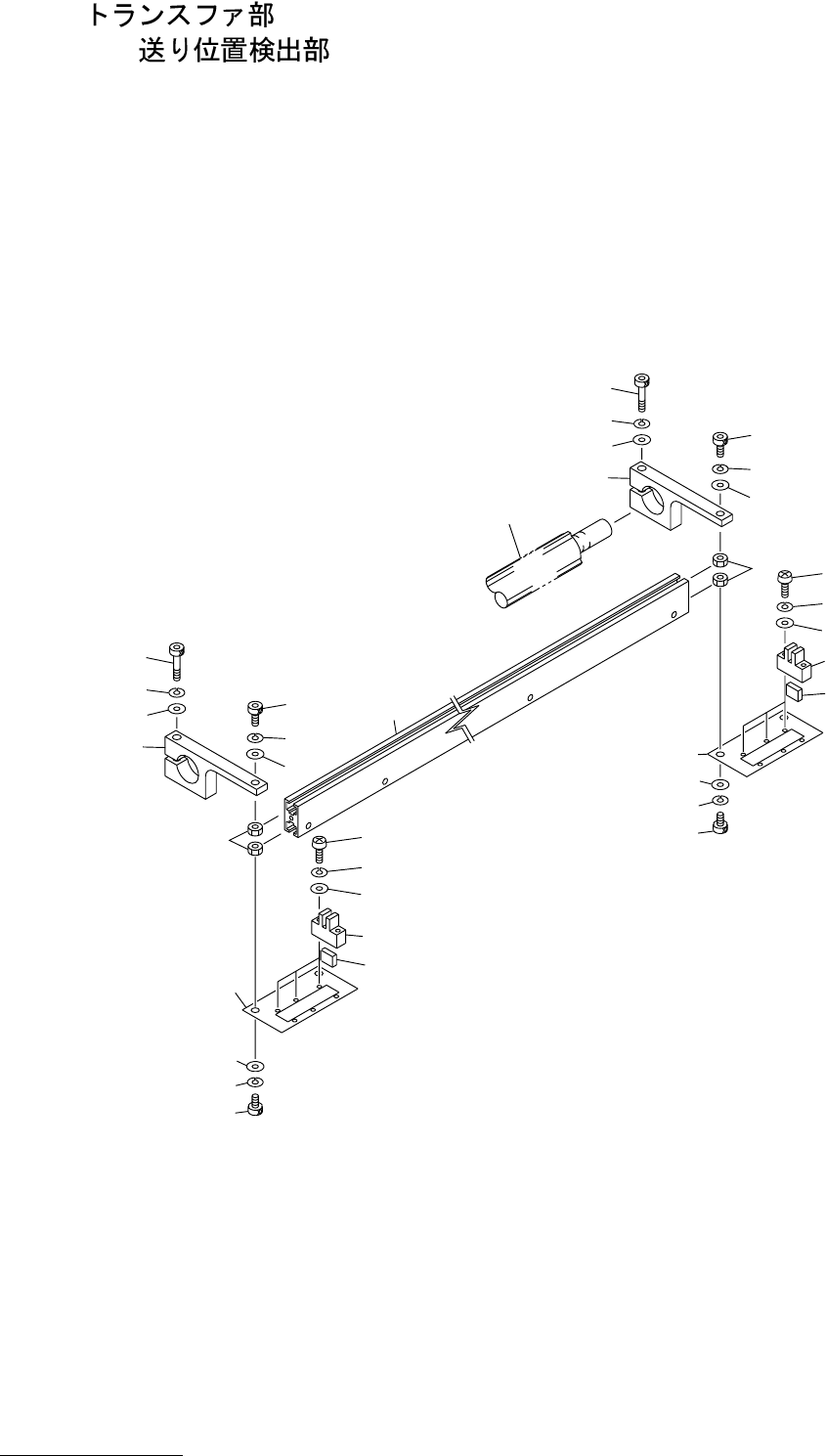
TRANSFER SECTION
Fig. 9-2
Transfer Position Detector
1
2
3
4
5
8
7
6
9
10
10
10
12
13
14
15
15
16
19
19
18
18
17
17
See Fig.9-1
See Fig.9-1
Key No.12
9
1
2
3
4
8
7
6
15
15
16
16
19
18
17
12
13
14

MODEL TCM-3000Z-2
0108-001
169
Key No. PART No. PART NAME Q’ty REMARKS
NOTE
9-2
1 630 048 8944 BRACKET(STOPPER) 2 628F--03B-027
2 411 141 4305 WASHER V 6X12.5X1.6 2 FW6
3 411 141 3001 WASHER SPR 6 2 SW6
4 630 000 7923 BOLT,HEX-SCT 2 M6X35
5 630 053 5204 SUPPORT 1 628F--03B-030
6 411 141 4305 WASHER V 6X12.5X1.6 2 FW6
7 411 141 3001 WASHER SPR 6 2 SW6
8 630 000 7886 BOLT,HEX-SCT 2 M6X16
9 411 141 0703 NUT HEX 6 6 M6
10 630 053 5181 PLATE(PHOTO L) 2 628F--03B-028
12 411 141 4305 WASHER V 6X12.5X1.6 4 FW6
13 411 141 3001 WASHER SPR 6 4 SW6
14 630 000 7879 BOLT,HEX-SCT 4 M6X12
15 630 000 0245 SENSOR,PHOTO 6 PHS45, PHS43, PHS47,
PHS104, PHS44, PHS124
628F--03H-004
16 630 000 0269 SENSOR,PHOTO(CONNECTOR) 6 628F--03H-025
17 411 088 9005 WASHER F 3X6X0.5 12 FWS3 F
18 411 086 4408 WASHER SPR 3 12 SW3 F
19 411 162 1604 SCR PAN 3X20 12 M3X20 PAN

MODEL TCM-3000Z-2
0108-001
170
TRANSFER SECTION
Fig. 9-3
Transfer Driver
14
14
15
16
21
18
19
19
20
22
23
23
59
38
38
39
39
40
41
41
42
43
44
44
45
46
66
66
67
67
68
65-1
65-1
47
54
54
63
64
64
57
65
66
66
67
67
68
16
17
See Fig.9-1
Key No.2
See Fig.9-1
Key No.1
41
41
55
38
39
40
41
42
42
43
44
45
46
46
79
80
81
82
41
41
47
54
54
55
55
58
63
64
64
1
2
3
4
7
6
5
5-1
8
9
10
11
11
12
12
13
26
26
25
24
3
4
28
54
55
69
69
71
72
73
73
52
53
53
48
48
49
50
60
61
62
62
70
27
30
30
31
29
29
32
33
33
34
34
35
36
36
37
55
55
51
51
60
60
61
61
62
62
54
54
48
49
53
52
52
50
51-1
69
71
72
73
73
70
70
87
86