P-0195-001 - 第56页
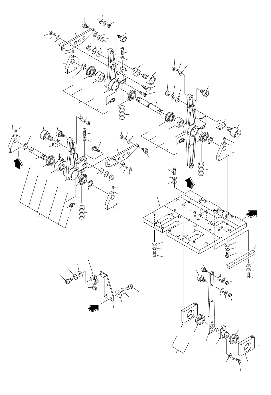
MODEL TCM-3000Z-2 0108-001 54 ࡋ࠶࠼㚟േㇱ HEAD DRIVING SECTION Fig. 3-13 ࠞࡓゲ㧙 3 ࡃ Cam Shaft-3 Lever 2-5 2-5 3 4-3 4-3 2-3 14 14 16 16 1 5 1 7 18 18 1 9 2 2 2 7 3 3 2 3 24 24 25 25 21 21 20 20 2-4 6 - 2 1 3 12 12 11 11 6 9 8…

MODEL TCM-3000Z-2
0108-001
53
Key No. PART No. PART NAME Q’ty REMARKS
NOTE
3-12
1 630 060 4924 ASSY,CAM(CUTTER) 1
1 -1 630 052 6011 SHAFT 1 628K--03B-039
1 -2 630 049 0992 KEY 1 628K--03B-081
1 -3 630 058 3519 CAM (06) 1 628K--03B-076
1 -4 630 000 8982 SET SCREW 2 M6X8 SET
5 630 049 0244 KEY 4 628K--03H-045
6 630 058 3533 CAM (08) 1 628K--03B-078
7 630 058 3540 CAM (09) 1 628K--03B-079
8 630 061 3506 CAM (02) 1 628K--03B-072
9 630 048 9149 DISK 3 628K--03B-041
10 630 029 1391 WASHER 9 628K--03H-048
11 411 008 2109 WASHER SPR 5 9 SW5 F
12 630 000 8647 BOLT,HEX 9 M5X25 HEX
13 630 000 8982 SET SCREW 6 M6X8 SET
14 630 048 9132 DISK 1 628K--03B-040
15 630 058 6251 CAM (10) 1 628K--03B-080
16 630 029 1391 WASHER 3 628K--03H-048
17 411 008 2109 WASHER SPR 5 3 SW5 F
18 630 000 8630 BOLT,HEX 3 M5X20 HEX
19 630 000 8982 SET SCREW 2 M6X8 SET
20 630 056 1814 BASE 1 628K--03B-035
21 630 055 1976 HOLDER 1 628K--03B-036
22 630 049 0121 BEARING,RADIAL 1 628K--03H-008
23 630 049 0213 MECH PARTS(BEARING COVERS 1 628K--03H-044
24 630 000 7879 BOLT,HEX-SCT 4 M6X12
25 630 049 0077 BEARING,RADIAL 1 628K--03H-009
26 630 055 1983 HOLDER 1 628K--03B-037
27 411 141 4701 WASHER V 10X21X2 4 FW10
28 411 141 3209 WASHER SPR 10 4 SW10
29 630 000 8159 BOLT,HEX-SCT 4 M10X40
30 630 001 0251 WASHER 4 628K--03H-049
31 411 141 3209 WASHER SPR 10 4 SW10
32 630 000 8159 BOLT,HEX-SCT 4 M10X40
33 630 048 7312 PULLEY,TIMING 1 628K--03H-004
34 630 049 0060 MECH PARTS(MECHA LOCK) 1 628K--03H-007
35 630 048 7213 RING 1 628K--03B-029
36 630 000 8944 SET SCREW 2 M5X6 SET
37 630 048 7206 DISK 1 628K--03B-028
38 411 141 4008 WASHER V 4X9X0.8 1 FW4
39 411 141 2905 WASHER SPR 4 1 SW4
40 630 000 7626 BOLT,HEX-SCT 1 M4X10
41 630 052 1542 BRACKET 1 628K--03B-060
42 630 000 0245 SENSOR,PHOTO 1 PHS62 628K--03H-040
43 630 000 0269 SENSOR,PHOTO(CONNECTOR) 1 628K--03H-043
44 411 119 1909 WASHER V 3X7X0.5 2 FW3 F
45 411 086 4408 WASHER SPR 3 2 SW3 F
46 411 040 7803 SCR PAN 3X12 2 M3X12 PAN
47 411 141 4107 WASHER V 5X10X1 2 FW5
48 411 141 6705 WASHER SPR 5 2 SW5
49 630 000 7763 BOLT,HEX-SCT 2 M5X16

MODEL TCM-3000Z-2
0108-001
54
ࡋ࠶࠼㚟േㇱ HEAD DRIVING SECTION
Fig. 3-13 ࠞࡓゲ㧙 3 ࡃ Cam Shaft-3 Lever
2-5
2-5
3
4-3
4-3
2-3
14
14
16
16
15
17
18
18
19
22
27
33
23
24
24
25
25
21
21
20
20
2-4
6-2
13
12
12
11
11
6
9
8
7
28
30
31
32
85
90-2
90-2
90-1
71
71
86
86
87
88
76
76
77
77
29-1
29-2
29-3
29-4
78
79
79
72
73
74
74
75
75
A
A
2-2
27-1
33
33
27
33
14
16
16
15
19
19
18
17
17
22
22
25
24
23
2-3
2-3
21
20
20
6-4
10
10
11
12
13
13
6
7
8
9
7
8
9
11
12
13
10
6-1
6-1
90-2
90-2
90-1
90-1
6-5
10
59
59
58
57
57
51
51
53
53
52
54
54
55
55
56
26
26
28
5-3
5-4
B
B
5-3
5-3
5-2
5-1
5
26
26
4
4-2
4-2
4-1
4-3
4-4
26
28
28
2-1
2
26
29
29
34
35
36
93
92
91
90
90
90
27
27
33
33
Fig.3-13
TCM-3000Z-2

MODEL TCM-3000Z-2
0108-001
55
Key No. PART No. PART NAME Q’ty REMARKS
NOTE
3-13
2 630 060 4818 ASSY,LEVER(NOZZEL SELECT) 1
2 -1 630 055 4267 LEVER 1 628K--03B-048
2 -2 630 048 9187 COLLAR 1 628K--03B-053
2 -3 630 001 1449 BEARING,RADIAL 2 628K--03H-011
2 -4 630 056 9346 GREASE NIPPLE 1 628K--03H-057
2 -5 630 048 9118 SHAFT 1 628K--03B-044
3 630 048 9125 SHAFT 1 628K--03B-045
4 630 060 9387 ASSY,LEVER(NOZZLE UP) 1
4 -1 630 055 4274 LEVER 1 628K--03B-049
4 -2 630 048 9187 COLLAR 1 628K--03B-053
4 -3 630 001 1449 BEARING,RADIAL 2 628K--03H-011
4 -4 630 056 9346 GREASE NIPPLE 1 628K--03H-057
5 630 060 4825 ASSY,LEVER(SHUTTER) 1
5 -1 630 060 7901 LEVER 1 628K--03B-050
5 -2 630 048 9187 COLLAR 1 628K--03B-053
5 -3 630 001 1449 BEARING,RADIAL 2 628K--03H-011
5 -4 630 056 9346 GREASE NIPPLE 1 628K--03H-057
6 630 056 3658 CAM FOLLOWER 2 628K--03H-018
6 -1 630 061 2318 CAM FOLLOWER 1 628K--03H-058
6 -2 630 058 1928 BOX 1 628K--03B-104
6 -4 630 058 1911 BOX 1 628K--03B-103
6 -5 630 060 8809 BOX 1 628K--03B-106
7 411 141 4701 WASHER V 10X21X2 3 FW10
8 411 141 3209 WASHER SPR 10 3 SW10
9 411 141 1106 NUT HEX 10 9 M10
10 630 007 2501 CAM FOLLOWER 3 628K--03H-020
11 411 141 4503 WASHER V 8X17X1.6 3 FW8
12 411 141 3100 WASHER SPR 8 3 SW8
13 411 141 0901 NUT HEX 8 3 M8
14 630 052 3270 LEVER 2 628K--03B-052
15 630 049 0220 BOLT,HEX-SCT(SHOULDER) 2 628K--03H-037
16 630 052 3287 PIN,LOCATE 2 628K--03B-051
17 411 141 4305 WASHER V 6X12.5X1.6 4 FW6
18 411 141 3001 WASHER SPR 6 4 SW6
19 411 141 0703 NUT HEX 6 4 M6
20 411 141 0505 NUT HEX 5 2 M5
21 630 000 7763 BOLT,HEX-SCT 2 M5X16
22 630 007 2457 CAM FOLLOWER 2 628K--03H-021
23 411 141 4305 WASHER V 6X12.5X1.6 2 FW6
24 411 141 3001 WASHER SPR 6 2 SW6
25 411 141 0703 NUT HEX 6 2 M6
26 630 049 0206 WASHER 4 628K--03H-039
27 630 056 1838 PLATE 3 628K--03B-047
27 -1 630 056 2613 PLATE 1 628K--03B-097
28 630 002 5361 SPRING,COMP 3 628K--03H-030
29 630 056 1821 BASE 1 628K--03B-038
29 -1 630 056 2187 PLATE 1 628K--03B-096
29 -2 411 141 4305 WASHER V 6X12.5X1.6 2 FW6
29 -3 411 141 3001 WASHER SPR 6 2 SW6
29 -4 630 000 7916 BOLT,HEX-SCT 2 M6X30