文档中心
/
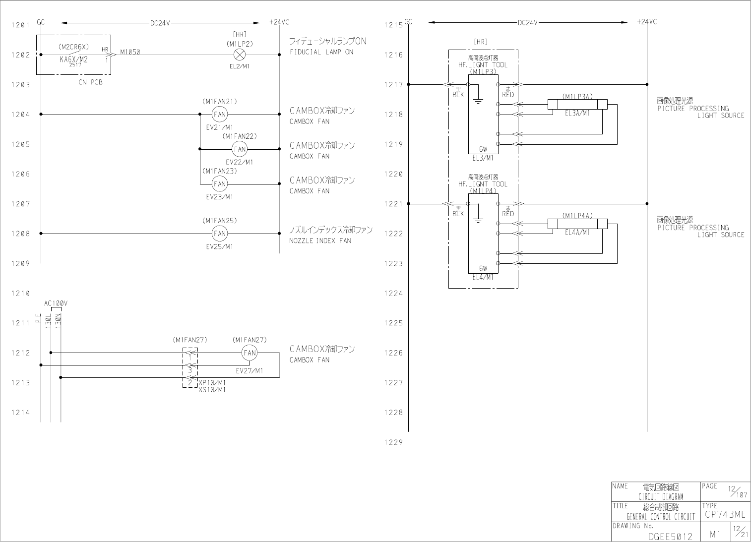
CP743ME电路图20
CP743ME电路图20 - 第18页
在线预览 CP743ME电路图20 PDF 文档。
目录
100%
显示:宽度
宽度
1 / 256
回到旧版
旧版
?
该页面需要启用 JavaScript 才能进行交互式预览。