yhp2_4m_e - 第16页
PAGE 14 Wiring parts list KGV - 0405 No Part No. Part Name Q'ty Re m arks No Part No. Part Name Q' ty Rem arks 1 KM5-M661E-00X HNS,QF-TM11 1 J003 3 9 KGK-M664J-01X HNS,I/O HEAD CMN 2 1 J104 2 KM6-M661G-00X HNS,…

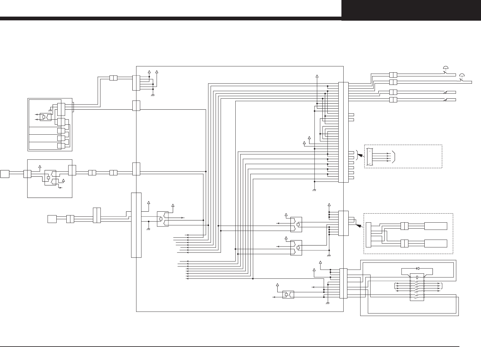
PAGE 13
YHP-2 4M (KGV)
Emergency circuit
FRONT EMG SW
REAR EMG SW
FRONT AREA
N00655
+24VK
1
4
3
2
5
6
1
4
3
2
5
6
2
1
2
1
+24V
+24V
0V
0V
0V
+24V
CN40
+24VC +24VN
I/O A
+24V
0V
IF+24V
+24V
0V
EMG16
EMG16
EMG17
EMG17
0V
W54
V54
U54
W52
V52
U52
S10
EMG17
+24VN00616
13
1
3
14
2
4
6
A1
A2
5
53
54 EMG16EMG17
+24V
4
3
2
1
7
6
5
8
9
10
11
12
4
3
2
1
7
6
5
8
9
10
11
12
0V
+24V
+24V
0V
+24E
+24E
+24E
P40
I/O CONVEYOR BOARD ASSY
N006C0 CONT.GOOD
N006C1 X.OT
N006C2 Y.OT
N006C3 F.EMG
N006C4 R.EMG
N006C5 MSP EMG
N006C6 F.COVER
N006C7 F,AREA
N006D0 R.COVER
N006D1 R.AREA
N006D2 TF.EMG
N006D3 EMG SPARE1
N006D4 EMG SPARE2
N006D5 EMG SPARE3
N006D6 EMG SPARE4
N006D7 EMG SPARE5
DI16
B5
A5
B4
A4
B3
A3
B2
A2
B1
A1
+24V
0V
B5
A5
B4
A4
B3
A3
B2
A2
B1
A1
CN38
+24V
+24V
AREA1
+24V
AREA2
0V
0V
0V
EMG7
EMG8
EMG9
EMG10
REAR AREA
N00656
N00616
SERVO ON
T00283
READY OUT (NPN)
33
2
1
2
1
SQ77B
+24V
0V
AREA2
AREA EMGEMG R AREA
33
2
1
2
1
SQ44B
+24V
AREA1
0V
AREA EMGEMG F AREA
B5
A5
B4
A4
B3
A3
B2
A2
B1
A1
CN38
REAR AREA
FRONT AREA
AREA SENSOR (OPTION)
CN37
A10
B9
A9
B8
A8
B7
A7
B6
A6
B5
A5
B4
A4
B3
A3
B2
A2
B1
A1
B10
A11
B11
A12
B12
A13
B13
A14
B14
A15
B15
A16
B16
A17
B17
A18
B18
A19
B19
A20
B20
A10
B9
A9
B8
A8
B7
A7
B6
A6
B5
A5
B4
A4
B3
A3
B2
A2
B1
A1
B10
A11
B11
A12
B12
A13
B13
A14
B14
A15
B15
A16
B16
A17
B17
A18
B18
A19
B19
A20
B20
2
1
2
1
2
1
2
1
SQ151
SQ150
REAR COVER SW
FRONT COVER SW
COVER R
COVER F
2
1
2
1
2
1
2
1
SB11
SB12
EMG3
EMG4
EMG4
EMG5
EMG6
EMG7
EMG8
EMG9
STOP F
STOP R
EMG3
EMG4
EMG4
EMG5
EMG6
EMG7
EMG8
EMG9
+24V
0V
+24V
0V
EMG5
EMG6
E70
EMG8
EMG6
E60
E80
EMG11
E70
E80
E60
E70
0V
0V
+24V
+24E
EMG10
EMG11
EMG12
EMG12
EMG13
EMG13
EMG14
EMG14
EMG15
EMG15
EMG16
EMG11
23
24
See Page 5
CONV+24V
See Page 5
CONV+24E
63
64 +24E+24V
KM10/KM10A
CN39
KA7
KA8
KA4
CN37
YWF (OPTION)
B14
A15
B15
A16
EMG10
EMG11
EMG11
EMG12
See KGP-000-CNx PAGE 1
TF SET LIMIT SW, EMG SW
+24VK
+24VJ
+24VK
+24VD
+24VJ
+24EA
+24VI
See Page 12
See Page 12
KGK-M4580-0xx
3
2
1
3
2
1
+24V
0V
6
5
4
3
2
1
6
5
4
3
2
1
Y1ORG/OT
SQ2
+24V
0V
A10
B9
A9
B8
A8
B7
A7
B6
A6
B5
A5
B4
A4
B3
A3
B2
A2
B1
A1
B10
A11
B11
A12
B12
A13
B13
A10
B9
A9
B8
A8
B7
A7
B6
A6
B5
A5
B4
A4
B3
A3
B2
A2
B1
A1
B10
A11
B11
A12
B12
A13
B13
CN25
YOT
YOT
YOT
EMG2
EMG3
Y-AXIS OT
N00603
KA6
Y1OT
Y1OT
+24VK
+24VK
EMG1
EMG2
EMG1
EMG2
2
1
2
1
2ND LMT
EMG1
EMG2
2
1
2
1
2ND LMT
EMG1
EMG2
P21
1
2
1
2
+24V
N00482
1
4
3
2
5
1
4
3
2
5
11
22
33
44
33
+24V
+24V
0V
XOT
OTSENS
2NDLMT1
2NDLMT2
CN28
CN23
EMG1
EMG1
11
2
1
2
1
3
4
5
3
4
5
CONTROL BOX
K6
GOOD
INTERFACE
4
3
2
1
4
3
2
1
CN22
SQ6
CN15
XOT
K1
CN1
CN4
2
1
2
1
2
1
2
1
2
1
2
1
CN6
CN6
CN6
SERVO 2
SERVO 3
SERVO 1
A1
22
33
I/O HEAD BOARD ASSY

PAGE 14
Wiring parts list
KGV - 0405
No Part No. Part Name Q'ty Remarks No Part No. Part Name Q'ty Remarks
1 KM5-M661E-00X HNS,QF-TM11 1 J003 39 KGK-M664J-01X HNS,I/O HEAD CMN 2 1 J104
2 KM6-M661G-00X HNS,TM11-TC11 1 J004 40 KGK-M664G-03X HNS,I/O HEAD CMN1 1 J105
3 KGA-M662E-02X HNS,TC11-QF XT21 1 J011 41 KGV-M664K-00X HNS,CALIB.I/O CMN 1 J106
4KM6-M661J-00X HNS,TM11-QF31 1 J014 42 KGK-M664L-03X HNS,CONV.MTR DRIVER 1 J107
5 KM6-M661K-00X HNS,QF31-NF11 1 J015 43 KGK-M664M-00X HNS,CONV.MOTOR 1 J108
6 KGA-M662M-00X HNS,U10 JUMPER 1 J016 44 KG2-M669R-11X HNS,9-11 1 J109
7 KM6-M661L-00X HNS,NF11-KM11 1 J018 45 KU8-M66F5-10X HNS,VGA 1.5M 1 J112
8 KM6-M66M4-00X HNS 18-4 (JUMPER) 1 J019 46 KU8-M66F5-30X HNS,VGA 3M 1 J113
9 KGK-M662A-01X HNS,C/R POWER 1 J021 47 KGK-M66F5-00X HNS,DVI-VGA 1 J114
10 KGK-M667L-02X HNS,I/O CONV.FAN 1 J022 48 KU8-M66F5-50X HNS,VGA 5M 1 J115
11 KGK-M662U-03X HNS,I/O CONV.KM10 1 J024 49 KW3-M668X-00X HNS, KB EXTEND(2m) 1 J117
12 KGA-M662H-03X HNS,EXT.POWER 1 J028 50 KGK-M6640-00X HNS,KEY/MOUSE ASSY 1 J118
13 KGT-M663H-01X HNS,LCD POWER 1 J028 51 KGK-M665A-01X HNS,PI1 1 J121
14 KGT-M663H-01X HNS,LCD POWER 2 J028 52 KGK-M665E-02X HNS,PI2 1 J122
15 KGK-M662W-02X HNS,LED DRIVER +24V 1 J040 53 KGV-M665F-00X HNS,PI3 1 J123
16 KGM-M661U-01X HNS,I/O HEAD TF+24V 1 J041 54 KGK-M665H-01X HNS,BASE XP Z1P 1 J125
17 KGK-M662H-02X HNS,IF CALIB +24V 1 J042 55 KGV-M665J-02X HNS,PI Y-FLEX 2 J126,J127
18 KV8-M661V-00X HNS,PWR,HEAD I/O 1 J043 56 KGV-M665M-12X HNS,R1P Y-FLEX 1 J128
19 KGK-M661W-04X HNS,I/O HEAD +24V OT 1 J044 57 KGK-M665K-02X HNS,XP Z1P Y-FLEX 1 J129
20 KGK-M662X-01X HNS,DIPPING+24V 1 J045 58 KV8-M665K-00X HNS 5-7(X-BEAM,PI X) 1 J130
21 KGK-M662E-03X HNS,CONV.MTR PWR 1 J046 59 KGA-M665A-00X HNS,BASE Y1P 1 J131
22 KGA-M662X-00X HNS,QF22-GS21 1 J047 60 KGA-M665E-00X HNS,BASE Y2P 1 J132
23 KGK-M662Y-03X HNS,+24V POWER(GS21) 1 J048 61 KGA-M665G-00X HNS,BASE PUP 1 J133
24 KGA-M662K-01X HNS,CRT POWER 1 J049 62 KV8-M665M-00X HNS 5-9(PI W) 1 J134
25 KGA-M662K-01X HNS,CRT POWER 2 J049,J050 63 KGV-M665L-00X HNS,ZP X-FLEX 2 J135,136
26 KGK-M663F-02X HNS,COVER LIGHT 1 J066 64 KGK-M665R-04X HNS,R1P Z1P X-FLEX 2 J137,J138
27 KGA-M663G-01X HNS,JC LAMP 24V 1 J067 65 KGV-M665N-01X HNS,BASE R1P 1 J139
28 KV8-M536E-10X HNS 302 1 J071;Y-FLEX 66 KGK-M666A-01X HNS,MO1 1 J141
29 KV8-M66L1-00X HNS,FG-C/R 1 J072;C/R 67 KGK-M666E-00X HNS,MO2 1 J142
30 90K30-444160 HNS,EARTH 1 J073;X-FLEX 68 KGV-M666F-00X HNS,MO3 1 J143
31 90K30-045050 HNS,EARTH 1 J074 69 KGV-M666G-00X HNS,MO4 1 J144
32 KK1-M664J-01X HNS,PE 1000 3
J077,J078,J080;TM11,TC11
70 KGV-M666J-01X HNS,ZM R1M Y-FLEX 3 J145,J146,J148
33 90K30-244050 HNS,EARTH 500 1 J079 71 KV8-M666H-00X HNS,Y-FLEX XM 1 J147
34 90K30-245170 HNS,EARTH 1 J081;GS21 72 KGV-M666L-00X HNS,ZM X-FLEX 2 J149,J150
35 KG2-M536A-22X HNS,PE 150 5 J083-J087 73 KGV-M666K-01X HNS,Z1M R1M X-FLEX 2 J151,J152
36 KK1-M664J-01X HNS,PE 1000 1 J089,KGT:J125 74 KGK-M667G-03X HNS,I/O CONV.CN26 1 J161
37 KGK-M664A-03X HNS,I/O CMN 1 J101 75 KGA-M667A-00X HNS,COVER LIMIT 2 J163,J164
38 KGK-M664F-04X HNS,I/O HEAD CMN OT 1 J103 76 KGA-M667J-00X HNS,EMG SW 2 J165,J166

PAGE 15
Wiring parts list
KGV - 0405
No Part No. Part Name Q'ty Remarks No Part No. Part Name Q'ty Remarks
77 KGK-M667F-04X HNS,I/O CONV.CN37 1 J167 115 KGK-M668E-03X HNS,CONVEYOR SENSOR 1 J252
78 KGK-M662R-02X HNS,Y1ORG OT Y-FLEX 1 J171 116 KGK-M668F-02X HNS,I/O CONV.CN30 1 J254
79 KGK-M667W-01X HNS,AREA EMG 1 J174 117 KGK-M668M-03X HNS,NOZZLE ST.DI 1 J256
80 KGK-M668G-02X HNS,OPERATION SW 1 J181 118 KGK-M669L-00X HNS,NOZZLE ST.DI 2 1 J257
81 KGK-M668G-02X HNS,OPERATION SW 1 J182 119 KGK-M668A-03X HNS,ORG OT DI 1 J258
82 KGA-M669V-04X HNS,SWITCH ACTIVE 1 J183 120 KGA-M6640-00X HNS,SWITCHER IN1 ASS 1 J261
83 KGA-M669V-14X HNS,SWITCH READY 1 J184 121 KGA-M6640-10X HNS,SWITCHER IN2 ASS 1 J262
84 KGA-M669V-24X HNS,SWITCH START 1 J185 122 KGK-M66J1-02X HNS,FIDUCIAL LIGHT 1 J301
85 KGA-M669V-32X HNS,SWITCH STOP 1 J186 123 KGV-M66JF-01X HNS,VCM.SENSOR HEAD 1 J308
86 KGA-M669V-42X HNS,SWITCH ERR.CLR. 1 J187 124 KGV-M66J5-01X HNS,HEAD VACUUM/BLOW 1 J309
87 KGA-M669V-54X HNS,SWITCH RESET 1 J188 125 KGK-M66F6-00X C.CABLE ASSY :7.7M 1 J500,J501
88 KGA-M669V-04X HNS,SWITCH ACTIVE 1 J189 126 KGK-M66F0-00X C.CABLE ASSY 1 J503/J504
89 KGA-M669V-14X HNS,SWITCH READY 1 J190 127 KGK-M66N1-00X HNS,LIGHT1 1 J506
90 KGA-M669V-24X HNS,SWITCH START 1 J191 128 KV7-M66N2-00X HNS,LIGHT2 1 J507/J514
91 KGA-M669V-32X HNS,SWITCH STOP 1 J192 129 KV7-M66N3-00X HNS,LIGHT3 1 J508/J510
92 KGA-M669V-42X HNS,SWITCH ERR.CLR. 1 J193 130 KGA-M66N4-00X HNS,LIGHT4 1 J509/J516
93 KGA-M669V-54X HNS,SWITCH RESET 1 J194 131 KGA-M66N2-01X HNS,LIGHT2 1 J512
94 KW3-M66GW-00X HNS,NEXT INTERFACE 1 J201 132 KGA-M66N2-02X HNS,LIGHT2 1 J513
95 KGK-M669K-03X HNS,FEEDER 16 1 J207 133 KM6-M66M1-10X HNS,TAP CHANGE 10 J601~J608,J610,J611
96 KGK-M669M-03X HNS,FEEDER 8 2 J207,J208 134 KM6-M66M1-20X HNS,TAP CHANGE 1 J609
97 KGK-M669M-03X HNS,FEEDER 8 1 J208 135 KV7-M66X4-01X HNS,POWER IONIZER2 2 J712,J713
98 KGK-M669K-03X HNS,FEEDER 16 1 J209 136 KGK-M66X3-03X HNS,IONIZER POWER 1 J714
99 KGK-M669M-03X HNS,FEEDER 8 1 J210 137 KGK-M66W5-02X HNS,R WAFFLE TRAY 1 J721
100 KGT-M6680-01X HNS,SERIAL 3M ASSY 1 J211 138 KGK-M6680-00X HNS,USB-FDD 2M ASSY 1 KGK:J110,KGT:J313
101 KGT-M6680-01X HNS,SERIAL 3M ASSY 1 J212 139 KV7-M66N6-00X HNS,LIGHT6 1 M.LIGHT
102 KGK-M6681-00X HNS,SERIAL 4M ASSY 1 J213 140 KV7-M66N7-00X HNS,LIGHT7 1 M.LIGHT
103 KW3-M668J-02X HNS,TOUCH PANEL ASSY 1 J214 141 KGK-M4570-10X I/O HEAD BOARD ASSY 1 P21
104 KGK-M66W4-06X HNS,I/O WAFFLE TRAY 1 J215 142 KGA-M4472-01X SWITCHER BOARD ASSY 1 P31
105 KGK-M669E-02X HNS,PATLITE 1 J219 143 KGK-M4580-01X I/O CONV. BOARD ASSY 1 P40
106 KGK-M668N-02X HNS,I/O CONV.CN28 1 J221 144 KGK-M4528-01X CALIB.BOARD ASSY 1 P50
107 KW3-M66GX-00X HNS,PRE.INTERFACE 1 J222 145 KV1-M6474-01X KV1 LED DRIVER ASSY 1 P80/P81
108 KV7-M66V6-00X HNS,24-6 (CONTACT) 1 J223,J224;A.GATE
109 KV7-M66V5-01X HNS,24-5(NEXT) 1 J223;A.GATE
110 KV7-M66V4-01X HNS,24-4(PREVIOUS) 1 J224;A.GATE
111 KGK-M668T-02X HNS,I/O CONV.CN11 1 J225
112 KGK-M669J-02X HNS,I/O CONV.CN17 1 J227
113 KGK-M668X-02X HNS,PU-AXIS BRAKE 1 J228
114 KGK-M668L-03X HNS,I/O CONV.CN27 1 J229