yhp2_4m_e - 第2页
Ta b le of contents YHP-2 4M Ov er vie w Control box I/O conveyor board-1- I/O conveyor board-2- I/O conveyor board-3- I/O head front A (head A) Monitor select Camera unit Power transformer terminal Fixed 20 feeder struc…

Appendix
Control Wiring Diagram
YHP-2 4M
KGV 0405
Table of contents
YHP-2 4M
Over view
Control box
I/O conveyor board-1-
I/O conveyor board-2-
I/O conveyor board-3-
I/O head front A (head A)
Monitor select
Camera unit
Power transformer terminal
Fixed 20 feeder structure
Fixed 8 feeder structure
Power circuit
Emergency circuit
Wiring parts list

PAGE 1
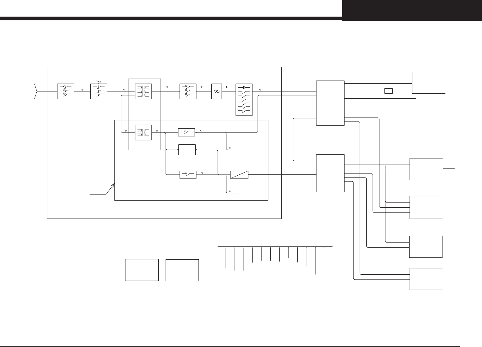
YHP-2 4M (KGV)
Over view
INPUT:
AC50/60Hz 4.0A (MAX)
CONTROL: 1PH 100V
MOTOR: 3PH 220V
OUTPUT:
DRIVER
CONTROL BOX
MONITOR SELECTION
FDD
FRONT PANEL
Each Cameras
Each Motors
Filter
Contactor
Noise
Protector
Circuit
Transformer
Main Switch
Set 13A
NF11
QF31 10ATM11 2.48KVA
QS11
QF11
380/400/416V
200/208/220/240
Main Breaker
3 3
1 1
1
3
AC220V
3
AC220V
3
3
AC220V
KM10/KM10A
3~50/60Hz
POWER TRANSFORMER
TERMIANL
Transformer
QF22 5A
AC100V
QF21 5A
AC100V
AC100V
1
AC100V
1
AC100V
1
AC100V
XT21
Terminal
AC100V
Rating 4.4KVA MAX.
TC11 0.75KVA
See Page 2
See Page 7
FEEDER
STRUCTURE
EMG S/W
SIGNAL TOWER
COVER S/W
AREA SENSOR
AC220V
P40
P21
COMU
DC24V
HEAD SENSOR,
VALVE
A1
COMU
See Page 3-5
See Page 6
COMU
YWF
WAFER ATS
See Page 8
CAMERA UNIT
COMU
P50
DC24V
See Page 3
See KGP-000-CNx
page 1
I/O CONVEYOR
BOARD ASSY
I/O HEAD BOARD
ASSY
ASSY
CONVEYOR SENSOR
FRONT OPERATION
PANEL
REAR OPERATION
PANEL
CONVEYOR MOTOR
30W
OT
•
ORG SENSOR
DIPPING UNIT 2
DIPPING UNIT 1
CONVEYOR VALVE
AC50/60Hz 10A (MAX)
3PH 200V 0~150Hz
DC24V
Power Supply
GS21 DC24V 14A
CRT1
CRT2
CALIBRATION BOARD
WAFFLE TRAY
FEEDER 1
WAFFLE TRAY
FEEDER 2
See Page 10,11
See page 9
See Page 12
NOTE1: This part on this drawing is applicable only for standard specification (without ups).
If the UPS is equipped onto the machine as option, refer to the drawing of
"KGK-M6567-000-CPx:UPS POWER CIRCUIT DIAGRAM".
NOTE1
POWER CIRCUIT
EMERGENCY
CIRCUIT
See Page 13
1: 3.11KW (TOTAL)
2: 0.42KW (TOTAL)
3: 0.84KW (TOTAL)