yhp2_4m_e - 第3页
PAGE 1 YHP-2 4M (KGV) Over view INPUT: AC50/60Hz 4.0A (MAX) CONTROL: 1PH 100V MOTOR: 3PH 220V OUTPUT: DRIVER CONTROL BOX MONITOR SELECTION FDD FRONT PANEL Each Cameras Each Motors Filter Contactor Noise Protector Circuit…
Table of contents
YHP-2 4M
Over view
Control box
I/O conveyor board-1-
I/O conveyor board-2-
I/O conveyor board-3-
I/O head front A (head A)
Monitor select
Camera unit
Power transformer terminal
Fixed 20 feeder structure
Fixed 8 feeder structure
Power circuit
Emergency circuit
Wiring parts list

PAGE 1
YHP-2 4M (KGV)
Over view
INPUT:
AC50/60Hz 4.0A (MAX)
CONTROL: 1PH 100V
MOTOR: 3PH 220V
OUTPUT:
DRIVER
CONTROL BOX
MONITOR SELECTION
FDD
FRONT PANEL
Each Cameras
Each Motors
Filter
Contactor
Noise
Protector
Circuit
Transformer
Main Switch
Set 13A
NF11
QF31 10ATM11 2.48KVA
QS11
QF11
380/400/416V
200/208/220/240
Main Breaker
3 3
1 1
1
3
AC220V
3
AC220V
3
3
AC220V
KM10/KM10A
3~50/60Hz
POWER TRANSFORMER
TERMIANL
Transformer
QF22 5A
AC100V
QF21 5A
AC100V
AC100V
1
AC100V
1
AC100V
1
AC100V
XT21
Terminal
AC100V
Rating 4.4KVA MAX.
TC11 0.75KVA
See Page 2
See Page 7
FEEDER
STRUCTURE
EMG S/W
SIGNAL TOWER
COVER S/W
AREA SENSOR
AC220V
P40
P21
COMU
DC24V
HEAD SENSOR,
VALVE
A1
COMU
See Page 3-5
See Page 6
COMU
YWF
WAFER ATS
See Page 8
CAMERA UNIT
COMU
P50
DC24V
See Page 3
See KGP-000-CNx
page 1
I/O CONVEYOR
BOARD ASSY
I/O HEAD BOARD
ASSY
ASSY
CONVEYOR SENSOR
FRONT OPERATION
PANEL
REAR OPERATION
PANEL
CONVEYOR MOTOR
30W
OT
•
ORG SENSOR
DIPPING UNIT 2
DIPPING UNIT 1
CONVEYOR VALVE
AC50/60Hz 10A (MAX)
3PH 200V 0~150Hz
DC24V
Power Supply
GS21 DC24V 14A
CRT1
CRT2
CALIBRATION BOARD
WAFFLE TRAY
FEEDER 1
WAFFLE TRAY
FEEDER 2
See Page 10,11
See page 9
See Page 12
NOTE1: This part on this drawing is applicable only for standard specification (without ups).
If the UPS is equipped onto the machine as option, refer to the drawing of
"KGK-M6567-000-CPx:UPS POWER CIRCUIT DIAGRAM".
NOTE1
POWER CIRCUIT
EMERGENCY
CIRCUIT
See Page 13
1: 3.11KW (TOTAL)
2: 0.42KW (TOTAL)
3: 0.84KW (TOTAL)

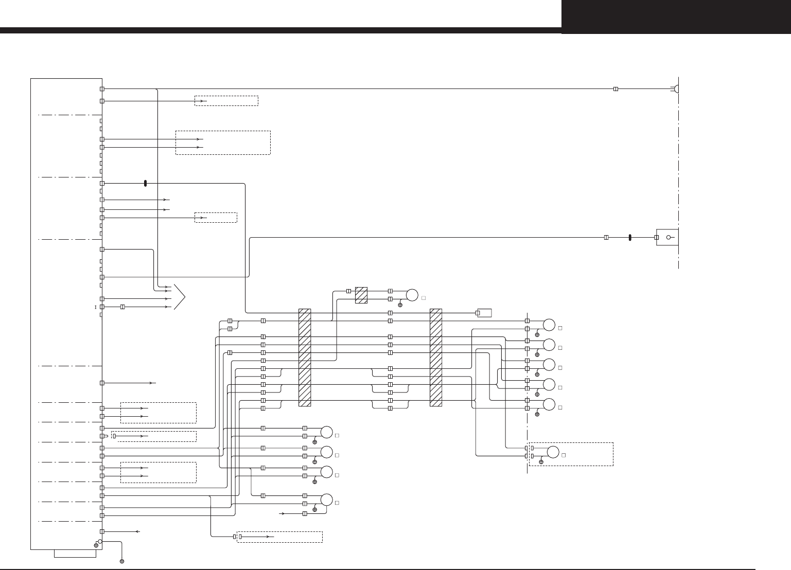
PAGE 2
YHP-2 4M (KGV)
Control box
86 MAX 4500rpm
CAMERA1
YWF
See KGP-000-CNx page 1
YWF
See KGP-000-CNx page 1
YWF
See KGP-000-CNx page 1
YWF
See KGP-000-CNx page 1
YWF
See KGP-000-CNx page 1
DUCT X
FLEXIBLEFLEXIBLE
DUCT Y
YWF
See KGP-000-CNx page 1
E1(3 turn)
UPS
UPS (OPTION)
See KGK-M6567-000-CPx
UPS
J111
UPS (SIGNAL)
EXT.PWR
J28
EXT.PWR
FRONT PANEL
PE
AC IN
CD-ROM
J141
J144
J143
J122
J121
J123
AC IN
J72
Y1P
Y2P
PUP
J625
J626
J622
J623
J133
J134
J132
J131
DRIVER 1
DRIVER 2
DRIVER 3
SERVO 1
SERVO 2
SERVO 3
J126
J127
J150
Z1M
Z1M
J129
J128
J147
J148
J138
J136
J135
J137
J151
J149
J145
J146
A_CAM1
PLATE
MO1
MO2
MO3
MO4
MO5
MO6
PI2
PI1
PI3
PI4
PI5
PI6
MO1
MO2
MO4
MO3
MO5
MO6
PI1
PI2
PI3
PI5
PI6
(X,PU,Y1,Y2)
(LX,LU,LR,LT)
(LY,LS,LP,LH)
(X,PU,Z1,W)
(-,-,-,LZ)
(LX,LY,LU,LS)
(LR,LP,LT,LH)
XZ1P
J142
M2
YP
YM
M3
YP
YM
M10
WM
WP
M11
PUM
PUP
Y1
Y2
PU
Y1M
Y2M
W
J125
ZIP
J130
X-BEAM
M1
XP
XM
X1
X
X1
Z1P
XP
D_CAM1
D_CAM2
D_CAM3
L.CTL1
D_CAM4
A_CAM1
A_CAM2
VISION 2
CAMERA UNIT
J628
J627
YWF (OPTION)
X XM
A_CAM1
J501
VISION 1
J139
J500
BUZZER
J109
WP W
HA1
See KGP-000-CNx page 1
See KGP-000-CNx page 1
A_CAM2
D_CAM2
CAMERA UNIT
See Page 8
D_CAM1
J503
CAMERA UNIT
See Page 8
L.CTL1
J506
CAMERA UNIT
See Page 8
D CAM2 (OPTION)
J21
AC100/220V
YWF (OPTION)
J624
PI4
YWF (OPTION)
J101
INTERFACE
YWF (OPTION)
J228
I/O CONVEYOR
(CN5)
See Page 3
J504
KGK-M4100-xxx
D_CAM4
D_CAM3
I/O CONVEYOR
(CN22,40)
See Page 3,5
CZP
CZM
CZP
TK01/0V
L.CTL2-1
D_CAM2-1
L.CTL1-1
ACAM1-1
DCAM1-1
DCAM1-2
A CAM1-1
M4
Z1P
Z1M
Z1P
Z1M
M5
Z2P
Z2M
Z2P
Z2M
M6
M7
PU-AXIS 200W
X-AXIS 750W
86 MAX 4500rpm
CZ-AXIS 30W
35 MAX 2000rpm
Y1-AXIS 1KW
86 MAX 4500rpm
Y2-AXIS 1KW
W-AXIS 100W
42 MAX 750rpm
54 MAX 1000rpm
CZ-AXIS (OPTION)
CZM
DCAM2-1
J112
or
J113
PU BK
SYSTEM
KEY/MS
KEY/MS
LAN
Operation Monitor SEL.
See Page 7
CONTROL BOX A1
USB1
USB2
USB4
J110
USB3
SERIAL1
J211
or
J214
SERIAL1
DV
WIN BUZZER
LZM
YWF (OPTION)
J674
FDD
A14
1.44MB
VE1
(0 turn)
FDD
(Y1,Y2,R1,-)
(Z1,W,R1,-)
Z1-AXIS 30W
Z2-AXIS 30W
Z3-AXIS 30W
Z4-AXIS 30W
M8
M9
Z3P
Z3M
Z3P
Z3M
Z4P Z4P
Z4M Z4M
Z4M
Z4M
Z2CP
Z2CP
CZM
CZM
Z2M
Z2M
Z3M
Z3M
J152
J117
or
J118
I/O A
I/O A
Z34P
Z34P
J114
(Z3,Z4,-,-)
(Z2,C1,-,LZ)
(Z3,Z2,Z4,C1)
See Page 12
R1M
R1M
R1P
R1P
R1M
R1P
R1M
R1P
R1P
USB3
LZ
35 MAX 4500rpm
35 MAX 4500rpm
35 MAX 4500rpm
35 MAX 4500rpm
42 MAX 2500rpm
R1-AXIS 30W
J624