KE-3020_KE-3020R-Rev05PDFA - 第145页
- 138 - NOTE( 注記 ) #01....FOR 150MM 150 MM 用 #02....FOR 250MM 250 MM 用 REF.NO NOTE PART NO D E S C R I P T I O N 品 名 Qty 1 #01 400-94882 CONVEYOR EXTENSION 150 ASM コンベアエクステンション150組 1 2 #02 400-94883 CONVEYOR EXTENSION 25…

- 137 -
69.CONVEYOR EXTENTION COMPONENTS
コンベア延長
3 4
5
6
13 14
15 16
7
8
9 10
11
12
11 12
17 18
17
18
19
15 16
19
20
20
21
22
23 24
21
22
23
24
25
1 2

- 138 -
NOTE( 注記 ) #01....FOR 150MM 150 MM 用
#02....FOR 250MM 250 MM 用
REF.NO NOTE PART NO D E S C R I P T I O N
品 名
Qty
1
#01
400-94882 CONVEYOR EXTENSION 150 ASM
コンベアエクステンション150組
1
2
#02
400-94883 CONVEYOR EXTENSION 250 ASM
コンベアエクステンション250組
1
3
#01
400-11053 RAIL PLATE F(150)
レールプレートF(150)
(1)
4
#02
400-11060 RAIL PLATE F(250)
レールプレートF(250)
(1)
5
#01
400-11054 RAIL PLATE R(150)
レールプレートR(150)
(1)
6
#02
400-11061 RAIL PLATE R(250)
レールプレートR(250)
(1)
7
#01
400-11055 RAIL F(150)
レールF(150)
(1)
8
#02
400-11062 RAIL F(250)
レールF(250)
(1)
9
#01
400-11056 RAIL R(150)
レールR(150)
(1)
10
#02
400-11063 RAIL R(250)
レールR(250)
(1)
11
#01
400-11057 PWB GUIDE EX(150)
PWBガイドEX(150)
(2)
12
#02
400-11064 PWB GUIDE EX(250)
PWBガイドEX(250)
(2)
13
#01
400-94541 CONVEYOR_BELT_EX150
コンベヤベルト_EX150
(2)
14
#02
400-94542 CONVEYOR_BELT_EX250
コンベヤベルト_EX250
(2)
15
#01
400-11072 JOINT PLATE F(150)
ジョイントプレートF(150)
(2)
16
#02
400-11066 JOINT PLATE F(250)
ジョイントプレートF(250)
(2)
17
#01
SL-6031092-TN SCREW
座金付き六角穴ボルト
(6)
18
#02
SL-6031092-TN SCREW
座金付き六角穴ボルト
(8)
19 SL-6031092-TN SCREW
座金付き六角穴ボルト
(4)
20 SL-6041292-TN SCREW
座金付き六角穴ボルト
(6)
21
#01
SL-6041092-TN SCREW
座金付き六角穴ボルト
(8)
22
#02
SL-6041092-TN SCREW
座金付き六角穴ボルト
(12)
23
#01
NM-6040002-SN NUT M4
六角ナット M4X0.7 2種
(8)
24
#02
NM-6040002-SN NUT M4
六角ナット M4X0.7 2種
(12)
25 HX-0044000-00 CABLE BAND
束線バンド
(5)

- 139 -
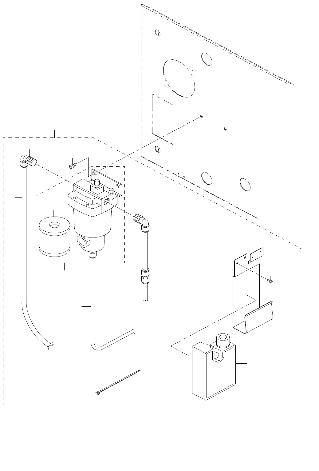
70.MAIN LINE FILTER COMPONENTS
メインラインフィルタ関係
10
7
6
4
8
9
12
3
2
5
10
11
13
1