KE-3020_KE-3020R-Rev05PDFA - 第199页
- 192 - NOTE( 注記 ) #01....FOR EN EN 用 REF.NO NOTE PART NO D E S C R I P T I O N 品 名 Qty 1 400-02125 CAL VCUM SV ASM CAL VCUM SV組 1 2 400-07376 CALBLOCK P CB ASM CALブロック基板組 1 3 400-92504 CAL BLOCK CAB LE ASM CALブロックケーブル組 …

- 191 -
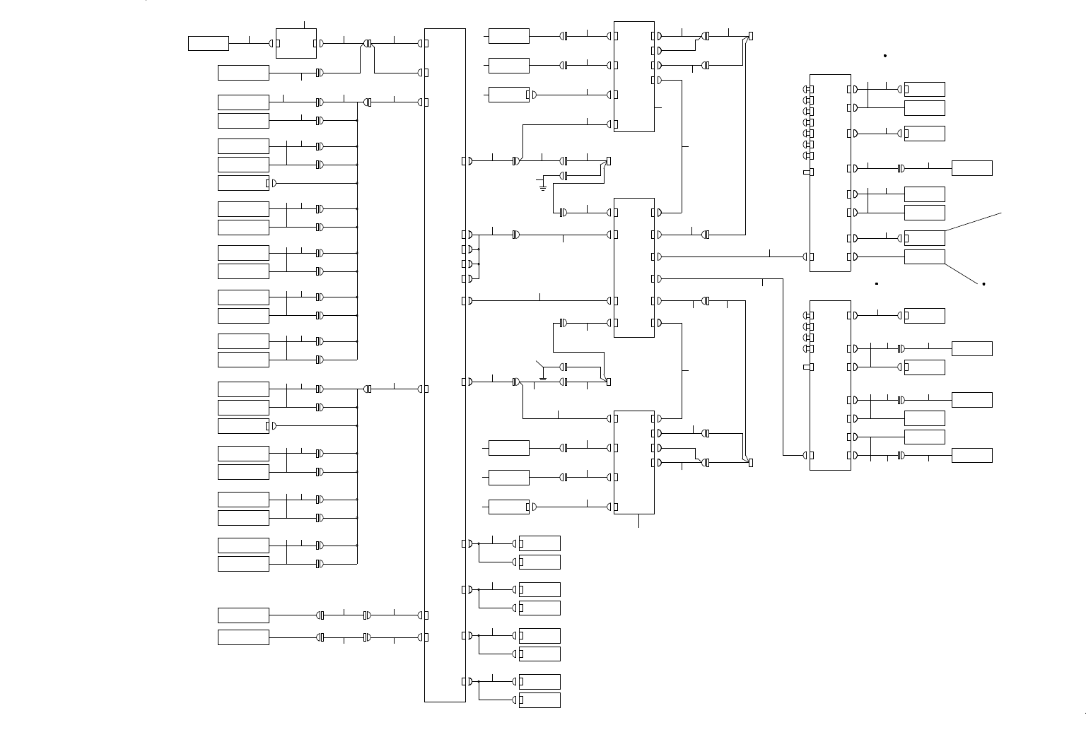
96.SYSTEM DIAGRAM(3)
SYSTEM DIAGRAM(3)
SIGNAL LIGHT
KEY CHANGE SW
FEEDER SW(R)
(NON-STOP
OPERATION)
NON-STOP
SIGNAL
LIGHT(R)
COVER(R) LOCK SV
COVER OPEN SW(R)
EMG SW_R
HOD BOX
MOUSE
/KEYBOARD
SELECTOR
KEY CHANGE SW
FEEDER SW(F)
(NON-STOP
OPERATION)
NON-STOP
SIGNAL
LIGHT(F)
COVER(F) LOCK SV
COVER OPEN SW(F)
EMG SW_F
LED
PCB(R-LL)
LED
PCB(R-LR)
LED
PCB(R-RL)
LED
PCB(R-RR)
LED
PCB(F-RR)
LED
PCB(F-RL)
LED
PCB(F-LR)
LED
PCB(F-LL)
M-E BANK SW
DRIVE CYLINDER
ASSY
DRIVE CYLINDER
ASSY
M-E BANK SW
DRIVE CYLINDER
ASSY
DRIVE CYLINDER
ASSY
ECUTTER(R)
ECUTTER(F)
CAL S.V
CAL
PCB
CAL VACUUM
SENSOR
ELEC FEED FLOAT
SENS(R)(EMI)
FEEDER FLOAT
SENS(RR)(EMI)
FEEDER FLOAT
SENS(RF)(EMI)
DRIVE CYL
SENSOR R ASM
ELEC FEED FLOAT
SENS(R)(REC)
ELEC FEED DET
SENS(R)(REC)
BANK UP SW
(R)
FEEDER FLOAT
SENS(RR)(REC)
FEEDER FLOAT
SENS(RF)(REC)
ELEC FEED DET
SENSOR(F)(EMI)
ELEC FEED FLOAT
SENS(F)(EMI)
FEEDER FLOAT
SENS(FR)(EMI)
FEEDER FLOAT
SENS(FF)(EMI)
ATC S.V
DRIVE CYL
SENSOR F ASM
ELEC FEED FLOAT
SENS(F)(REC)
ELEC FEED DET
SENS(F)(REC)
BANK UP SW
(F)
FEEDER FLOAT
SENS(FR)(REC)
FEEDER FLOAT
SENS(FF)(REC)
ATC CLOSE
SENS
ATC OPEN
SENS
CN7
MNLT
CN24
CN7
CN15
CN8
CN23
CN22
CN12
CN1
SW5
SW4
SW2
2-5C
SW1
OPERATION
PCB (R)
CN13
4-5A
MNLT
CN24
CN7
CN15
CN8
CN21
CN23
CN22
CN12
CN1
SW7
SW6
SW5
SW4
SW3
SW2
CN31
CN30
2-5C
SW1
OPERATION
PCB (F)
CN13
CN18
CN16
CN17
CN15
M-BANK(R)
CN1
CN2
CN7
CN8
CN5
CN6
CN3
BK-RR
CN10
BK-RL
CN9
BANK
PCB (F)
CN2
CN3
CN66
CN25
CN3
CN65
CN7
CN24
M-BANK(F)
CN2
CN1
CN8
CN5
CN6
CN3
BK-FR
CN10
BK-FL
CN9
CN4
CN4
CN370
CN353
EBANK(R)
CN70
CN351
2-5A
CN23
CN69
CN1
E-CUTTER
CN24
CN354
E-CUTTER
CN23
CN354
CN353
4-4A
1-3B
POWER
UNIT
BANK
PCB (F)
CN351
CN67
CN31
CN30
CN28
CALR
CN27
CN1CN2 CN20
CN669
CALF
CN5
CN424
CN423
CN420
CN450
CN425
CN426
CN429
CN422
CN421 CN21
CN21
CN416
CN415
CN411
CN412
ATC
CN451
CN414
CN417
CN418
CN410
CN413
CN403
CN402
EBANK(F)CN370CN3
CN3
CN2
FEEDER
PCB
CN19
CN19
1
2
3
4
5
6
7
8
9
21 31
30 32
33
34 35 36
37 38 39 40
10
11
12
13
14
15
16
17
18
19
20
22
23
24
25
26
27
28
42
43
45
44
46
47
48
49
50
51
52
53
54
55
56
57
58
59
60
61
62
63
64 65 66
67 68 69
70
71
72 73 74 75
41
76
77
78
8381
82
79
80
84
86
87
85
88
89
90
91
92
93
94
95
29
97
96
41
99
98

- 192 -
NOTE( 注記 ) #01....FOR EN EN 用
REF.NO NOTE PART NO D E S C R I P T I O N
品 名
Qty
1 400-02125 CAL VCUM SV ASM
CAL VCUM SV組
1
2 400-07376 CALBLOCK PCB ASM
CALブロック基板組
1
3 400-92504 CAL BLOCK CABLE ASM
CALブロックケーブル組
1
4 400-47483 FEEDER CAL(F) CABLE ASM
CAL(F)ケーブル組
1
5 400-02126 CAL VACUUM SENSOR ASSY
CALバキュームセンサ組
1
6 400-92508 ATC OPEN SENS ASM
ATCオープンセンサケーブル組
1
7 400-92506 FEEDER SENS CABLE F ASM
フィーダセンサケーブル組(F)
1
8 400-48176 FEEDER SENS RELAY(F) CABLE ASM
フィーダセンサ中継ケーブル(F)組
1
9 400-92509 ATC CLOSE SENS ASM
ATCクローズセンサケーブル組
1
10 400-92516 FD-FLOAT(FF)RECEIVE SENS ASM
フィーダ浮きセンサ(FF)受光組
1
11 400-92518 FD-FLOAT(FR)RECEIVE SENS ASM
フィーダ浮きセンサ(FR)受光組
1
12 400-92530 E-FD-DETECT(F)RECEIVE SENS ASM
電動フィーダ検知センサ(F)受光組
1
13 400-92526 E-FD-FLOAT(F)RECEIVE SENS ASM
電動フィーダ浮きセンサ(F)受光組
1
14 400-92513 DRIVE CYL SENSOR F ASM
ドライブシリンダセンサ F ケーブル組
1
15 400-92510 ATC SV CABLE ASM
ATC ソレノイドバルブケーブル組
1
16 400-92515 FD-FLOAT(FF)EMISSIN SENS ASM
フィーダ浮きセンサ(FF)投光組
1
17 400-92517 FD-FLOAT(FR)EMISSIN SENS ASM
フィーダ浮きセンサ(FR)投光組
1
18 400-92525 E-FD-FLOAT(F)EMISSIN SENS ASM
電動フィーダ浮きセンサ(F)投光組
1
19 400-92529 E-FD-DETECT(F)EMISSIN SENS ASM
電動フィーダ検知センサ(F)投光組
1
20 400-92520 FD-FLOAT(RF)RECEIVE SENS ASM
フィーダ浮きセンサ(RF)受光組
1
21 400-48177 FEEDER SENS RELAY(R) CABLE ASM
フィーダセンサ中継ケーブル(R)組
1
22 400-92522 FD-FLOAT(RR)RECEIVE SENS ASM
フィーダ浮きセンサ(RR)受光組
1
23 400-97588 REFLEX ARRAY SENSOR ASM
反射型アレイセンサ組
1
24 400-92528 E-FD-FLOAT(R)RECEIVE SENS ASM
電動フィーダ浮きセンサ(R)受光組
1
25 400-92514 DRIVE CYL SENSOR R ASM
ドライブシリンダセンサ R ケーブル組
1
26 400-92519 FD-FLOAT(RF)EMISSIN SENS ASM
フィーダ浮きセンサ(RF)投光組
1
27 400-92521 FD-FLOAT(RR)EMISSIN SENS ASM
フィーダ浮きセンサ(RR)投光組
1
28 400-92527 E-FD-FLOAT(R)EMISSIN SENS ASM
電動フィーダ浮きセンサ(R)投光組
1
29 400-48045 SIGNAL TOWER LIGHT ASM
シグナルタワーライト組
1
30 400-92640 AUTO TAPE CUTTER CABLE ASM2
オートテープカッターケーブル組2
1
31 400-92639 AUTO TAPE CUTTER CABLE ASM1
オートテープカッターケーブル組1
1
32 400-92640 AUTO TAPE CUTTER CABLE ASM2
オートテープカッターケーブル組2
1
33 400-92659 AUTO TAPE CUTTER CABLE ASM7
オートテープカッターケーブル組7
1
34 400-00574 DRIVE CYLINDER ASSY
ドライブシリンダ組
1
35 400-00574 DRIVE CYLINDER ASSY
ドライブシリンダ組
1
36 400-92511 SWITCH D3DC-3
スイッチD3DC−3
1
37 400-02244 BANK FR CABLE ASM
バンクFRケーブル組
1
38 400-02243 BANK FL CABLE ASM
バンクFLケーブル組
1
39 400-92604 M BANK SWITCH F CABLE ASM
メカバンクスイッチ F ケーブル組
1
40 401-10583 FEEDER IF F CABLE ASM
フィーダ IF Fケーブル組
1
41 400-66568 BANK PCB ASM
バンク基板組
2
42 400-92600 MECH BANK CONNECTOR F CABLE ASM
メカバンクコネクタ F ケーブル組
1
43 400-92599 MECH BANK CABLE ASM
メカバンクケーブル組
1
44 400-92602 M BANK DC PWR CABLE F ASM
メカバンクDC電源 F ケーブル組
1
45 400-92601 BANK PWR CABLE F ASM
バンク電源 F ケーブル組
1
46 400-47481 FEEDER IF RELAY(F) CABLE ASM
フィーダ IF中継ケーブル(F)組
1
47 401-11734 ELEC BANK RELAY WIRE ASM
ELEC バンク中継ワイヤ組
1
48 400-84838 ELEC BANK FG WIRE ASM
ELEC バンク FG ワイヤ組
1
49 400-97590 ETF(F) PWR CABLE ASM
ETF(F)パワーケ−ブル組
1
50 400-47484 FEEDER CAL(R) CABLE ASM
CAL(R)ケーブル組
1
51 400-92505 FEEDER XY EMG CABLE ASM
フィーダ XY EMGケ−ブル組
1
52 400-92501 FEEDER PWR CABLE (F) ASM
フィーダ電源ケーブル組(F)
1
53 400-97591 ETF(R) PWR CABLE ASM
ETF(R)パワーケ−ブル組
1
54 400-92603 M BANK AC PWR CABLE F ASM
メカバンクAC電源 F ケーブル組
1
55 400-92579 OPERATION PWR CABLE(F)ASM
オペレーション電源ケーブル組(F)
1
56 400-92580 OPERATION PWR CABLE(R)ASM
オペレーション電源ケーブル組(R)
1
57 400-92608 M BANK AC PWR CABLE R ASM
メカバンクAC電源 R ケーブル組
1
58 400-92599 MECH BANK CABLE ASM
メカバンクケーブル組
1
59 400-92606 BANK PWR CABLE R ASM
バンク電源 R ケーブル組
1
60 400-47482 FEEDER IF RELAY(R) CABLE ASM
フィーダ IF中継ケーブル(R)組
1
61 400-84838 ELEC BANK FG WIRE ASM
ELEC バンク FG ワイヤ組
1
62 401-11734 ELEC BANK RELAY WIRE ASM
ELEC バンク中継ワイヤ組
1
63 401-10584 FEEDER IF R CABLE ASM
フィーダ IF Rケーブル組
1
64 400-00574 DRIVE CYLINDER ASSY
ドライブシリンダ組
1
65 400-00574 DRIVE CYLINDER ASSY
ドライブシリンダ組
1
66 400-92511 SWITCH D3DC-3
スイッチD3DC−3
1
67 400-02245 BANK RL CABLE ASM
バンクRLケーブル組
1
68 400-02246 BANK RR CABLE ASM
バンクRRケーブル組
1
69 400-92609 M BANK SWITCH R CABLE ASM
メカバンクスイッチRケーブル組
1
70 400-92607 M BANK DC PWR CABLE R ASM
メカバンクDC電源Rケーブル組
1
71 400-92605 MECH BANK CONNECTOR R CABLE AS
メカバンクコネクタRケーブル組
1
72 400-92533 FPI LED CABLE(FL)ASM
FPI レッド FL ケーブル組
1
73 400-92534 FPI LED CABLE(FR)ASM
FPI レッド FR ケーブル組
1
74 400-92535 FPI LED CABLE(RL)ASM
FPI レッド RL ケーブル組
1
75 400-92536 FPI LED CABLE(RR)ASM
FPI レッド RR ケーブル組
1
76 400-92833 EMG SW(F) ASM
非常停止スイッチ(F)組
1
77
#01
400-92645 EM SW F CABLE ASM (EN)
EMGスイッチ F ケーブル組 EN
1
78 400-02254 COVER OPEN SWITCH CABLE ASM
カバーオープンSW
1
79 400-92587 COVER LOCK SV ASM
カバーロック SV組
1
80 400-92584 MINI SIGNAL RLY CABLE F ASM
ミニパトリレーケーブル組(F)
1
81 400-48035 L_FEEDER SW ASM
レフトフィーダSW組
1
82 400-48036 CONSOLE SW ASM
コンソールSW組
1
83 400-47823 CONSOLE SELECT CABLE ASM
コンソール切換えケーブル組
1
84 400-48055 MINI PATLITE ASM
ミニパトライト組
1
85 400-03281 MOUSE/KEYBOARD SELECTOR
マウス/キーボード切換器
1
86 E9649-729-000 HOD ASM.
HOD組
1
87
#01
E9662-729-000 HOD (EN)
HOD(EN)
1
88 400-92860 EMG SW(R) ASM
非常停止スイッチ(R)組
1
89
#01
400-92646 EM SW R CABLE ASM (EN)
EMGスイッチ R ケーブル組 EN
1
90 400-97605 COVER OPEN RELAY CABLE ASM
カバーオープン中継ケーブル組
1
91 400-02254 COVER OPEN SWITCH CABLE ASM
カバーオープンSW
1
92 400-92587 COVER LOCK SV ASM
カバーロック SV組
1
93 400-92585 MINI SIGNAL RLY CABLE R ASM
ミニパトリレーケーブル組(R)
1
94 400-48055 MINI PATLITE ASM
ミニパトライト組
1
95 400-48035 L_FEEDER SW ASM
レフトフィーダSW組
1
96 400-48036 CONSOLE SW ASM
コンソールSW組
1
97 400-92586 SIGNAL LIGHT RLY CABLE ASM
シグナルライトリレーケーブル組
1
98 401-07942 FEEDER IF RELAY-04 CABLE ASM
フィーダIF RELAY−04ケーブル組
1
99 401-07941 FEEDER IF RELAY-03 CABLE ASM
フィーダIF RELAY−03ケーブル組
1

- 193 -
97.SYSTEM DIAGRAM(4)
SYSTEM DIAGRAM(4)
MONITOR(F)
MONITOR(R)
ATX-POWER
MOUSE
KEY BOARD
MOUSE
KEY BOARD
VCS CAMERA
VCS CAMERA
LENZE
OP
LENZE
ST
VCS S.V.
CABLE ASM
VCS ST SENSOR
ASM
VCS OP SENSOR
ASM
LOAD CELL
ASM
LOAD
CELL AMP
RIGHT SENSOR
AWC ORG
SENSOR
T.PIN SENSOR
BU PIN SENSOR
(RECEIVING)
BU LOCK
SENSOR
BU ORG SENSOR
COUT SENSOR
STOP SENSOR
WAIT SENSOR
BU PIN SENSOR
(EMISSION)
LEFT SENSOR
SMEMA
(UPPER
UNIT)
SMEMA
(LOWER
UNIT)
(BU L LOCK SV)
SHAPE Y SV
AWC
MOTOR
5PHASE DRIVER
AWC
MOTOR
BU UP
ENCODER
BU UP
MOTOR
5PHASE DRIVER
OUT
MOTOR
CENT
MOTOR
IN
MOTOR
OUT MOTOR DRV
CENT MOTOR DRV
IN MOTOR DRV
STOPPER SV
3-5B
1-2D
RS232C
DC12V
VIDEO
RS232C
CN8
CN10
HOST
COM
RS2
NTSC1
0ONSOL
SW
RSPC
DCIN
VIDEO
DC12V
CN5
LCDB
LCDA
RS1
MS2
KB2
MS1
KB1
KB/MS PC
CN22
VOUT
AC2
AC1
2-1B
IP-X7
PCB
COAXIAL
LIGHT PCB
2-1A
SIDE LIGHT
UNIT
BACK
LIGHT PCB
LIGHT
CTRL PCB
BOTTOM
LIGHT PCB
CN4
CN1
CN3
CN1
CN1
CN2
CN476
CN474
CN475
CN471
(CN470)
CN1
CN2 CN6
CN10
CN1
CN8
CN5
CN15
FLUXER
UNIT ASM
(BANK)
FLUX BANK
4P
2P
FLUXER
UNIT ASM
(BASE)
FLUXER1
FLUX SV
EV
CN8
CN21
SB2
CN10
CN9
CN23
CN22
SB1
CN4
CN3
CN909
(SAFTY UNIT)
CN13
CN25
CN27
CN12
CN16
AWCM
CN11
AWCE
BUE
BUM
CN12
CN14
CN14
CN17
CN18
CN17
CN15
CN14
CN33
CN35
CN34
INM-P
INM
INM-P
INM
INM-P
INM
CN2
CN1
CN2
CN1
CN2
CN1
CN16
CN12
2-5B
BASE I/O
PCB
3-3B
POWER
UNIT
1
2
3
4
579
11
12
13
14
15
16
17
18
19
20
21
22
23
24
25
26
27
28
29
30 32
31 33
42
43
44 45
34
35
37
39
36
40
46 48
4947
50
51
53
54 56
575552
60
61
62
58
59
63
64
99
98
97
94
95
96
91
90
898884
85
86
87
82
83
80
81
78
79
7572
76
77
73
70
69 71 74
107
108
109
110
111
112
116
117
118
119
120
114
115
113
121
122
8
100
106
65
66
67
68
50 50
53 53
IEEE1394 BOARD
CVS
CONTACT(-)
CVS
CONTACT(+)
CN3
CN1
CN2
CN28
CVS PCB
COMC
2-4B
COMD
COMB
COMA
COPLA
SENSOR HEAD
COPLA MONITOR
SWITCH BOARD
COPLA CPU BOAD
SSD
CPU BOARD
SUPER
IMPOSE
BOARD
1-2D
1-4A
LAN2 LAN
LAN1
LAN
DVI1
CN2
CN3
CN1
2-5B
LAMP
LAMP
HDD
USB
USB
DVI1
KB
MOUSE
HOST
128
107
108
103
102
101
104
143
124
125
106
130
105
127
126
129
123
136
134
137
141
140
139
131
132
135
38
41
133
138 142
FLUXER2
92
93