YSP_cwd_ej.pdf - 第17页
Confidential & P roprietary P A GE 2N 2N 2N 2N 2N 2N 2N 2N QF41 AIR CON. QF41 AIR CON. QF41 AIR CON. AIR CON. QF41 QF41 AIR CON. QF41 AIR CON. QF41 AIR CON. MAX690V/6.3A 4.8 5.0 5.2 8.1 8.7 9.3 9.6 QF41 BREAKER CIRCU…

Confidential & Proprietary
PAGE
+24VS3
A1
B1
A2
B2
A3
B3
REAR EMG SW
FRONT EMG SW
A1
B1
A2
B2
A3
B3
A4
B4
A5
B5
A6
B6
A7
B7
A8
A4
B4
A5
B5
A6
B6
A7
B7
A8
B8
A9
B8
A9
B9
A10
B10
A11
B11
A12
B12
A13
B13
A14
B14
A15
B15
A16
B16
A17
B17
A18
B18
A19
B19
A20
B20
A21
B9
A10
B10
A11
B11
A12
B12
A13
B13
A14
B14
A15
B15
A16
B16
A17
B17
A18
B18
A19
B19
A20
B20
A21
B21
A22
B21
A22
B22
A23
B23
A24
B24
A25
B25
B22
A23
B23
A24
B24
A25
B25
A26
B26
A27
B27
A28
B28
A29
B29
A30
B30
A26
B26
A27
B27
A28
B28
A29
B29
A30
B30
SPARE
SPARE
SPARE
SPARE
SPARE
+24E
CN11
EMG3
EMG4
EMG5
EMG6
EMG7
EMG9
EMG10
EMG11
EMG12
EMG8
E12A
E11A
E13A
E12A
E12A
E11A
E13A
0V
0V
0V
EMG5
EMG6
EMG6
EMG12
EMG13
EMG14
EMG15
EMG16
EMG17
EMG18
EMG19
EMG20
EMG21
EMG22
+24VS3
+24VS3
EMG16
EMG11
+24E
+24VB2
+24VB2
ENABLING SW
FRONT COVER SW UPPER
FRONT COVER SW LOWER
SPARE
REAR COVER SW UPPER
REAR COVER SW LOWER
SPARE
SPARE
EXT.CONV.3 EMG SW
N0108296
N0108297
N01082A0
N01082A1
N01082A2
N01082A3
N01082A4
N01082A5
N01082A6
N01082A7
N0108284
N0108285
N0108286
N0108287
N0108290
N0108291
N0108292
N0108293
N0108294
N0108295
7
6
5
4
3
2
1
8
9
10
7
6
5
4
3
2
1
8
9
10
CN12
CN12
N0108281
YOT
RL1
+24VB2
+24VS3
EMG0
EMG1
EMG2
EMG3
EMG1
EMG1
EMG1A
EMG CHECK YOT
SPARE
N0108283
N0108282
1
2
3
A1
3
2
1
CONTROL BOX ASSY
GOOD
SERVO1
GOOD
GOOD
1
2
3
GOOD
3
2
1
SERVO2
GOOD
1
2
3
GOOD
3
2
1
GOOD
1
2
3
GOOD
3
2
1
SERVO3
SERVO4
INTERFACE
1
2
33
2
1
GOOD
7
6
5
4
3
2
1
8
9
10
11
12
7
6
5
4
3
2
1
8
9
10
11
12
RL7
+24VB2
N01082E0
EMG1A
CXOT
+24VB2
EMG CHECK CXOT
N01082E1
EMG1B
SPARE
N01082E4
EMG1B
EMG1C
RL8
+24VB2
SPARE
N01082E6
RL9
EMG CHECK SPARE
N01082E5
EMG CHECK SPARE
N01082E5EMG1C
EMG2
CN48
3 3
2
1
2
1
CX OT
2
1
2
1
3 3
4
5
6
4
5
6
CHEAD DI
3
2
1
3
2
1
X2Y SENSOR
B5
A6
B6
B5
A6
B63 3
2
1
2
1
SQ021
YOT YOT
33
2
1
2
1
CX OTCX OT
SQ002
SRV1 GOOD
SRV2 GOOD
SRV3 GOOD
SRV4 GOOD
I/F GOOD
EMG
READY OUT
SERVO ON
N01082B6
T0108037
S10
T32
T31
34 +24B
1153 +24B
1122 T32A
14
A1
1121 T32B
T12 EMG22
T22 EMG22
T11 EMG0
1154 SRV ON
A2 0V24
A2 0V24
24 +24E
33 +24V
23 +24V
13 +24V
A1 +24V
CONV+24V
CN13
+24E
RL2
EMG0
EMG22
EMG22
9
10
9
10
14
13
14
13
11
12
11
12
15 15
16 16
CONV+24E
4
5
6
4
5
6
1
2
3
1
2
3
88
77
U51
V51
W51
U53
V53
W53
CN13
T32B
T31
EMG22
DI
0V
0V
+24E
EMG0
+24VB3
+24VB3
+24VB2
+24VB2
+24VB2
+24VB4
+24VB4
CONTROLLER GOOD
SPARE
CN11
42 41
33
23
34
24
14 13
A1
A2
K2 K1
LOGIC
DC
AC
CH1CH2
T11
T12
T22
T31
T32
KM10
13 14
A1 A2
53 54
73 74
83 84
21 22
63 64
1/L1
3/L2
5/L3
2/T1
4/T2
6/T3
KM11/KM11A
I/O CONVEYOR BOARD ASSY P025
・ ・
B20B20
・ ・
A1 A1
CONV2-L2
・ ・
1010
1 1
FRONT EMG SW
F EMG EMG
SB31
F COVER U
SQ050
SB32
FRONT COVER SW UPPER
COVER
EMGR EMG
1
22
1
REAR EMG SW
1
2
22
2
1
SB34
Ext.EXIT CONVEYOR 3(OPTION)
2
1
EMG
SB33
2
1
EMG
STANDARD
Ext.EXIT CONVEYOR 1(OPTION)
STANDARD
EMG
1
2
EMG
1
2
R COVER
SQ052
REAR COVER SW UPPER
COVER
2
1
1
2
EXT1 EMG
EXT3 EMG
2
1
EXT.CONV.1 EMG SW
EXT.CONV.3 EMG SW
SQ051
FRONT COVER SW LOWER
F COVER L COVER
1
22
1
2
1
EMG
STANDARD
CONVEYOR1 COVER SW(OPTION)
COVER
1
2 SQ054
CONVEYOR1 COVER SW
2
1
EMG
STANDARD
COVER
1
2
CONVEYOR3 COVER SW(OPTION)
CONVEYOR3 COVER SW
SQ055
1
2
1
2
CONV1 COVER
CONV3 COVER
CONVEYOR COVER1 SW
CONVEYOR COVER3 SW
CC.V7
13
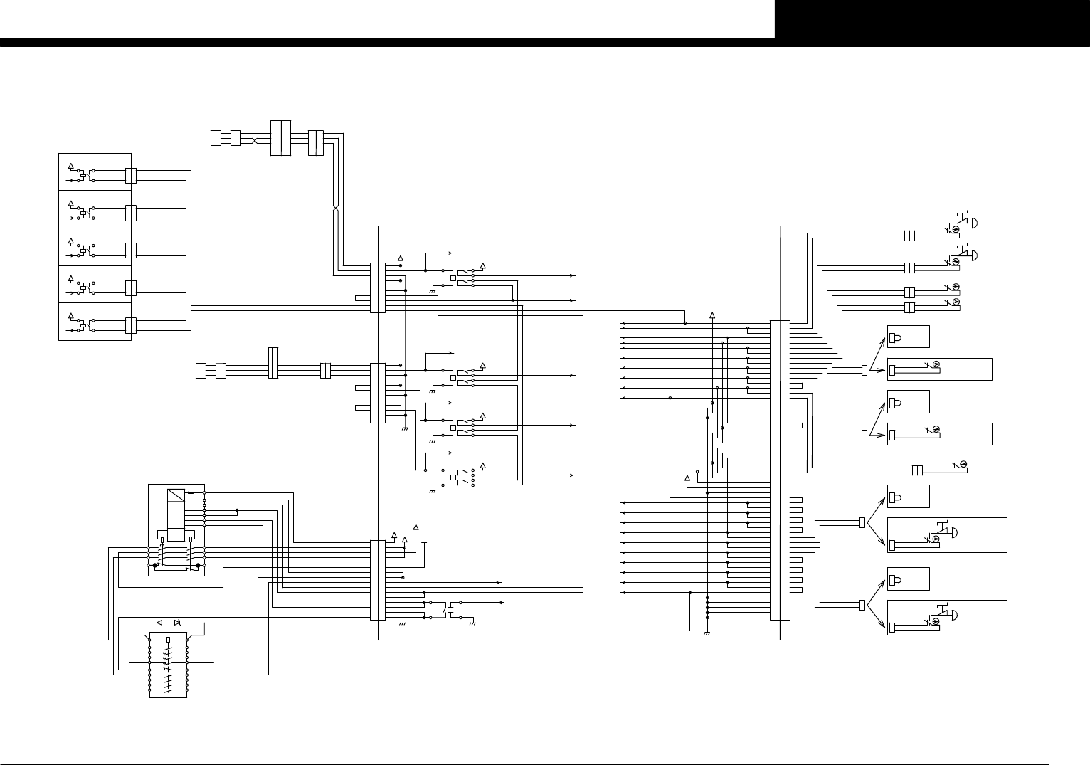
EMERGENCY CIRCUIT
YSP

Confidential & Proprietary
PAGE
2N
2N2N2N2N2N2N2N
QF41
AIR CON.
QF41
AIR CON.
QF41
AIR CON.AIR CON.
QF41
QF41
AIR CON.
QF41
AIR CON.
QF41
AIR CON.
MAX690V/6.3A
4.8
5.0
5.2
8.1
8.7
9.3
9.6
QF41
BREAKER
CIRCUITPRIMARY
VOLTAGE
[V]
TRIP
THERMAL
SETTING[A]
PKZMO-6.3-T
MAX690V/10A
PKZMO-10-T
416
400
380
240
220
208
200
A11
AIR CONDITIONER
W80
L3
V80
L2
U80
L1
AIR CONDITIONER TRANSFOMER(CASE OF AC200V)
QF41
3.01KVA
TM41
W80
V80
U80
1W2
1W12
1W11
1W10
1W9
1W8
1W7
1W6
1W5
1W4
1W3
1W1
1V2
1V12
1V11
1V10
1V8
1V9
1V7
1V6
1V5
1V4
1V3
1V1
200
200
200
1U2
1U7
1U12
1U11
1U10
1U9
1U8
1U6
1U5
1U4
1U3
1U1
PE
PE
PE
TM41:The selection of POWER SOURCE 3.01KVA
W80
V80
U80
1W2
1W12
1W11
1W10
1W9
1W8
1W7
1W6
1W5
1W4
1W3
1W1
1V2
1V12
1V11
1V10
1V8
1V9
1V7
1V6
1V5
1V4
1V3
1V1
2N
200
200
200
1U2
1U7
1U12
1U11
1U10
1U9
1U8
1U6
1U5
1U4
1U3
1U1
PE
PE
PE
W80
V80
U80
1W2
1W12
1W11
1W10
1W9
1W8
1W7
1W6
1W5
1W4
1W3
1W1
1V2
1V12
1V11
1V10
1V8
1V9
1V7
1V6
1V5
1V4
1V3
1V1
2N
200
200
200
1U2
1U7
1U12
1U11
1U10
1U9
1U8
1U6
1U5
1U4
1U3
1U1
PE
PE
PE
416V400V380V240V220V208V
W80
V80
U80
1W2
1W12
1W11
1W10
1W9
1W8
1W7
1W6
1W5
1W4
1W3
1W1
1V2
1V12
1V11
1V10
1V8
1V9
1V7
1V6
1V5
1V4
1V3
1V1
2N
200
200
200
1U2
1U7
1U12
1U11
1U10
1U9
1U8
1U6
1U5
1U4
1U3
1U1
PE
PE
PE
W80
V80
U80
1W2
1W12
1W11
1W10
1W9
1W8
1W7
1W6
1W5
1W4
1W3
1W1
1V2
1V12
1V11
1V10
1V8
1V9
1V7
1V6
1V5
1V4
1V3
1V1
2N
200
200
200
1U2
1U7
1U12
1U11
1U10
1U9
1U8
1U6
1U5
1U4
1U3
1U1
PE
PE
PE
W80
V80
U80
1W2
1W12
1W11
1W10
1W9
1W8
1W7
1W6
1W5
1W4
1W3
1W1
1V2
1V12
1V11
1V10
1V8
1V9
1V7
1V6
1V5
1V4
1V3
1V1
2N
200
200
200
1U2
1U7
1U12
1U11
1U10
1U9
1U8
1U6
1U5
1U4
1U3
1U1
PE
PE
PE
W80
V80
U80
1W2
1W12
1W11
1W10
1W9
1W8
1W7
1W6
1W5
1W4
1W3
1W1
1V2
1V12
1V11
1V10
1V8
1V9
1V7
1V6
1V5
1V4
1V3
1V1
2N
200
200
200
1U2
1U7
1U12
1U11
1U10
1U9
1U8
1U6
1U5
1U4
1U3
1U1
PE
PE
PE
200V
W80
V80
U80
1W2
1W12
1W11
1W10
1W9
1W8
1W7
1W6
1W5
1W4
1W3
1W1
1V2
1V12
1V11
1V10
1V8
1V9
1V7
1V6
1V5
1V4
1V3
1V1
2N
200
200
200
1U2
1U7
1U12
1U11
1U10
1U9
1U8
1U6
1U5
1U4
1U3
1U1
PE
PE
PE
AIR C
AIR C.
3∼ 200V 50/60Hz
Rating 3.0KW MAX.
A.C ALARM
PANEL
ALARM
PANEL
J0601 TEMP
SQ500
AIR CON.
TERMAL SENSOR
See Page 6
I/O CONVEYOR BOARD(CN10)
J0198
NOTE 3.The Harness is attachment for AIR CONDITIONER TRANSFOMER.
4.The Harness is attachment for AIR CONDITIONER .
5.To the primary voltage, Choose a Circuit breaker and set a thermal trip current.
KGJ-M9502-00X
J0801
In the case of old TRANSFORMER.
NOTE5
NOTE3
NOTE3
NOTE3
NOTE3
NOTE3
NOTE4
T1
T2
T3
L1
L2
L3
≧AWG12(3.3sq)
CC.V7
14
AIR CONDITIONER(OPTION)
YSP

Confidential & Proprietary
PAGE
KGJ-M9502-01X
Voltage Supply : 400V
208
220
240
0
U
P1P2
200
240
190
0
200
208
220
190
190
200
208
220
240
0
190
200
208
220
240
0
V
P1P2
190
200
208
220
240
0
190
200
208
220
240
0
W
P1P2
primary side
Voltage Supply : 380V
208
220
240
0
U
P1P2
200
240
190
0
200
208
220
190
190
200
208
220
240
0
190
200
208
220
240
0
V
P1P2
190
200
208
220
240
0
190
200
208
220
240
0
W
P1P2
primary side
Voltage Supply : 416V
208
220
240
0
U
P1P2
200
240
190
0
200
208
220
190
190
200
208
220
240
0
190
200
208
220
240
0
V
P1P2
190
200
208
220
240
0
190
200
208
220
240
0
W
P1P2
primary side
Voltage Supply : 240V
208
220
240
0
U
P1P2
200
240
190
0
200
208
220
190
190
200
208
220
240
0
190
200
208
220
240
0
V
P1P2
190
200
208
220
240
0
190
200
208
220
240
0
W
P1P2
primary side
Voltage Supply : 220V
208
220
240
0
U
P1P2
200
240
190
0
200
208
220
190
190
200
208
220
240
0
190
200
208
220
240
0
V
P1P2
190
200
208
220
240
0
190
200
208
220
240
0
W
P1P2
primary side
Voltage Supply : 208V
208
220
240
0
U
P1P2
200
240
190
0
200
208
220
190
190
200
208
220
240
0
190
200
208
220
240
0
V
P1P2
190
200
208
220
240
0
190
200
208
220
240
0
W
P1P2
primary side
Voltage Supply : 200V
208
220
240
0
U
P1P2
200
240
190
0
200
208
220
190
190
200
208
220
240
0
190
200
208
220
240
0
V
P1P2
190
200
208
220
240
0
190
200
208
220
240
0
W
P1P2
primary side
A11
AIR CONDITIONER
AIR C AIR C.
A.C ALARM
PANEL
ALARM
PANEL
J0601 TEMP
SQ500
AIR CON.
TERMAL SENSOR
See Page 6
I/O CONVEYOR BOARD(CN10)
J0198
L3
L2
L1
INPUT OUTPUT
u
v
w
U
V
W
PE PE
CE TRANS
U80
V80
W80
200/208/220/240
380/400/416
3∼ 50/60Hz
Rating 1.6kW MAX.
≧AWG13(2.5sq)
U80
V80
W80
J0801
In the case of new TRANSFORMER.
CONNECTION for primary side of TRANSFORMER
NOTE4
NOTE 4.The Harness is attachment for AIR CONDITIONER.
CC.V7
15
AIR CONDITIONER(OPTION)
YSP