YSP_cwd_ej.pdf - 第5页
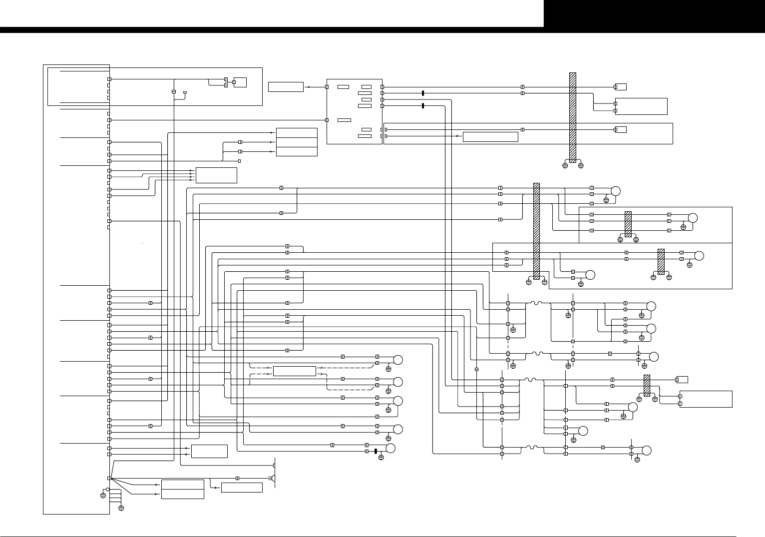
Confidential & Proprietary P A GE M18 □40 MAX 600rpm FP-AXIS 50W FX-FLEX J0083 FPM FPM J0396 FPM FPM FXM FXM J0395 FPP J0394 FPP FXP FXPP FPP J0393 FPP FXP FXPP J0392 ENC3 FXP FPP J0391 ENC3 FX-AXIS 100W M19 □42 MAX …

Confidential & Proprietary
PAGE
See Page 12
380/400/416V
200/208/220/240
3∼ 50/60Hz
POWER CIRCUIT
QF11 20A
1∼ 1∼
3∼3∼ AC220V3∼3∼
TM11 1.7KVA
Transformer
AC220V
Main Breaker
Terminal
XB11
QS11 25A
Main Switch
POWER TRANSFORMER
TERMIANL
Transformer
Circuit
Protector
AC100V
NF12
Noise
Filter
3∼3∼ AC220V
AC220V
Circuit
Protector
3∼
AC220V
INVERTER
A13
BLOWER MOTOR
3∼
AC220V
QF32 5A
QF21 7A
P025
I/O CONVEYOR
DC24V
Power Supply
GS21 336W 14A
MOTOR:3∼ 220V
CONTROL:1∼ 100V
CONTROL BOX
DRIVER
OUTPUT:
AC50/60Hz 4.0A(MAX)
INPUT:
See Page 2
A1
COMU
COMU
See Page 3-7
FRONT PANEL
VALVE
SIGNAL TOWER
CONVEYOR MOTOR
30W
SENSOR
OPERATION PANEL
COVER S/W
EMG S/W
COMU
DC24V
USB MEMORY
Each Motors
AIR CON.(OPTION)
Rating 3.12KVA MAX.
M17
AC50/60Hz 6.9A(MAX)
3∼ 200V 0-375Hz
1:2.36KW(TOTAL)
2:0.72KW(TOTAL)
3:0.72KW(TOTAL)
4:0.72KW(TOTAL)
DC24V
MONITOR SEL.
See Page 9
CAMERA SELECTOR BOARD
See Page 2
COMU
I/O SHEAD
See Page 8
P021
HEAD SENSOR,VALVE
See Page 2
See Page 2
(OPTION)
IT OPTION
BARCODE READER
P081
See Page 2,10
PCB CAMERA ASSY
MASK CAMERA ASSY
1∼ AC100V
See Page 11
TC11
0.75KVA(STD)
1KVA(with UPS)
EMERGENCY CIRCUIT
Safety Relay
K2 K1CH1CH2
KM10
See Page 13
INSPECTION CAMERA ASSY
(OPTION)
P084∼P099
See Page 14,15
QF31 set5A
(4-6.3A)
3∼
KM11/KM11A
AC220V
Contactor
3∼
AC220V
NF11
Noise
Filter
DC24V
CONVEYOR MOTOR POWER
CC.V7
1
OVER VIEW
YSP

Confidential & Proprietary
PAGE
M18
□40 MAX 600rpm
FP-AXIS 50W
FX-FLEX
J0083
FPM FPMJ0396FPM
FPM
FXM
FXM
J0395
FPP J0394 FPP
FXP
FXPP FPPJ0393
FPP
FXP FXPPJ0392
ENC3
FXP
FPP
J0391ENC3
FX-AXIS 100W
M19
□42 MAX 546rpm
J0163MO3
X2M
FXM
FPM
X1P
X2P
PI3 J0126
PSC ASSY,SYRING(OPTION)
3S HEAD(OPTION)
SY-FLEX
J0077
SR BKSR BKJ0067SR BK SR BK
SZR BK J0065SZR BK SZ BKSZ BK
SZP
SRP
J0149SZP
SRP
SR-AXIS 60W
□42 MAX 4500rpm
□54 MAX 4093rpm
SRP
SRM
SRP
SRM
SZP
SZM
M12
SZ-AXIS 200W
M13
SZ-FLEX
J0082
SZRP SZPSZRP
SRP
J0155
J0156SRP
SRM
SZM J0171 SZM
SRM
SZM
SRM J0172SRMUSB4 J0120
J0230
J0240SERIAL1
J0245
J0244
VGA
SERIAL2
SERIAL1
MOUSE
KEY
SYSTEM
LAN
USB3
USB4
USB1
USB2
MONITOR SELECTION
See Page 9
I/O B J0103I/O B
See Page 7
I/O CONV.BOARD
CN14
I/O A I/O A J0102 I/O SHEAD BOARD
See Page 8
CN15
J0259
I/O CONV.BOARD
See Page 7
CN12
IF SRVA J0135
I/O CIF1 I/O J0101
SRVA
SRVB
INTERFACE
I/O
IF GOOD
EMG
VISION
TRG2
TRG1
CAM2(FULL)
CAM1(HALF)
J0501CAM2
+5V
+5V
DC5V
BCR-FSYM1
A43
READER
BARCODE
FRONT
E.COM BOARD
IT OPTION(OPTION)
J0892
SI01
SI02
SI03
SI04
□86 MAX 2112rpm
M04
Z-AXIS 750W
□54 MAX 3600rpm
M05
PU-AXIS 200W
XM
XP
□54 MAX 1440rpm
XM XM
XPXP
Z BKZPU BK ZPU BK Z BKJ0064
ZM
ZP
PU BKPU BK
ZM
ZP
PUM
PUP
M03
PANEL
PANEL
X2-AXIS 200W
X2P
X2M
CONV2-L2CONV2-L2
CONV2-L1 CONV2-L1
ZPUMZPUM PUM
PUP
J0168
J0151
J0166
J0411
J0412
PANEL
PUM
X2M
ZPUP
X2P
ZPUP
X2P
PUM
ZPU BK ZPU BK
ZMZM
X2P
PUP
ZP
J0147
MSP
W2P
X1P
J0146MSP
W2P
PUP
ZP
W1-AXIS 60W
SY-AXIS 300W
M11
M10
M07
SYM
W1M
W1P
SYP
CXP
CXM
SYM
SYP
SYBK
CXP
CXM
□76 MAX 1500rpm
□42 MAX 230rpm
□76 MAX 2400rpm
W3-AXIS 60W
M09
W3M
W3P
□42 MAX 230rpm
W1P
SYP
CXP
SYP
W1P
CXP
W3PW3P
J0144
J0143
J0142
J0145 WP
WP
WM
WM
SY BK
CX-AXIS 300W
J0176
J0176
See Page 5
Ext.EXIT CONVEYOR(OPTION)
W3M
W1M L>R
R>L R>L
L>R
See Page 10
INSPECTION LIGHT ASSY(OPTION)
BRAKE
SRV3 SRV3J0138 SRV3
SERVO3
GOOD
MO
ENC
SRV CMN
SRV3 GOOD
(X1,X2,FX,FP)
(X1,X2,FX,FP)
SRV4 BRAKE
(SZ,CX,W3,SR)
(SZ,CX,W3,SR)
MO4 J0164
SRV4 SRV4J0139 SRV4
PI4 J0127
J0063
SERVO4
GOOD
MO
BRAKE
ENC
SRV CMN
SRV4 GOOD
I/O CONV.BOARD
See Page 7
CN36
CN27
PE
FID.LIGHT BRD. ASSY P083
FID.LIGHT BRD. ASSY P082
CAMOUT
CAM3
LIGHT3
LIGHT2
CAM2
LIGHT1
CAM1DC24V CN4
P081
LIGHT2 J0302
LIGHT1 J0301
J0502CAM1
J0503CAM2
DC24V
J0308
LIGHT3 J0303
J0504CAM3
CAMERA SELECTOR
E6
E5
CAMOUT
GOOD
SERVO2
SRV2 GOOD
(PU,SY,W1,W2)
(PU,SY,W1,W2)
MO
BRAKE
ENC
SRV CMN
J0061
MO2 J0162
SRV2 SRV2J0137 SRV2
PI2 J0125
SRV2 BRAKE
BRAKE
ENC
SRV CMN
MO
SERVO1
GOOD
TRG1
TRG2
(Y1,Z,MS,-)
(Y1,Z,MS,-)
SRV1 GOOD
SRV1 SRV1J0136 SRV1
MO1 J0161
J0061SRV1 BRAKE
PI1 J0124
J0891
AC220V
AC100V
J0013
J0008
AC100V
AC220V
J0751
J0119J0043EXT.PWR
POWER CIRCUIT
POWER CIRCUIT
UPS
EXT POWER
See Page 12
See Page 12
I/O CONVEYOR BOARD
See Page 7
J0072
J0073
J0074
J0071
BUZZERBUZZER
AIR REGULATOR PANEL
HA01
WIN BUZZER
USB4
J0045
AC100V
AC220V
POWER CIRCUIT
See Page 12
CN14
CN11
CN5
CN7
CN6
CN10
CN8
TEMP1
TEMP1
LIGHT2
J0076
MASK LIGHT
CN2
CN1
MS-FLEX
CAM2 MASK CAMERA
CAM2CAM2CAM2 J0507
MS I/O MS I/O J0190
PANELPANEL
W2M
MSM
W2MSP
LIGHT2
CAM2CAM2
W2MSP
W2M
MSM
LIGHT2
W2M
CONV2-R1CONV2-R1
W2M
J0414
J0506
PCB LIGHT
INSPECTION CAMERA(OPTION)
CN2
CN1
LIGHT1
CAM3 INSPECTION CAMERA
CAM3 CAM3CAM3
CX-FLEX
CAM1 PCB CAMERA
CAM1 CAM1J0505CAM1
J0078
LIGHT1 J0304LIGHT1
Y-AXIS 1000W
M01
□86 MAX 2850rpm
E7
Y1M
Y1P YP
YM
Y1PY1P J0141
□54 MAX 4200rpm
MSP
MSM
M06
MS-AXIS 200W
MSP
MSM
W2 BK
W2 BK
CONV2-R1CONV2-R1 CONV2-R2 CONV2-R2
□42 MAX 230rpm
M08
W2-AXIS 60W
WM
WPW2P
W2M
W2 BK W BK
J0167
J0415
J0187
CONTROL BOX ASSY A1
VGA
J0401
J0402
J0404
YR-FLEX
YL-FLEX
YL-FLEX
LCD PWR
X1M XM
XP
□54 MAX 1440rpm
XM XM
XPXP
M02
PANEL
X1-AXIS 200W
X1M
X1PX1P
X1M
CONV2-R3
J0165
CONV2-R3 X1PJ0413 J0150J0403
YR-FLEX
CC.V7
2
CONTROL BOX
YSP

Confidential & Proprietary
PAGE
J0221
YV013
YV012
PCB VACUUM
PCB VACUUM(OPTION)
PCB PRESS(OPTION)
PCB PRESS
T0108013
T0108014
PCB PRESS
PCB VAC
YV011
YV010
YV009
EXHAUST VALVE
T0108011
T0108012
ROLLING
EXHAUST
T0108010
CLEAN.UP
YV007
YV006
YV005
YV004
YV003
YV002
YV001
PCB FLAP
EDGE CLAMP
MAIN STOPPER UP
MASK VACUUM
T0108000
T0108001
T0108002
T0108003
T0108004
T0108005
T0108006
MASK VAC
CONV3 ST.
CONV1 ST.
MAIN ST.FWD
MAIN ST.UP
EDGE CLAMP
FLAP
SOLVENT
J0411
J0231
YB001
SOLVENT
U1
SOLVENT EMPTY
SQ016
N0108211
PNP CHANGER
SQ216
SQ215
SQ210
SQ209
SQ212B
SQ212A
YV020
SQ015
SQ014
SQ012
SQ011
SQ010
TCN4 C2L
Z-SAFETY
N01081D0
R FLAP L
R FLAP H
+24V
BACK UP
EDGE CLAMP
N01081D7
N01081E0
N01081E1
N01081E2
J0181
CN47
CN47
+24VA8
N0108246
SY ORGSY ORG
MASK ADAP.RMASK ADAP.R
SY MASKSY MASK
MASK ADAP.LMASK ADAP.L
MASK CLAMPMASK CLAMP
N0108212
TCN4 CLE
TCN12 CLE
ROLL BREAK
N0108204
N0108205
N0108210
N0108207
TCN3 CLE
TCN10 CLE
TCN11 CLE
TCN13 CLE
TCN2 C2L
TCN3 C2L
TCN1 CLEANER
PUMP PWR
PUMP PWR
CN34
CN21
CN19
CN7
CN1
CN10
CN11
CN12
CN13
CN14
CN15
CN16
CN17
CN18
CN19
DI1
DI2
DI4
DI5
DI6
DI7
DI8
DI9
DI10
DI11
DO1
DO2
DO3
DO4
DO5
DO6
DO7
DI3
DI5
DI7
DO1
CN34
+24E
J0041
PUMP
J0181CN19
PUMP CHK
J0182 AIR PRESSCN7
J0221CN21
T0108016
T0108015
PUMP ON
0V
0V
PUMP SIGNAL
J0222TCN6 CLE ROLL BREAK
TCN7 CLE
14 IN+ OUT+ 8
13 IN- OUT-12
KA02
SOLVENT PUMP ERROR
MAIN STOPPER PUSH
CONV.1 STOPPER UP
CONV.3 STOPPER UP
CLEANER UP
GOUZE ROLLING CYLINDER
W2-AXIS Z-DANGER POS.
PCB FLAP HIGHEND R
PCB FLAP LOWEND R
BACKUP PIN INTERLOCK
EDGE CLAMP FIX
GAUZE ROLLING
GOUZE ROLLING CYLINDER BACK END
T01080F3
GAUZE ROLLING FIXED
T0108015
SOLVENT PUMP ON
CLEANING HIGH END R
CLEANING LOW END R
CLEANING LOW END L
J0421
SQ217
PCB VACUUM PRESSURE
N01081D6
PCB VACUUM(OPTION)
F FLAP LF FLAP L
F FLAP HF FLAP H
CONV2 L CONV2 L
SQ213
SQ208
N01081D2
N01081D4
CONV.2 LEFT-END
PCB FLAP HIGHEND F
SQ214
N01081D5
PCB FLAP LOWEND F
M+24VM+24V
MS INTLCK
J0421
MS INTLCK
SQ211B
SQ211A
N01081E6
MS-AXIS INTERLOCK
MS ORG MS ORG MS-AXIS ORIGIN
N01081C7
SQ230
J0415
SY-AXIS MASK FRAME
See Page 4
SENSOR RECEIVE
MS-AXIS INTERLOCK
J0416 MS ORGMS-AXIS ORIGIN
See Page 4
CLEANING HIGH END L
PU-AXIS ORIGIN
SY-AXIS ORIGIN
PRESSURE GAUGE
TCN14 C2L
TCN5 C2L
TCN15 C2L
TCN16 C2L
CONV2-L1
CONV2-L2
DO7
DO6
DO5
DO4
DO3
DO2
DI11
DI10
DI9
DI8
DI6
DI4
DI2
DI1
CN1
DI3
N0108245
N0108244
N0108241
N0108240
CONV2-L1
CONV2-L2
TCN13 C2L
TCN12 C2L
N01081D3
TCN2 CLE
N0108206
N0108243
MASK CLAMP
MASK ADAPTER L
N0108247
CONV2-L1
CONV2-L2
CONV2-L1
CONV2-L2
TCN1 CONV2-L
J0185
J0080
CONVEYOR 2
W2-FLEX
TCN11 C2L
TCN10 C2L
R FLAP L
+24V
BACK UP
EDGE CLAMP
R FLAP H
Z-SAFETY
PANEL PANEL
P
SQ013
SQ100
MASK ADAPTER R
SQ101
SQ102
SQ104
SQ103
SQ218
J0412
I/O CONVEYOR BOARD ASSY P025
R.TERMINAL BOARD
+24E
BRAKE
DI12
DO0,DO1
CLEANER UNIT
TERMINAL BOARD ASSY P014
TERMINAL BOARD ASSY P013
CN3
CN4
CN6
CN7
CN8
CN9
CN2
CN5
SIGNAL IN
CN10
CN11
CN12
CN13
CN14
CN15
CN16
CN17
CN18
CN19
CN3
CN4
CN6
CN7
CN8
CN9
CN2
CN5
SIGNAL IN
F.COVER U DO
F.COVER L DO
FRONT COVER LIMIT SWITCH
See Page 7
E.C.FWD E.C.FWD
N01081D1
EDGE CLAMP FORWARD
SQ240
J0402
J0401
YL-FLEX
YL-FLEX
KA01
52
1 14
51
0 13
CC.V7
3
I/O CONVEYOR -1-
YSP