文档中心
/
EJM8A-E-WDBA-0005-A4
EJM8A-E-WDBA-0005-A4 - 第255页
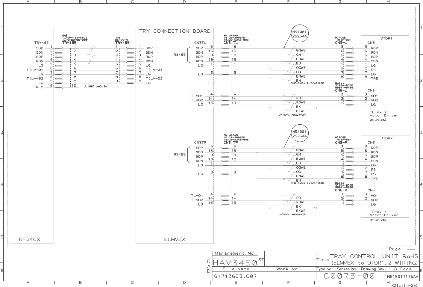
4. OPTION 4-10 TRAY I/F LO A D WIRING DI A GR A M EJM8A- E-W DB0A-A00-0 0
目录
100%
显示:宽度
宽度
1 / 422
回到旧版
旧版
?
4. OPTION
4-10 TRAY I/F LO
A
D WIRING DI
A
GR
A
M
EJM8A-
E-W
DB0A-A00-0
0
该页面需要启用 JavaScript 才能进行交互式预览。