EJM8A-E-WDBA-0005-A4 - 第283页
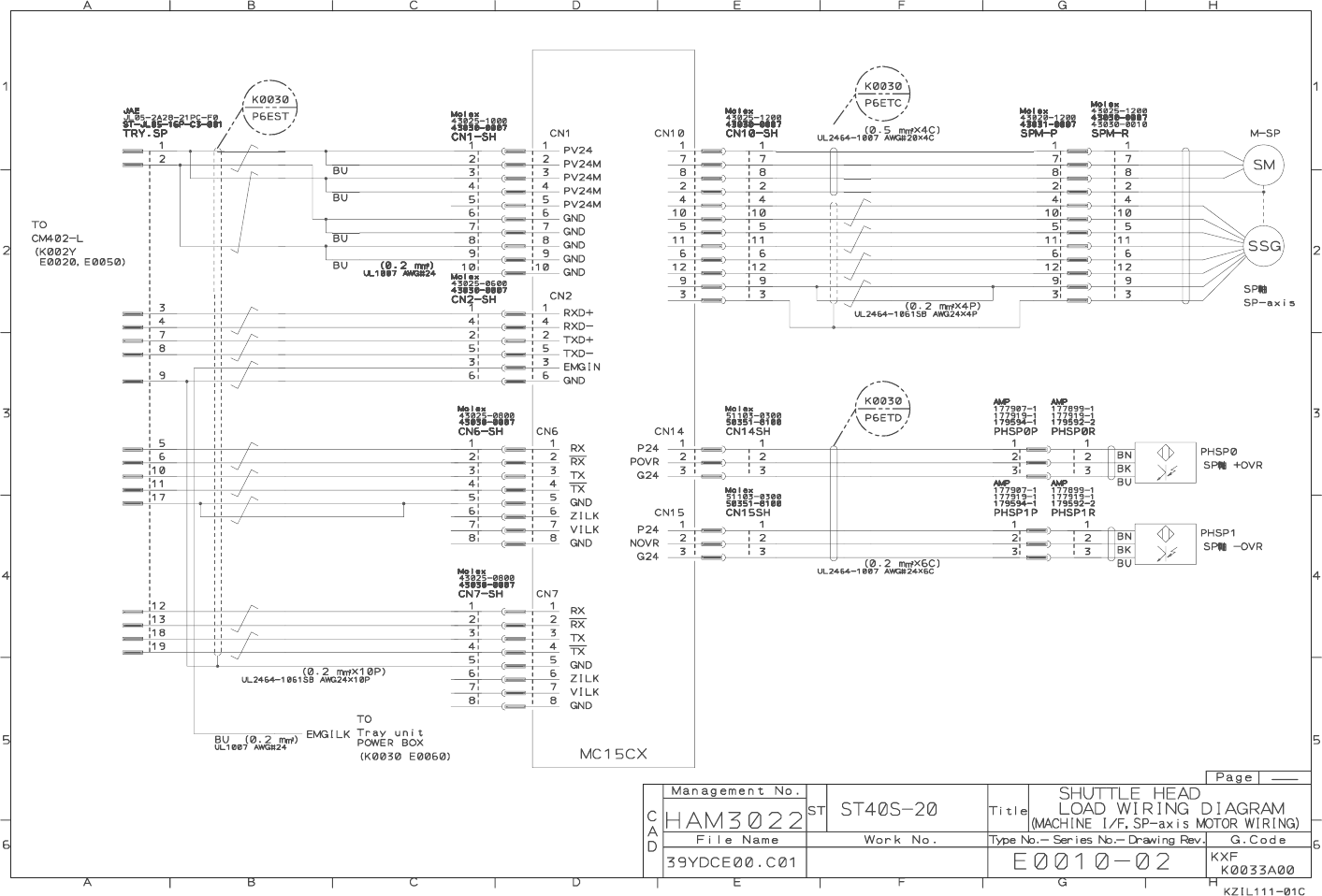
4. OPTION 4-13 SHUTTLE HEA D LO AD WIRING DIA G R A M EJM8A- E-W DB0A-A00-0 0


4. OPTION
4-13 SHUTTLE HEAD LOAD WIRING DIAGRAM
EJM8A-E-WDB0A-A00-00

4. OPTION 4-13 SHUTTLE HEA D LO AD WIRING DIA G R A M EJM8A- E-W DB0A-A00-0 0


