EJM8A-E-WDBA-0005-A4 - 第314页
在线预览 EJM8A-E-WDBA-0005-A4 PDF 文档。

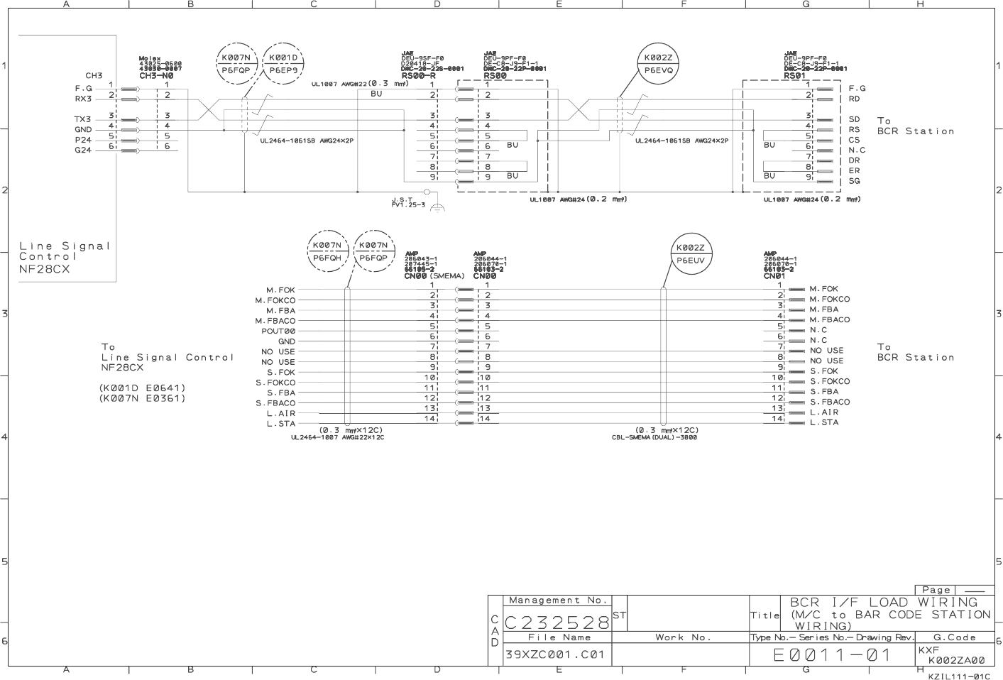
4. OPTION
4-17 BCR(BAR CODE READER STATION)I/F
LOAD WIRING DIAGRAM
EJM8A-E-WDB0A-A00-00


4. OPTION
4-18 BYPASS I/F LOAD WIRING DIAGRAM
EJM8A-E-WDB0A-A00-00
在线预览 EJM8A-E-WDBA-0005-A4 PDF 文档。


