EJM8A-E-WDBA-0005-A4 - 第347页
4. OPTION 4-20 COMPONENTS-EJECTION CONVEYOR WIRING DIAGRA M EJM8A- E-W DB0A-A00-0 0

1.
= MEMO =
EJM8A-E-WDB0A-A01-00

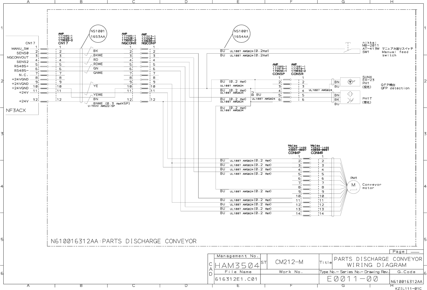
4. OPTION
4-20 COMPONENTS-EJECTION CONVEYOR
WIRING DIAGRAM
EJM8A-E-WDB0A-A00-00

4. OPTION 4-20 COMPONENTS-EJECTION CONVEYOR WIRING DIAGRA M EJM8A- E-W DB0A-A00-0 0


