EJM8A-E-WDBA-0005-A4 - 第407页
4. OPTION 4-37 M A I N BODY OF NG EXHA U ST CONVEYOR (A C1 00 ) B F EJM8A- E-W DB0A-A00-0 0


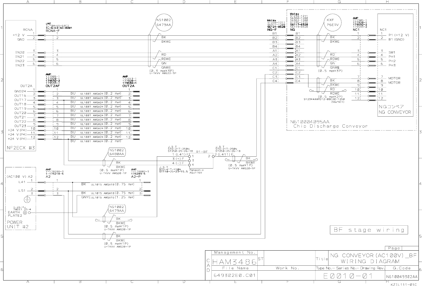
4. OPTION
4-37 MAIN BODY OF NG EXHAUST CONVEYOR
(AC100) BF
EJM8A-E-WDB0A-A00-00

4. OPTION 4-37 M A I N BODY OF NG EXHA U ST CONVEYOR (A C1 00 ) B F EJM8A- E-W DB0A-A00-0 0


