文档中心
/
EJM8A-E-WDBA-0005-A4
EJM8A-E-WDBA-0005-A4 - 第411页
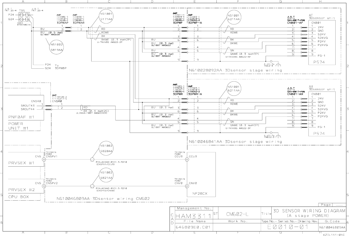
4. OPTION 4-39 3D SENSOR WIRING DI A G RAM EJM8A- E-W DB0A-A00-0 0
目录
100%
显示:宽度
宽度
1 / 422
回到旧版
旧版
?
4. OPTION
4-39 3D SENSOR WIRING DI
A
G
RAM
EJM8A-
E-W
DB0A-A00-0
0
该页面需要启用 JavaScript 才能进行交互式预览。