00192273-06 - 第57页
예방적 유지보수 HS 유지보수 2004 년 9 월 미국판 9 4 개월 간격 유지보수 작업 DLM1 실장 헤드 /HS-50 만 해당 57 진공 발생 기 9 ① 진공 발생기 호스를 분리합니다 . 적절한 플라이어를 사용하여 이 작업을 수행합니다 . 9 9 9 9 9 분 리하기 전에 압축 공기 호 스에 라 벨 이나 다른 표 시를 할 것을 권장합니다 . 9 DLM1 헤드의 경우 호 스에는 이미 라 벨…

유지보수 예방적 유지보수 HS
9 4 개월 간격 유지보수 작업 DLM1 실장 헤드 /HS-50 만 해당 2004 년 9 월 미국판
56
9

예방적 유지보수 HS 유지보수
2004 년 9 월 미국판 9 4 개월 간격 유지보수 작업 DLM1 실장 헤드 /HS-50 만 해당
57
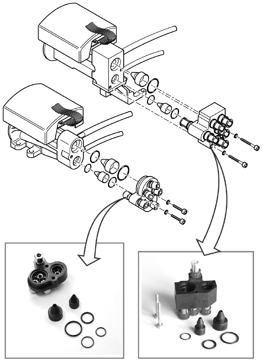
진공 발생기 9
① 진공 발생기 호스를 분리합니다 .
적절한 플라이어를 사용하여 이 작업을 수행합니다 . 9
9
9
9
9
분리하기 전에 압축 공기 호스에 라벨이나 다른 표시를 할 것을 권장합니다 . 9
DLM1 헤드의 경우 호스에는 이미 라벨이 붙어 있으며 고정된 할당이 있습니다 . 9
9
② 2.5mm 육각 소켓 스패너를 사용하여 2 개의 벤츄리 노즐이 있는 블록의 나사 연결을 분리합
니다 .
9
9
9
9
9
9
9
9
9
9
9
9
9
9
9
9

유지보수 예방적 유지보수 HS
9 4 개월 간격 유지보수 작업 DLM1 실장 헤드 /HS-50 만 해당 2004 년 9 월 미국판
58