SP1_TRM(Ver6.8_CS14.25) - 第271页
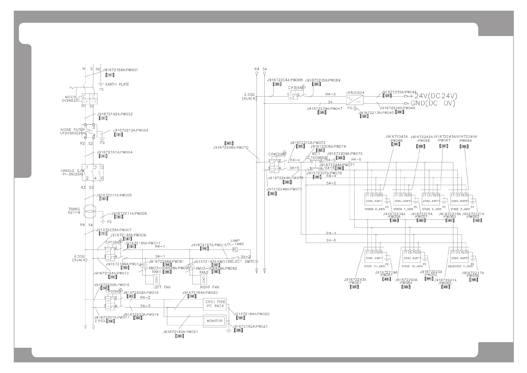
Page SAMSUNG TECHWIN 259 SP1 Power Circuit SP1S NO. P ART NO. P ART NAME Q'TY Old No. Stoc k Apply Reference 1 J91672168A MAIN _PW_CABLE_ASS'Y S1 _PW001 1 2 J9167219 2A MCCB_NOISE FIL TER_CABLE_ASS'Y S1_P …

Page
SAMSUNG TECHWIN
258
SP1
Power Circuit SP1S

Page
SAMSUNG TECHWIN
259
SP1
Power Circuit SP1S
NO. PART NO. PART NAME Q'TY Old No. Stock Apply Reference
1 J91672168A MAIN_PW_CABLE_ASS'Y S1_PW001 1
2 J91672192A MCCB_NOISE FILTER_CABLE_ASS'Y S1_PW002 1
3 J91672212A NOISE_FILTER_FG_CABLE_ASS'Y S1_PW003 1
4 J91672181A NOISE_FILTER_HANDLE_CABLE_ASS'Y S1_PW004 1
5 J91672183A HANDLE S/W_TB_CABLE_ASS'Y S1_PW005 1
6 J91672211A TRANS_FG_CABLE_ASS'Y S1_PW006 1
7 J91672233A TRANS_OUT_CABLE_ASSY S1_PW007 1
8 J91672193A CP#11_INPUT_CABLE_ASS'Y S1_PW009 1
9 J91672195A CP#12_OUTPUT_CABLE_ASS'Y S1_PW011 1
10 J91672196A CP#14_OUTPUT_CABLE_ASS'Y S1_PW012 1
11 J91672194A CP#13_INPUT_CABLE_ASS'Y S1_PW010 1
12 J91672200A CP#21_INPUT_CABLE_ASS'Y S1_PW016 1
13 J91672201A CP#23_INPUT_CABLE_ASS'Y S1_PW017 1
14 J91672296A LEFT_FAN_EXT_CABLE_ASSY S1_PW091 1
15 AM03-006828A CABLE ASSYLEFT_FAN_CABLE_ASSY 1
16 J91672187A LAMP_PW_CABLE_ASS'Y S1_PW015 1
17 J91672197A RIGHT_FAN_EXT_CABLE_ASS'Y S1_PW013 1
18 AM03-006829A CABLE ASSYRIGHT_FAN_CABLE_ASS'Y 1
19 J91672184A PC_PW_CABLE_ASS'Y S1_PW020 2
20 J91672182A MONITOR_PW_CABLE_ASS'Y S1_PW021 2
21 J91672202A CP#22_OUTPUT_CABLE_ASS'Y S1_PW018 1
22 J91672203A CP#24_OUTPUT_CABLE_ASS'Y S1_PW019 1
23 J91672204A CP#3_INPUT_CABLE_ASS'Y S1_PW068 1
24 J91672205A CP#3_OUTPUT_CABLE_ASS'Y S1_PW069 1
25 J91672239A PW_SUPPLY_INPUT_CABLE_ASS'Y S1_PW047 1
26 J91672213A PW_SUPPLY_FG_CABLE_ASS'Y S1_PW045 1
27 J91672235A PW_SUPPLY_24V_OUT_CABLE_ASS'Y S1_PW044 1

Page
SAMSUNG TECHWIN
260
SP1
Power Circuit SP1S
NO. PART NO. PART NAME Q'TY Old No. Stock Apply Reference
28 AM03-006825A PW_SUPPLY_GND_OUT_CABLE_ASS'Y S1_PW046 1 J91672236A
29 J91672249A CP#4_S_OUTPUT_CABLE_ASS'Y S1_PW073 1
30 J91672248A CP#4_S_INPUT_CABLE_ASS'Y S1_PW071 1
31 J91672210A CP#4_R_OUTPUT_CABLE_ASS'Y S1_PW072 1
32 J91672206A MC_R_INPUT_CABLE_ASS'Y S1_PW074 1
33 J91672209A MC_R_OUTPUT_CABLE_ASS'Y S1_PW075 1
34 J91672244A MC_S_OUTPUT_CABLE_ASS'Y S1_PW077 1
35 J91672207A MC_S_INPUT_CABLE_ASS'Y S1_PW076 1
36 J91672242A VSY_STY1_DRV_PWR_CABLE_ASSY S1_PW066 2
37 J91672243A STY2_SQY_DRV_PWR_CABLE_ASSY S1_PW067 2
38 J91672240A VSX_STX_DRV_PWR_CABLE_ASSY S1_PW064 2
39 J91672214A VS_X_AXIS_FG_CABLE_ASS'Y S1_PW056 1
40 J91672215A VS_Y_AXIS_FG_CABLE_ASS'Y S1_PW057 1
41 J91672218A ST_X_AXIS_FG_CABLE_ASS'Y S1_PW060 1
42 J91672221A ST_Z_AXIS_FG_CABLE_ASS'Y S1_PW063 1
43 J91672219A ST_Y1_AXIS_FG_CABLE_ASS'Y S1_PW061 1
44 J91672220A ST_Y2_AXIS_FG_CABLE_ASS'Y S1_PW062 1
45 J91672241A STZ_DRV_PWR_CABLE_ASSY S1_PW065 1
46 J91672217A SQ_Y_AXIS_FG_CABLE_ASS'Y S1_PW059 1
47 J91672208A CP#4_R_INPUT_CABLE_ASS'Y S1_PW070 1