JX-350-Rev02PDFAPDFA - 第101页
- - REF.N O NOTE PAR T NO D E S C R I P T I O N Qty 1 401-2 9262 AC INP UT SUR GE PRO TEC TOR ASM 1 2 401-4 6386 NFB -LF C ABLE ASM 1 3 401-3 3966 MAI N SW INPU T CAB LE AS M 1 4 401-4 8269 AC INP UT UNIT FG C ABLE ASM…

- -
48. SYSTEM DIAGRAM (1)
2 - 5 B
C N 1 1
1
2
3
4
6
5
7
8
9
1 0 1 1
1 2
1 3
1 4 1 6
1 7
1 8
2 1
2 3
2 1
2 4
1 9 2 0
2 5
2 5
2 6
2 7
4 4
2 8 4 7
4 8
4 7
4 8
4 6 5 6
4 5 5 5
2 9
3 7
4 9
3 9
3 8
5 0
3 5
4 0
3 0
3 1
3 2
3 3
3 4
4 3
3 6
4 2
4 1
4 0
5 4 4 3
3 6 3 6
5 3
5 2
4 0
5 8
5 9
5 1
5 7
6
6 7
6 5
6 4
6 0
6 8
6 1
3 9
3 9
6 2
6 3
1 9 2 0
7 0
3 5
5 5 5 5
3 5
6 96 96 9
6 6 2 2 6 6 2 2 6 6 2 2 6 6 2 2 6 6 2 2 6 6 2 2
Z T D - C N P 1
Z 1 M O T O R
H C - B P 0 3 3 6 L W 4 - S 1 0
1 M O T O R
H C - B P 0 1 3 6 D - S 8
Z 2 M O T O R
H C - B P 0 3 3 6 L W 4 - S 1 0
2 M O T O R
H C - B P 0 1 3 6 D - S 8
Z 3 M O T O R
H C - B P 0 3 3 6 L W 4 - S 1 0
3 M O T O R
H C - B P 0 1 3 6 D - S 8
Z 4 M O T O R
H C - B P 0 3 3 6 L W 4 - S 1 0
4 M O T O R
H C - B P 0 1 3 6 D - S 8
Z 5 M O T O R
H C - B P 0 3 3 6 L W 4 - S 1 0
5 M O T O R
H C - B P 0 1 3 6 D - S 8
Z 6 M O T O R
H C - B P 0 3 3 6 L W 4 - S 1 0
6 M O T O R
H C - B P 0 1 3 6 D - S 8
4 A X I S S E R V O A M P ( 3 )
4 A X I S S E R V O A M P ( 2 )
4 A X I S S E R V O A M P ( 1 )
P O W E R
U N I T ( 2 / 5 )
S - X Y R E L A Y
P C B ( 1 / 3 )
S E R V O
M O T O R
7 5 0 W
S C A L E
H E A D X
X Y 1 1
S E N S X
X E N C
X M T R
E N C Y L
S E N S Y L
Y M O T O R
Y L 1 5 0 0 W
S C A L E
H E A D Y
Y L M T R
S C A L E
H E A D Y
S E N S Y R
Y M O T O R
Y R 1 5 0 0 W
E N C Y R
Y R M T R
M A I N
S W ( 2 / 2 )
P S O N
A T X 1 3
C N 3
C P C I
B A C K
B O A R D
Y R C N 2
Y R C N 2 L
3 T u r n
M A I N
1 2 V
I N L E T
B A T T
1 - 2 A
4 - 5 C
A T X - P O W E R ( 1 / 2 )
( E N S P E C )
3 T u r n
( E N S P E C )
3 T u r n
( E N S P E C )
C N 1 6 5
C N 1 5 1
Y L C N 2
Y L C N 2 L
E N C X
1 C H N E T
2 C H N E T
1 C H D I
P O S I T I O N
B O A R D
Y R S E R V O
A M P ( 1 / 2 )
C N 1 A
C N P 1
C N P 2
C N 2
C N P 3
C N 1 B
E
B A T T E R Y
Y L S E R V O
A M P ( 1 / 2 )
C N 1 A
C N P 1
C N P 2
C N 2
C N P 3
C N 1 B
E
4 - 5 A
X S E R V O
A M P ( 1 / 2 )
C N 1 A
C N P 1
C N P 2
C N 2
C N P 3
C N 1 B
4 - 1 D
E
M T S P W R ( L )
C N 0 6
( M T S O P T I O N )
C N 0 6
1 - 3 D
M A I N
S W ( 1 / 2 )
( E N S P E C )
B L O C K
C A P A C I T O R
L F 1
P O W E R
U N I T ( 1 / 5 )
N F B
I N P U T
L 1
L 2
L 3
P E
S U R G E
P R O T E C T O R
T F 1
2 0 0 V
3 4 V
1 0 0 V
2 0 0 V
E T F P O W E R
U N I T ( 1 / 2 )
C N 0 4
G N D
3 - 3 B
V A C U U M
P U M P
[ B A S E R S I D E ]
[ C T R L U N I T ]
[ B A S E L S I D E ]
[ P O W E R U N I T ]
F A N
[ C T R L U N I T ]
F A N F A N F A N
F A NF A NF A N
C N 2 0 0 3
P W R 2 9
C N 1 3
C N 1 2
C N 0 6 3
G N D
C O P L A - P S
1 - 4 B
C N 0 4
C N 0 3
C N 1 1
C N 0 1
1 - 2 D
C N 1 3
C N 3 7
C N 1 4
C N 1 5
C N 3 8
2 - 3 B
Z T P W R 2
Z T P W R 1
C N 2 1
C N 1 A
C N P 1
C N 1 B
C N 2 D
C N P 2 D
C N 2 C
C N P 2 C
C N 2 B
C N P 2 B
C N 2 A
C N P 2 A
2 - 2 A
C N 1 A
C N P 1
C N 1 B
C N 2 D
C N P 2 D
C N 2 C
C N P 2 C
C N 2 B
C N P 2 B
C N 2 A
C N P 2 A
2 - 2 A
C N 1 A
C N P 1
C N 1 B
C N 2 D
C N P 2 D
C N 2 C
C N P 2 C
C N 2 B
C N P 2 B
C N 2 A
C N P 2 A
2 - 2 B

- -
REF.NO NOTE PART NO D E S C R I P T I O N Qty
1 401-29262 AC INPUT SURGE PROTECTOR ASM 1
2 401-46386 NFB-LF CABLE ASM 1
3 401-33966 MAIN SW INPUT CABLE ASM 1
4 401-48269 AC INPUT UNIT FG CABLE ASM 1
5 400-92401 AC INPUT NO.26 CABLE ASM 1
6 HA-0053800-00 SWITCH 1
7 401-46437 MTC/MTS PWR CONNECTOR ASM 1
8 401-46387 MAIN SW-TF CABLE ASM 1
9 401-61279 MTS PWR CABLE ASM(R) 1
10 401-33971 TF INPUT CABLE (DELTA) ASM 1
11 401-09925 TF FG CABLE ASM 1
12 401-35052 TRANSFORMER 1
13 401-09926 TF 200V OUTPUT CABLE ASM 1
14 401-09927 TF 34V OUTPUT CABLE ASM 1
15
#01
401-13637 SAFETY U 34V IN CABLE ASM(EN) 1
16
#01
401-13638 SAFETY U 34V OUT CABLE ASM(EN) 1
17 401-09928 TF 100VA OUTPUT CABLE ASM 1
18 401-09929 TF 200VB OUTPUT CABLE ASM 1
19 401-49489 POWER SUPPLY UNIT 10 ASM 1
20
#01
401-49490 POWER SUPPLY UNIT 10 (EN) ASM 1
21 401-14533 ETF_POWER_ASM 1
22 401-46452 SERVO MOTOR 10W 1
23 401-29244 VACUUM PUMP ASM 1
24 401-46409 VACUUM PUMP RELAY CABLE ASM 1
25 401-33768 DC FAN 1
26 401-48286 FAN CABLE ASM 1
27 401-09930 X PWR CABLE ASM 1
28 401-29652 X AXIS DRIVER 1
29 401-18621 OPTICAL FIBER CABLE 2M 1
30 400-44540 16AXIS 2CH SERVO CONTROLLER 1
31 401-09948 POS BOARD1 1CH CABLE ASM 1
32 400-97614 XY-RELAY POS RELAY CABLE ASM 1
33 401-06795 S-XY RELAY PCB ASM 1
34 400-48070 OPTICAL FIBER CABLE 7M 1
35 401-46388 XY BEAR CABLES ASM 1
36 401-29630 XY LINEAR SCALE HEAD 1
37 401-46367 X ENC CABLE ASM 1
38 401-09943 X MOTOR CABLE ASM 1
39
#01
HN-0015500-00 CORE 1
40 401-46380 Y BEAR CABLES ASM 1
41 400-44545 X MOTOR ENCODER CABLE ASM 1
42 400-44546 X MTR PWR CABLE 1
43 401-29653 X AXIS MOTOR 1
44 401-09933 X DRV FG CABLE ASM 1
45 401-29627 OPTICAL FIBER CABLE 1M 1
46 401-09931 YL PWR CABLE ASM 1
47 401-29654 Y AXIS DRIVER 1
48 400-92416 DRV FG CABLE ASM 1
49 401-46368 YL ENC CABLE ASM 1
50 401-46383 YL LINEAR SENS CABLE ASM 1
51 401-46382 YR ENCODER CABLE ASM 1
52 401-46381 YL ENCODER CABLE ASM 1
53 401-46439 YL MOTOR CABLE ASM 1
54 401-46348 Y AXIS SERVO MOTOR 1
55 401-29628 OPTICAL FIBER CABLE 0.15M 1
56 401-09932 YR PWR CABLE ASM 1
57 401-46369 YR ENC CABLE SAM 1
58 401-46384 YR LINEAR SENS CABLE ASM 1
59 401-46440 YR MOTOR CABLE ASM 1
60 401-46431 ATX POWER CABLE ASM 1
61 401-46346 ATX PSU 1
62 401-63313 ATX MAIN CABLE ASM 1
63 401-46426 ATX 12V CABLE ASM 1
64 401-31764 ATX CTRL CABLE ASM 1
65 401-72513 CPCI POWER CABLE ASM
1
66 401-49143 SERVO MOTOR 30W 1
67 401-72512 CPCI BACK BOARD 6SLOT 1
68 401-46347 BATTERY 1
69 401-29650 4AXIS INTEGRAL TYPE T AXIS DRIVER 1
70 401-46396 LZT PWR RELAY CABLE ASM 1

- -
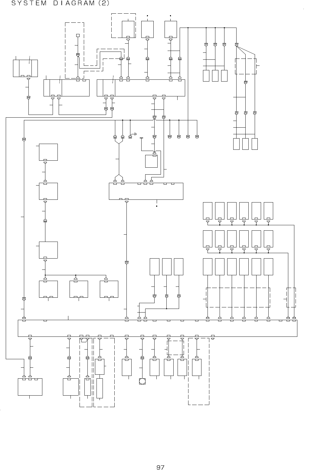
49. SYSTEM DIAGRAM (2)
1
4
32
5
6
7
4
9 1 2
8
1 0
1 1
1 4 1 6 1 8 2 0 2 3
1 5
1 3 1 7 1 9 2 1 2 1
4
2 4
2 6
4
3 2
3 6
3 7
3 8 3 9 4 0
4 1 4 2
2 8
3 0
3 5
4 3
4 4
4 5
4 6
4 7
5 7 5 8
5 9
6 0
6 3
6 7
7 1
7 2
6 8
6 4
6 1
5 5
5 4
7 3
7 3
7 3
5 1
2 5 2 5 2 5
2 7
2 9
3 1
3 3 3 4
4 9 5 2
5 25 0
5 3
5 6
5 2
6 2 6 5 6 6 6 9 7 0
2 2
7 5
7 3
7 3
7 4
4 8
F E E D E R P C B ( 1 / 2 )
E T H E R
S L A V E
P C B
3 - 2 A
E N 2
E N 1
E S F
B A S E I / O P C B ( 1 / 2 )
M T S I / F
4 - 2 A
C N 2
C N 1
E T H E R
S L A V E
P C B
E N 2
E N 1
( M T S O P T I O N )
E T H E R
S L A V E
P C B
E N 2
E N 1
X Y - R E L A Y P C B ( 2 / 3 )
1 - 3 A
C N 5
C N 3 3
C N 7
C N 1 6
C N 1 0
C N 9
C N 4
4 - 5 A
X Y 0 1
X Y 0 2
X Y 0 4
X Y 0 8
X Y 0 5
I / F R
( C O M P O R T O P T I O N )
8 - P O R T
C O M B O A R D
S I 0 2
4 - 4 C
O P E R A T I O N
P C B ( F )
C N 1 4
3 - 4 A
O P E R A T I O N
P C B ( R )
C N 1 4
3 - 4 B
C N 1 2 3 9
C N 1 2 4 7
C N 1 2 4 1
C N 1 2 2 3
Y - L I M I T
S E N S O R
Y + L I N I T
S E N S O R
Y N E A R
S E N S O R
C N 1 2 7
X N E A R
X + L I M
X - L I M
X - L I M I T
S E N S O R
X + L I N I T
S E N S O R
X N E A R
S E N S O R
F U L X R L Y
C O P L A L A
L E D R
L E D F
S A F E I O
X Y 0 3
X Y 1 0
I O N I / O
S A F T Y
U N I T ( E N )
C N 9 0 1
X Y E N 2
X Y E N 2
P U M P - I O
C N 0 6 4
H E A D I O
I E E E 1 3 9 4
B O A R D
C H 1
I E E E 1 3 9 4 a
R E P E A T E R
C H 1C H 2
L N C 6 0
P O W E R U N I T ( 3 / 5 )
1 -3 B
C N 6 8
C N 0 6 4
C N 3 2
C N 2 0
C N 1 7
C N 2 6
C N 1 9
C N 6 1
C N 6 2
3 - 3 B
Z 1 B L W S V
Z 2 B L W S V
Z 3 B L W S V
Z 4 B L W S V
Z 5 B L W S V
Z 6 BL W S V
N O Z Z L E U P
S V A S M
N O Z Z L E D O W N
S E N S O R L
N O Z Z L E D O W N
S E N S O R R
Z 1
P R E S S U R E
S E N S O R
Z 2
P R E S S U R E
S E N S O R
Z 3
P R E S S U R E
S E N S O R
Z 4
P R E S S U R E
S E N S O R
Z 5
P R E S S U R E
S E N S O R
Z 6
P R E S S U R E
S E N S O R
Z 1 V A C S V
Z 2 V A C S V
Z 3 V A C S V
Z 4 V A C S V
Z 5 V A C S V
Z 6 V A C S V
C N 2 0 1
N Z D W N 1
N Z D W N 2
C N5
4 A X I S S E R V O A M P ( 3 )
C N 4 B
C N 4 D
1 - 5 C
C N5
1 - 5 B
C N 4 D
C N 4 B
4 A X I S S E R V O A M P( 2 )
4 A X I S S E R V O A M P ( 1 )
C N5
1 - 5 A
C N 4 D
C N 4 B
C N 2 4 5
S - H E A D M A I N
P C B A S M
C N 1 5
E N 1
C N 1 9
C N 2
C N 3 3
C N 3 2
C N 1 4
C N 2 0
C N 1
L N C 6 0
C N 1 3
C N 2 3
C N 1 2
C N 1 6
C N 2 8
C N 1
C N 3 1
C N 6C N 9
C N 7
C N 1 0
C N 1 1
C N 8
C N 3 5
C N 2 7
C N 3 6
C N 3 7
C N 3 8
C N 3 9
C N 4 0
C N 4 1
C N 2 5
C N 2 6
( S O L D E R R EC O P T I O N )
O C C A L I G H T
P C B A S M
L IG H T - A 2
L I G H T - A 1
L I G H T - C
O C C L
O C C C A M E R A
O C C C L I G H T
P C B A S M
O C C A L I G H T
P C B A S M
F A N
T E M P E R A T U R E
S E N S O R P W B A S M
A M P
B A D M A R K
S E N S O R
( H M S O P T I O N )
H M S
S E N S O R
A C 3
4 - 1 D
I P - X 7 P C B ( 1 / 2 )
C N 4 7 8
H M S
C N 8 1 3
E N 2
E N 1
E N 3
E T H E R M A I N P C B