JX-350-Rev02PDFAPDFA - 第106页
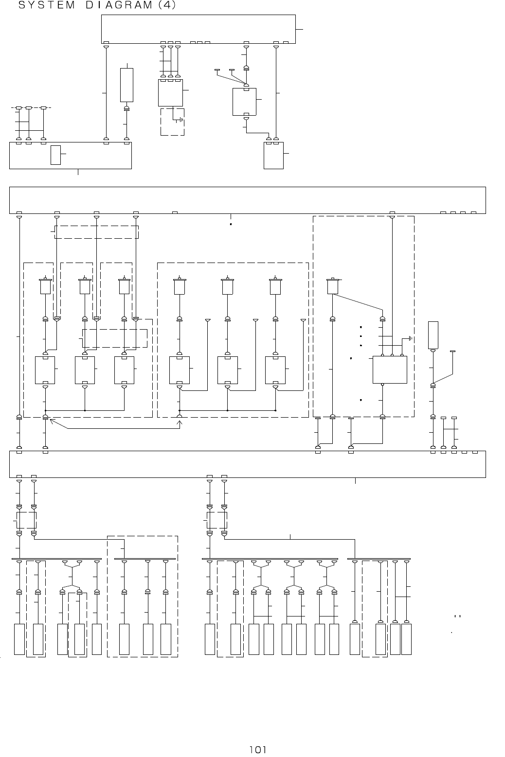
- - 51. SY STE M DI AGRA M ( 4) 6 4 1 4 3 4 3 4 3 4 1 4 1 6 5 6 6 4 8 5 2 5 3 6 7 7 0 7 6 7 3 8 2 6 7 7 4 1 2 8 1 0 1 1 2 1 1 1 3 1 4 1 6 1 7 1 9 1 8 2 1 0 2 4 1 0 2 6 2 9 3 2 3 1 3 3 3 5 3 6 3 4 2 2 2 1 2 0 2 3 3 4 5 …

- -
REF.NO NOTE PARTNO DESCRIPTION Qty
1 400-02125 CALVCUMSVASM 1
2 400-07376 CALBLOCKPCBASM 1
3 401-09996 CALBLOCKCABLEASM 1
4 400-47483 FEEDERCAL(F)CABLEASM 1
5 400-47560 FEEDERPCBASM 1
6 401-22811 CAL-VCUMSENSASN 1
7 401-61248 ATCSENSORASM 1
8 401-46402 FEEDERSENSCABLEFASM 1
9 400-48176 FEEDERSENSRELAY(F)CABLEASM 1
10 401-29057 SEPARATESENSORRECEIVERASM 1
11 401-61262 ATCSVCABLEASM 1
12 401-29058 SEPARATESENSOREMISSIONASM 1
13 401-46400 FEEDERSENSCABLERASM 1
14 400-48177 FEEDERSENSRELAY(R)CABLEASM 1
15 401-46399 REARFEEDERDETECTSENSORRELAYCABLEASM 1
16 401-23126 AUTOTAPECUTTERFCABLEASM 1
17 401-23124 FEEDERCUTTER(F)WIREASM 1
18 401-23128 AUTOTAPECUTTERCABLEASM3 1
19 401-23125 FEEDERCUTTER(R)WIREASM 1
20 401-29080 AIR(N)SENSORCABLEASM 1
21 401-46358 AIRPRESSURESENSORRELAYCABLEASM 1
22 401-46357 FEEDERAIRSENSRELAYCABLEASM 1
23 401-29071 AIR(P)SENSORCABLEASM 1
24 400-00574 DRIVECYLINDERASSY 1
25 401-35350 BANKFIXEDFRCABLEASM 1
26 401-35351 BANKFIXEDFLCABLEASM 1
27 400-66568 BANKPCBASM 1
28 401-09987 BANKPWRCABLEFASM 1
29 400-47481 FEEDERIFRELAY(F)CABLEASM 1
30 401-46390 FEEDERIFRLY(F)CABLEASM 1
31 401-35352 BANKFIXEDRLCABLEASM 1
32 401-07941 FEEDERIFRELAY-03CABLEASM 1
33 401-46392 E-FDRIFFCABLEASM 1
34 400-95639 ELECBANKPWRCABLEASM 1
35 401-13687 ELECBANKFGWIREASM 1
36 401-46428 FEEDERCAL(R)CABLEASM 1
37 401-09983 ETF(F)PWRCABLEASM 1
38 401-09999 FEEDERXYEMGCABLEASM 1
39 401-09984 ETF(R)PWRCABLEASM 1
40 401-14533 ETF_POWER_ASM 1
41 401-49489 POWERSUPPLYUNIT10ASM 1
42
#01
401-49490 POWERSUPPLYUNIT10(EN)ASM 1
43 401-09980 FEEDERPWRCABLEASM 1
44 401-10070 OPERATIONPWRCABLE(F)ASM 1
45 401-10071 OPERATIONPWRCABLE(R)ASM 1
46 401-09992 BANKPWRCABLERASM 1
47 400-47482 FEEDERIFRELAY(R)CABLEASM 1
48 401-07942 FEEDERIFRELAY-04CABLEASM 1
49 401-46393 E-FDRIFRCABLEASM 1
50 401-35353 BANKFIXEDRRCABLEASM 1
51 401-13653 FPILEDCABLE(FL)ASM 1
52 E8626-729-0A0 FPILEDBOARDASM. 1
53 401-13654 FPILEDCABLE(FR)ASM 1
54 401-13655 FPILEDCABLE(RR)ASM 1
55 401-13656 FPILEDCABLE(RL)ASM 1
56 401-48273 OPERATIONPCBFRONT10PCBASM 1
57
#01
401-48277 OPERATIONPCBFRONT10ASM(EN) 1
58 400-92583 SHORTCONNECTORASM 1
59 401-20505 EMGSW(F)ASM 1
60
#01
401-31989 EMGSWFCABLEASM(EN) 1
61 400-02254 COVEROPENSWCABLEASM 1
62 401-46406 COVERLOCKSVCABLEASM 1
63 401-10073 COVERLOCKSVASM 1
64 401-46412 HOD-OPERATIONI/FCABLEASM 1
65 E9649-729-000 HODASM. 1
66
#01
E9662-729-000 HOD(EN) 1
67 401-13641 SAFETYU902CABLEASM(EN) 1
68 401-48275 OPERATIONPCBREAR10ASM 1
69
#01
400-92483 OPERATIONPCBREAR10ASM(EN) 1
70 401-20506 EMGSW(R)ASM 1
71
#01
401-31990 EMGSWRCABLEASM(EN) 1
72 401-58866 COVEROPENSWCABLEASM 1
73 400-97605 COVEROPENRELAYCABLEASM 1
74 401-46359 SIGNALTOWERCABLEASM 1
75 401-29009 SIGNALTOWERCABLEASM 1
76 401-13642 SAFETYU903CABLEASM(EN) 1
77 401-46391 FEEDERIFRLY(R)CABLEASM 1
78 401-12712 ELECBANKCABLEASM 1
79 401-87551 ELECBANK10PCBASMV2 1

- -
51. SYSTEM DIAGRAM (4)
6
4 1
4 34 34 3
4 14 1
6 5 6 6
4 8
5 2 5 3
6 7
7 0
7 6
7 3
8 2
6 7
7 4
1
2 8
1 0 1
1 2
1 1
1 3
1 4
1 6
1 7
1 9
1 8
2
1 0
2 4
1 0
2 6 2 9 3 2
3 1
3 3 3 5
3 6
3 4
2 2
2 1
2 0
2 3
3
4
5 9
3 93 7
4 0
3 8
4 6 4 9
4 7
5 0 5 1
6 0
6 3
6 4
6 1
6 2
4 2
4 4
4 5
5 6 5 7
5 4 5 5
5 8 5 9
6 8
7 1
7 2
8 1
7 5
8 0
7 7
7 8
7 9
6 8
6 9
1 5
8 4
3 1
2 8
3 0
2 5
2 7
8 3
9 0 9 0 9 0
8 7 8 8 8 9
8 5
8 68 6
8 6
N O T E 1 T H E S E P / N C H A N G E S W I T H M A C H I N E R E V I S I O N .
" [ M R E V . D ] " J X - 3 5 0 M A C H I N E R E V I S I O N : B E F O R E " D "
" [ M R E V . E ] " J X - 3 5 0 M A C H I N E R E V I S I O N : " E "
S U P T A B L E
S . V .
C L A M P S . V .
S T O P S . V .
( 1 5 0 0 m m )
S T O P S . V .
( 1 2 0 0 m m )
( 1 5 0 0 m m O P T I O N )
( 1 5 0 0 m m O P T I O N )
( A W C O P T I O N )
( I N / O U T B U F F E R O P T I O N )
( I N / O U T B U F F E R O P T I O N )
A W C O R G
S E N S O R
B U P I N S E N S O R
( R E C E I V I N G )
B U P I N S E N S O R
( E M I S S I O N )
R I G H T S E N S O R
L E F T S E N S O R
W A I T S E N S O R
S T O P S E N S O R
C O U T S E N S O R
7
7
S T O P S E N S O R
1 5 0 0 m m
C L A M P F L
S E N S O R
C L A M P F R
S E N S O R
C L A M P R L
S E N S O R
C L A M P R R
S E N S O R
S U P T A B L E
D O W N S E N S O R
S U P T A B L E
U P S E N S O R
S T O P S E N S O R
1 2 0 0 m m
S 8
S 7
S 6
S 5
S 8
S 7
S B L 4
S 5
S 6
S 3
S 4
C N 1 0 7 4
C N 1 0 6 4
C N 4 2 2
C N 4 2 1
C N 6 1 6
C N 6 1 5
S 2
S 1
S B L 3
S T O P 1 5 0 0
S T O P 1 2 0 0
S 5
S 3
S 1
S B 2
C N 1 0 6 6
C N 1 3 7 0
C N 1 3 7 1
S 6
S 7
S 5
S 3
S 1
S B 1
C N 1 0 6 5
W A I T
C N 1 0 7 2 S B 1
S B 2
C N 1 0
C N 9
C N 2 0
C N 1 9
S B 4
S B 3
C N 2 2
C N 2 3
C N 1 2
C N 1 6
2 - 5 B
B A S E I / O P C B ( 2 / 2 )
C N 1 9
C N 2 4
C N 1 7
C N 1 4
C N 2 5
C N 3
C N 4
C N 2 1
C N 1 5
C N 1 3
S M E M A
( U P P E R U N I T )
S M E M A
( L O W E R U N I T )
E V
S T O P S . V .
F L U X S V
C N 1 4
C N 1 5
C N 1 7
C N 1 8
5 P H A S E D R I V E R
A W C M
A W C E
A W C M O T O R
( A W C O P T I O N )
C N 1 1
C N 8
C N 6 0
C N 3 6
C N 2 8
R M - P
R - M T R
C M - P
C - M T R
L M - P
L - M T R
I N M O T O R
C E N T M O T O R
O U T M O T O R
I N M O TO R D R V ( 2 P H A S E )
L M - 3
C E N T M O T OR D R V ( 2 P H A S E )
C N 3C N 1
O U T M O T O R D R V ( 2 P H A S E )
L M - 1
N O T E 1 ( M R E V . E )
C N 1 6
C N 3C N 1
C M - 3C M - 1
C N 3C N 1
R M - 3R M - 1
C N 1 6
C N 1 2
N O T E 1 ( M R E V . D )
I N M O T O R D R V ( 5 P H A S E )
C E N T M O T O R D R V ( 5 P H A S E )
O U T M O T O R D R V ( 5 P H A S E )
C N 1 C N 2
C N 1
C N 2
C N 1 C N 2
L M T
I N M - P
C M T
C M - P
R M T
O T M - P
I N M O T O R
C E N T M O T O R
O U T M O T O R
P O W E R U N I T ( 5 / 5 )
3 - 3 B
C N 2 7
C N 3 3
C N 3 5
C N 3 4
C N 1 2
C P U B O A R D ( 1 / 2 )
U S B
U S B
L A N
S S D
D V I 1
U S B
4 - 4 C
( E N S P E C )
U S B K E Y B O A R D
S P A S M ( F R O N T )
M O N I T O R ( F R O N T )
R S 2 3 2 C
V I D E O
D C 1 2 V
S U P E R I M P O S E
B O A R D
D V I I N
R S 1
D V I 1
M 1 ( O U T 1 2 V )
R S 2
D V I 2
M 2 ( O U T 1 2 V )
I M P S
R S P C 1
N T S C 1
C N 5
C N 6
C N 9
1 - 2 D
C O MC O M
A T X - P O W E R ( 2 / 2 )
C O M 1
C O M 2
4 - 4 B
C P U B O A R D ( 2 / 2 )

- -
REF.NO NOTE PART NO D E S C R I P T I O N Qty
1 401-62658 SIDE SENSOR ASN 1
2 401-61270 STOP SENS CABLE ASM(1200MM) 1
3 400-47904 SBL1 CABLE ASM 1
4 401-46360 SB CABLE ASM 1
5 401-46394 BASE-IO SPWR CABLE ASM 1
6 400-71680 BASE IO PCB ASM 1
7 401-35828 LR WAIT COUT SENS ASM 1
8 401-10054 WAIT SENS CABLE ASM 1
9 400-92631 BASE-IO SENS RLY CABLE ASM 1
10 401-10065 STOP SENSOR ASM 1
11 401-46432 ST/CO SENS CABLE ASM 1
12 401-61265 RIGHT SENS CABLE ASM 1
13 401-61236 BU PIN EMISSION SENS ASM 1
14 401-61266 BU PIN(EMI) CABLE ASM 1
15 400-47908 SBL2 CABLE ASM 1
16 401-61237 BU PIN RECEIVE SENS ASM 1
17 401-61267 BU PIN(REC) CABLE ASM 1
18 401-29042 AWC/BU ORG SENSOR CABLE ASM 1
19 401-46366 AWC ORG SENS CABLE ASM 1
20 401-61281 SBL3 CABLE ASM 1
21 401-61280 BASE-IO SB3-4 RLY CABLE ASM 1
22 401-61268 BASE-IO SENS CABLE ASM 1
23 401-61269 BASE-IO SV CABLE ASM 1
24 401-61271 STOP SENS CABLE ASM(1500MM) 1
25 401-36110 CLAMP SENS LF ASM 1
26 401-61272 CLAMP F SENS CABLE ASM 1
27 401-36112 CLAMP SENS RF ASM 1
28 401-36111 CLAMP SENS LR ASM 1
29 401-61273 CLAMP R SENS CABLE ASM 1
30 401-36113 CLAMP SENS RR ASM 1
31 401-54793 PROXIMITY SENSOR CABLE ASM 1
32 401-61274 SUP TABLE SENS CABLE ASM 1
33 401-61275 STOP SV CABLE ASM(1200MM) 1
34 401-61282 SBL4 CABLE ASM 1
35 401-61276 STOP SV CABLE ASM(1500MM) 1
36 401-61277 CLAMP SV CABLE ASM 1
37 400-92630 BASE-IO POWER RLY CABLE ASM 1
38 401-10018 BASE-IO PWR CABLE ASM 1
39 400-92628 BASE-IO MTR1-3 RLY CABLE ASM 1
40 401-46443 MT1-3 PULSE CABLE ASM 1
41 HM-0013200-00 MOTOR DRIVER 1
42 401-46442 IN-MOTOR CABLE ASM 1
43 400-48075 JOINT MOTOR ASM 1
44 401-46445 CENT/OUT MOTOR CABLE ASM 1
45 401-46444 MOTOR DRIVER POWER CABLE ASM 1
46 400-92626 BASE-IO ENC RLY CABLE ASM 1
47 401-10043 AWC ENC CABLE ASM 1
48 E9434-729-0A0 WIDTH ADJUST MOTOR ASM. 1
49 400-92629 BASE-IO MTR4-5 RLY CABLE ASM 1
50 401-10037 AWC DRIVE CABLE ASM 1
51
#01
401-10038 AWC DRIVE CABLE ASM(EN) 1
52 HX-0042000-00 5 PHASE STEP DRIVER\N 1
53
#01
HX-0068900-00 5 PHASE STEP DRIVER\N 1
54 401-10039 AWC MOTOR CABLE ASM 1
55
#01
401-10040 AWC MOTOR CABLE ASM(EN) 1
56 401-10021 AWC DRV PWR CABLE ASM 1
57
#01
401-10022 AWC DRV PWR CABLE ASM(EN) 1
58 401-10041 AWC DRV FG CABLE ASM 1
59
#01
401-10042 AWC DRV FG CABLE ASM(EN) 1
60 400-92633 BASE-IO SOL RLY CABLE ASM 1
61 401-10044 SV CABLE ASM 1
62 401-48089 SV WIRE ASM 1
63 401-10047 SMEMA IN CABLE ASM 1
64 401-10048 SMEMA OUT CABLE ASM 1
65 401-49489 POWER SUPPLY UNIT 10 ASM 1
66
#01
401-49490 POWER SUPPLY UNIT 10 (EN) ASM 1
67 401-23242 CPU BOARD 1
68 400-44522 USB RELAY CABLE 1
69 HW-0018100-80 LAN CABLE 1
70 401-49405 ENVIRONMENT SYSTEM ASM 10VA(HR6) 1
71 400-03312 PANEL LINK CABLE 1
72 401-48260 USB CABLE 3M 1
73 401-23194 USB KEY BOARD SP ASM 1
74 401-29641 SUPER IMPOSE BOARD 1
75 401-48267 SENSOR RELAY CORD ASM 1
76 401-58158 15INCH LCD MONITOR 1
77 401-46375 F-232C CABLE ASM 1
78 401-29642 DVI CABLE L2.5M 1
79 401-35794 F_LCD PWR CABLE ASM 1
80 401-46377 TOUCH PANEL 232C CABLE ASM 1
81 401-46438 ATX 232C CABLE ASM 1
82 401-46346 ATX PSU 1
83 401-35975 SUPERIMPOSE BOARD POWER CABLE ASM 1
84 401-61278 SUP TABLE SV CABLE ASM 1
85 401-73438 MOTOR DRIVER CABLE ASM 1
86 401-54209 2PHASE DRIVER PCB ASM 1
87 401-73435 L2 MOTOR CABLE ASM 1
88 401-73436 C2 MOTOR CABLE ASM 1
89 401-73437 R2 MOTOR CABLE ASM 1
90 401-58136 2PHASE STEPPING MOTOR 1