JX-350-Rev02PDFAPDFA - 第99页
- - REF.NO NOTE PART NO D E S C R I P T I O N Qty 1 #01 401-47475 CUTT ER UNIT(FIXE D_BANK_TYPE)_F 1 2 #02 401-47476 CUTT ER UNIT(FIXE D_BANK_TYPE)_R 1 3 401-38824 CUTTER_UNIT_ASM_REV_B (1) 4 401-38852 CUTTER UNIT_REV_…

- -
47. CUTTER UNIT COMPONENTS (FIXED BANK)
6
6
1 2
3
4
C
B
2 3
A
5 1
3 5
3 5
4 5
4 5
3 2
3 2
3 3
3 0
3 1
3 1
3 0
2 9
2 8
1 3
1 1
1 0
9
9
8
8
7
7
5
5 9
5 8
5 7
5 6
7 4
7 2
B
C
2 7
2 6
2 6
2 5
2 5
2 4
2 2
1 7
1 7
1 6
1 8
1 9
2 0
2 1
7 5
8 0
7 6
7 7
7 5
7 9
7 8
7 8
7 9
7 3
2 7
2 6
2 6
2 5
2 5
2 4
2 2
2 1
2 0
1 7
1 7
1 9
1 8
1 6
3 9
4 7
6 9
4 0
4 1
7 1
7 1
4 3
4 2
7 0
6 9
4 0
4 1
7 1
7 1
7 0
4 2
4 3
3 4
4 4
4 6
6 7
6 8
5 3
5 5
5 5
5 4
5 2
5 4
5 5
5 3
5 4
5 2
5 4
5 5
4 8
3 8
3 6
E
E
1 2
4 9
6 5
6 6
6 6
6 6
6 4
3 7
3 7
6 0
6 1
6 1
6 0
3 3
6 3
6 2
3 8
3 6
A
1 5
5 0
1 4
1 5
7 9
7 5
7 8
8 1
7 5
7 9
7 8
7 6
7 7
4 9
4 9

- -
REF.NO NOTE PART NO D E S C R I P T I O N Qty
1
#01
401-47475 CUTTER UNIT(FIXED_BANK_TYPE)_F 1
2
#02
401-47476 CUTTER UNIT(FIXED_BANK_TYPE)_R 1
3 401-38824 CUTTER_UNIT_ASM_REV_B (1)
4 401-38852 CUTTER UNIT_REV_B (1)
5 401-14002 CUTTER BASE (1)
6 SL-6052092-TN SCREW M5 L=20 (2)
7 400-84693 LINEAR GUIDE (2)
8 SM-6041602-TN SCREW M4X16 (4)
9 PH-0600120-C0 PARALLEL PIN TYPE B 6X12 (6)
10 401-38799 TAPE_GUARD_SIDE_L (1)
11 SM-6031002-TN SCREW M3 L=10 (2)
12 401-38800 TAPE_GUARD_SIDE_R (1)
13 SM-6031002-TN SCREW M3 L=10 (2)
14 401-38834 INNER_GUIDE (1)
15 SL-6040892-TN SCREW M4 L=8 (4)
16 PA-6305001-A0 AIR CYLINDER (2)
17 PC-0152030-00 SPEED CONTROLLER (4)
18 WS-0820002-KN SPRING WASHER M8 (4)
19 SM-6085002-TN SCREW (4)
20 401-10230 JOINT PLATE (2)
21 401-10316 SPACER (4)
22 SL-6063092-TN SCREW M6 L=30 (4)
23 401-50918 JOINT_BAR (1)
24 400-84691 SLIDE BUSH (2)
25 400-84690 SLIDE SPACER (4)
26 WP-1052001-SC WASHER 10 (4)
27 SM-6103002-TN SCREW M10 L=30 (2)
28 401-10232 BOTTOM BLADE L (1)
29 401-10242 BOTTOM BLADE R (1)
30 PH-0600120-C0 PARALLEL PIN TYPE B 6X12 (4)
31 SM-6051202-TN SCREW M5X0.8 L=12 (8)
32 SM-6041602-TN SCREW M4X16 (4)
33 SM-6041202-TN SCREW M4X0.7 L=12 (4)
34 SL-6041292-TN SCREW (4)
35 SL-6043092-TN BOLT (6)
36 401-38814 UPPER_BLADE_SUPPORT_BASE (5)
37 401-38842 PLUG_M3 (2)
38 SL-6053092-TN SCREW (10)
39 401-10231 UPPER BLADE A (1)
40 E6109-700-000 UPPER BLADE BUSH (5)
41 SM-6051402-TN SCREW M5 L=14 (5)
42 SM-8041402-TP SCREW M4X0.7 L=14 (10)
43 NM-6040001-SC NUT M4X0.7 TYPE1 (10)
44 401-38808 CUTTER_RIB (1)
45 401-13937 CUTTER RIB B (2)
46 SL-6043592-TN SCREW (5)
47 401-50107 CUTTER_COVER_A (1)
48 401-38805 CUTTER_COVER_B (1)
49 SL-6040892-TN SCREW M4 L=8 (7)
50 401-38809 CUTTER_SV_BR (1)
51 SL-6040892-TN SCREW M4 L=8 (2)
52 400-93977 5PORT SOLENOID VALVE (1)
53 SL-4040691-SC SCREW M4 L=6 (2)
54 PX-0551040-00 SILENCER (2)
55 PJ-3040652-01 ELBOW UNION 6XPT1/4 (3)
56 PJ-3080600-03 UNION Y (3)
57 PX-9500010-00 PLUG (4)
58 PJ-3040600-01 REDUCER ELBOW (1)
59 BT-0600400-EC URETHANE TUBE BLUE 6X4 (3)
60 401-38843 PLUG_M4 (2)
61 401-38851 PLUG_M5_C (8)
62 E5721-729-000 LABEL (1)
63 400-92716 TAPE CUTTER DANGER LABEL (1)
64 SL-6030692-TN SCREW M3 L=6 (2)
65 401-38807 CYLINDER_COVER (1)
66 SL-6030692-TN SCREW M3 L=6 (8)
67 401-38851 PLUG_M5_C (1)
68 SM-3040652-TN SCREW M4 L=6 (5)
69 401-38815 UP_BLADE_SUPPORT (5)
70 SM-6051602-TN BOLT (10)
71 E6110-700-000 UP_BLADE SP-A (10)
72 401-14588 CUTTER PARTS(FIXED BANK TYPE) (1)
73 401-10289 TRASH BOX (1)
74 401-14589 C SUP FIXED BANK TYPE (1)
75 SL-6061692-TN SCREW M6 L=16 (8)
76 HX-0029400-00 FIXED BASE (2)
77 SM-4040801-SC SCREW M4X0.7 L=8 (2)
78 SL-6061692-TN SCREW M6 L=16 (4)
79 401-10766 C UNIT SUP BR (4)
80 401-38848 C_UNIT_SUP_PL_B (1)
81 401-10767 C UNIT SUP PL (2)

- -
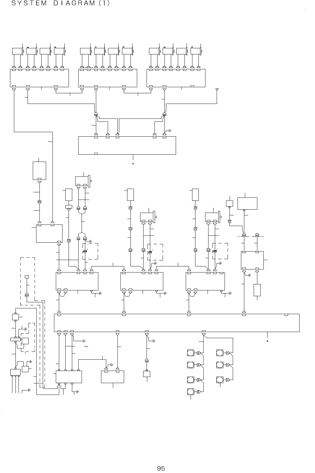
48. SYSTEM DIAGRAM (1)
2 - 5 B
C N 1 1
1
2
3
4
6
5
7
8
9
1 0 1 1
1 2
1 3
1 4 1 6
1 7
1 8
2 1
2 3
2 1
2 4
1 9 2 0
2 5
2 5
2 6
2 7
4 4
2 8 4 7
4 8
4 7
4 8
4 6 5 6
4 5 5 5
2 9
3 7
4 9
3 9
3 8
5 0
3 5
4 0
3 0
3 1
3 2
3 3
3 4
4 3
3 6
4 2
4 1
4 0
5 4 4 3
3 6 3 6
5 3
5 2
4 0
5 8
5 9
5 1
5 7
6
6 7
6 5
6 4
6 0
6 8
6 1
3 9
3 9
6 2
6 3
1 9 2 0
7 0
3 5
5 5 5 5
3 5
6 96 96 9
6 6 2 2 6 6 2 2 6 6 2 2 6 6 2 2 6 6 2 2 6 6 2 2
Z T D - C N P 1
Z 1 M O T O R
H C - B P 0 3 3 6 L W 4 - S 1 0
1 M O T O R
H C - B P 0 1 3 6 D - S 8
Z 2 M O T O R
H C - B P 0 3 3 6 L W 4 - S 1 0
2 M O T O R
H C - B P 0 1 3 6 D - S 8
Z 3 M O T O R
H C - B P 0 3 3 6 L W 4 - S 1 0
3 M O T O R
H C - B P 0 1 3 6 D - S 8
Z 4 M O T O R
H C - B P 0 3 3 6 L W 4 - S 1 0
4 M O T O R
H C - B P 0 1 3 6 D - S 8
Z 5 M O T O R
H C - B P 0 3 3 6 L W 4 - S 1 0
5 M O T O R
H C - B P 0 1 3 6 D - S 8
Z 6 M O T O R
H C - B P 0 3 3 6 L W 4 - S 1 0
6 M O T O R
H C - B P 0 1 3 6 D - S 8
4 A X I S S E R V O A M P ( 3 )
4 A X I S S E R V O A M P ( 2 )
4 A X I S S E R V O A M P ( 1 )
P O W E R
U N I T ( 2 / 5 )
S - X Y R E L A Y
P C B ( 1 / 3 )
S E R V O
M O T O R
7 5 0 W
S C A L E
H E A D X
X Y 1 1
S E N S X
X E N C
X M T R
E N C Y L
S E N S Y L
Y M O T O R
Y L 1 5 0 0 W
S C A L E
H E A D Y
Y L M T R
S C A L E
H E A D Y
S E N S Y R
Y M O T O R
Y R 1 5 0 0 W
E N C Y R
Y R M T R
M A I N
S W ( 2 / 2 )
P S O N
A T X 1 3
C N 3
C P C I
B A C K
B O A R D
Y R C N 2
Y R C N 2 L
3 T u r n
M A I N
1 2 V
I N L E T
B A T T
1 - 2 A
4 - 5 C
A T X - P O W E R ( 1 / 2 )
( E N S P E C )
3 T u r n
( E N S P E C )
3 T u r n
( E N S P E C )
C N 1 6 5
C N 1 5 1
Y L C N 2
Y L C N 2 L
E N C X
1 C H N E T
2 C H N E T
1 C H D I
P O S I T I O N
B O A R D
Y R S E R V O
A M P ( 1 / 2 )
C N 1 A
C N P 1
C N P 2
C N 2
C N P 3
C N 1 B
E
B A T T E R Y
Y L S E R V O
A M P ( 1 / 2 )
C N 1 A
C N P 1
C N P 2
C N 2
C N P 3
C N 1 B
E
4 - 5 A
X S E R V O
A M P ( 1 / 2 )
C N 1 A
C N P 1
C N P 2
C N 2
C N P 3
C N 1 B
4 - 1 D
E
M T S P W R ( L )
C N 0 6
( M T S O P T I O N )
C N 0 6
1 - 3 D
M A I N
S W ( 1 / 2 )
( E N S P E C )
B L O C K
C A P A C I T O R
L F 1
P O W E R
U N I T ( 1 / 5 )
N F B
I N P U T
L 1
L 2
L 3
P E
S U R G E
P R O T E C T O R
T F 1
2 0 0 V
3 4 V
1 0 0 V
2 0 0 V
E T F P O W E R
U N I T ( 1 / 2 )
C N 0 4
G N D
3 - 3 B
V A C U U M
P U M P
[ B A S E R S I D E ]
[ C T R L U N I T ]
[ B A S E L S I D E ]
[ P O W E R U N I T ]
F A N
[ C T R L U N I T ]
F A N F A N F A N
F A NF A NF A N
C N 2 0 0 3
P W R 2 9
C N 1 3
C N 1 2
C N 0 6 3
G N D
C O P L A - P S
1 - 4 B
C N 0 4
C N 0 3
C N 1 1
C N 0 1
1 - 2 D
C N 1 3
C N 3 7
C N 1 4
C N 1 5
C N 3 8
2 - 3 B
Z T P W R 2
Z T P W R 1
C N 2 1
C N 1 A
C N P 1
C N 1 B
C N 2 D
C N P 2 D
C N 2 C
C N P 2 C
C N 2 B
C N P 2 B
C N 2 A
C N P 2 A
2 - 2 A
C N 1 A
C N P 1
C N 1 B
C N 2 D
C N P 2 D
C N 2 C
C N P 2 C
C N 2 B
C N P 2 B
C N 2 A
C N P 2 A
2 - 2 A
C N 1 A
C N P 1
C N 1 B
C N 2 D
C N P 2 D
C N 2 C
C N P 2 C
C N 2 B
C N P 2 B
C N 2 A
C N P 2 A
2 - 2 B