JM-10-Rev03 - 第66页
- 61 - 31. MAIN LINE FILTER COMPONENTS メインラインフィルタ関係 4 15 14 16 17 7 8 13 11 9 3 6 18 5 12 10 2 4 1

- 60 -
REF.NO NOTE PART NO D E S C R I P T I O N
品 名
Qty
1 401-07844 CONVEYOR EXTENTION GUIDE ASSY
搬送延長ガイド組
1
2 400-78518 PWB GUIDE F
PWBガイドF
(1)
3 400-78519 PWB GUIDE R
PWBガイドR
(1)
4 400-78497 COLLAR A
カラーA
(2)
5 SL-6041492-TN SCREW
座金付き六角穴ボルト
(4)
6 E2153-727-000 EX PWB GUIDE
EX PWBガイド
(2)
7 SL-6041092-TN SCREW
座金付き六角穴ボルト
(2)
8 401-07830 GUIDE COLLER
ガイドカラー
(2)
9 400-44524 PORTABLE DVD-ROM CD-R/RW DRIVE
ポータブルDVD−ROM CD−R/RWドライブ
1
10 400-83341 OPTION HOLDER ASM
オプションホルダ組
1
11 400-52558 USB MEMORY
USBメモリ
1
12 SL-4041091-SC SCREW M4 L=10
なべ小ねじセムス M4X0.7 L=10
2

- 61 -
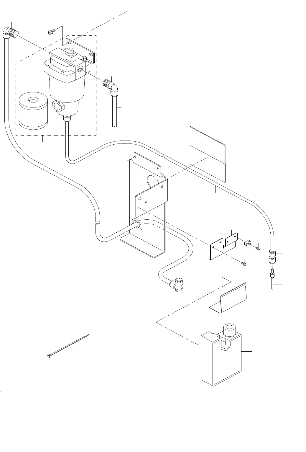
31.MAIN LINE FILTER COMPONENTS
メインラインフィルタ関係
4
15
14
16
17
7
8
13
11
9
3
6
18
5
12
10
2
4
1

- 62 -
REF.NO NOTE PART NO D E S C R I P T I O N
品 名
Qty
1 PF-0154010-A0 AIR FILTER
エアフィルター
1
2 PF-9010070-00 FILTER ELEMENT
フィルターエレメント
(1)
3 BT-1200801-EF TUBE
チューブ
2
4 PJ-3041254-01 ELBOW UNION D=12
エルボユニオンφ12
2
5 400-16815 DRAIN TANK
ドレインタンク
1
6 BT-1000651-EB POLYURETHANE TUBE
ポリウレタン チューブ
0.8
7 PJ-3031000-02 STRAGHT
ストレート
1
8 PJ-3090400-03 STRAGHT
レジューサ(φ4−φ10)
1
9 BT-0400251-EA TUBE HOSE, BLUE
ウレタンホ−ス 青
0.16
10 SL-6061692-TN BOLT
座金付き六角穴ボルト
2
11 400-55291 FILTER BRACKET
フィルタブラケット
1
12 HX-0005500-0J RUBBER BUSHING
ゴムブッシュ
1
13 E1387-700-000 HOD MAGNET
HOD マグネット
2
14 400-55290 DRAIN TANK STAY
ドレインタンクステイ
1
15 SL-6040892-TN BOLT
座金付き六角穴ボルト
2
16 HX-0029400-00 FIXED BASE
固定ベース
1
17 SM-4040601-SC SCREW M4X0.7 L=6
なべ小ねじ M4X0.7 L=6
1
18 EA-9500B01-00 CABLE BAND
束線バンド
1