JM-10-Rev03 - 第71页
- 66 - REF.NO NO TE PART NO D E S C R I P T I O N 品 名 Qty 1 401-76225 JM10_LEAD_CO RRECT_JIG_BASE_ASSY JM10_リード矯正冶 具ベース組(メカ) 1 2 401-64758 LEAD_COR RECT_JIG_FIX_BASE_ASSY リード矯正治具ベース組 (1) 3 401-65096 LEAD_COR RECT_JIG_FIX…

- 65 -
33.LEAD CORRECT JIG BASE COMPONENTS
リード矯正冶具ベース関係
6
7
6
5
4
10
42
34
41
26 33
42
43
43
18 25
8
9
11
14
15
3
2
13
12
17
16
1

- 66 -
REF.NO NOTE PART NO D E S C R I P T I O N
品 名
Qty
1 401-76225 JM10_LEAD_CORRECT_JIG_BASE_ASSY
JM10_リード矯正冶具ベース組(メカ)
1
2 401-64758 LEAD_CORRECT_JIG_FIX_BASE_ASSY
リード矯正治具ベース組
(1)
3 401-65096 LEAD_CORRECT_JIG_FIX_BASE
リード矯正冶具ベース
(1)
4 401-56188 LOCATE_PIN_A
位置決めピンA
(1)
5 401-56189 LOCATE_PIN_B
位置決めピンB
(1)
6 SM-8020302-TP SCREW M2X0.4 L=3
止めねじ M2X0.4 L=3
(2)
7 401-65097 CHIP_BOX_BR
チップボックスBR
(1)
8 SL-6030692-TN SCREW M3 L=6
座金付き六角穴ボルト M3 L=6
(2)
9 SL-6062092-TN SCREW M6 L=20
座金付き六角穴ボルト
(2)
10 401-65098 LEAD_CORRECT_JIG_ATTACH_BLOCK
リード矯正冶具取付ベース
(1)
11 SL-6031692-TN SCREW
座金付き六角穴ボルト
(2)
12 401-65095 CAL_PIECE_STAY_ASSY
CALピースステイ組
(1)
13 401-65099 CAL_PIECE_STAY
CALピースステイ
(1)
14 SM-4030401-SC SCREW M3X0.5 L=4
なべ小ねじ M3X0.5 L=4
(4)
15 SL-6040892-TN BOLT
座金付き六角穴ボルト
(2)
16 401-65100 CHIP_BOX_M
チップボックスM
(1)
17 401-76399 CB_INNER_M
チップボックスインナーM
(1)
18 401-76201 LEAD_CORRECT_JIG_001_ASSY
リード矯正冶具_001組_LP2.5 φ0.5
1
19 401-76202 LEAD_CORRECT_JIG_002_ASSY
リード矯正冶具_002組_LP3.5 φ0.5
1
20 401-76203 LEAD_CORRECT_JIG_003_ASSY
リード矯正冶具_003組_LP5.0 φ0.55
1
21 401-76204 LEAD_CORRECT_JIG_004_ASSY
リード矯正冶具_004組_LP5.0 φ0.8
1
22 401-76205 LEAD_CORRECT_JIG_005_ASSY
リード矯正冶具_005組_LP7.5 φ0.6
1
23 401-76206 LEAD_CORRECT_JIG_006_ASSY
リード矯正冶具_006組_LP7.5 φ0.8
1
24 401-76207 LEAD_CORRECT_JIG_007_ASSY
リード矯正冶具_007組_LP10.0 φ0.6
1
25 401-76208 LEAD_CORRECT_JIG_008_ASSY
リード矯正冶具_008組_LP10.0 φ0.8
1
26 401-76209 EXTENED_LEAD_CORRECT_JIG_001_T15
リード拡大矯正治具_001_t15_LP2.5 φ0.5
(1)
27 401-76211 EXTENED_LEAD_CORRECT_JIG_002_T15
リード拡大矯正治具_002_t15_LP3.5 φ0.5
(1)
28 401-76213 EXTENED_LEAD_CORRECT_JIG_003_T15
リード拡大矯正治具_003_t15_LP5.0 φ0.55
(1)
29 401-76215 EXTENED_LEAD_CORRECT_JIG_004_T15
リード拡大矯正治具_004_t15_LP5.0 φ0.8
(1)
30 401-76217 EXTENED_LEAD_CORRECT_JIG_005_T15
リード拡大矯正治具_005_t15_LP7.5 φ0.6
(1)
31 401-76219 EXTENED_LEAD_CORRECT_JIG_006_T15
リード拡大矯正治具_006_t15_LP7.5 φ0.8
(1)
32 401-76221 EXTENED_LEAD_CORRECT_JIG_007_T15
リード拡大矯正治具_007_t15_LP10.0 φ0.6
(1)
33 401-76223 EXTENED_LEAD_CORRECT_JIG_008_T15
リード拡大矯正治具_008_t15_LP10.0 φ0.8
(1)
34 401-76210 SHRINK_LEAD_CORRECT_JIG_001_T15
リード縮小矯正治具_001_t15_LP2.5 φ0.5
(1)
35 401-76212 SHRINK_LEAD_CORRECT_JIG_002_T15
リード縮小矯正治具_002_t15_LP3.5 φ0.5
(1)
36 401-76214 SHRINK_LEAD_CORRECT_JIG_003_T15
リード縮小矯正治具_003_t15_LP5.0 φ0.55
(1)
37 401-76216 SHRINK_LEAD_CORRECT_JIG_004_T15
リード縮小矯正治具_004_t15_LP5.0 φ0.8
(1)
38 401-76218 SHRINK_LEAD_CORRECT_JIG_005_T15
リード縮小矯正治具_005_t15_LP7.5 φ0.6
(1)
39 401-76220 SHRINK_LEAD_CORRECT_JIG_006_T15
リード縮小矯正治具_006_t15_LP7.5 φ0.8
(1)
40 401-76222 SHRINK_LEAD_CORRECT_JIG_007_T15
リード縮小矯正治具_007_t15_LP10.0 φ0.6
(1)
41 401-76224 SHRINK_LEAD_CORRECT_JIG_008_T15
リード縮小矯正治具_008_t15_LP10.0 φ0.8
(1)
42 401-65107 LEAD_CORRECT_JIG_CLAMP_PLATE
リード矯正治具クランププレート
(2)
43 SL-6030892-TN SCREW M3 L=8
座金付き六角穴ボルト M3 L=8
(4)

- 67 -
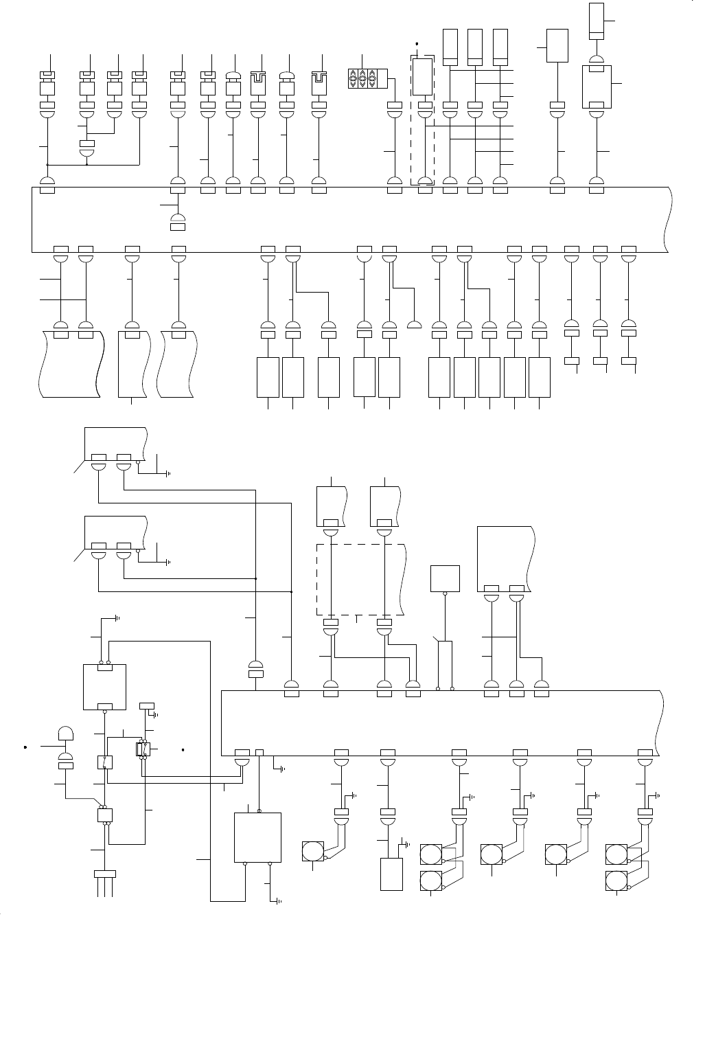
34.SYSTEM DIAGRAM (1)
SYSTEM DIAGRAM(1)
CN537 CN37CN463
CONVEYOR
WAIT
SENSOR
CN504 CN4CN462
CONVEYOR
C.OUT
SENSOR
CN506
CN682
XSTOPPER
S.V.
CN6
CN493
CN716
CN514
CN51 4
CYCLE SW
CN444
CN547CN437
CONVEYOR
LEFT
SENSOR
MAINTENANCE
SW
CN32CN532
CN451
CN450
OUT
IN
CN520
CN519
SMEMA(R)
SMEMA(L)
CN001
POWER ON
LAMP
3-1A
IO MI PCB(2/5)
2-4D
1-1D
CN45CN545
CN017
CN017
POWER UNIT(2/7)
2-3B
2-3B
2-2A
2-3C
1-3A
1-2C
3-1A
2-3B
2-3A
1-3A
ATC
OPEN
SENSOR
CN443
CN442 CN46CN546
ATC
CLOSE
SENSOR
CN30
CN097
CN033
(F5E)
VACUUM
PUMP
CN096CN096CN068
(F4E)
CN006CN006
VACUUM PUMP FAN
FAN
CN080
XY BEAR
CABLE(1/2)
OKAYA
3SUP-HQ20-ER6
C&N
KH20B T103/17
MITSUBISHI
NV32-SV 3P 10A 30mA
TCS-05SV3(COVER)
FAN
(F1E)
CN010CN010
COVER TOP FAN
FAN
CN068
(R3E)
CN30
OUT
IO MI PCB(1/5)
CN4
CN5
IO-CN4
IO-CN5
CN027
CN024
CN27
CN24
(R6E)
CN009CN009
BASE FAN R
FAN
CN067
(R5E)
CN008CN008
BASE FAN L
FAN
CN066
(R4E)
CN007CN007
CONTROL UNIT TOP FAN
FAN FAN
CN064
CPCI BACK BOARD
TB2
TB1
CN097
CN032
CN202CN033
CN201
ZTB SERVO
AMP(1/3)
MR-MD100
ZTBCNP1 CNP1
ZTA SERVO
AMP(1/3)
MR-MD100
ZTACNP1 CNP1
CN032
CN001
(F3E)
E
X SERVO
AMP(1/2)
MR-J3-40B-KM024
CNP2
CNP1
(F2E)
E
YSERVO
AMP(1/2)
MR-J3-200B-RJ024
CNP2
CNP1
CN099
POWER UNIT(1/7)
(R2E)
TF1
FG
(R1E)
NOISE FILTER
IN
MAIN SWNFB1 10A
L3
L2
L1
TB1
ROP_CN7
COVEROPENSWREAR
CN511CN11
CN548 CN48
CN503 CN3
CN44 CN544
CN39
CN36
CN539
CN536
CN713F
STOP SW
CN551 CN51IO-CN2CN2
CN681
CN01
CPU COM1
CN47
CN491 CN492
CN669
CN2CN1
CN680
CN549CN49
CN509
CN9
CN20
CN436
CN435
CN438
CN440
CN08
CN19
CN34CN534
CN42CN542
CN510CN10
CN801
CN722
FOP_CN7
CN715
CN713R
CN712
CN22CN522
CN518CN18
CN505CN5
CN540
CN40
CN52CN552
CN512
CN12
IO-CN3
SUPORT
TABLE
DOWN SENSOR
SUPORT
TABLE
UP SENSOR
CONVEYOR
RIGHT
SENSOR
CONVEYOR
NEAR
SENSOR
CALBLOCK
PCB ASM
CAL
VACUUM
SENSOR
CAL S.V.
EMGSWREAR
COVEROPENSWFRONT
EMG SW FRONT
STOP SW REAR
STOP SW
ATC S.V.
SUPPORT
TABLE S.V.
AIR
PRESSURE
SWITCH
HOD BOX
SIGNAL
TOWER
CPU BOARD(1/2)
COM1
BASE PCB(1/3)
CN3
1
2 5
3 4
6
7
8
10
9
11
12
15
13
14
16
33
31
30
25
24
34
35
17
18
20
22
19
21 23
26
28
27
29
32
32
38
575554525048
46
454341
59
61
63
36
37
39 40 42
44
47
49
51
53
56
58 60 62 64
65
69
71
73
75
77
66 67 67 70 72 74 76 74 79
81 82
87
80
78 85
83
88
86
84
90
93
92
89 91
MC1
CN06
CN20 CN20 CN20
IO-CN20
101
102
CN712R
START SW REAR
6668
ORIGIN SW
CN714
CN713
100
CN029 CN029
98
94
95 96
97
99