JM-10-Rev03 - 第74页
- 69 - 35. SYSTEM DIAGRAM (2) SYSTEM DIAGRA M(2) CN51 6 CN15 CN13 CN682 XSTOPPER S.V. CN8 CN31 CN16 REAR FEEDER FLOAT SENSOR OPTION FRONT FEEDER FLOAT SENSOR OPTIO N 4-1A F_BA NK CN501 CN1 FEEDER (FRONT) MONI PWR COVER L…

- 68 -
NOTE( 注記 ) #01....FOR EN EN 用
REF.NO NOTE PART NO D E S C R I P T I O N
品 名
Qty
1 400-76778 BREAKER INPUT CABLE ASM
ブレーカ入力ケーブル組
1
2 400-76920 POWER ON LAMP RELAY CABLE ASM
POWER ON LAMP リレーケーブル組
1
3 401-06608 POWER LAMP 200V CABLE ASM
POWER LAMP 200V 束線組
1
4 401-06609 POWER LAMP 400V CABLE ASM
POWER LAMP 400V 束線組
1
5 401-07184 BREAKER-OUT CABLE ASM
BREAKER−OUTケーブル組
1
6 401-07185 MAIN SW OUTPUT CABLE ASM
メインスイッチ出力ケーブル組
1
7 400-76781 INPUT UNIT FG CABLE ASM
入力ユニットFGケーブル組
1
8 401-07186 TF1 INPUT CABLE ASM
TF1入力ケーブル組
1
9 401-07371 TRANSFORMER
トランス
1
10 401-07187 TF1 FG CABLE ASM
TF1 FGケーブル組
1
11 400-54705 VAC FAN CABLE ASM
真空ポンプファンケーブル組
1
12 401-07251 VAC PUMP FAN RELAY CABLE ASM
真空ポンプファンリレーケーブル組
1
13 400-99547 VACUUM PUMP ASM
真空ポンプ組
1
14 401-07252 VAC PUMP PWR RELAY CABLE ASM
真空ポンプパワーリレーケーブル組
1
15 401-07253 VAC PUMP FG CABLE ASM
真空ポンプFGケーブル組
1
16 400-76862 CTRL UNIT TOP FAN ASM
CTRLユニットトップファン組
1
17 400-76790 CTRL UNIT TOP FAN RELAY CABLE ASM
CTRLユニットトップファンリレーケーブル組
1
18 400-76863 BASE FAN (L) ASM
ベースファン(L)組
1
19 400-76791 BASE-FAN(L)CABLE ASM
ベースファン(L)ケーブル組
1
20 400-76864 BASE FAN (R) ASM
ベースファン(R)組
1
21 400-76792 BASE-FAN(R)CABLE ASM
ベースファン(R)ケーブル組
1
22 400-76794 COVER TOP FAN ASM
カバートップファン組
1
23 400-76793 COVER TOP FAN RELAY CABLE ASM
カバートップファンリレーケーブル組
1
24 400-76784 XY CTRL PWR CABLE ASM
XY CTRL パワーケーブル組
1
25 400-76785 XY SV PWR CABLE ASM
XY SV パワーケーブル組
1
26 400-44539 SERVO AMP 2000W
Y軸サーボアンプ2000W
1
27 400-76788 Y DRV FG CABLE ASM
Y DRV FGケーブル組
1
28 400-76927 SARVO AMP 400W
サーボアンプ400W
1
29 400-76789 X DRV FG CABLE ASM
X DRV FGケーブル組
1
30 401-07188 ZT PWR RELAY CABLE ASM
ZT パワーリレーケーブル組
1
31 400-76787 XY BEAR CABLES ASM
XY ベアケーブル組
1
32 400-44535 4AXIS SERVO AMP
4軸一体型サーボアンプ
1
33 400-76865 PS-CTRL POWER CABLE ASM
PS−CTRLパワーケーブル組
1
34 400-76866 IO SIGNAL CABLE ASM
IO シグナルケーブル組
1
35 400-76867 POWER MONITOR CABLE ASM
パワーモニタケーブル組
1
36 401-07194 BASE SP CABLE ASM
ベースSPケーブル組
1
37 401-07195 BASE IF CABLE ASM
ベースIFケーブル組
1
38 401-07372 CPU BOARD
CPUボード
1
39 401-07196 COM1 CABLE ASM
COM1ケーブル組
1
40 401-07197 BASE POWER CABLE ASM
ベースパワーケーブル組
1
41 400-45499 AIR PRESSURE METER ASM
エアプレッシャメーター組
1
42 401-07205 AIR PRESSURE CABLE ASM
エアプレッシャケーブル組
1
43 400-76842 ATC OPEN SENS ASM
ATC オープンセンサ組
1
44 401-07214 ATC SENSOR CABLE ASM
ATC センサケーブル組
1
45 400-76843 ATC CLOSE SENS ASM
ATC クローズセンサ組
1
46 400-86439 CONVEYOR LEFT SENSOR ASM
コンベアレフトセンサ組
1
47 401-07206 CONVEYOR LEFT SENSOR CABLE ASM
コンベアレフトセンサケーブル組
1
48 400-76891 CONVEYOR NEAR SENSOR ASM
コンベアニアセンサ組
1
49 401-07207 CONVEYOR IN STOP SENSOR CABLE ASM
コンベアインストップセンサケーブル組
1
50 400-76890 CONVEYOR RIGHT SENSOR ASM
コンベアライトセンサ組
1
51 401-07208 CONVEYOR RIGHT SENSOR CABLE ASM
コンベアライトセンサケーブル組
1
52 400-76894 SUPPORT TABLE UP SENSOR ASM
サポートテーブルアップセンサ組
1
53 401-07213 SUPPORT TABLE SENSOR CABLE ASM
サポートテーブルセンサケーブル組
1
54 400-76896 SUPPORT TABLE DOWN SENSOR ASM
サポートテーブルダウンセンサ組
1
55 401-07209 CONVEYOR C.OUT SENSOR ASM
コンベア C.OUTセンサ組
1
56 401-07210 CONVEYOR C.OUT SENSOR CABLE ASM
コンベア C.OUTセンサケーブル組
1
57 401-07211 CONVEYOR WAIT SENSOR ASM
コンベア WAITセンサ組
1
58 401-07212 CONVEYOR WAIT SENSOR CABLE ASM
コンベア WAITセンサケーブル組
1
59 400-88096 SMEMA CABLE (L) ASM
スメマケーブル(L)組
1
60 401-07221 SMEMA RELAY CABLE (IN) ASM
スメマリレーケーブル(IN)組
1
61 400-88098 SMEMA CABLE (R) ASM
スメマケーブル(R)組
1
62 401-07222 SMEMA RELAY CABLE (OUT) ASM
スメマリレーケーブル(OUT)組
1
63 401-06703 KEY SW CABLE ASM(EN)
キースイッチケーブル組(EN)
1
64 401-07215 KEY SW CABLE ASM
キースイッチケーブル組
1
65 401-07198 OPERATION F CABLE ASM
オペレーションFケーブル組
1
66 400-76874 START SW ASM
スタートスイッチ組
1
67 400-76875 STOP SW ASM
ストップスイッチ組
1
68 400-76876 ORIGIN SW ASM
原点スイッチ組
1
69 401-07199 CYCLE SW CABLE ASM
サイクルスイッチケーブル組
1
70 401-07200 CYCLE SW ASM
サイクルスイッチ組
1
71 401-07201 F-EMG SWITCH RELAY CABLE ASM
F−EMG スイッチリレーケーブル組
1
72 400-76831 F-EMG SWITCH CABLE ASM
F−EMG スイッチケーブル組
1
73 401-07202 F-COPEN SWITCH RELAY CABLE ASM
F−COPEN スイッチリレーケーブル組
1
74 400-02254 COVER OPEN SW CABLE ASM
カバーオープンスイッチケーブル組
1
75 401-07203 R-EMG SWITCH RELAY CABLE ASM
R−EMG スイッチリレーケーブル組
1
76 400-76834 R-EMG SWITCH CABLE ASM
R−EMG スイッチケーブル組
1
77 401-07204 R-COPEN SWITCH RELAY CABLE ASM
R−COPEN スイッチリレーケーブル組
1
78 401-07254 SIGNAL-LIGHT CABLE ASM
シグナルライトケーブル組
1
79 400-48045 SIGNAL TOWER LIGHT ASM
シグナルタワーライト組
1
80 401-07255 HOD IF CABLE ASM
HOD IF ケーブル組
1
81 E9649-729-000 HOD ASM.
HOD組
1
82
#01
E9662-729-000 HOD (EN)
HOD(EN)
1
83 401-07216 SUPPORT TABLE SV RELAY CABLE ASM
サポートテーブル SVリレーケーブル組
1
84 400-76911 SUPPORT TABLE SV CABLE ASM
サポートテーブル SVケーブル組
1
85 401-07218 ATC SV RELAY CABLE ASM
ATC SVリレーケーブル組
1
86 400-76845 ATC SV CABLE ASM
ATC SVケーブル組
1
87 401-07217 X STOPPER SV RELAY CABLE ASM
X ストッパSVリレーケーブル組
1
88 400-88094 X STOPPER SV CABLE ASM
X ストッパSVケーブル組
1
89 401-07220 CAL-VCUM CABLE ASM
CAL−VCUM ケーブル組
1
90 400-02126 CAL VACUUM SENSOR ASSY
CALバキュームセンサ組
1
91 401-07219 CAL-BLOCK CABLE ASM
CAL−BLOCKケーブル組
1
92 400-07376 CALBLOCK PCB ASM
CALBLOCK基板組
1
93 400-02125 CAL VCUM SV ASM
CAL VCUM SV組
1
94 401-33415 MC1 INPUT CABLE ASM
MC1 入力ケーブル組
1
95 HA-0053000-00 MAGNETIC CONTACTOR
コンタクタ
1
96 HA-0053000-20 MAGNETIC CONTACTOR
端子台カバー
1
97 401-33418 MTS PWR CABLE ASM
MTS電源ケーブル組
1
98 401-33416 MC1- MAIN SW CABLE ASM
MC1メインスイッチケーブル組
1
99 401-33417 MAIN SW OUTPUT CABLE ASM
MC1メインスイッチ出力ケーブル組
1
100 401-33651 STOP RELAY CABLE ASM
ストップリレケーブル組
1
101 401-33653 PAPB RELAY CABLE ASM
PAPBリレケーブル組
1
102 401-33654 R START SW RELAY CABLE ASM
RスタートSWリレケーブル組
1

- 69 -
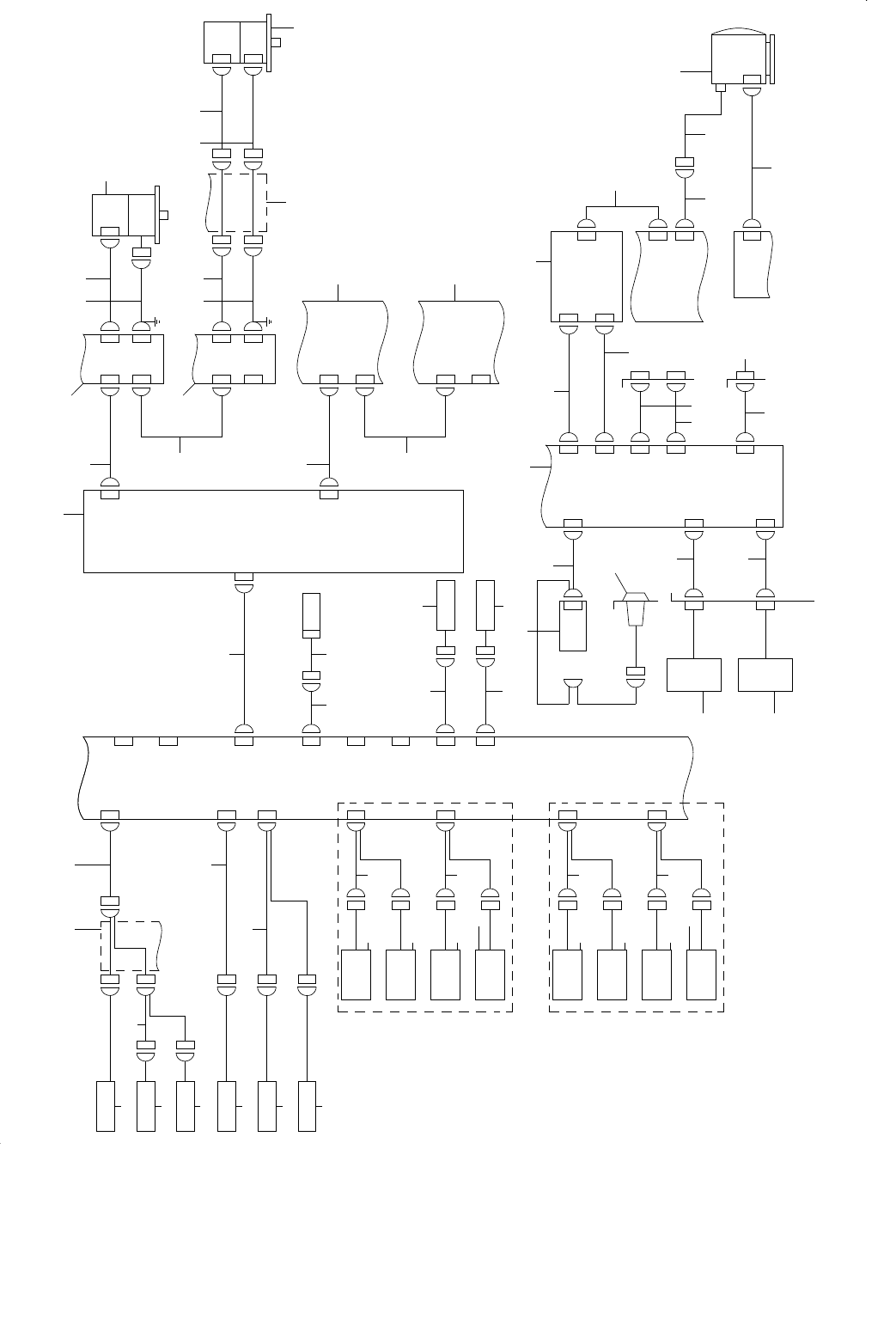
35.SYSTEM DIAGRAM (2)
SYSTEM DIAGRAM(2)
CN516
CN15
CN13
CN682
XSTOPPER
S.V.
CN8
CN31
CN16
REAR FEEDER FLOAT SENSOR OPTION
FRONT FEEDER FLOAT SENSOR OPTION
4-1A
F_BANKCN501CN1
FEEDER
(FRONT)
MONI PWR
COVER
LAN
CN011CN014
POWER UNIT(3/ 7)
1-3A
CPU
BOARD(2/3)
3-1A
3-1A
1-3B
CN724
F LCD RS232C RS232C
L-VOUT(CN4)
CPU-VGA F VIDEO
F-LCD PWR
CV-T/B F T/B F
CV-KB F KB F
HDD-I/F
HDD LAMP
LCD MONITOR
IP-X5 PCB(1/3)
VISION
MONITOR
CN015 CN015
DC12V
COM2
VIDEOVGA
COVER
MOUSE
MOUSE
KEYBOARD
KB
COVER
USB CH2
USB CH1
HDD
ACCESS
LAMP
COVER
HDD
SSD
CH1MCCN1CHCN550
2-1A
2-4A
Y SERVO AMP(2/2)
MR-J3-200B-RJ024
ZTB SERVO AMP(2/3)
MR-MR100
ZTA SERVO AMP(2/3)
MR-MR100
BASE PCB(2/4)
3-3B
1-3B
3-3A
1-3B
1-3A
1-3A
1-4D
R_BANKCN502CN2
FEEDER
(REAR)
CN24
CN23
CN26
CN524
CN523
CN526
CN28CN528
CN432
CN430
CN427
CN425
CN431
CN433
CN426
CN428
FEEDER FLOAT
SENSOR (RR)
(EMISSION)
FEEDER FLOAT
SENSOR (RF)
(RECEVING)
FEEDER FLOAT
SENSOR (RF)
(EMISSION)
FEEDER FLOAT
SENSOR (RR)
(RECEVING)
FEEDER FLOAT
SENSOR (FF)
(EMISSION)
FEEDER FLOAT
SENSOR (FR)
(RECEVING)
FEEDER FLOAT
SENSOR (FR)
(EMISSION)
FEEDER FLOAT
SENSOR (FF)
(RECEVING)
CN131
X NEG LIMIT
SENSOR
CH2
CN130
YCNMTR
YCNENC
XCNMTR
XCNENC
CN166
CN154
CN165
CN152
MRPWS2CBL03M-A1-L-S00
MR-J3JCBL03M-A1-L
X SERVO
MOTOR
HF-KP43-S10
Y SERVO
MOTOR
HC-RP153D-S2
Y BEAR CABLE
ASSY(2/2)
Y BEAR
CABLE(1/2)
MR-J3BUS7M-B
(X DRV E)
XCNP3
XCN2
CNP3
CN2
(Y DRV E)
YCNP3
YCN2
CNP3
CN2
MR-J3BUS015M
MR-J3BUS015M
MR-J3BUS1M
CN1B
CN1A
CN1B
CN1A
CN1B
CN1A
X SERVO AMP(2/2)
MR-J3-40B-KM024
CN1B
CN1A
CH1
POSITION
BOARD
MR-MC121-S0
CN50
CN31CN531
CN30CN530
CN29CN529
CN127
CN143
CN137
CN138
CN133
CN132
YNEAR
SENSOR
Y NEG LIMIT
SENSOR
Y POS LIMIT
SENSOR
XNEAR
SENSOR
X POS LIMIT
SENSOR
46 79111
5
2
3 8
10
12 14 15
17 23
13 16 19 22
24
27
28 28
29
25
26
30
45
49 51
50
52
46
48
47
34
36
38
42
44
33 37
31 39
32
44
32
41
40
43
35
2
56
55
55
53
54
57
58
59
60
63
61
62
2118 20

- 70 -
REF.NO NOTE PART NO D E S C R I P T I O N
品 名
Qty
1 400-02227 X PLUS LMT SENSOR ASM
X軸プラスリミットセンサ組
1
2 400-76795 Y BEAR CABLE ASM
Y ベアケーブル組
1
3 401-07189 X SENSOR CABLE ASM
X センサケーブル組
1
4 400-02228 X MINUS LMT SENSOR ASM
X軸マイナスリミットセンサ組
1
5 400-76797 X NEG LMT SENSOR RELAY CABLE ASM
X NEGリミットセンサリレーケーブル組
1
6 400-02229 X ORG RANGE SENSOR ASM
X軸原点周囲センサ組
1
7 400-76798 Y POS SENSOR ASM
Y POSセンサ組
1
8 401-07190 Y POS LMT SENSOR CABLE ASM
Y POSリミットセンサケーブル組
1
9 400-76801 Y NEG LMT SENSOR ASM
Y NEGリミットセンサ組
1
10 401-07191 Y NEG LMT SENSOR CABLE ASM
Y NEGリミットセンサケーブル組
1
11 400-76802 Y NEAR SENSOR ASM
Y ニアセンサ組
1
12 401-07225 FD-FLOAT(FF)RECEIVE SENS ASM
FD−FLOAT(FF)受光センサ組
1
13 401-07227 FEEDER FLOAT FL CABLE ASM
フィーダフロートFLケーブル組
1
14 401-07226 FD-FLOAT(FR) SENS ASM
FD−FLOAT(FR)投光センサ組
1
15 401-07228 FD-FLOAT(FR)RECEIVE SENS ASM
FD−FLOAT(FR)受光センサ組
1
16 401-07230 FEEDER FLOAT FR CABLE ASM
フィーダフロートFRケーブル組
1
17 401-07229 FD-FLOAT(FF) SENS ASM
FD−FLOAT(FF)投光センサ組
1
18 401-07231 FD-FLOAT(RR)RECEIVE SENS ASM
FD−FLOAT(RR)受光センサ組
1
19 401-07233 FEEDER FLOAT RR CABLE ASM
フィーダフロートRRケーブル組
1
20 401-07232 FD-FLOAT(RF) SENS ASM
FD−FLOAT(RF)投光センサ組
1
21 401-07234 FD-FLOAT(RF)RECEIVE SENS ASM
FD−FLOAT(RF)受光センサ組
1
22 401-07236 FEEDER FLOAT RL CABLE ASM
フィーダフロートRLケーブル組
1
23 401-07235 FD-FLOAT(RR) SENS ASM
FD−FLOAT(RR)投光センサ組
1
24 401-07192 DI 1CH CABLE ASM
DI 1CH ケーブル組
1
25 401-07217 X STOPPER SV RELAY CABLE ASM
X ストッパSVリレーケーブル組
1
26 400-88094 X STOPPER SV CABLE ASM
X ストッパSV ケーブル組
1
27 401-07223 BANK F CABLE ASM
バンクFケーブル組
1
28 400-63859 DRIVE CYLINDER
ドライブシリンダー
1
29 401-07224 BANK R CABLE ASM
バンクRケーブル組
1
30 400-44540 16AXIS 2CH SERVO CONTROLLER
16軸 2CHポジションボード
1
31 40113685 OPTICAL FIBER CABLE 0.7M
光ファイバケーブル0.7M
1
32 400-44541 OPTICAL FIBER CABLE 0.15M
光ファイバケーブル0.15M
1
33 400-44539 SERVO AMP 2000W
Y軸サーボアンプ2000W
1
34 400-76804 Y ENC CABLE ASM
Y ENC ケーブル組
1
35 400-44537 SERVO MOTOR 1500W
Y軸サーボーモータ1500W
1
36 400-76805 Y MOTOR RELAY CABLE ASM
Y モータリレーケーブル組
1
37 400-76927 SARVO AMP 400W
サーボアンプ400W
1
38 400-76806 X ENC CABLE ASM
X ENC ケーブル組
1
39 40048070 OPTICAL FIBER CABLE 7M
光ファイバケーブル7M
1
40 400-44545 X MOTOR ENCODER CABLE
X軸エンコーダ中継ケーブル
1
41 400-68913 SERVO MOTOR 400W
サーボモーター 400W
1
42 400-76807 X MTR CABLE ASM
X MTR ケーブル組
1
43 400-44546 X MTR PWR CABLE
X MTR パワーケーブル
1
44 400-44535 4AXIS SERVO AMP
4軸一体型サーボアンプ
1
45 400-81261 SOLID STATE DRIVE 4G
SOLID STATEドライブ 4G
1
46 400-47492 HDD I/F CABLE ASM
HDDインターフェイスケーブル組
1
47 401-07372 CPU BOARD
CPUボード
1
48 L835E-221-0A0 HDD ACCESS LAMP ASM
HDD ACCESSランプ組
1
49 400-03318 KEY BOARD SP ASM
キーボードスペーサ追加組
1
50 400-02302 KEYBOARD CABLE ASM
キーボードケーブル組
1
51 400-80173 OPTICAL SCROLL MOUSE
光学式スクロールマウス
1
52 400-02301 MOUSE CABLE ASM
マウスケーブル組
1
53 400-76859 VGA MONITOR CABLE ASM
VGA モニタケーブル組
1
54 400-76868 F-232C CABLE ASM
F−232C ケーブル組
1
55 400-44522 USB RELAY CABLE
USB延長ケーブル
1
56 HW-0018100-80 SHIELDED CABLE
LANケーブル
1
57 HK-0651200-80 MODULAR KAPLA
モジュラーカプラ
1
58 401-06712 LCD MONITER
LCDモニタ
1
59 400-76860 F-LCD PWR CABLE ASM
F−LCDパワーケーブル組
1
60 400-76872 VCS MONITOR PWR RELAY CABLE ASM
VCS モニタパワーリレーケーブル組
1
61 401-06704 VCS MONITOR PWR CABLE ASM
VCSモニター電源ケーブル組
1
62 401-02599 8.4 LCD MONITOR(CE)
8.4 LCDモニタ(CE)
1
63 E9623-721-000 PORTRAIT MONITOR CABLE
画像モニタケーブル
1