JM-10-Rev03 - 第81页
- 76 - REF.NO NOTE PART NO D E S C R I P T I O N 品 名 Qty 1 401-33425 SHORT CONNEC TOR(L) ASM ショートコネクタ(L)組 1 2 401-33426 SHORT CONNEC TOR(R) ASM ショートコネクタ(R)組 1 3 401-34952 BW FEEDER-L CA BLE ASM BW FEEDER−Lケーブル組 1 4 401-1…

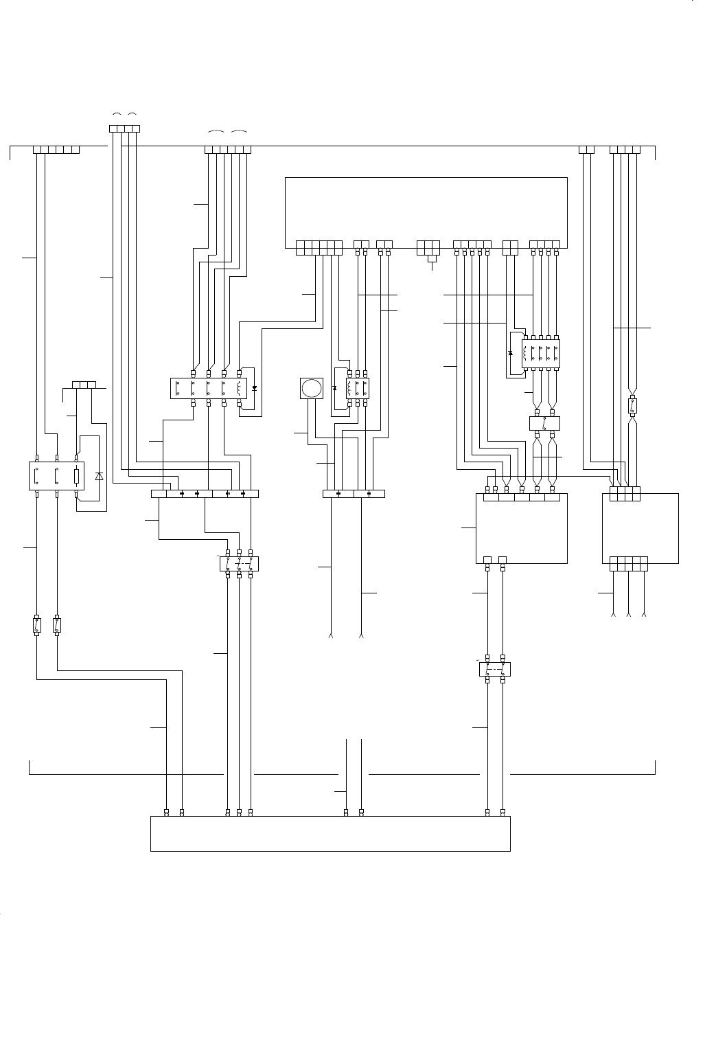
- 75 -
38.SYSTEM DIAGRAM (5)
SYSTEM DIAGRAM(5)
CN1012 CN12
CN1013 CN13
CN1012 CN12CN844
CN1013 CN13CN843
SET SENSOR L
4-5C
COVERSENSORRRDOG
BR-CRBR-C
(BR4E)
BW R(REAR)CN838
CN1030CN30
CN1003CN3
CN1017CN17
CN1041CN41
MBF CONNECTOR 2 BRACKET(FRONT/REAR)RADIAL CONNECTOR BRACKET(FRONT/REAR)MBF CONNECTOR 4 BRACKET(FRONT)
5-3D
5-4A
COVERSENSORRLDOG
(F7E)
BW FEEDER
CONNECTOR
BRACKET
(REAR)
(F8E)
BW FEEDER
CONNECTOR
BRACKET
(FRONT)
COVERSENSORLRDOG
COVERSENSORLLDOG
BL-CRBL-CCN1022CN22
(BR3E)
BW L(REAR)CN837
CN1031CN31
CN1004CN4
CN1016CN16
CN1040CN40
BR-CF
BL-CF
BR-C
BL-CCN1021CN21
(BR2E)
(BR1E)
BW R(FRONT)
CN836
CN1032CN32
CN1002CN2
CN1014CN14
CN1038CN38
BW L(FRONT)CN835
CN1033CN33
CN1001CN1
CN1015CN15
CN1039CN39
DRV IO PCB(4/4)
(BR4E)
(BR3E)
(BR2E)
(BR1E)
CN1023CN23
CN1024CN24
CN1025CN25
CN1026CN26
CN1009CN9
CN1008CN8
CN1007CN7
CN1006CN6
CN845R CN845
CN845F CN845
(R7E)
BW FEEDER
CONNECTOR
BRACKET
COVER SENSOR RR DOG
COVER SENSOR RL DOG
COVER SENSOR LR DOG
COVER SENSOR LL DOG
5-2C
5-3A
DRVIOPCB(2/4)
55-60
49-54
43-48
37-42
31-36
25-30
19-24
13-18
7-12
1-6CN1027CN27
CN842R CN842
CN841R CN841
CN840R CN840
CN839R CN839
55-60
49-54
43-48
37-42
31-36
25-30
19-24
13-18
7-12
1-6CN1005CN5
CN842F CN842
CN841F CN841
CN840F CN840
CN839F CN839
BW RLCN838
CN1030CN30
CN1003CN3
CN1017CN17
CN1041CN41
BW RLCN837
CN1031CN31
CN1004CN4
CN1016CN16
CN1040CN40
BW LRCN836
CN1032CN32
CN1002CN2
CN1014CN14
CN1038CN38
CN1034 C N3 4CSRR
COVER
SENSOR RR
CN1035 C N3 5CSRL
COVER
SENSOR RL
CN1037 C N3 7CSLR
COVER
SENSOR LR
CN1036 C N3 6CSLL
COVER
SENSOR LL
BW LLCN835
CN1033CN33
CN1001CN1
CN1015CN15
CN1039CN39
DRV IO PCB(1/4)
SET SENSOR R
5
7
46
8 8 8 8
9
10 11 12
9 121110
8888
COVER
SENSOR LL
CSLL CN36CN1036
COVER
SENSOR LR
CSLR CN37CN1037
COVER
SENSOR RL
CSRL CN35CN1035
COVER
SENSOR RR
CSRR CN34CN1034
21 22 23 24
25
13
14
15
16
17
18
19
20
26
36
37
27
38
28
39
29
40
30
36
31
37
32
38
33
39
34
40
35
12
21
22 23 24
13
3
42
41
43
3
44
41
15
45
46 47

- 76 -
REF.NO NOTE PART NO D E S C R I P T I O N
品 名
Qty
1 401-33425 SHORT CONNECTOR(L) ASM
ショートコネクタ(L)組
1
2 401-33426 SHORT CONNECTOR(R) ASM
ショートコネクタ(R)組
1
3 401-34952 BW FEEDER-L CABLE ASM
BW FEEDER−Lケーブル組
1
4 401-16276 SET SENSOR L ASM
SETセンサL組
1
5 401-16278 SET SENSOR L RELAY CABLE ASM
SETセンサLリレーケーブル組
1
6 401-16277 SET SENSOR R ASM
SETセンサR組
1
7 401-16279 SET SENSOR R RELAY CABLE ASM
SETセンサRリレーケーブル組
1
8 HD-0017100-00 SENSOR
フォトインタラプタ
1
9 401-16280 COVER SENSOR LL RELAY CABLE ASM
カバーセンサLLリレーケーブル組
1
10 401-16281 COVER SENSOR LR RELAY CABLE ASM
カバーセンサLRリレーケーブル組
1
11 401-16282 COVER SENSOR RL RELAY CABLE ASM
カバーセンサRLリレーケーブル組
1
12 401-16283 COVER SENSOR RR RELAY CABLE ASM
カバーセンサRRリレーケーブル組
1
13 401-16275 LL BW FEEDER CABLE RELAY ASM
LL BW フィーダケーブルリレー組
1
14 401-16274 LL BW FEEDER CABLE ASM
LL BW フィーダケーブル組
1
15 401-16289 LR BW FEEDER CABLE RELAY ASM
LR BW フィーダケーブルリレー組
1
16 401-16288 LR BW FEEDER CABLE ASM
LR BW フィーダケーブル組
1
17 401-16291 RL BW FEEDER CABLE RELAY ASM
RL BW フィーダケーブルリレー組
1
18 401-16290 RL BW FEEDER CABLE ASM
RL BW フィーダケーブル組
1
19 401-16293 RR BW FEEDER CABLE RELAY ASM
RR BW フィーダケーブルリレー組
1
20 401-16292 RR BW FEEDER CABLE ASM
RR BW フィーダケーブル組
1
21 401-16310 LL DOG FG CABLE ASM
LL DOG FG ケーブル組
1
22 401-16311 LR DOG FG CABLE ASM
LR DOG FG ケーブル組
1
23 401-16312 RL DOG FG CABLE ASM
RL DOG FG ケーブル組
1
24 401-16313 RR DOG FG CABLE ASM
RR DOG FG ケーブル組
1
25 401-16314 BF CN BRACKET CABLE ASM
BF CN ブラケットケーブル組
1
26 401-16295 F RADIAL SV CABLE 1 ASM
F RADIAL SV ケーブル1組
1
27 401-16296 F RADIAL SV CABLE 2 ASM
F RADIAL SV ケーブル2組
1
28 401-16297 F RADIAL SV CABLE 3 ASM
F RADIAL SV ケーブル3組
1
29 401-16298 F RADIAL SV CABLE 4 ASM
F RADIAL SV ケーブル4組
1
30 401-16299 F RADIAL SV CABLE 5 ASM
F RADIAL SV ケーブル5組
1
31 401-16300 R RADIAL SV CABLE 1 ASM
R RADIAL SV ケーブル1組
1
32 401-16301 R RADIAL SV CABLE 2 ASM
R RADIAL SV ケーブル2組
1
33 401-16302 R RADIAL SV CABLE 3 ASM
R RADIAL SV ケーブル3組
1
34 401-16303 R RADIAL SV CABLE 4 ASM
R RADIAL SV ケーブル4組
1
35 401-16304 R RADIAL SV CABLE 5 ASM
R RADIAL SV ケーブル5組
1
36 401-16305 RADIAL CB CABLE 1 ASM
RADIAL CB ケーブル1組
1
37 401-16306 RADIAL CB CABLE 2 ASM
RADIAL CB ケーブル2組
1
38 401-16307 RADIAL CB CABLE 3 ASM
RADIAL CB ケーブル3組
1
39 401-16308 RADIAL CB CABLE 4 ASM
RADIAL CB ケーブル4組
1
40 401-16309 RADIAL CB CABLE 5 ASM
RADIAL CB ケーブル5組
1
41 401-46342 R BW FEEDER CABLE ASM
R BWフィーダケーブル組
1
42 401-46343 BW FEEDER CABLE RELAY 2 (F) ASM
BW フィーダケーブルリレー2(F)組
1
43 401-34954 BW FEEDER-L CABLE RELAY 1 (R)ASM
BW FEEDER−Lケーブルリレー1(R)組
1
44 401-46345 BW FEEDER CABLE RELAY 2 (R) ASM
BW フィーダケーブルリレー2(R)組
1
45 401-46344 BW FEEDER-R CABLE RELAY 1 (R)ASM
BW FEEDER−Rケーブルリレー1(R)組
1
46 401-46754 F BF CN BRACKET CABLE ASM
F BF CNブラケットケーブル組
1
47 401-46755 R BF CN BRACKET CABLE ASM
R BF CNブラケットケーブル組
1

- 77 -
39.SYSTEM DIAGRAM (POWER-UNIT ST 1/2)
SYSTEM DIAGRAM(POWER − UNIT ST 1/2)
FUJI CP52BS/015
CP2 7
5A
FUJI CP53BS/020
CP1 7
5A
P&B W28XQ1A-6CP14 6A
P&B W28XQ1A-6CP13 6A
TF1-100-1
TF1-100/0-1
N.C.
N.C.5
6
AC100N2
(VACUUM PUMP)
N.C.
N.C.
AC100L
CN096
1
3
4
ACN1(A)
002:2C
G7J-4A-B(DC24V)
AWG22 AWG22
AWG22
AWG20
AWG20
AWG20
-V
-V
+V
+V
2
4
1
3
2
4
1
3
PS6
24V
60W
COSEL LCA50S-24Y
CN2CN1
5
4
2
3
1
FG5
N.C.4
N.C.
AC(N)
AC(L)
2
3
1
Y SERVO AMP CTRL POWER
Y SERVO AMP CTRL POWER
X SERVO AMP MAIN POWER
Y SERVO AMP MAIN POWER
CN099
L11
L123
1
6
3
AWG20
(VOLTAGE CHECK)
(ZT-DRIVER POWER)
+24VZRTN
+24VZ
CN098
1
2
+24VZRTN
+24VZRTN
+24VZ
+24VZ
CN097
1
2
3
4
002:3B P S 6-FG
002:3D ACL1(D)
002:3D ACL1(D)
IDEC NRW10-3A
CP8 3A
TB2(1/4)
2
1
LOADLINE
LOADLINE
(XY-DRV POWER)
ACT2
ACS2
ACR2
ACT2
ACS2
ACR2
L11
L124
2
TB1
1
2
A3
A2
A1
B1
B2
B3
D2
44 43
A2 A1
14 13
24 23
34 33
RL2
4
5
7
TF1-200/U
TF1-200/V
TF1-200/W
TF1-34/0
TF1-34
TF1
POWER-PCB(1/2)
POWER-UNIT INSIDE
002:3C ACN1(B)
002:3C ACL1(B)
ACL1(A)
002:2CTF1-100-2
TF1-100/0-2
CN001
Z/T POWER PCB
+48V
+48V
+48V
+48VRTN
+48VRTN
TB2
AC34V_N1
TB1
AC34V_L1
TB3
5
4
3
2
1
FUJI CP51BS/020
CP5 20A
+48UNRTN(B)8
TB7
+48UNRTN(A)
+48UNRTN(C)
7
9
+48UN
+48UN
5
6
CN037
1+24V1
3
2
+24VRTN
FAN_STOP
3
2
TB7
+48UN(A)
+48UN(A)
2
1
CN035
1
2
SV_ON11
+24VRTN
1
2
+48UN(B)
+48UN(B)
4
3
43 44
33 34
23 24
G7J-4A-T(24V)
D4
A2
13
A1
14
RL4
5
6
SV_ON11
+24VRTN
5
6
3
4
SV_ON11
+24VRTN
3
4
POWER-UNIT FAN
TB5
ACN1(C)
ACL1(C)
2
1
FAN
D1
1
6
2
0
8
4
CN036
1
2
CARRY_SV_ON
+24VRTN
1
2
G7L-2A-BUBJ(24V)
RL1
TB5
ACN1(B)
ACL1(B)
4
3
4
3
1
2
5
4
10
9
20
11 26
18
19
22
23
27
21
24
16
17
2515
13
12
14
7
3
6
8
RL6
4
8
6
1
0
2
D6
CN090
+24V
N.C.
VAC_PUMP_ON
(to BASE PCB)
1
2
3
G7L-2A-BUBJ(DC24V)
28