JM-10-Rev03 - 第85页
- 80 - REF.NO NOTE PART NO D E S C R I P T I O N 品 名 Qty 1 401-0726 0 R3E CABLE ASM R3E ケーブル組 1 2 401-07265 TB2-815 CA BLE ASM TB2−815 ケーブル組 1 3 401-07264 TB2-613 CA BLE ASM TB2−613 ケーブル組 1 4 401-07271 PS6CN1 CABLE ASM P…

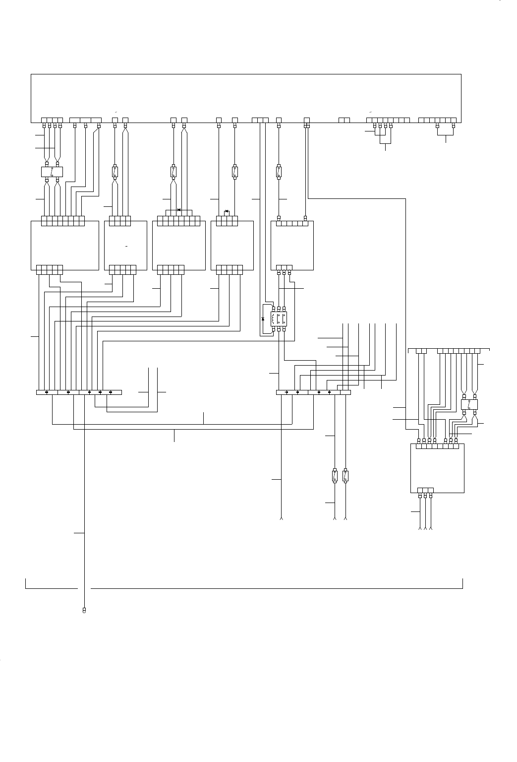
- 79 -
40.SYSTEM DIAGRAM (POWER-UNIT ST 2/2)
SYSTEM DIAGRAM(POWER − UNIT ST 2/2)
+24VM
+24VM
+24VM
+24VM
4
3
2
1
FUJI CP51BS/025
CP15 25A
+24VMRTN
+24VMRTN
+24VMRTN
+24VMRTN
8
7
6
5
P&B W28XQ1A-12CP4 12A
P&B W28XQ1A-12CP3 12A
+24VMRTN
(VOLTAGE CHECK)
(MI POWER)
+24VM
CN095
2
1
CN094
+V
+V
-V
-V
-V
+V
-V
+V
002:3B P S8 - F G
002:3C ACL1(E)
002:3C ACL1(E)
PS
8
24V
600W
COSEL ADA600F-24
N
FG
L
ACL1(E)
ACN1(E)
002:2D
002:2D
002:2D
PS8-FG
001:2D
001:2B
001:2B
ACL1(A)
ACN1(A)
002:3C ACL1(C)
(SAFETY UNIT POWER)
+24VSRTN
+24VS
TB6
2
4
+24VRTN7
-12VRTN
+12VRTN5
6
GND(A)
GND(A)3
4
GND(A)
GND(B)
TB2
1
2
+24V
-12V7
8
+12V
+5VR5
6
+5VR
+5V3
4
+5V
+3
3V
TB1
1
2
88
77
5
6
5
6
1
2
3
4
1
2
3
4
COSEL LCA100S-5Y
PS
2
+5V
100W
5
4
2
3
1
-V
-V
-V
-V
+V
+V
+V
+V
CN2
CN1
FG5
N.C.4
N.C.
AC(N)
AC(L)
2
3
1
001:2B
ACL1(B)
D5
POWER-PCB(2/2)
POWER-UNIT INSIDE
R3-E
001:2D
PS6-FG
001:2D
ACN1(D)
001:2D
ACL1(D)
TB2(2/4)
TB2(3/4)
001:2B
ACN1(B)
002:2C
ACL1(C)
6
2
8
4
10
11
10
9
8
7
6
5
19
18
17
16
15
14
13
12
G7L-2A-BUBJ(12V)
RL5
+24VON121
+12VRTN2
N.C.
CN034
3
+24VRTN
+24V
IDEC NRW10-15A
CP11 15A
COSEL LCA50S-12Y
-12VRTN
-12V
IDEC NRW10-3A
CP10 3A
IDEC NRW10-8A
CP9 8A
+12VRTN
+12V
-V
-V
+V
+V
+V
+V
-V
-V
88
77
1
2
3
5
4
6
1
2
3
5
4
6
GND
GND
GND
+5V
+5V
+5V
+5V
COSEL LCA50S-3
FUJI CP51BS/020
CP6 20A
IDEC NRW10-3A
CP7 3A
GND
+3
3V
TB3
8
TB4
7
TB3
TB4
6
7
TB4
5
TB3
6
TB4
3
4
2
TB3
TB3
TB4
1
1
5
4
2
3
-V 1
-V 2
PS
1
24V
300W
COSEL LDA300W-24
-V
+V
+V
TB2
+V
3
5
4
6
TB1
AC(N)
FG
AC(L)
2
3
1
PS
4
12V
50W
+V
+V
-V
CN2
-V
2
4
1
3
2
4
1
3
CN1
5
4
2
3
1
FG5
N.C.4
N.C.
AC(N)
AC(L)
2
3
1
PS
7
12V
100W
COSEL LCA100S-12Y
CN2CN1
5
4
2
3
1
FG5
N.C.4
N.C.
AC(N)
AC(L)
2
3
1
PS
5
3
3V
30W
+V
+V
-V
CN2
-V
3
1
4
2
3
1
4
2
CN1
FG5
N.C.4
N.C.
AC(N)
AC(L)
2
3
1
5
4
2
3
1
1
2
3
4 5
16
17
20
21
5
32
31
30
28
29
54
16
23
24
6
7
8 9 18
13
10 14 15 22 19
11
12
25
26
27

- 80 -
REF.NO NOTE PART NO D E S C R I P T I O N
品 名
Qty
1 401-07260 R3E CABLE ASM
R3E ケーブル組
1
2 401-07265 TB2-815 CABLE ASM
TB2−815 ケーブル組
1
3 401-07264 TB2-613 CABLE ASM
TB2−613 ケーブル組
1
4 401-07271 PS6CN1 CABLE ASM
PS6CN1 ケーブル組
1
5 401-16315 PS8 IN CABLE ASM
PS8 インケーブル組
1
6 400-45333 PS2-CN1 CABLE ASM
PS2−CN1 ケーブル組
1
7 400-45334 PS5-CN1 CABLE ASM
PS5−CN1 ケーブル組
1
8 400-45335 PS7-CN1 CABLE ASM
PS7−CN1 ケーブル組
1
9 400-45336 PS4-CN1 CABLE ASM
PS4−CN1 ケーブル組
1
10 401-07261 PS2-CN2 CABLE ASM
PS2−CN2 ケーブル組
1
11 400-45342 CP6-TB3 CABLE ASM
CP6−TB3 ケーブル組
1
12 400-45368 CP6OUTPUT2 CABLE ASM
CP6OUTPUT2 ケーブル組
1
13 400-45344 PS5-CP7 CABLE ASM
PS5−CP7 ケーブル組
1
14 400-45346 PS7-CP9 CABLE ASM
PS7−CP9 ケーブル組
1
15 400-45348 PS4-CP10 CABLE ASM
PS4−CP10 ケーブル組
1
16 401-07277 TB2-115 CABLE ASM
TB2−115 ケーブル組
1
17 400-45337 RL5-PS1 CABLE ASM
RL5−PS1 ケーブル組
1
18 400-45354 RL5-PS1 CABLE ASM
RL5−PS1 ケーブル組
1
19 400-45350 PS1-CP11 CABLE ASM
PS1−CP11 ケーブル組
1
20 401-07275 CP3/4 IN CABLE ASM
CP3/4 インケーブル組
1
21 401-07276 CP3/4 OUT CABLE ASM
CP3/4 アウトケーブル組
1
22 400-45352 CN034 CABLE ASM
CN034 ケーブル組
1
23 401-07278 TB2-111 CABLE ASM
TB2−111 ケーブル組
1
24 400-45357 TB2-103 CABLE ASM
TB2−103 ケーブル組
1
25 400-25578 5V SHORT CABLE 1 ASM
5Vショート束線1組
1
26 400-25579 5V SHORT CABLE 2 ASM
5Vショート束線2組
1
27 400-76777 TB2 CABLE ASM
TB2 ケーブル組
1
28 401-16317 24VM RTN CABLE ASM
24VM RTN ケーブル組
1
29 401-16316 24VM CHK CABLE ASM
24VM CHK ケーブル組
1
30 401-16318 CP15 IN CABLE 1 ASM
CP15 インケーブル1組
1
31 401-16319 CP15 IN CABLE 2 ASM
CP15 インケーブル2組
1
32 401-16320 CP15 OUT CABLE ASM
CP15 アウトケーブル組
1

- 81 -
41.SYSTEM DIAGRAM (POWER-UNIT EN 1/2)
SYSTEM DIAGRAM(POWER − UNIT EN 1/2)
TF1
TF1-100-1
TF1-100/0-1
N.C.
N.C.5
6
AC100N2
(VACUUM PUMP)
N.C.
N.C.
AC100L
CN096
1
3
4
SAFETY-UNIT
K3-4
K3-2
Y SERVO AMP CTRL POWER
Y SERVO AMP CTRL POWER
CN099
L11
L123
1
L11
L124
2
X SERVO AMP MAIN POWER
Y SERVO AMP MAIN POWER
5
4
ACT2
ACS2
ACR2
ACT2
ACS2
ACR2
A3
A2
A1
B1
B2
B3
11
9
10
K2-1
K2-3
K2-5
TF1-200/U
TF1-200/V
TF1-200/W
TF1
8
(XY-DRV POWER)
TB1
1
2
3
6
7
K1-1
K1-3
K1-5
SAFETY-UNIT
CN001
LOADLINE
FUJI CP53BS/020
CP1 7
5A
002:3B PS6-FG
002:3D ACL1(D)
002:3D ACL1(D)
ACN1(A)
002:2C
AWG22 AWG22
AWG22
AWG20
AWG20
AWG20
-V
-V
+V
+V
2
4
1
3
2
4
1
3
PS6
24V
60W
COSEL LCA50S-24Y
CN2CN1
5
4
2
3
1
FG5
N.C.4
N.C.
AC(N)
AC(L)
2
3
1
AWG20
(VOLTAGE CHECK)
(ZT-DRIVER POWER)
+24VZRTN
+24VZ
CN098
1
2
+24VZRTN
+24VZRTN
+24VZ
+24VZ
CN097
1
2
3
4
IDEC NRW10-3A
CP8 3A
LOADLINE
FUJI CP52BS/015
CP2 7
5A
POWER-PCB(1/2)
POWER-UNIT INSIDE
002:3C ACN1(B)
002:3C ACL1(B)
ACL1(A)
002:2CTF1-100-2
TF1-100/0-2
TB2(1/3)
Z/T POWER PCB
+48V
+48V
+48V
+48VRTN
+48VRTN
TB2
AC34V_N1
TB1
AC34V_L1
TB3
5
4
3
2
1
FUJI CP51BS/020
CP5 20A
+48UNRTN(B)8
TB7
+48UNRTN(A)
+48UNRTN(C)
7
9
+48UN
+48UN
5
6
CN037
1+24V1
3
2
+24VRTN
FAN_STOP
3
2
TB7
+48UN(A)
+48UN(A)
2
1
CN035
1
2
SV_ON11
+24VRTN
1
2
+48UN(B)
+48UN(B)
4
3
5
6
SV_ON11
+24VRTN
5
6
3
4
SV_ON11
+24VRTN
3
4
POWER-UNIT FAN
TB5
ACN1(C)
ACL1(C)
2
1
FAN
CN036
1
2
CARRY_SV_ON
+24VRTN
1
2
TB5
ACN1(B)
ACL1(B)
4
3
4
3
2
1
1
6
7
4
10
8
11
13
19
17
18
23
3
5
9
12
14
15
16
20
22
24
21
CP13 6A P&B W28XQ1A-6
CP14 6A P&B W28XQ1A-6
25
G7L-2A-BUBJ(DC24V)
3
2
1
(toBASEPCB)
VAC_PUMP_ON
N.C.
+24V
CN090
D6
2
0
1
6
8
4
RL6
2