JM-10-Rev03 - 第88页
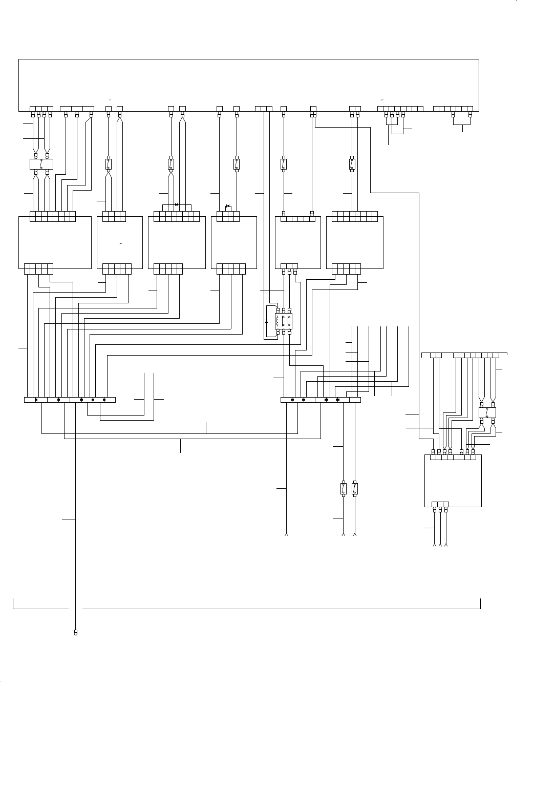
- 83 - 42. SYSTEM DIAGRAM (POWER-UNIT EN 2/2) SYSTEM DIAGRA M(POWER − UNIT EN 2/2 ) +24VM +24VM +24VM +24VM 4 3 2 1 FUJI CP51BS/025 CP15 25A +24VM RTN +24VM RTN +24VM RTN +24VM RTN 8 7 6 5 ACL1(E) ACN1(E) 002: 2D 002: 2D…

- 82 -
REF.NO NOTE PART NO D E S C R I P T I O N
品 名
Qty
1 401-07273 CP13/14 IN CABLE ASM
CP13/14 インケーブル組
1
2 401-51157 VAC PWR CBL 1 ASM
VACパワーケーブル1組
1
3 401-51158 VAC PWR CBL 2 ASM
VACパワーケーブル2組
1
4 401-07269 K2-TB1 CABLE ASM
K2−TB1 ケーブル組
1
5 400-45374 TB1-CN001 CABLE ASM
TB1−CN001 ケーブル組
1
6 401-07268 K1-TB1 CABLE ASM
K1−TB1 ケーブル組
1
7 401-07256 CP1 CABLE ASM
CP1 ケーブル組
1
8 400-45355 CP1-TB1 CABLE ASM
CP1−TB1 ケーブル組
1
9 401-07270 CN099-TB1 CABLE ASM
CN099−TB1 ケーブル組
1
10 401-07275 CP3/4 IN CABLE ASM
CP3/4 インケーブル組
1
11 401-07278 TB2-111 CABLE ASM
TB2−111 ケーブル組
1
12 400-45316 ACFAN CABLE ASM
ACFAN ケーブル組
1
13 400-45357 TB2-103 CABLE ASM
TB2−103 ケーブル組
1
14 400-45358 TB2-TB5 CABLE ASM
TB2−TB5 ケーブル組
1
15 400-45319 TB5-TB2 CABLE ASM
TB5−TB2 ケーブル組
1
16 400-45339 CN037 CABLE ASM
CN037 ケーブル組
1
17 401-07267 K3-CP2 CABLE ASM
K3−CP2 ケーブル組
1
18 400-45322 CP-TB CABLE ASM
CP−TB ケーブル組
1
19 400-76937 ZT POWER PCB ASM
ZT パワー基板組
1
20 400-45323 TB3-TB7 CABLE ASM
TB3−TB7 ケーブル組
1
21 400-45324 TB3-CP5 CABLE ASM
TB3−CP5 ケーブル組
1
22 401-07272 CP5-TB7 CABLE ASM
CP5−TB7 ケーブル組
1
23 401-07271 PS6CN1 CABLE ASM
PS6CN1 ケーブル組
1
24 401-07263 PS6CN2 CABLE ASM
PS6CN2 ケーブル組
1
25 401-51159 VAC PWR CBL 3 ASM
VACパワーケーブル3組
1

- 83 -
42.SYSTEM DIAGRAM (POWER-UNIT EN 2/2)
SYSTEM DIAGRAM(POWER − UNIT EN 2/2)
+24VM
+24VM
+24VM
+24VM
4
3
2
1
FUJI CP51BS/025
CP15 25A
+24VMRTN
+24VMRTN
+24VMRTN
+24VMRTN
8
7
6
5
ACL1(E)
ACN1(E)
002:2D
002:2D
002:2D
PS8-FG
+24VMRTN
(VOLTAGE CHECK)
(MI POWER)
+24VM
CN095
2
1
CN094
+V
+V
-V
-V
-V
+V
-V
+V
002:3B P S 8 - F G
002:3C ACL1(E)
002:3C ACL1(E)
PS
8
24V
600W
COSEL ADA600F-24
N
FG
L
P&B W28XQ1A-12CP4 12A
P&B W28XQ1A-12CP3 12A
001:2B
001:2B
ACL1(A)
ACN1(A)
IDEC NRW10-3A
CP12 3A
-V
-V
+V
+V
+V
+V
-V
-V
88
77
1
2
3
5
4
6
1
2
3
5
4
6
PS
3
24V
100W
COSEL LCA100S-24Y
CN2CN1
5
4
2
3
1
FG5
N.C.4
N.C.
AC(N)
AC(L)
2
3
1
002:3C ACL1(C)
(SAFETY UNIT POWER)
+24VSRTN
+24VS
TB6
2
4
+24VRTN7
-12VRTN
+12VRTN5
6
GND(A)
GND(A)3
4
GND(A)
GND(B)
TB2
1
2
+24V
-12V7
8
+12V
+5VR5
6
+5VR
+5V3
4
+5V
+3
3V
TB1
1
2
88
77
5
6
5
6
1
2
3
4
1
2
3
4
COSEL LCA100S-5Y
PS
2
+5V
100W
5
4
2
3
1
-V
-V
-V
-V
+V
+V
+V
+V
CN2
CN1
FG5
N.C.4
N.C.
AC(N)
AC(L)
2
3
1
001:2B
ACL1(B)
D5
POWER-PCB(2/2)
POWER-UNIT INSIDE
R3-E
001:2D
PS6-FG
001:2D
ACN1(D)
001:2D
ACL1(D)
TB2(2/3)
TB2(3/3)
001:2B
ACN1(B)
002:2C
ACL1(C)
6
2
8
4
10
11
10
9
8
7
6
5
19
18
17
16
15
14
13
12
G7L-2A-BUBJ(12V)
RL5
+24VON121
+12VRTN2
N.C.
CN034
3
+24VRTN
+24V
IDEC NRW10-15A
CP11 15A
COSEL LCA 50S-12Y
-12VRTN
-12V
IDEC NRW10-3A
CP10 3A
IDEC NRW10-8A
CP9 8A
+12VRTN
+12V
-V
-V
+V
+V
+V
+V
-V
-V
88
77
1
2
3
5
4
6
1
2
3
5
4
6
GND
GND
GND
+5V
+5V
+5V
+5V
COSEL LCA50S-3
FUJI CP51BS/020
CP6 20A
IDEC NRW10-3A
CP7 3A
GND
+3
3V
TB3
8
TB4
7
TB3
TB4
6
7
TB4
5
TB3
6
TB4
3
4
2
TB3
TB3
TB4
1
1
5
4
2
3
-V 1
-V 2
PS
1
24V
300W
COSEL LDA300W-24
-V
+V
+V
TB2
+V
3
5
4
6
TB1
AC(N)
FG
AC(L)
2
3
1
PS
4
12V
50W
+V
+V
-V
CN2
-V
2
4
1
3
2
4
1
3
CN1
5
4
2
3
1
FG5
N.C.4
N.C.
AC(N)
AC(L)
2
3
1
PS
7
12V
100W
COSEL LCA100S-12Y
CN2CN1
5
4
2
3
1
FG5
N.C.4
N.C.
AC(N)
AC(L)
2
3
1
PS
5
3
3V
30W
+V
+V
-V
CN2
-V
3
1
4
2
3
1
4
2
CN1
FG5
N.C.4
N.C.
AC(N)
AC(L)
2
3
1
5
4
2
3
1
1
2
3
4
5
16
22
21
5
30
31
29
28
27
45
16
23
24
17
6
7
8 9 18
25
10
11
12
13
14 15 20 19 26
34
33
32

- 84 -
REF.NO NOTE PART NO D E S C R I P T I O N
品 名
Qty
1 401-07260 R3E CABLE ASM
R3E ケーブル組
1
2 401-07265 TB2-815 CABLE ASM
TB2−815 ケーブル組
1
3 401-07264 TB2-613 CABLE ASM
TB2−613 ケーブル組
1
4 401-07271 PS6CN1 CABLE ASM
PS6CN1 ケーブル組
1
5 401-16315 PS8 IN CABLE ASM
PS8 インケーブル組
1
6 400-45333 PS2-CN1 CABLE ASM
PS2−CN1 ケーブル組
1
7 400-45334 PS5-CN1 CABLE ASM
PS5−CN1 ケーブル組
1
8 400-45335 PS7-CN1 CABLE ASM
PS7−CN1 ケーブル組
1
9 400-45336 PS4-CN1 CABLE ASM
PS4−CN1 ケーブル組
1
10 401-07261 PS2-CN2 CABLE ASM
PS2−CN2 ケーブル組
1
11 400-45342 CP6-TB3 CABLE ASM
CP6−TB3 ケーブル組
1
12 400-45368 CP6OUTPUT2 CABLE ASM
CP6OUTPUT2 ケーブル組
1
13 400-45344 PS5-CP7 CABLE ASM
PS5−CP7 ケーブル組
1
14 400-45346 PS7-CP9 CABLE ASM
PS7−CP9 ケーブル組
1
15 400-45348 PS4-CP10 CABLE ASM
PS4−CP10 ケーブル組
1
16 401-07277 TB2-115 CABLE ASM
TB2−115 ケーブル組
1
17 400-45337 RL5-PS1 CABLE ASM
RL5−PS1 ケーブル組
1
18 400-45354 RL5-PS1 CABLE ASM
RL5−PS1 ケーブル組
1
19 400-45350 PS1-CP11 CABLE ASM
PS1−CP11 ケーブル組
1
20 400-45352 CN034 CABLE ASM
CN034 ケーブル組
1
21 401-07275 CP3/4 IN CABLE ASM
CP3/4 インケーブル組
1
22 401-07276 CP3/4 OUT CABLE ASM
CP3/4 アウトケーブル組
1
23 401-07278 TB2-111 CABLE ASM
TB2−111 ケーブル組
1
24 400-45357 TB2-103 CABLE ASM
TB2−103 ケーブル組
1
25 400-45362 PS3-CN1 CABLE ASM
PS3−CN1 ケーブル組
1
26 400-45363 PS3-CN2 CABLE ASM
PS3−CN2 ケーブル組
1
27 401-16317 24VM RTN CABLE ASM
24VM RTN ケーブル組
1
28 401-16316 24VM CHK CABLE ASM
24VM CHK ケーブル組
1
29 401-16318 CP15 IN CABLE 1 ASM
CP15 インケーブル1組
1
30 401-16319 CP15 IN CABLE 2 ASM
CP15 インケーブル2組
1
31 401-16320 CP15 OUT CABLE ASM
CP15 アウトケーブル組
1
32 400-25578 5V SHORT CABLE 1 ASM
5Vショート束線1組
1
33 400-25579 5V SHORT CABLE 2 ASM
5Vショート束線2組
1
34 400-76777 TB2 CABLE ASM
TB2 ケーブル組
1