JM-10-Rev03 - 第91页
- 86 - REF.NO NOTE PART NO D E S C R I P T I O N 品 名 Qty 1 401-07284 SAFETY U 901 CABL E ASM(EN) 安全ユニット 901 ケーブル組(EN) 1 2 HB-0015800-00 RELAY リレー 1 3 401-07285 SAFETY U 910 CABL E ASM(EN) 安全ユニット 910 ケーブル組(EN) 1 4 401-072…

- 85 -
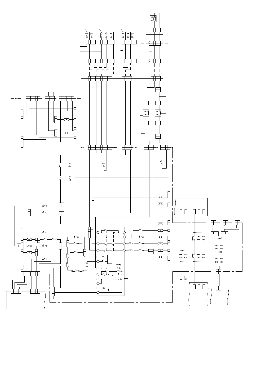
43.SYSTEM DIAGRAM (SAFETY-UNIT EN)
SYSTEM DIAGRAM(SAFETY − UNIT EN)
CN933
22
11
CN932
22
11
2
1
POWER UNIT
AC100V(N) 2
CN004
AC100V(L) 1
4
3
2
1
4
3
2
1
BASE PCB
COVER
BASE PCB
10
9
8
7
6
4
5
3
2
1
10
9
24
12
23
11
CN01
24
12
23
11
4
3
2
1
CN21CN521
4
3
2
1
CN518
24
23
22
21
CN931
CN929
22
11
CN930
22
11
CN44 CN544
CN39
CN32
CN35
CN43CN543 ROP_CN7
6
5
4
3
2
1
6
5
4
3
2
1
4
2
3
1
FOP_CN7
CN493
CN539
CN532
6
6
55
44
33
22
11
44
33
22
11
(TF1-200/T)
TB2-5
TB2-4
TB2-2
(TF1-200/S)
(TF1-200/R)
TB2-10
TB2-8
TB2-6
CP2-N
CP2-L
4
3
2
1
4
3
2
1
T18
T14
K11
POWER UNIT
HOD_EMG
22
11
CN18
24
23
22
21
R_EMG
22
12
21
11
F_EMG
22
12
21
11
CN928
22
11
COVER OPEN SW(R)
66
55
44
33
22
11
COVER OPEN SW(F)
MAINTENANCE KEY
66
55
44
33
22
11
44
33
22
11
4
2
3
1
8
7
6
4
5
3
2
1
CN535
P80
P79
P78
P77
P76
P75
P74
T12
JJ
T6
CBJA
0
1
K13
BACT22
J
T21BAC
0
1
K12
T11
CBA
CBA
66
55
CN912
44
33
22
11
CN910
44
33
22
11
T5
66
55
CN911
44
33
22
11
J
CBA
P21
P20
P19
3334
K12
3334
K13
4344
K12
4443
K13
P72
T4
P10
P10
P11
P73
P72
P71
P70
P68
P35
P33
P29
P11
P11
P10
3433
K9
CN909
44
33
22
11
CN904
44
22
33
11
CN903
CN902
44
33
22
11
4443
K9
10
5
9
4
8
3
7
2
6
1
10
5
9
4
8
3
7
2
6
1
J
0
1
K10
0
1
K8
B
T10
AC
D
C
J
T24
T15
A
B
44
43
K8
34
33
K8
T23
D
A
J
C
B
J
B
A
C
B
P50
P36
P37
P38
P39
P40 P41
P42
P43
P44
P45
P46
P47
P48
P49
P51
P52
P53P54
P55
P56
P57
P58
P59
P60
P61 P62
P63
P64
P65
P66
P67
P69
CN906
2
1
2
1
(from MAIN TR ANSFORMER)
POWER UNIT
T26
T25
CN907
2
1
2
1
CN908
2
1
2
1
A
B
C
A
B
C
D
D
CN905
2
1
2
1
K5
34
K5
12
K4
43
K4
21
K2
56
K2
34
K2
12
TF1-34/0
TF1-34
K1
65
K1
43
K1
21
K3
43
K3
21
SAFETY RELAY
P34
P32
P31
P30
P28P27P26P25P23P24
J
0
1
K9
AB
C
34
33
K11
23
24
T9
CBJA
A1
A2
K4
A1
A2
K5
J
K7
43
44
44
43
K6
T8
CJ
A1
A2
K3
A
A1
A2
K2
CB
A
B
A1
A2
K1
K7
23
24
24
23
K6
P22
K1
3231
K2
3132
T20
ABC
T19
CAB
34
33
K7
34
33
K6
44
43
K11
2122
K5
22
21
K4
31
32
K3
P07
P09
P08
BA
42342414
41
332313
K2 K1
T32T31
Control
Circuit
a
K2
T22
a
K1
K1
T12
43
44
K10
CBA
T11T21
TH
SA
T3
CBAJ
P18
P17
P16
P15
P14
AB
23
24
K8
B
T17
C
23
24
K9
34
33
K10
A
T16C
P13
P120
1
K11
T4
A
P06
P05
P04
P03
P02
P01
0
1
K7
T2
JC
0
1
K6
JC
T13
CBA
14
13
K1
-
A2
+
A1
T7
T1
JC
BA
8
7
6
5
4
3
2
1
CN901
8
7
6
5
4
3
2
1
4
3
2
1
POWER UNIT
CARRY SV ON1
SERVO ON1
POWER MONITOR(-)
CN023
POWER MONITOR(+)
+24VRTN 4
+24VRTN 3
+24V 2
CN022
+24V 1
1
2
4
5
7
6
8
3
16
17
18
19
20 21 21
9
10
12
11
15
14
13
22

- 86 -
REF.NO NOTE PART NO D E S C R I P T I O N
品 名
Qty
1 401-07284 SAFETY U 901 CABLE ASM(EN)
安全ユニット 901 ケーブル組(EN)
1
2 HB-0015800-00 RELAY
リレー
1
3 401-07285 SAFETY U 910 CABLE ASM(EN)
安全ユニット 910 ケーブル組(EN)
1
4 401-07290 SAFETY U ZT PWR CABLE ASM(EN)
安全ユニット ZT PWR ケーブル組(EN)
1
5 401-07267 K3-CP2 CABLE ASM
K3−CP2 ケーブル組
1
6 401-07268 K1-TB1 CABLE ASM
K1−TB1 ケーブル組
1
7 401-07269 K2-TB1 CABLE ASM
K2−TB1 ケーブル組
1
8 401-07283 SAFETY U 100V CABLE ASM(EN)
安全ユニット 100V ケーブル組(EN)
1
9 401-07279 SAFETY U 902 CABLE ASM(EN)
安全ユニット 902 ケーブル組(EN)
1
10 401-07280 SAFETY U 903 CABLE ASM(EN)
安全ユニット 903 ケーブル組(EN)
1
11 401-07288 EMG SW F CABLE B ASM(EN)
非常停止スイッチ F ケーブルB組(EN)
1
12 401-07286 EMG SW F CABLE A ASM(EN)
非常停止スイッチ F ケーブルA組(EN)
1
13 401-07289 EMG SW R CABLE B ASM(EN)
非常停止スイッチ R ケーブルB組(EN)
1
14 401-06697 EMG SW R ASM(EN)
非常停止スイッチ(R)組(EN)
1
15 401-07287 EMG SW R CABLE A ASM(EN)
非常停止スイッチ R ケーブルA組(EN)
1
16 401-07215 KEY SW CABLE ASM
キースイッチケーブル組
1
17 401-07202 F-COPEN SWITCH RELAY CABLE ASM
F−COPEN スイッチリレーケーブル組
1
18 401-07204 R-COPEN SWITCH RELAY CABLE ASM
R−COPEN スイッチリレーケーブル組
1
19 401-07255 HOD IF CABLE ASM
HOD IFケーブル組
1
20 401-06703 KEY SW CABLE ASM(EN)
キースイッチケーブル組(EN)
1
21 400-02254 COVER OPEN SW CABLE ASM
カバーオープンスイッチケーブル組
1
22 401-06696 EMG SW F ASM(EN)
非常停止SW(F)組(EN)
1

䢢
Notes