P-250-003e - 第110页
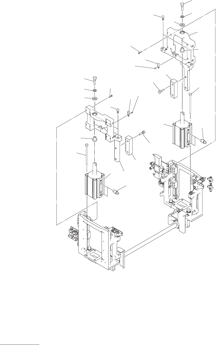
MODEL GXH-1J 0909-002 108 位置決め部 POSITIONING SECTION Fig. J-2 駆動部 Driving Section � � � � � � � � 106 108 109 129 1 16 152 156 156 152 151 151 153 161 132 131 120 120 108 109 107 1 16 128 131 130 132 161 153 130

MEMO

MODEL GXH-1J
0909-002
108
位置決め部
POSITIONING SECTION
Fig. J-2
駆動部
Driving Section
�
�
�
�
�
�
�
�
106
108
109
129
1
16
152
156
156
152
151
151
153
161
132
131
120
120
108
109
107
1
16
128
131
130
132
161
153
130

MODEL GXH-1J
1012-003
109
Key No. PART No. PART NAME Q’ty REMARKS New Code
NOTE
J-2
2Unit/1Machine
106 6301349848 CYLINDER 1 -B0914,-B0915
829J--010-106 224C0567
107
6301243900 CYLINDER 1 -B0914,-B0915
829J--010-107 224C0529
108
6301242798 PIPE FITTINGS 4 829J--010-108 225F0558
109
6300123821 BOLT,HEX-SCT 8 829J--010-109 221A0151
1
16 6301243931 GEAR 2 829J--010-116 223E0370
120 6301382111 SENSOR,PROXIMITY 2 -B0912,-B0913
829J--010-120 23G20072
128
6301270241 PLATE 1 829J--010-008 211D9610
129 6301270258 PLATE 1 829J--010-009 211D961
1
130 6301249148 PIN,GUIDE 4 829J--010-010 216F0864
131
6301246789 HOLDER 2 829J--010-011 216B1382
132 6301246796 COLLAR 2 829J--010-012 216A1128
151 6300007664 BOLT,HEX-SCT 16 M4X20 221A0021
152
6300008036 BOLT,HEX-SCT 4 M8X30 221A0058
153
6300008142 BOLT,HEX-SCT 2 M10X35 221A0069
156
4110406202 SCR PAN 3X10 2 M3X10 PAN 221E0488
161 4111413209 WASHER SPR 10 2 SW10 221H0293