PTS-NXT2-06JE.pdf - 第117页
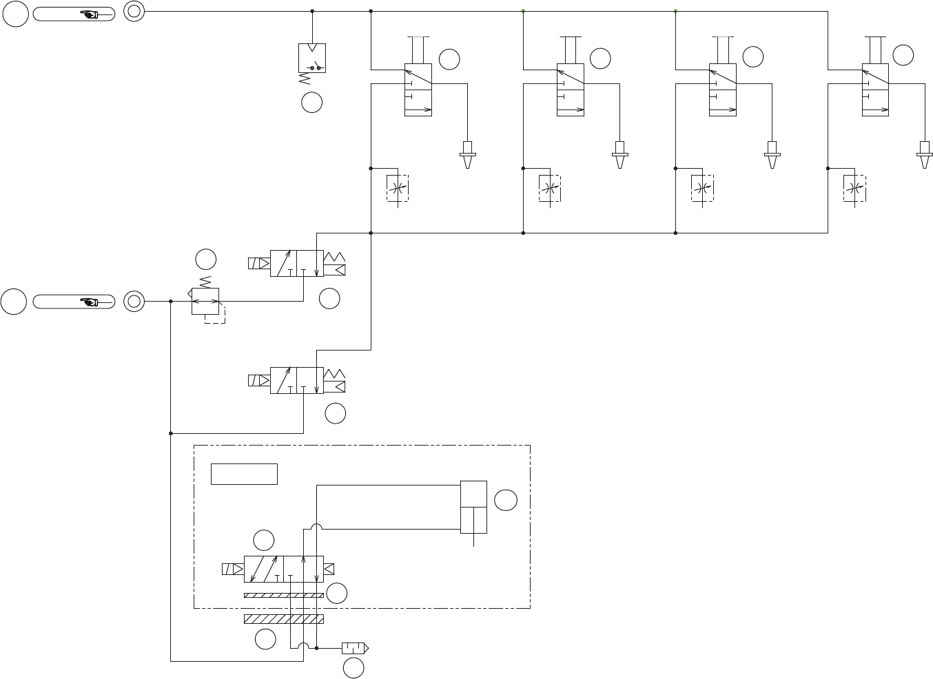
H04 HEAD 4/4 H04 ヘッド 4/4 UH00850 No. Dr g .No. & Code No. QTY Descri p tion Ratin g Materials Remarks 番号 図番 & コード番号 個数 品名 規 格材 質 備 考 1 XB03330 2 VALVE, SOL バル ブ SOL OT 2 XB00763 1 VALVE, PRESSURE REDUCING バル ブ 減…

㈇ᅽ
┿✵࣏ࣥࣉࡼࡾ
1HJSUHVV
)URP9DFXXPSXPS
237,21
%
$
┿✵◚ቯ
12==/( 12==/( 12==/( 12==/(
>$@ >%@ >&@ >'@
3RVSUHVV
ṇᅽ
.3D
$LUEORZ
ࣀࢬࣝࢡ࣮ࣜࢽࣥࢢ
1R]]OHFOHDQLQJ
⮬ືࣂࢵࢡࢵࣉࣆࣥᶵ⬟
$XWREDFNXSSLQHTXLSPHQW
Ref.BED
Ref.BED
a1a1
a2a2
+࣊ࢵࢻ
++($'
UH00850
116
PTS-NXT2-06JE Vol.1

H04 HEAD 4/4
H04 ヘッド 4/4
UH00850
No. Dr
g
.No. & Code No. QTY Descri
p
tion Ratin
g
Materials Remarks
番号 図番 & コード番号 個数 品名
規
格材質 備考
1 XB03330 2 VALVE, SOL バル
ブ
SOL OT
2 XB00763 1 VALVE, PRESSURE REDUCING バル
ブ
減圧 OT
3 XS01186 4 SPOOL ス
プ
ール OT
5 S1058B 1 SILENCER サイレンサ AN120-M3 OT
6 H62140 1 PLATE
プ
レート SYJ3000-21-12A OT
7 XS00842 1 SENSOR, PRESSURE センサ 圧力 OT
8 PJ06032 1 PLATE, ACRYLIC
プ
レート アクリル OT
9 H1122D 1 VALVE, SOL バル
ブ
SOL SYJ3140-5M0U FE
10 XS01844 1 CYLINDER シリンダ OT
117
PTS-NXT2-06JE Vol.1

49
8
9
10
11
30
29
28
35
34
18
5
3
4
7
6
19
19.1
20
21
25
25.1
41
40
45
47
48
46
42
26
27
43
2
31
32
33
37
AA15Y18
++($'$872%$&.833,1(48,30(17
+࣊ࢵࢻ⮬ືࣂࢵࢡࢵࣉࣆࣥᶵ⬟
118
PTS-NXT2-06JE Vol.1