PTS-NXT2-06JE - 第207页
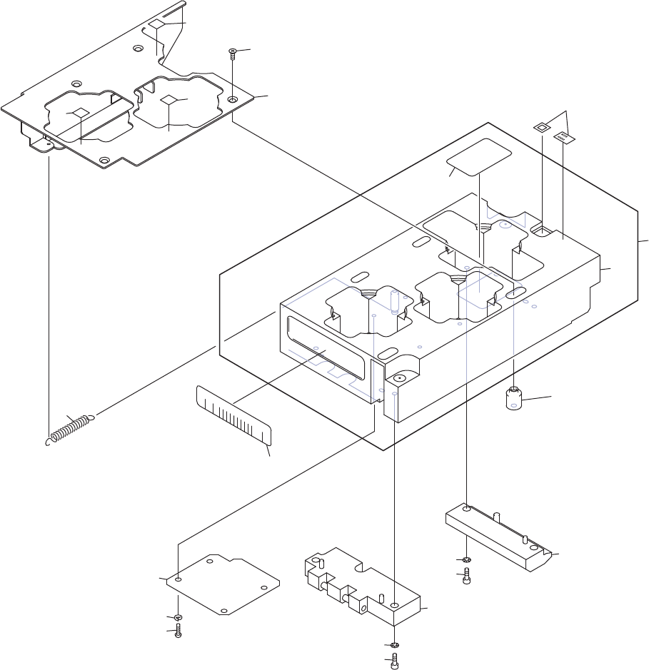
H01/H02-NC03B-NOZZLE STATION H01/H02-NC03B-ノズルステーション UL01526 No. Dr g .No. & Code No. QTY Descri p tion Ratin g Materials Remarks 番号 図番 & コード番号 個数 品名 規 格材 質 備 考 1 AA96817 1 HOLDER ホルダ OT 2 PM010S2 1 HOLDER ホルダ A…

*NC03B 123456*
2
28
23
25
26
26
26
22
27
6
17
18
7
13
1
11
12
24
20
21
19
UL01526
++1&%12==/(67$7,21
++1&%ࣀࢬࣝࢫࢸ࣮ࢩࣙࣥ
206
PTS-NXT2-06JE Vol.1

H01/H02-NC03B-NOZZLE STATION
H01/H02-NC03B-ノズルステーション
UL01526
No. Dr
g
.No. & Code No. QTY Descri
p
tion Ratin
g
Materials Remarks
番号 図番 & コード番号 個数 品名
規
格材質 備考
1 AA96817 1 HOLDER ホルダ OT
2 PM010S2 1 HOLDER ホルダ AL
6 PS00601 1 SHEET シート OT 3
p
ieces
/
sheet, Consumable Parts
7 AA0HH03 1 GUIDE ガイド OT
11 H5276A 2 BOLT, HEX SOCKET ボルト 六角穴 M03X010 FE
12 W1010A 2 WASHER, CONICAL ワッシャ 皿 M- 3-L FE
13 AA96506 1 BLOCK
ブ
ロック OT
17 H5276A 2 BOLT, HEX SOCKET ボルト 六角穴 M03X010 FE
18 W1010A 2 WASHER, CONICAL ワッシャ 皿 M- 3-L FE
19 PB20132 1 DOG, SW ドッ
グ
SW FE
20 K51845 4 SCREW, C
/
R PAN 小ネジ 十穴鍋 M02.5X005 ステンレス FE
21 W1020H 4 WASHER, LOCK ワッシャ ス
プ
リン
グ
2.5M
/
MFE
22 PZ05022 1 SPRING, TENSION ス
プ
リン
グ
引
張
FE
23 PB19937 1 SHUTTER シャッタ FE
24 PM34585 4 PIN, GUIDE ピン ガイド FE
25 PZ29951 4 BOLT ボルト OT
26 PX00081 1 NAMEPLATE
銘
板PL
27 PX01981 1 SEAL, BAR CODE シール バーコード PL unit serial number
28 PX02131 1 SEAL, BAR CODE シール バーコード OT unit serial number
207
PTS-NXT2-06JE Vol.1

㸨㹌㹁㸮㸶㹀ࠉ㸯㸰㸱㸲㸳㸴㸨
29
22
27
21
1
2
6
16
17
12
7
11
18
20
19
24
23
28
25
26
UL01627
++1&%12==/(67$7,21
++1&%ࣀࢬࣝࢫࢸ࣮ࢩࣙࣥ
208
PTS-NXT2-06JE Vol.1