PTS-NXT2-06JE - 第26页
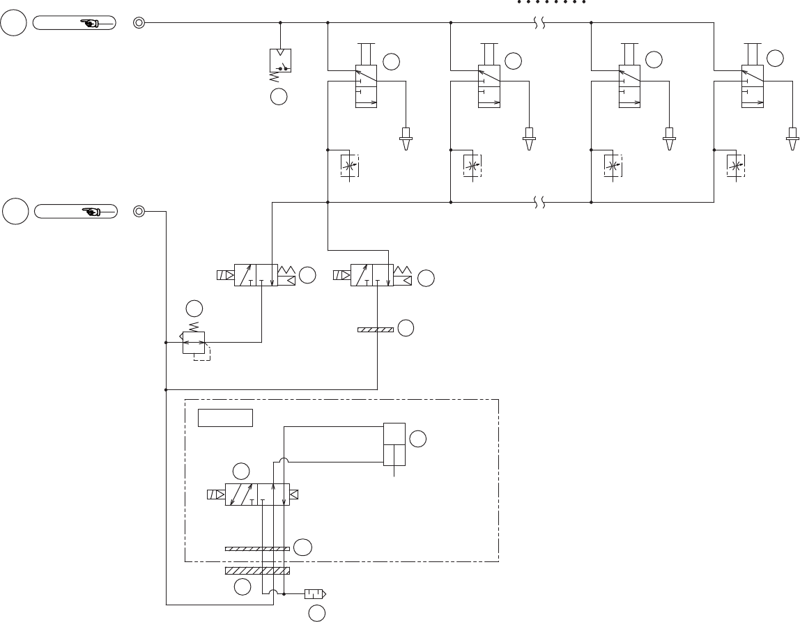
㈇ᅽ ┿✵࣏ࣥࣉࡼࡾ 1HJSUHVV )URP9DFXXPSXPS Ref.BED a2 a2 3RVSUHVV ṇᅽ .3D Ref.BED a1 a1 ࣀࢬࣝࢡ࣮ࣜࢽࣥࢢ ┿✵◚ቯ $LUEORZ 1R]]OHFOHDQLQJ 237,21 ⮬ືࣂࢵࢡࢵࣉࣆࣥᶵ⬟ $XWREDFNXSSLQHTXLSPHQW 12==/( 12==/( 12==/( 12==/( >$@ >%@…

V12 HEAD 3/4
V12 ヘッド 3/4
UH03319
No. Dr
g
.No. & Code No. QTY Descri
p
tion Ratin
g
Materials Remarks
番号 図番 & コード番号 個数 品名
規
格材質 備考
107 2MGKHA010700 1 PLATE, INSULATING
プ
レート 絶縁 PL
108 PJ24620 2 COLLAR, INSULATION カラー 絶縁 PL
109 PZ61910 2 BOLT, HEX SOCKET ボルト 六角穴 OT
110 W1021A 2 WASHER, LOCK ワッシャ ス
プ
リン
グ
3M
/
MFE
111 W1040R 2 WASHER, FLAT ワッシャ 平 3M
/
MX0.5X7(1W-3)(3カ クロ) FE
112 PJ18512 2 PLATE, INSULATING
プ
レート 絶縁 PL
113 PJ24620 1 COLLAR, INSULATION カラー 絶縁 PL
114 H5277A 1 BOLT, HEX SOCKET ボルト 六角穴 M03X012 FE
115 W1021A 1 WASHER, LOCK ワッシャ ス
プ
リン
グ
3M
/
MFE
116 W1040R 1 WASHER, FLAT ワッシャ 平 3M
/
MX0.5X7(1W-3)(3カ クロ) FE
117 2MGKHA010400 1 BKT BKT AL
118 H5277A 1 BOLT, HEX SOCKET ボルト 六角穴 M03X012 FE
119 2MGKHA010601 1 WASHER ワッシャ FE
120 XB03216 1 BOX, PRISM BOX
プ
リ
ズ
ムOT
121 K5256A 2 SCREW, HEX SOCKET BUTTON 小ネジ 六角穴ボタン M03X008 FE
122 W1021A 2 WASHER, LOCK ワッシャ ス
プ
リン
グ
3M
/
MFE
123 PB04TA1 1 COVER, LOWER カバー 下 FE
124 K5255A 1 SCREW, HEX SOCKET BUTTON 小ネジ 六角穴ボタン M03X004 FE
125 AA9AS04 1 BOARD 基板 OT
126 PZ53032 3 SCREW, C
/
R PAN 小ネジ 十穴鍋 OT
127 2MGKHA010000 1 SEAL, RUBBER シール ゴム OT
25
PTS-NXT2-06JE Vol.1

㈇ᅽ
┿✵࣏ࣥࣉࡼࡾ
1HJSUHVV
)URP9DFXXPSXPS
Ref.BED
a2a2
3RVSUHVV
ṇᅽ
.3D
Ref.BED
a1a1
ࣀࢬࣝࢡ࣮ࣜࢽࣥࢢ┿✵◚ቯ
$LUEORZ
1R]]OHFOHDQLQJ
237,21
⮬ືࣂࢵࢡࢵࣉࣆࣥᶵ⬟
$XWREDFNXSSLQHTXLSPHQW
12==/( 12==/( 12==/( 12==/(
>$@ >%@ >.@ >/@
㸿
㹀
㸰
㸰
㸰
㸰
㸯
㸴
㸵
㸳
㸲
㸲
㸷
㸯㸱
㸯㸯
㸶
UH03319
9࣊ࢵࢻ
9+($'
26
PTS-NXT2-06JE Vol.1

V12 HEAD 4/4
V12 ヘッド 4/4
UH03319
No. Dr
g
.No. & Code No. QTY Descri
p
tion Ratin
g
Materials Remarks
番号 図番 & コード番号 個数 品名
規
格材質 備考
1 XS00842 1 SENSOR, PRESSURE センサ 圧力 OT
2 XS03764 12 SPOOL ス
プ
ール OT
4 H11352 2 VALVE, SOL バル
ブ
SOL SYJ314R-5G OT
5 XB00763 1 VALVE, PRESSURE REDUCING バル
ブ
減圧 OT
6 H62140 1 PLATE
プ
レート SYJ3000-21-12A OT
7 S1058B 1 SILENCER サイレンサ AN120-M3 OT
8 H1122D 1 VALVE, SOL バル
ブ
SOL SYJ3140-5M0U OT
9 XS01844 1 CYLINDER シリンダ OT
11 2MGKHA008101 1 PLATE, ACRYLIC
プ
レート アクリル OT
13 PJ22721 1 PLATE, ACRYLIC
プ
レート アクリル OT
27
PTS-NXT2-06JE Vol.1