PTS-NXT2-06JE - 第325页
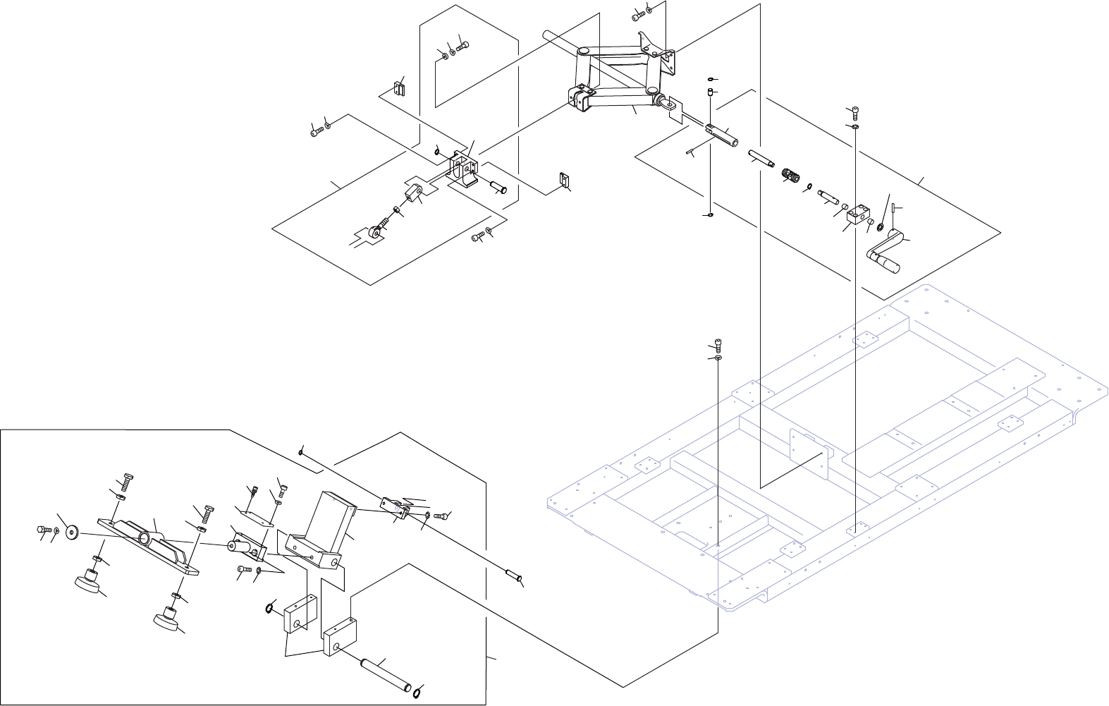
MCU-MODULE CHANGEOVER UNIT 5/6 MCU-モジュール交換台車 5/6 UX00134 No. Dr g .No. & Code No. QTY Descri p tion Ratin g Materials Remarks 番号 図番 & コード番号 個数 品名 規 格材 質 備 考 1 AA27408 1 HANDLE ハンドル OT 2 XH00612 1 HANDLE ハンドル OT …

AA
AA
30
32
33
34
35
36
39
40
41
42
43
44
45
46
47
48
50
49
51
52
53
52
53
53
51
53
2
3
4
5
54
8
54
9
10
11
12
13
14
15
16
17
19
20
21
22
23
24
25
26
27
27
28
29
28
29
14
14
23
30
39
39
1
7
6
18
31
38
37
UX00134
0&8ࣔࢪ࣮ࣗࣝྎ㌴
0&802'8/(&+$1*(29(581,7
324
PTS-NXT2-06JE Vol.1

MCU-MODULE CHANGEOVER UNIT 5/6
MCU-モジュール交換台車 5/6
UX00134
No. Dr
g
.No. & Code No. QTY Descri
p
tion Ratin
g
Materials Remarks
番号 図番 & コード番号 個数 品名
規
格材質 備考
1 AA27408 1 HANDLE ハンドル OT
2 XH00612 1 HANDLE ハンドル OT
3 H2063T 1 PIN, SPRING ピン ス
プ
リン
グ
゚5X25 OT
4 W1099A 1 WASHER ワッシャ WSJJ20-12-2 OT
5 PM33922 1 HOLDER ホルダ FE
6 H5324A 4 BOLT, HEX SOCKET ボルト 六角穴 M06X020 FE
7 W1013A 4 WASHER, CONICAL ワッシャ 皿 M- 6-H FE
8 PM08194 1 SHAFT シャフト FE
9 S1046K 1 CIR-CLIP サークリッ
プ
STWN12 OT
10 S2138K 1 JOINT ジョイント UNCA10 OT
11 PM08212 1 SHAFT シャフト FE
12 PM08223 1 SHAFT シャフト FE
13 H21167 1 PIN, PARALLEL ピン 平行 MS4-20 OT
14 K2187M 1 PIN ピン CDGH8-18 OT
15 XR00122 1 LIFTER リフタ OT
16 H5321A 4 BOLT, HEX SOCKET ボルト 六角穴 M06X012 FE
17 W1024A 4 WASHER, LOCK ワッシャ ス
プ
リン
グ
6M
/
MFE
18 AA27205 1 SLIDER スライダ OT
19 PM86431 1 BLOCK
ブ
ロック FE
20 W1088Z 1 WASHER ワッシャ WSSB15-5-5 OT
21 H5300A 1 BOLT, HEX SOCKET ボルト 六角穴 M05X015 FE
22 W1023A 1 WASHER, LOCK ワッシャ ス
プ
リン
グ
5M
/
MFE
23 H2189W 1 PIN ピン HCDGH12-45 OT
24 PM08162 1 PLATE, LINK
プ
レート リンク FE
25 N1093B 1 NUT, HEX ナット 六角 M10 P=1.5 (3カ クロ) FE
26 R50280 1 ROD, JOINT ロッド ジョイント NOS10T OT
27 PM08152 2 RETAINER 押え FE
28 H5302A 4 BOLT, HEX SOCKET ボルト 六角穴 M05X020 FE
29 W1023A 4 WASHER, LOCK ワッシャ ス
プ
リン
グ
5M
/
MFE
30 H2189T 1 PIN ピン HCDGH10-45 OT
31 AA27304 1 LIFTER リフタ OT
32 PM08172 1 JOINT ジョイント FE
33 H5322A 2 BOLT, HEX SOCKET ボルト 六角穴 M06X015 FE
34 W1013A 2 WASHER, CONICAL ワッシャ 皿 M- 6-H FE
35 PM08242 1 ARM アーム FE
36 PM32101 1 BKT, ARM BKT アーム FE SET
37 H5342A 4 BOLT, HEX SOCKET ボルト 六角穴 M08X025 FE
38 W1025A 4 WASHER, LOCK ワッシャ ス
プ
リン
グ
8M
/
MFE
39 H2186R 1 PIN ピン CCGH20-160 OT
40 PM08252 1 SHAFT, PIVOT シャフト 支点 FE
41 H5362A 2 BOLT, HEX SOCKET ボルト 六角穴 M10X035 FE
42 W1015A 2 WASHER, CONICAL ワッシャ 皿 M-10-H FE
43 PB04262 1 PLATE
プ
レート FE
44 H5503R 2 BOLT ボルト UUSCB6-15 OT
45 H5289A 2 BOLT, HEX SOCKET ボルト 六角穴 M04X012 FE
46 W1022A 2 WASHER, LOCK ワッシャ ス
プ
リン
グ
4M
/
MFE
47 PM08262 1 BKT BKT FE
48 W1092W 1 WASHER ワッシャ WSSBH35-10-5 OT
49 H5210A 1 BOLT, HEX ボルト 六角 M10X025 10.9 ゼンネジ FE
50 W1026A 1 WASHER, LOCK ワッシャ ス
プ
リン
グ
10M
/
MFE
51 H1187W 2 PAD パット LEMN12 OT
325
PTS-NXT2-06JE Vol.1

MCU-MODULE CHANGEOVER UNIT 5/6
MCU-モジュール交換台車 5/6
UX00134
No. Dr
g
.No. & Code No. QTY Descri
p
tion Ratin
g
Materials Remarks
番号 図番 & コード番号 個数 品名
規
格材質 備考
52 H5234A 2 BOLT, HEX ボルト 六角 M12X070 10.9 ゼンネジ FE
53 N1080D 4 NUT, HEX ナット 六角 M12(3カ クロ) FE
54 H4902E 2 BEARING, DRY ベアリン
グ
ドライ K5B1212 OT
326
PTS-NXT2-06JE Vol.1