PTS-NXT2-06JE - 第39页
ࡇࡢ࣮࣌ࢪࡣࣈࣛࣥࢡ࣮࣌ࢪ࡛ࡍࠋ This page is intentionally blank. 39 PTS-NXT2-06JE Vol.1

H12HS HEAD 2/3
H12HS ヘッド 2/3
UH03023
No. Dr
g
.No. & Code No. QTY Descri
p
tion Ratin
g
Materials Remarks
番号 図番 & コード番号 個数 品名
規
格材質 備考
52 S1003D 1 CIR-CLIP サークリッ
プ
ST-EW-2(3カ シロ) OT
53 PM04565 2 PIN, ROLLER ピン ローラ FE
54 PM04574 2 ROLLER ローラ FE
55 PM04552 2 COLLAR カラー FE
56 N1074Z 2 NUT, HEX ナット 六角 M 2.5 ステンレス FE
58 S4029E 1 SENSOR センサ PM-Y44P OT
59 K5256A 2 SCREW, HEX SOCKET BUTTON 小ネジ 六角穴ボタン M03X008 FE
60 W1021A 2 WASHER, LOCK ワッシャ ス
プ
リン
グ
3M
/
MFE
60.1 W1040R 2 WASHER, FLAT ワッシャ 平 3M
/
MX0.5X7(1W-3)(3カ クロ) FE
61 PB00MT2 1 BKT, MOTOR BKT モータ AL
62 PP00171 1 NUT ナット FE
63 XM01172 1 MOTOR, STEPPING モータ ステッピン
グ
OT
64 K5169R 4 SCREW, C
/
R COUNTERSUNK 小ネジ 十穴皿 M02.6X005 FE
65 H5275A 3 BOLT, HEX SOCKET ボルト 六角穴 M03X008 FE
66 W1021A 3 WASHER, LOCK ワッシャ ス
プ
リン
グ
3M
/
MFE
67 W1042A 3 WASHER, FLAT ワッシャ 平 4W- 3 FE
68 PB09784 1 BKT BKT FE
69 K5169M 2 SCREW, C
/
R COUNTERSUNK 小ネジ 十穴皿 M02X005(ステンレス) FE
71 PB09FF0 1 COVER カバー FE
72 H5274A 4 BOLT, HEX SOCKET ボルト 六角穴 M03X006 FE
73 W1021A 4 WASHER, LOCK ワッシャ ス
プ
リン
グ
3M
/
MFE
38
PTS-NXT2-06JE Vol.1
ࡇࡢ࣮࣌ࢪࡣࣈࣛࣥࢡ࣮࣌ࢪ࡛ࡍࠋ
This page is intentionally blank.
39
PTS-NXT2-06JE Vol.1

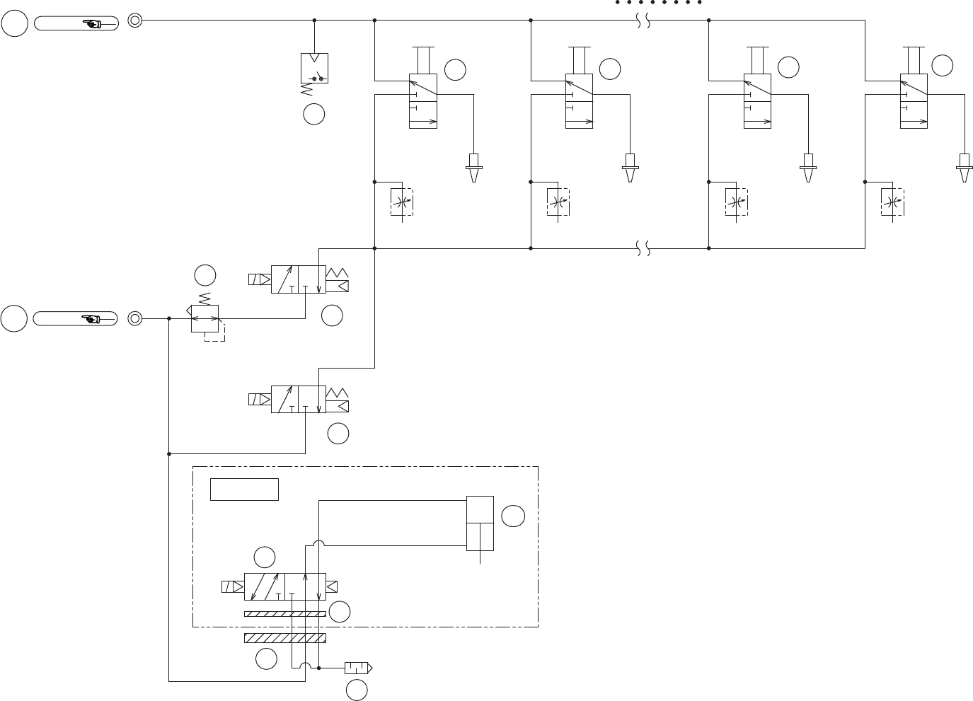
ࣀࢬࣝࢡ࣮ࣜࢽࣥࢢ
┿✵◚ቯ
㈇ᅽ
┿✵࣏ࣥࣉࡼࡾ
12==/( 12==/( 12==/( 12==/(
>$@ >%@ >.@ >/@
237,21
⮬ືࣂࢵࢡࢵࣉࣆࣥᶵ⬟
%
$
1HJSUHVV
)URP9DFXXPSXPS
$LUEORZ
1R]]OHFOHDQLQJ
$XWREDFNXSSLQHTXLSPHQW
3RVSUHVV
ṇᅽ
.3D
Ref.BED
Ref.BED
a1a1
a2a2
++6࣊ࢵࢻ
++6+($'
UH03023
40
PTS-NXT2-06JE Vol.1