PTS-NXT2-06JE - 第409页
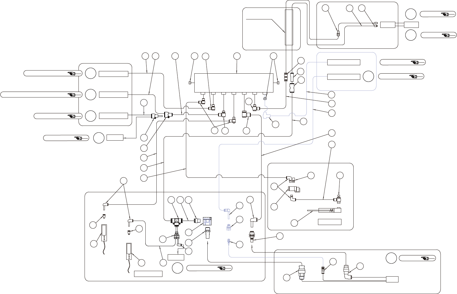
M3 II-BED 6/7 M3 II-ベッド 6/7 UA01829 No. Dr g .No. & Code No. QTY Descri p tion Ratin g Materials Remarks 番号 図番 & コード番号 個数 品名 規 格材 質 備 考 1 S5026T 1 SOCKET ソケット KK4S-10L-X42 OT Note.2 2 K11578 1 COUPLER カ プ ラ KK4P…

ȭ
ȭ
ȭ
ȭ
ȭ
ȭ
ȭ
ȭ
ȭ
ȭ
ȭ
ȭ
ȭ
ȭ
ȭ
3RVSUHVV
1HJSUHVV
ȭ
ȭ
ȭ
ȭ
ȭ
ȭ
3
5
$
ȭ
ᖹᆺࢣ࣮ࣈࣝ
ᮏయ࣐ࢽ࣮࣍ࣝࢻ
86
ͤ
ͤ
ͤ
7$3(&877(5
12==/(&+$1*(5
'(9,&(7$%/(
237,21
ͤ
9$&880%$&.833,16
9$&880%$&.833,16
02'8/(&/$03
%2'<0$1,)2/'
)/$7&$%/(
;6/<'(
+($'
35(6685(6(1625
&219(<25
&219(<25
7KHSDUWVZLWKͤDUHRQO\XVHGZLWKRSWLRQDO9$&880%$&.833,16
ͤࡀ࠸࡚࠸ࡿ㒊ရࡣ࢜ࣉࢩࣙࣥᵝࡢࡳྲྀࡃ㒊ရࢆ♧ࡍ
7KLVLVWKHSQHXPDWLFFLUFXLWGLDJUDPIRUWKH0,,%2'<81,7
ᮏᅗࡣ0,,⏝࣋ࢵࢻෆ࢚ᶵჾ㓄⨨ࢆ♧ࡍ
Ref.HEAD
Ref.HEAD
a1a1
a2a2
Ref.DEVICE BASE
ff
Ref.WASTE TAPE PROCESSING UNIT
dd
Ref.NOZZLE CHANGER
ee
c1c1
Ref.CONVEYOR
Ref.CONVEYOR
Neg pressȭ12x2 Neg pressȭ6 Pos pressȭ10
%$6(
Ref.BASE
gg
ͤ
ͤ
ͤ
ȭ
ȭ ȭ
Ref.CONVEYOR
bb
Ref.CONVEYOR
bb
UA01829
0,,࣋ࢵࢻ
0,,%('
32
PTS-NXT2-06JE Vol.2

M3 II-BED 6/7
M3 II-ベッド 6/7
UA01829
No. Dr
g
.No. & Code No. QTY Descri
p
tion Ratin
g
Materials Remarks
番号 図番 & コード番号 個数 品名
規
格材質 備考
1 S5026T 1 SOCKET ソケット KK4S-10L-X42 OT Note.2
2 K11578 1 COUPLER カ
プ
ラ KK4P-10E OT
3 S5026B 1 SOCKET ソケット K4-04SH OT Note.2
4 K1158B 1 COUPLER カ
プ
ラ K4-04PM OT
5 PM05ZF2 1 JOINT ジョイント AL
6 S50251 1 SOCKET ソケット CPSE7-6 OT Note.2
7 K1161W 0(1) COUPLER カ
プ
ラ CPPE7-01 OT Note.1
8 Y3024A 0(1) UNION ユニオン PMF6-01 OT Note.1
9 Y3122A 1 UNION, ELBOW ユニオン エルボ KQ2VS10-02S OT
10 Y3082E 2 UNION, ELBOW ユニオン エルボ KQ2VS08-02S OT
10.1 Y3082E 0(1) UNION, ELBOW ユニオン エルボ KQ2VS08-02S OT Note.1
11 Y3082M 2 UNION, ELBOW ユニオン エルボ KQ2VS06-02S OT
12 PM00325 1 MANIFOLD, AIR マニホールド エアー AL
13 Y3078A 2 UNION, ELBOW ユニオン エルボ KQ2L06-01S OT
14 H1123B 1 VALVE, SOL バル
ブ
SOL SYJ514-5LOE-01 OT
15 S1056A 1 SILENCER サイレンサ AN101-01 OT
16 K5345D 1 CONTROLLER, SPEED コントローラ スピード AS2211F-01-06S(シロ) OT
17 S2098W 1 CYLINDER シリンダ CDM2L20-25-DCL7828L OT
18 Y3079H 2 UNION, ELBOW ユニオン エルボ KQ2L06-99 OT
19 Y3086Y 2 UNION, HALF ユニオン ハーフ KQ2S06-M5 OT
21 XS00920 1 SW, PRESSURE SW
プ
レッシャ OT
22 XS00930 1 SW, PRESSURE SW
プ
レッシャ OT
23 Y3016B 0(1) UNION ユニオン PLLJ6 OT Note.1
25 Y30868 1 UNION, HALF ユニオン ハーフ KQ2S12-03S OT
27 Y3023W 1 UNION ユニオン PEG12-8 OT
28 XZ00010 1 JOINT, HOSE ジョイント ホース OT Note.3
29 K50766 1 CONNECTOR コネクタ KQ2U06-08 OT
31 A3033A 3 PLUG 埋栓 PT1
/
4OT
32 N2031A 1 NIPPLE ニッ
プ
ル M-5H-6 OT Note.3
34 Y3067K 1 UNION, HALF ユニオン ハーフ KQ2H08-00 OT
36 A4066H 1 ELBOW エルボ KQ2L10-99 OT
37 Y3121A 1 UNION, ELBOW ユニオン エルボ KQ2VS04-01S OT
39 Y3068C 1 UNION ユニオン KQ2H12-00 OT
40 Y3069N 1 UNION ユニオン KQ2R08-12 OT
51 PZ26201 1 TUBE チュー
ブ
OT
52 PZ26211 1 TUBE チュー
ブ
OT
53 PZ07200 1 TUBE チュー
ブ
OT Note.3
54 PZ26221 1 TUBE チュー
ブ
OT
55 PZ10361 1 TUBE チュー
ブ
OT
56 PZ06711 1 TUBE チュー
ブ
OT
57 PZ06132 1 TUBE チュー
ブ
OT
58 PZ15811 1 TUBE チュー
ブ
OT
59 PZ15821 1 TUBE チュー
ブ
OT
61 PZ15841 1 TUBE チュー
ブ
OT
61.1 PZ15841 0(1) TUBE チュー
ブ
OT Note.1
62 PZ15851 1 TUBE チュー
ブ
OT
63 PZ39310 1 TUBE チュー
ブ
OT
64 PZ39300 1 TUBE チュー
ブ
OT
77 PZ10401 0(1) TUBE チュー
ブ
OT Note.1
33
PTS-NXT2-06JE Vol.2

M3 II-BED 6/7
M3 II-ベッド 6/7
UA01829
No. Dr
g
.No. & Code No. QTY Descri
p
tion Ratin
g
Materials Remarks
番号 図番 & コード番号 個数 品名
規
格材質 備考
Note.1:The quantity in ( ) indicates the quantity for use with optional Vacuum backup pins.
:( )内の個数はオプション仕様のバキュームバックアップピンが取付く場合の個数を示す。
Note.2:The parts for BASE unit.
:ベース構成部品。
Note.3:The parts for SLYDE X-axis unit.
:X軸構成部品。
34
PTS-NXT2-06JE Vol.2