PTS-NXT2-06JE.pdf - 第487页
ࡇࡢ࣮࣌ࢪࡣࣈࣛࣥࢡ࣮࣌ࢪ࡛ࡍࠋ This page is intentionally blank. 111 PTS-NXT2-06JE Vol.2

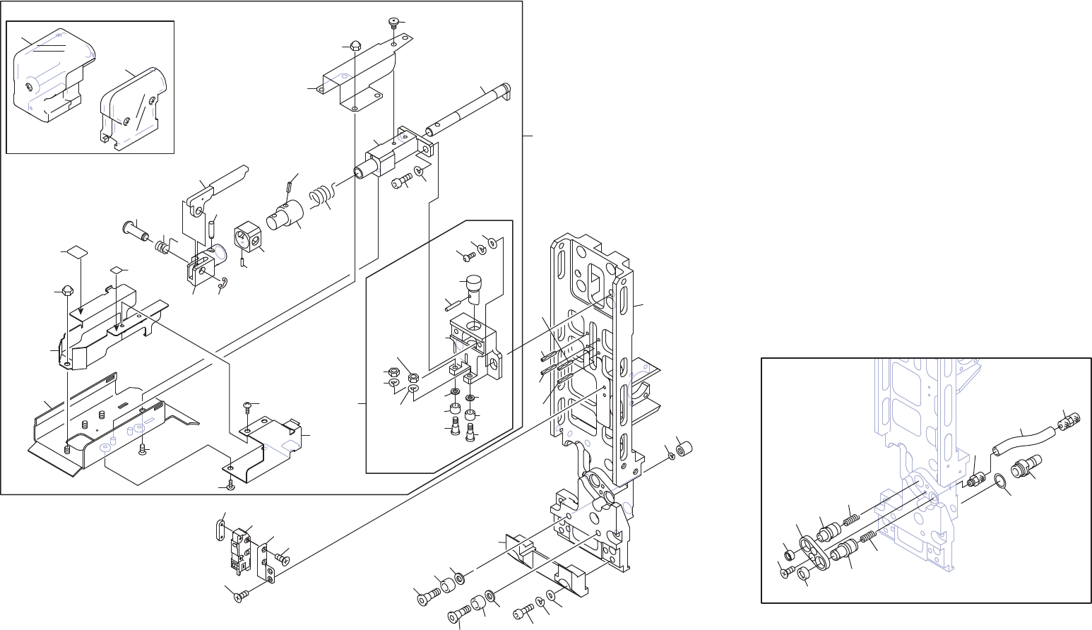
M3 II-X SLIDE 2/3
M3 II-Xスライド 2/3
US01322
No. Dr
g
.No. & Code No. QTY Descri
p
tion Ratin
g
Materials Remarks
番号 図番 & コード番号 個数 品名
規
格材質 備考
52 H5275A 2 BOLT, HEX SOCKET ボルト 六角穴 M03X008 FE
53 W1021A 2 WASHER, LOCK ワッシャ ス
プ
リン
グ
3M
/
MFE
54 PB02SR0 1 RETAINER, WIRING 押え 配線 FE
55 H5273A 1 BOLT, HEX SOCKET ボルト 六角穴 M03X005 FE
56 W1021A 1 WASHER, LOCK ワッシャ ス
プ
リン
グ
3M
/
MFE
57 PB032M1 1 RETAINER, WIRING 押え 配線 FE
58 H5274A 2 BOLT, HEX SOCKET ボルト 六角穴 M03X006 FE
59 W1021A 2 WASHER, LOCK ワッシャ ス
プ
リン
グ
3M
/
MFE
61 H5288A 7 BOLT, HEX SOCKET ボルト 六角穴 M04X010 FE
62 W1011A 7 WASHER, CONICAL ワッシャ 皿 M- 4-L FE
63 H5263B 1 BOLT, HEX SOCKET ボルト 六角穴 M04X016 FE
64 W1011A 1 WASHER, CONICAL ワッシャ 皿 M- 4-L FE
65 PM0AXA3 1 BKT BKT FE
66 H5289A 1 BOLT, HEX SOCKET ボルト 六角穴 M04X012 FE
66.1 W1011A 1 WASHER, CONICAL ワッシャ 皿 M- 4-L FE
68 H5288A 2 BOLT, HEX SOCKET ボルト 六角穴 M04X010 FE
69 W1022A 2 WASHER, LOCK ワッシャ ス
プ
リン
グ
4M
/
MFE
70 PB90963 1 COVER カバー FE
71 K5169A 2 SCREW, C
/
R COUNTERSUNK 小ネジ 十穴皿 M02.5X004(ステンレス) FE
72 H5289A 1 BOLT, HEX SOCKET ボルト 六角穴 M04X012 FE
73 W1011A 1 WASHER, CONICAL ワッシャ 皿 M- 4-L FE
74 PB01GW1 1 COVER カバー FE
75 K5169A 2 SCREW, C
/
R COUNTERSUNK 小ネジ 十穴皿 M02.5X004(ステンレス) FE
76 H5289A 1 BOLT, HEX SOCKET ボルト 六角穴 M04X012 FE
77 W1011A 1 WASHER, CONICAL ワッシャ 皿 M- 4-L FE
78 H5268T 1 BOLT, HEX SOCKET ボルト 六角穴 M02.5X006 FE
79 W1020H 1 WASHER, LOCK ワッシャ ス
プ
リン
グ
2.5M
/
MFE
80 PP02352 1 BKT, WIRING BKT 配線 FE
81 H5288A 2 BOLT, HEX SOCKET ボルト 六角穴 M04X010 FE
82 W1022A 2 WASHER, LOCK ワッシャ ス
プ
リン
グ
4M
/
MFE
83 W1043A 2 WASHER, FLAT ワッシャ 平 4W- 4 FE
84 PB02XG1 1 RETAINER, WIRING 押え 配線 FE
85 H5286A 1 BOLT, HEX SOCKET ボルト 六角穴 M04X006 FE
86 W1022A 1 WASHER, LOCK ワッシャ ス
プ
リン
グ
4M
/
MFE
87 PZ38491 1 SEAL シール OT
88 PZ38481 1 SEAL シール OT
89 PB011A2 1 BKT, WIRING BKT 配線 FE
90 K5186N 2 SCREW, C
/
R COUNTERSUNK 小ネジ 十穴皿 M03X005 ニッケルメッキ FE
91 PB09983 1 BKT, WIRING BKT 配線 FE
92 K5169A 2 SCREW, C
/
R COUNTERSUNK 小ネジ 十穴皿 M02.5X004(ステンレス) FE
93 PB07WX1 1 RETAINER 押え FE
94 H5275A 2 BOLT, HEX SOCKET ボルト 六角穴 M03X008 FE
95 W1021A 2 WASHER, LOCK ワッシャ ス
プ
リン
グ
3M
/
MFE
96 W1042A 2 WASHER, FLAT ワッシャ 平 4W- 3 FE
110
PTS-NXT2-06JE Vol.2
ࡇࡢ࣮࣌ࢪࡣࣈࣛࣥࢡ࣮࣌ࢪ࡛ࡍࠋ
This page is intentionally blank.
111
PTS-NXT2-06JE Vol.2

1
4
5
66
67
10
11
12
13
4
4
4
6.1
6
8
8
75
76
9
9.1
60
42
41
59
64
55
57
53
54
54
71
61
36
35
36
35
37
38
28
33
32
33
32
58
51
52
43
45
46
48
44
47
49
63
72
7
7
16
14
17
15
18
78
79
80
81
86
87
82
88
25.1
25.2
27
26
31
30
29
34
34
69
68
50
0,,;ࢫࣛࢻࢡࣛࣥࣃ㒊
0,,;6/,'(&/$03(5
US01322
112
PTS-NXT2-06JE Vol.2