PTS-NXT2-06JE - 第60页
$XWREDFNXSSLQHTXLSPHQW 1R]]OHFOHDQLQJ 12==/( 12==/( 㹙㹆㹛 㹙㹉㹛 㹙㹀㹛 㹙㸿㹛 㸱 㸰 㸯 ┿✵◚ቯ ࣀࢬࣝ ࢡ࣮ࣜࢽࣥࢢ ࠉ 㸿 㹀 ⮬ືࣂࢵࢡࢵࣉࣆࣥᶵ⬟ ࢩࣜࣥࢪୗ㝆 6<5,1*('2:1 㹇㹎㹑⫼ᬒୗ㝆 ࢩࣜࣥࢪୗ㝆ࢩࣜࣥࢲ 6<5,1*('2:1&</,1'(5 ,36'2:1&am…
ࡇࡢ࣮࣌ࢪࡣࣈࣛࣥࢡ࣮࣌ࢪ࡛ࡍࠋ
This page is intentionally blank.
59
PTS-NXT2-06JE Vol.1

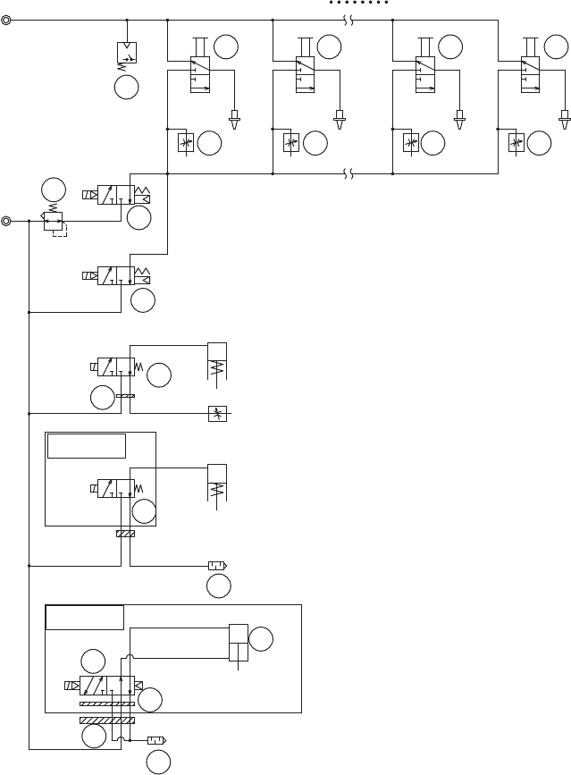
$XWREDFNXSSLQHTXLSPHQW
1R]]OHFOHDQLQJ
12==/(
12==/(
㹙㹆㹛㹙㹉㹛㹙㹀㹛㹙㸿㹛
㸱
㸰
㸯
┿✵◚ቯ
ࣀࢬࣝ
ࢡ࣮ࣜࢽࣥࢢ
ࠉ
㸿
㹀
⮬ືࣂࢵࢡࢵࣉࣆࣥᶵ⬟
ࢩࣜࣥࢪୗ㝆
6<5,1*('2:1
㹇㹎㹑⫼ᬒୗ㝆
ࢩࣜࣥࢪୗ㝆ࢩࣜࣥࢲ
6<5,1*('2:1&</,1'(5
,36'2:1&</,1'(5
㹇㹎㹑⫼ᬒୗ㝆ࢩࣜࣥࢲ
㹇㹎㹑⨨
㸲㸲
12==/(
㸲
12==/(
㸲
㸱㸱㸱
㸶
㸯
㸳
㸳
㸴
㸷
㸵
㸴
$LUEORZ
㈇ᅽ
┿✵࣏ࣥࣉࡼࡾ
1HJSUHVV
)URP9DFXXPSXPS
3RVSUHVV
ṇᅽ
.3D
237,21
237,21
+0+($'
+0࣊ࢵࢻ
2UGKHF000114
60
PTS-NXT2-06JE Vol.1

H08M HEAD 4/4
H08M ヘッド 4/4
2UGKHF000114
No. Dr
g
.No. & Code No. QTY Descri
p
tion Ratin
g
Materials Remarks
番号 図番 & コード番号 個数 品名
規
格材質 備考
1 XB03330 2 VALVE, SOL バル
ブ
SOL OT
2 XB00763 1 VALVE, PRESSURE REDUCING バル
ブ
減圧 OT
3 XS03764 8 SPOOL ス
プ
ール OT
5 H1126W 2 VALVE, SOL バル
ブ
SOL V114A-5GR OT
6 S1058B 2 SILENCER サイレンサ AN120-M3 OT
7 H62140 1 PLATE
プ
レート SYJ3000-21-12A OT
8 XS00842 1 SENSOR, PRESSURE センサ 圧力 OT
9 PJ06032 1 PLATE, ACRYLIC
プ
レート アクリル OT
10 H1122D 1 VALVE, SOL バル
ブ
SOL SYJ3140-5M0U OT
11 XS01844 1 CYLINDER シリンダ OT
13 PJ24640 1 PLATE, ACRYLIC
プ
レート アクリル OT
61
PTS-NXT2-06JE Vol.1