PTS-NXT2-06JE - 第81页
ࡇࡢ࣮࣌ࢪࡣࣈࣛࣥࢡ࣮࣌ࢪ࡛ࡍࠋ This page is intentionally blank. 81 PTS-NXT2-06JE Vol.1

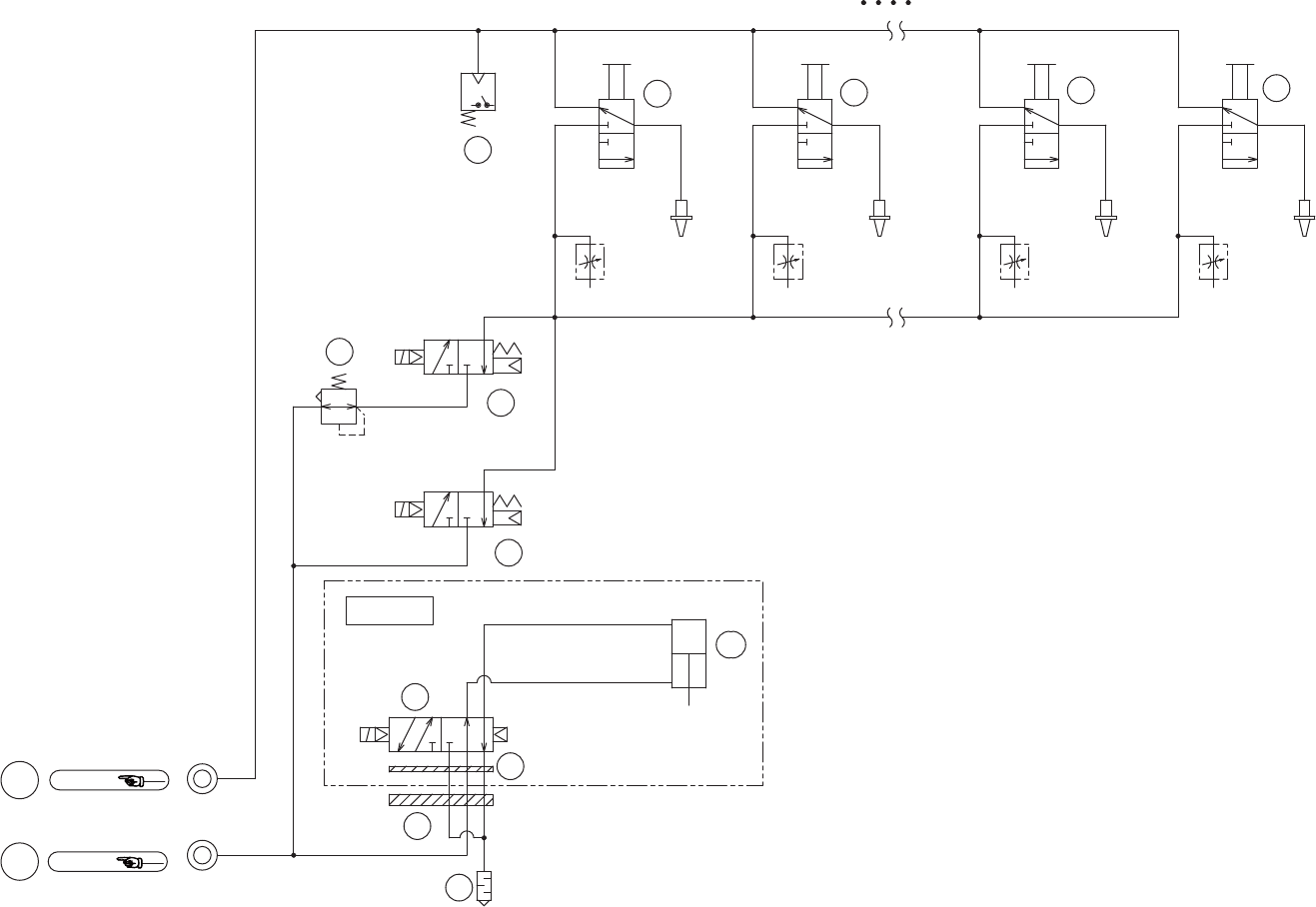
H08 HEAD 4/5
H08 ヘッド 4/5
UH00494
No. Dr
g
.No. & Code No. QTY Descri
p
tion Ratin
g
Materials Remarks
番号 図番 & コード番号 個数 品名
規
格材質 備考
43.1 PZ14371 4 SPRING ス
プ
リン
グ
FE
43.2 H61885 4 BALL, STEEL ボール スチール CR3.0G20 OT
44 PM35011 8 GUIDE ガイド AL
45 H5267A 8 BOLT, HEX SOCKET ボルト 六角穴 M02X008 FE
46 H21927 2 PIN, PARALLEL ピン 平行 2゚X 6 Bシュ(H8) OT
47 AA0AL03 8 FILTER フィルタ OT Consumable Parts
47.1 XH00401 8 FILTER フィルタ OT Consumable Parts
48 PH00311 8 HOLDER ホルダ PL
49 A51906 8 O RING Oリン
グ
゚4.20X0.53(FKM70) OT Consumable Parts
49.1 A5188S 8 O RING Oリン
グ
゚3.0X0.5(FKM70) OT Consumable Parts
50 PB27432 1 RING リン
グ
FE
51 PM33086 1 SHAFT, CENTER シャフト センタ FE
52 H1161B 1 PACKING パッキン MYN-5 OT
53 A5172Y 1 O RING Oリン
グ
SS 9 OT Consumable Parts
54 A51720 1 O RING Oリン
グ
SS 12 OT Consumable Parts
55 H5274A 4 BOLT, HEX SOCKET ボルト 六角穴 M03X006 FE
56 W1021A 4 WASHER, LOCK ワッシャ ス
プ
リン
グ
3M
/
MFE
57 PP00102 1 RETAINER, BEARING 押え ベアリン
グ
FE
58 H5265A 8 BOLT, HEX SOCKET ボルト 六角穴 M02X005 FE
59 W1020A 8 WASHER, LOCK ワッシャ ス
プ
リン
グ
2M
/
MFE
60 PM18862 1 COVER カバー AL
61 H5268H 4 BOLT, HEX SOCKET ボルト 六角穴 M02X012 FE
62 PZ16856 8 SPRING, COIL ス
プ
リン
グ
コイル FE
63 PM19126 8 PIPE パイ
プ
FE
64 PZ08841 8 SPRING, COIL ス
プ
リン
グ
コイル FE
65 PG00613 8 O RING Oリン
グ
PL Consumable Parts
66 PG00622 8 O RING Oリン
グ
PL Consumable Parts
67 PM18074 8 COLLAR カラー FE
68 PX00202 1 NAMEPLATE
銘
板PL
69 PX00182 1 NAMEPLATE
銘
板PL
70 PX00211 1 NAMEPLATE
銘
板PL
71 AA45H04 1 PIN, REFERENCE ピン 基準 OT
72 H5267A 2 BOLT, HEX SOCKET ボルト 六角穴 M02X008 FE
73 W1020A 2 WASHER, LOCK ワッシャ ス
プ
リン
グ
2M
/
MFE
80
PTS-NXT2-06JE Vol.1
ࡇࡢ࣮࣌ࢪࡣࣈࣛࣥࢡ࣮࣌ࢪ࡛ࡍࠋ
This page is intentionally blank.
81
PTS-NXT2-06JE Vol.1

㈇ᅽ
┿✵࣏ࣥࣉࡼࡾ
1HJSUHVV
)URP9DFXXPSXPS
3RVSUHVV
ṇᅽ
.3D
⮬ືࣂࢵࢡࢵࣉࣆࣥᶵ⬟
$XWREDFNXSSLQHTXLSPHQW
ࣀࢬࣝࢡ࣮ࣜࢽࣥࢢ
1R]]OHFOHDQLQJ
┿✵◚ቯ
$LUEORZ
237,21
%
$
12==/( 12==/( 12==/( 12==/(
>$@ >%@ >*@ >+@
Ref.BED
Ref.BED
a1a1
a2a2
+࣊ࢵࢻ
++($'
UH00494
82
PTS-NXT2-06JE Vol.1