JX-200-Rev00 - 第56页
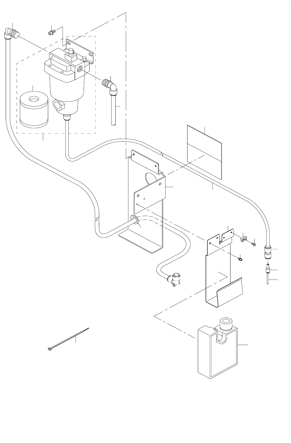
- 53 - 27. MAIN LINE FILTER COMPONENTS メインラインフィルタ関係 4 15 14 16 17 7 8 13 11 9 3 6 18 5 12 10 2 4 1

- 52 -
REF.NO NOTE PART NO D E S C R I P T I O N
品 名
Qty
1 400-99550 VAC_PUMP_PLATE
真空ポンププレート
1
2 SM-1051052-TN SCREW
皿ねじ M 5 L =10
4
3 PX-0552010-00 MUFFLER (PLASTIC)
マフラ(樹脂製)
1
4 CM-3003000-02 LABEL2 (25)
高温注意シール2(25)
1
5 400-99551 VAC_PUMP_RUBBER
真空ポンプラバー
1
6 400-99549 VAC_PUMP_BASE
真空ポンプベース
1
7 SL-6040892-TN BOLT
座金付き六角穴ボルト
11
8 PJ-3010605-03 HALF UNION
ハ−フユニオン
1
9 400-79043 VALVE BRACKET ASM
バルブブラケット組
1
10 400-76882 VACUUM VALVE CABLE ASM
バキュームバルブケーブル組
(1)
11 PJ-3010405-05 HALF UNION
ハ−フユニオン
(6)
12 400-77357 HEAD VALVE BRACKET
ヘッドバルブブラケット
(1)
13 400-94360 HEAD_COVER
ヘッドカバー
(1)
14 401-05883 DO NOT TOUCH LABEL
手触れ禁止シール
(1)
15 SL-6040892-TN BOLT
座金付き六角穴ボルト
(4)
16 SL-6030692-TN BOLT
座金付き六角穴ボルト
(4)
17 400-77276 FILTER BOX U70 ASM
フィルタボックス U 70組
(1)
18 400-77277 FILTER BOX L 70
フィルタボックス L 70
(1)
19 400-46646 FILTER
フィルタ
(6)
20 400-46059 O RING F2
OリングF2
(6)
21 400-46058 O RING F1
OリングF1
(6)
22 SL-6031292-TN BOLT
座金付き六角穴ボルト
(2)
23 SM-6033002-TN SCREW M3 L=30
六角穴ボルト M 3 L =30
(2)
24 HX-0009600-0A BUSH
エッジングブッシュ
(0.139)
25 HX-0029400-00 FIXED BASE
固定ベース
(4)
26 SM-4040601-SC SCREW M4X0.7 L=6
なべ小ねじ M 4 X 0.7 L =6
(4)
27 400-60551 FILTER SET PIN
フィルタセットピン
(6)
28 HX-0022300-00 ADJUSTABLE BUSH
自在ブツシユ
(0.12)
29 400-99548 VACUUM_PUMP
真空ポンプ
1
30 PJ-3090852-02 DOUBLE BRANCH UNIVERSAL ELBOW
ダブルブランチユニバーサルエルボ
1
31 401-03158 VAC_PUMP_BASE_8
真空ポンプベース8
1
32 400-82019 FACE BR OP(PRINT FIG)
フェイス BR OP(印刷図)
1
33 401-03159 PUMP FAN BRACKET
ポンプファンブラケット
1
34 PJ-3010600-03 REDUCER
レデューサ
1
35 SL-4033091-SC SCREW M3 L=30
なべ小ねじセムス M 3 X 0.5 L =30
4
36 400-54705 VAC FAN CABLE ASM
真空ポンプファンケーブル組
1
37 PX-9500070-00 PLUG
プラグ
1
38 PF-0200040-00 REGULATOR
レギュレータ
1
39 SM-6033002-TN SCREW M3 L=30
六角穴ボルト M 3 L =30
2
40 400-46540 VACUUM METER
バキュームメータ
1
41 BT-0600400-EC TUBE HOSE, BLUE
ウレタンホース 青
10
42 PJ-3010600-03 REDUCER
レデューサ
1
43 PX-9500070-00 PLUG
プラグ
1
44 PJ-3030600-03 UNION
異形ユニオン
2

- 53 -
27.MAIN LINE FILTER COMPONENTS
メインラインフィルタ関係
4
15
14
16
17
7
8
13
11
9
3
6
18
5
12
10
2
4
1

- 54 -
REF.NO NOTE PART NO D E S C R I P T I O N
品 名
Qty
1 PF-0154010-A0 AIR FILTER
エアフィルター
1
2 PF-9010070-00 FILTER ELEMENT
フィルターエレメント
(1)
3 BT-1200801-EF TUBE
チューブ
2
4 PJ-3041254-01 ELBOW UNION D=12
エルボユニオン丸12
2
5 400-16815 DRAIN TANK
ドレインタンク
1
6 BT-1000651-EB POLYURETHANE TUBE
ポリウレタン チューブ
0.8
7 PJ-3031000-02 STRAGHT
ストレート
1
8 PJ-3090400-03 STRAGHT
レジューサ(丸4−丸10)
1
9 BT-0400251-EA TUBE HOSE, BLUE
ウレタンホ−ス 青
0.16
10 SL-6061692-TN BOLT
座金付き六角穴ボルト
2
11 400-55291 FILTER BRACKET
フィルタブラケット
1
12 HX-0005500-0J RUBBER BUSHING
ゴムブッシュ
1
13 E1387-700-000 HOD MAGNET
HOD マグネット
2
14 400-55290 DRAIN TANK STAY
ドレインタンクステイ
1
15 SL-6040892-TN BOLT
座金付き六角穴ボルト
2
16 HX-0029400-00 FIXED BASE
固定ベース
1
17 SM-4040601-SC SCREW M4X0.7 L=6
なべ小ねじ M 4 X 0.7 L =6
1
18 EA-9500B01-00 CABLE BAND
束線バンド
1