JX-200-Rev00 - 第59页
- 56 - REF.NO NOTE PART NO D E S C R I P T I O N 品 名 Qty 1 400-76778 BREAKER INPUT CAB LE ASM ブレーカ入力ケーブル組 1 2 400-7692 0 POWER ON LA MP RELAY CABLE ASM POWER ON LAMP リレーケーブル組 1 3 401-07184 BREAKER-O UT CABLE ASM BREAKER …

- 55 -
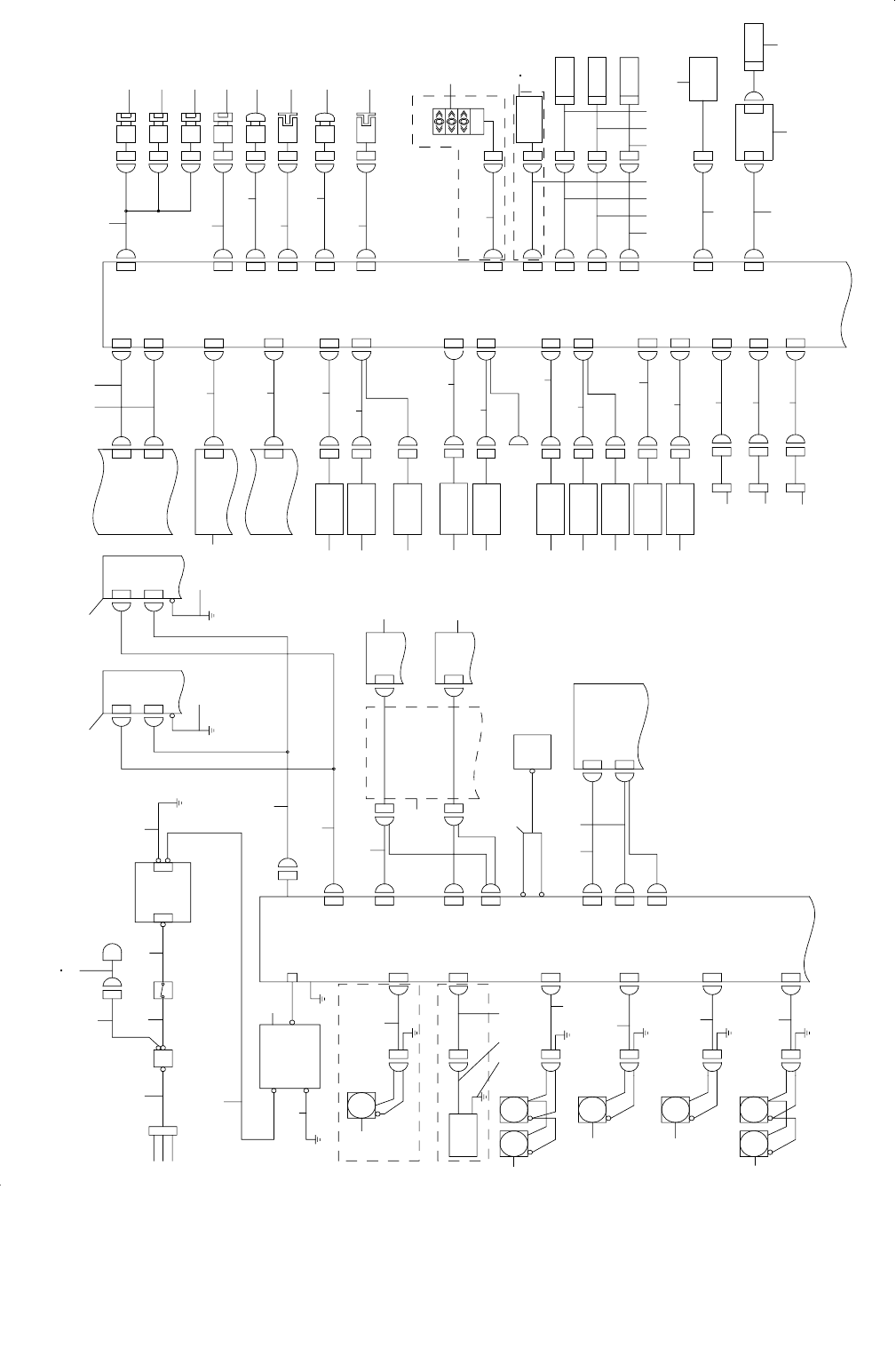
28.SYSTEM DIAGRAM (POWER UNIT/BASE)
SYSTEM DIAGRAM(POWER UNIT / BASE)
CN506
CN682
XSTOPPER
S.V.
CN6
CN493
CN537 CN37CN463
CONVEYOR
WAIT
SENSOR
CN504 CN4CN462
CONVEYOR
C.OUT
SENSOR
CN716
CN514
CN514
CYCLE SW
CN444
CN547CN437
CONVEYOR
LEFT
SENSOR
MAINTENANCE
SW
CN32CN532
CN451
CN450
OUT
IN
CN520
CN519
SMEMA(R)
SMEMA(L)
CN001
POWER ON
LAMP
3-1A
IO-CONVEYOR PCB(2/4)
2-4D
1-1D
CN45CN545
CN017
CN017
POWER UNIT(2/6)
2-3B
2-3B
2-2A
2-3C
1-3A
1-2C
3-1A
2-3B
2-3A
1-3A
ATC
OPEN
SENSOR
CN443
CN442 CN46CN546
ATC
CLOSE
SENSOR
SIGNAL TOWER OPTION
HOD OPTION
VACUUM PUMP OPTION
VACUUM PUMP OPTION
CN30
CN097
CN033
(F5E)
VACUUM
PUMP
CN096
CN096
CN068
(F4E)
CN003
CN003
VACUUM PUMP FAN
FAN
CN080
XY BEAR CABLE(1/2)
OKAYA
3SUP-HQ20-ER6
C&N
KH20B
T103/17
MITSUBISHI
NF32-SV
3P 10A F
TCS-05SV3(COVER)
FAN
(F1E)
CN010CN010
COVER TOP FAN
FAN
CN068
(R3E)
CN30
OUT
IO-CONVEYOR PCB(1/4)
CN4
CN5
IO-CN4
IO-CN5
CN027
CN024
CN27
CN24
(R6E)
CN009CN009
BASE FAN R
FAN
CN067
(R5E)
CN008CN008
BASE FAN L
FAN
CN066
(R4E)
CN007CN007
CONTROL UNIT TOP FAN
FAN FAN
CN064
CPCI BACK BOARD
TB2
TB1
CN097
CN032
CN202
CN033
CN201
ZTB SERVO
AMP(1/3)MR-MD100
ZTBCNP1
CNP1
ZTA SERVO
AMP(1/3)MR-MD100
ZTACNP1
CNP1
CN032
CN001
(F3E)
E
X SERVO
AMP(1/2)
MR-J3-40B-KM024
CNP2
CNP1
(F2E)
E
YSERVO
AMP(1/2)
MR-J3-200B-RJ024
CNP2
CNP1
CN099
POWER UNIT(1/6)
(R2E)
TF1
FG
(R1E)
NOISE FILTER
IN
MAIN SW
NFB1 10A
L3
L2
L1
TB1
ROP_CN7
COVER OPEN SW REAR
CN511CN11
CN548 CN48
CN503CN3
CN44
CN544
CN39
CN36
CN539
CN536
CN713
STOP SW
CN551 CN51IO-CN2CN2
CN681
CN01
CPU COM1
CN47
CN491
CN492
CN669
CN2
CN1
CN680
CN549CN49
CN509CN9
CN20
CN436
CN435
CN438
CN440
CN08
CN19
CN34CN534
CN42CN542
CN510CN10
CN801
CN722
FOP_CN7
CN715
CN714
CN712
CN22CN522
CN518
CN18
CN505
CN5
CN540
CN40
CN52CN552
CN512
CN12
IO-CN3
SUPORT
TABLE
DOWN SENSOR
SUPORT
TABLE
UP SENSOR
CONVEYOR
RIGHT
SENSOR
CONVEYOR
NEAR
SENSOR
CALBLOCK
PCB ASM
CAL
VACUUM
SENSOR
CAL S.V.
EMG SW REAR
COVER OPEN SW FRONT
EMG SW FRONT
ORIGIN SW
START SW
ATC S.V.
SUPPORT
TABLE S.V.
AIR
PRESSURE
SWITCH
HOD BOX
SIGNAL
TOWER
CPU BOARD(1/2)
COM1
BASE PCB(1/3)
CN3
1
2
3
4
5
6
7
8
9
10
11
12
13
14
15
16
19
18
17
22
24
26
20
21
23
25
27
36
35
34
30
31
29
28
32
32
42 43 44
45
46 47 48 49 50 51
52
53
54
61
62
63 64 65
60
59
58
57
56
5541
40
39
37
38
66
67
68
69
70
71
72 73 74 75 76 77 78 77
81 83
84
80
82
85
87
89
91 93
79
33
92
90
88
86

- 56 -
REF.NO NOTE PART NO D E S C R I P T I O N
品 名
Qty
1 400-76778 BREAKER INPUT CABLE ASM
ブレーカ入力ケーブル組
1
2 400-76920 POWER ON LAMP RELAY CABLE ASM
POWER ON LAMP リレーケーブル組
1
3 401-07184 BREAKER-OUT CABLE ASM
BREAKER − OUT ケーブル組
1
4 401-06608 POWER LAMP 200V CABLE ASM
POWER LAMP 200 V 束線組
1
5 401-06609 POWER LAMP 400V CABLE ASM
POWER LAMP 400 V 束線組
1
6 401-07185 MAIN SW OUTPUT CABLE ASM
メインスイッチ出力ケーブル組
1
7 400-76781 INPUT UNIT FG CABLE ASM
入力ユニット FG ケーブル組
1
8 400-44539 SERVO AMP 2000W
Y 軸サーボアンプ2000 W
1
9 400-76788 Y DRV FG CABLE ASM
Y DRV FG ケーブル組
1
10 400-76927 SARVO AMP 400W
サーボアンプ400 W
1
11 400-76789 X DRV FG CABLE ASM
X DRV FG ケーブル組
1
12 401-07186 TF1 INPUT CABLE ASM
TF 1入力ケーブル組
1
13 401-07187 TF1 FG CABLE ASM
TF 1 FG ケーブル組
1
14 401-07371 TRANSFORMER
トランス
1
15 400-54705 VAC FAN CABLE ASM
真空ポンプファンケーブル組
1
16 401-07251 VAC PUMP FAN RELAY CABLE ASM
真空ポンプファンリレーケーブル組
1
17 400-99547 VACUUM_PUMP_ASM
真空ポンプ組
1
18 401-07253 VAC PUMP FG CABLE ASM
真空ポンプ FG ケーブル組
1
19 401-07252 VAC PUMP PWR RELAY CABLE ASM
真空ポンプパワーリレーケーブル組
1
20 400-76862 CTRL UNIT TOP FAN ASM
CTRL ユニットトップファン組
1
21 400-76790 CTRL UNIT TOP FAN RELAY CABLE ASM
CTRL ユニットトップファンリレーケーブル組
1
22 400-76863 BASE FAN (L) ASM
ベースファン(L)組
1
23 400-76791 BASE-FAN(L)CABLE ASM
ベースファン(L)ケーブル組
1
24 400-76864 BASE FAN (R) ASM
ベースファン(R)組
1
25 400-76792 BASE-FAN(R)CABLE ASM
ベースファン(R)ケーブル組
1
26 400-76794 COVER TOP FAN ASM
カバートップファン組
1
27 400-76793 COVER TOP FAN RELAY CABLE ASM
カバートップファンリレーケーブル組
1
28 400-76784 XY CTRL PWR CABLE ASM
XY CTRL パワーケーブル組
1
29 400-76785 XY SV PWR CABLE ASM
XY SV パワーケーブル組
1
30 401-07188 ZT PWR RELAY CABLE ASM
ZT パワーリレーケーブル組
1
31 400-76787 XY BEAR CABLES ASM
XY ベアケーブル組
1
32 400-44535 4AXIS SERVO AMP
4軸一体型サーボアンプ
2
33 400-02125 CAL VCUM SV ASM
CAL VCUM SV 組
1
34 400-76865 PS-CTRL POWER CABLE ASM
PS − CTRL パワーケーブル組
1
35 400-76866 IO SIGNAL CABLE ASM
IO シグナルケーブル組
1
36 400-76867 POWER MONITOR CABLE ASM
パワーモニタケーブル組
1
37 401-07194 BASE SP CABLE ASM
ベース SP ケーブル組
1
38 401-07195 BASE IF CABLE ASM
ベース IF ケーブル組
1
39 401-07372 CPU BOARD
CPU ボード
1
40 401-07196 COM1 CABLE ASM
COM 1ケーブル組
1
41 401-07197 BASE POWER CABLE ASM
ベースパワーケーブル組
1
42 400-45499 AIR PRESSURE METER ASM
エアプレッシャメーター組
1
43 400-76842 ATC OPEN SENS ASM
ATC オープンセンサ組
1
44 400-76843 ATC CLOSE SENS ASM
ATC クローズセンサ組
1
45 400-86439 CONVEYOR LEFT SENSOR ASM
コンベアレフトセンサ組
1
46 400-76891 CONVEYOR NEAR SENSOR ASM
コンベアニアセンサ組
1
47 400-76890 CONVEYOR RIGHT SENSOR ASM
コンベアライトセンサ組
1
48 400-76894 SUPPORT TABLE UP SENSOR ASM
サポートテーブル UP センサ組
1
49 400-76896 SUPPORT TABLE DOWN SENSOR ASM
サポートテーブルダウンセンサ組
1
50 401-07209 CONVEYOR C.OUT SENSOR ASM
コンベア C.OUT センサ組
1
51 401-07211 CONVEYOR WAIT SENSOR ASM
コンベア WAIT センサ組
1
52 400-88096 SMEMA CABLE (L) ASM
スメマケーブル(L)組
1
53 400-88098 SMEMA CABLE (R) ASM
スメマケーブル(R)組
1
54 401-06703 KEY SW CABLE ASM(EN)
キースイッチケーブル組(EN)
1
55 401-07205 AIR PRESSURE CABLE ASM
エアプレッシャケーブル組
1
56 401-07214 ATC SENSOR CABLE ASM
ATC センサケーブル組
1
57 401-07206 CONVEYOR LEFT SENSOR CABLE ASM
コンベアレフトセンサケーブル組
1
58 401-07207 CONVEYOR IN STOP SENSOR CABLE
コンベア インストップセンサケーブル組
1
59 401-07208 CONVEYOR RIGHT SENSOR CABLE ASM
コンベアライトセンサケーブル組
1
60 401-07213 SUPPORT TABLE SENSOR CABLEASM
サポートケーブルセンサケーブル組
1
61 401-07210 CONVEYOR C.OUT SENSOR CABLE ASM
コンベア C.OUT センサケーブル組
1
62 401-07212 CONVEYOR WAIT SENSOR CABLE ASM
コンベア WAIT センサケーブル組
1
63 401-07221 SMEMA RELAY CABLE (IN) ASM
スメマリレーケーブル(IN)組
1
64 401-07222 SMEMA RELAY CABLE (OUT) ASM
スメマリレーケーブル(OUT)組
1
65 401-07215 KEY SW CABLE ASM
キースイッチケーブル組
1
66 401-07198 OPERATION F CABLE ASM
オペレーション F ケーブル組
1
67 401-07199 CYCLE SW CABLE ASM
サイクルスイッチケーブル組
1
68 401-07201 F-EMG SWITCH RELAY CABLE ASM
F − EMG スイッチリレーケーブル組
1
69 401-07202 F-COPEN SWITCH RELAY CABLE ASM
F − COPEN スイッチリレーケーブル組
1
70 401-07203 R-EMG SWITCH RELAY CABLE ASM
R − EMG スイッチリレーケーブル組
1
71 401-07204 R-COPEN SWITCH RELAY CABLE ASM
R − COPEN スイッチリレーケーブル組
1
72 400-76874 START SW ASM
スタートスイッチ組
1
73 400-76875 STOP SW ASM
ストップスイッチ組
1
74 400-76876 ORIGIN SW ASM
原点スイッチ組
1
75 401-07200 CYCLE SW ASM
サイクルスイッチ組
1
76 400-76831 F-EMG SWITCH CABLE ASM
F − EMG スイッチケーブル組
1
77 400-02254 COVER OPEN SWITCH CABLE ASM
カバーオープンスイッチ
2
78 400-76834 R-EMG SWITCH CABLE ASM
R − EMG スイッチケーブル組
1
79 400-07376 CALBLOCK PCB ASM
CALBLOCK 基板組
1
80 401-07254 SIGNAL-LIGHT CABLE ASM
SIGNAL − LIGHT ケーブル組
1
81 400-48045 SIGNAL TOWER LIGHT ASM
シグナルタワーライト組
1
82 401-07255 HOD IF CABLE ASM
HOD IF ケーブル組
1
83 E9649-729-000 HOD ASM.
HOD 組
1
84 E9662-729-000 HOD (EN)
HOD(EN)
1
85 401-07216 SUPPORT TABLE SV RELAY CABLE ASM
サポートケーブル SV リレーケーブル組
1
86 400-76911 SUPPORT TABLE SV CABLE ASM
サポートテーブル SV ケーブル組
1
87 401-07218 ATC SV RELAY CABLE ASM
ATC SV リレーケーブル組
1
88 400-76845 ATC SV CABLE ASM
ATC SV ケーブル組
1
89 401-07217 X STOPPER SV RELAY CABLE ASM
X ストッパ SV リレーケーブル組
1
90 400-88094 X STOPPER SV CABLE ASM
X ストッパ SV ケーブル組
1
91 401-07220 CAL-VCUM CABLE ASM
CAL − VCUM ケーブル組
1
92 400-02126 CAL VACUUM SENSOR ASSY
CAL バキュームセンサ組
1
93 401-07219 CAL-BLOCK CABLE ASM
CAL − BLOCK ケーブル組
1

- 57 -
29.SYSTEM DIAGRAM (FEEDER/CPU/SSCNET&XY MOTOR)
SYSTEM DIAGRAM(FEEDER / CPU / SSCNET & XY MOTOR)
4-1A
F_BANKCN501CN1
FEEDER
(FRONT)
MONI PWR
COVER
LAN
CN011CN014
POWER UNIT(3/6)
1-3A
CPU
BOARD(2/2)
3-1A
3-1A
1-3B
CN724
F LCD RS232C RS232C
L-VOUT(CN4)
CPU-VGA F VIDEO
F-LCD PWR
CV-T/B F T/B F
CV-KB F KB F
HDD-I/F
HDD LAMP
LCD MONITOR
IP-X5 PCB(1/3)
VISION
MONITOR
CN015 CN015
DC12V
COM2
VIDEOVGA
COVER
MOUSE
MOUSE
KEYBOARD
KB
COVER
USB CH2
USB CH1
HDD
ACCESS
LAMP
COVER
HDD
SSD
CH1
MCCN1CH
CN550
2-1A
2-4A
Y SERVO AMP(2/2)
MR-J3-200B-RJ024
ZTB SERVO
AMP(2/3)MR-MR100
ZTA SERVO
AMP(2/3)MR-MR100
BASE PCB(2/3)
3-3B
1-3B
3-3A
1-3B
1-3A
1-3A
1-4D
R_BANKCN502CN2
FEEDER
(REAR)
CN24
CN23
CN26
CN524
CN523
CN526
CN28CN528
CN432
CN430
CN427
CN425
CN431
CN433
CN426
CN428
FEEDER FLOAT
SENSOR (RR)
(EMISSION)
FEEDER FLOAT
SENSOR (RF)
(RECEVING)
FEEDER FLOAT
SENSOR (RF)
(EMISSION)
FEEDER FLOAT
SENSOR (RR)
(RECEVING)
FEEDER FLOAT
SENSOR (FF)
(EMISSION)
FEEDER FLOAT
SENSOR (FR)
(RECEVING)
FEEDER FLOAT
SENSOR (FR)
(EMISSION)
FEEDER FLOAT
SENSOR (FF)
(RECEVING)
CN131
X NEG LIMIT
SENSOR
CH2
CN130
YCNMTR
YCNENC
XCNMTR
XCNENC
CN166
CN154
CN165
CN152
MRPWS2CBL03M-A1-L-S00
MR-J3JCBL03M-A1-L
X SERVO
MOTOR
HF-KP43-S10
Y SERVO
MOTOR
HC-RP153D-S2
Y BEAR CABLE
ASSY(2/2)
YBEAR
CABLE(1/2)
MR-J3BUS7M-B
(X DRV E)
XCNP3
XCN2
CNP3
CN2
(Y DRV E)
YCNP3
YCN2
CNP3
CN2
MR-J3BUS015M
MR-J3BUS015M
MR-J3BUS1M
CN1B
CN1A
CN1B
CN1A
CN1B
CN1A
X SERVO AMP(2/2)
MR-J3-40B-KM024
CN1B
CN1A
CH1
POSITION
BOARD
MR-MC121-S0
CN50
CN31CN531
CN30CN530
CN29CN529
CN127
CN143
CN137
CN138
CN133
CN132
YNEAR
SENSOR
Y NEG LIMIT
SENSOR
Y POS LIMIT
SENSOR
X NEAR
SENSOR
X POS LI MIT
SENSOR
1234 5 6
7
8
9
11
10
12 13 14 15 16 17 18 19
20
21
22
23
24
25
26
27
26
29
30
31
32 36
37
38
35
42
40
41
8
33
34
44 44
31
43
47
50 52
54
48
49
51 53
56
55
57
57
59
60
58
45
46
28
39
61