JX-200-Rev00 - 第63页
- 60 - REF.NO NOTE PART NO D E S C R I P T I O N 品 名 Qty 1 400-76818 OCC CAMERA CABLE ASM OCC カメラケーブル組 1 2 400-76819 HEAD SP CABLE ASM ヘッド SP ケーブル組 1 3 401-07193 HEAD MAIN PWR CABLE ASM ヘッドメインパワーケーブル組 1 4 400-76787 XY BE…

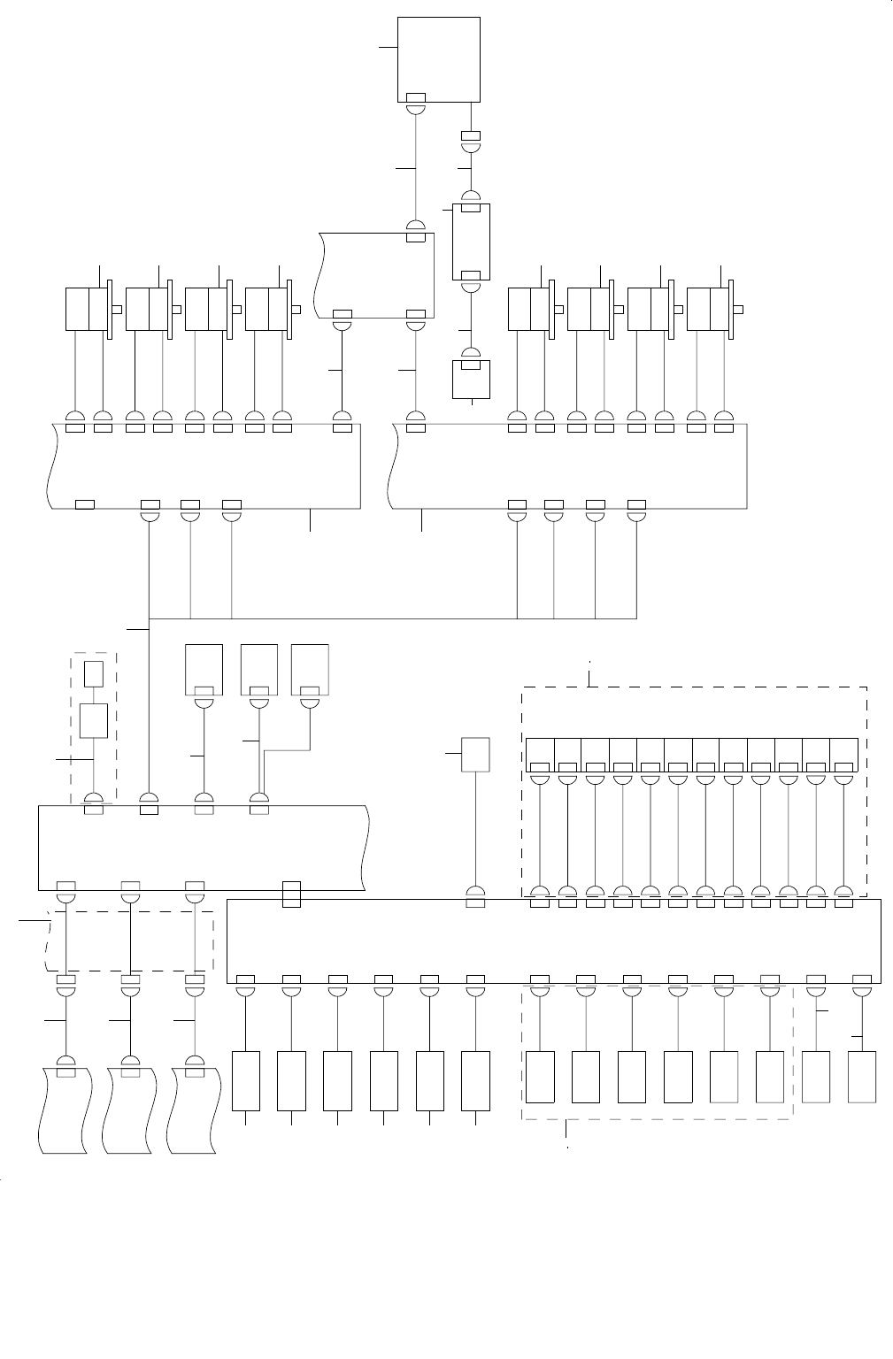
- 59 -
30.SYSTEM DIAGRAM (ZT MOTOR/HEAD UNIT/LASER ALIGN)
SYSTEM DIAGRAM(ZT MOTOR / HEAD UNIT / LASER ALIGN)
4-3C
4-1B
4-3A
EJECTOR (2/2)
EJECTOR (1/2)
HIGHT
MEASURE
SENSOR
AMP
(CN52)CN12 CN85 2
1-2B
OCC-A
OCC-C
OCC
CN2 CN90 2
CN6 CN90 6
OCC A LIGHT PCB
OCC C LIGHT PCB
OCC CAMERA
XC-HR50
2-4D
1-3A
2-4D
IO-CN1
CN246
CN478
CN245
CN018
CN018
POWER UNIT(4/6)
CN1
IO-CONVEYOR PCB(3/4)
OCC-LF(CN5)
IP-X5 PCB(2/3)
2-3B
2-3B
3-2B
3-4B
CN19 CN19
NZL
UP SV
CN8
CN1
CN908
CN901
CN905 CN5
XY BEAR
CABLE(2/2)
VACUUM PUMP OPTION(1/2)
CN18 CN18
CN16 CN16
CN32 CN32
CN31 CN31
CN30 CN30
CN29 CN29
CN28 CN28
CN27 CN27
NOZZLE
DOWN
SENSOR R
NOZZLE
DOWN
SENSOR L
Z6 VAC
SENSOR
Z5 VAC
SENSOR
Z4 VAC
SENSOR
Z3 VAC
SENSOR
Z2 VAC
SENSOR
Z1 VAC
SENSOR
VACUUM PUMP OPTION (2/2)
CN6 CN6
CN13 CN13
CN5 CN5
CN12
CN12
CN4
CN4
CN11 CN11
CN3 CN3
CN10 CN10
CN2 CN2
CN9 CN9
CN1 CN1
CN8 CN8
Z6 BLW SV
Z6 VAC SV
Z5 BLW SV
Z5 VAC SV
Z4 BLW SV
Z4 VAC SV
Z3 BLW SV
Z3 VAC SV
Z2 BLW SV
Z2 VAC SV
Z1 BLW SV
Z1 VAC SV
CN916
CN915
CN917 LNC60-CN1ZTB-CN5
ZTA-CN5
LNC60
LNC60CH2CH1
IEEE1394a REPEATER
CH1
IEEE1394a
BOARD
CN1
CN17
HEAD MAIN PCB(2/2)
CN16
CN15
CN5
CN5
Z6 NEAR
SENSOR
Z5 NEAR
SENSOR
Z4 NEAR
SENSOR
Z3 NEAR
SENSOR
Z2 NEAR
SENSOR
Z1 NEAR
SENSOR
80P
CN34 CN21
CN25CN25
CN24CN24
CN23CN23
CN22CN22
CN21CN21
CN20CN20
E2S-W23 OMRON
E2S-W23 OMRON
E2S-W23 OMRON
E2S-W23 OMRON
E2S-W23 OMRON
E2S-W23 OMRON
HEAD RELAY PCB
T2 MOTOR
HC-BH0336LW4-S1
Z6 MOTOR
HC-BH0336LW4-S1
Z5 MOTOR
HC-BH0336LW4-S1
Z4 MOTOR
HC-BH0336LW4-S1
Z3 MOTOR
HC-BH0336LW4-S1
Z2 MOTOR
HC-BH0336LW4-S1
Z1 MOTOR
HC-BH0336LW4-S1
T1 MOTOR
HC-BH0336LW4-S1
ZTB SERVO
AMP(3/3)MR-MD100
ZTA SERVO
AMP(3/3)MR-MD100
CNP2D
CN2D
CNP2C
CN2C
CNP2B
CN2B
CNP2A
CN2A
CN4DZTB-CN4D
CN4CZTB-CN4C
CN4BZTB-CN4B
CN4AZTB-CN4A
CNP2D
CN2D
CNP2C
CN2C
CNP2B
CN2B
CNP2A
CN2A
CN4DZTA-CN4D
CN4CZTA-CN4C
CN4BZTA-CN4B
CN913CN13
HEAD MAIN PCB(1/2)
CN4AZTA-CN4A
OCC-LF
123
4
5678910
11
12
13
14
19
11
12
18
17
16
15
22 22
25 26
27
28
21
29
24
23
20 20 20 20 20 20 20 20

- 60 -
REF.NO NOTE PART NO D E S C R I P T I O N
品 名
Qty
1 400-76818 OCC CAMERA CABLE ASM
OCC カメラケーブル組
1
2 400-76819 HEAD SP CABLE ASM
ヘッド SP ケーブル組
1
3 401-07193 HEAD MAIN PWR CABLE ASM
ヘッドメインパワーケーブル組
1
4 400-76787 XY BEAR CABLES ASM
XY ベアケーブル組
1
5 400-76808 Z1 NEAR SENSOR ASM
Z 1 ニアセンサ組
1
6 400-76809 Z2 NEAR SENSOR ASM
Z 2 ニアセンサ組
1
7 400-76810 Z3 NEAR SENSOR ASM
Z 3 ニアセンサ組
1
8 400-76811 Z4 NEAR SENSOR ASM
Z 4 ニアセンサ組
1
9 400-76812 Z5 NEAR SENSOR ASM
Z 5 ニアセンサ組
1
10 400-76813 Z6 NEAR SENSOR ASM
Z 6 ニアセンサ組
1
11 400-76877 EJECTOR ASM
エジェクタ組
2
12 400-76882 VACUUM VALVE CABLE ASM
バキュームバルブケーブル組
2
13 400-76823 NOZZLE DOWN SENSOR L ASM
ノズルダウンセンサ L 組
1
14 400-76824 NOZZLE DOWN SENSOR R ASM
ノズルダウンセンサ R 組
1
15 400-02185 HIGHT SENSOR CABLE ASM
HMS アンプケーブル組
1
16 400-76814 Z NEAR DI CABLE ASM
Z ニア DI ケーブル組
1
17 400-76821 OCC CABLE ASM
OCC ケーブル組
1
18 400-76822 OCC LIGHT CABLE ASM
OCC ライトケーブル組
1
19 400-76883 NOZZLE UP SV ASM
ノズルアップ SV 組
1
20 400-44534 SERVO MOTOR 30W
サーボモータ30 W
8
21 400-44517 1394 ROBOT CABLE ASM
1394ロボットケーブル組
1
22 400-44535 4AXIS SERVO AMP
4軸一体型サーボアンプ
2
23 400-45547 LNC60
レーザセンサ
1
24 400-76817 LNC60 I/F CABLE ASM
LNC 60 I / F ケーブル組
1
25 400-76815 T1 ENC CABLE ASM
T 1 ENC ケーブル組
1
26 400-76816 T2 ENC CABLE ASM
T 2 ENC ケーブル組
1
27 400-44519 IEEE1394 BOARD
IEEE 1394ボード
1
28 400-44516 1394 RELAY CABLE ASM
1394中継ケーブル組
1
29 400-48078 IEEE1394 REPEATER BOARD
IEEE 1394リピータボード
1

- 61 -
31.SYSTEM DIAGRAM (CARRY MOTOR/VCS)
SYSTEM DIAGRAM(CARRY MOTOR / VCS)
CN19
CN18CN18
CN19
VCS
CAMERA(XC-HR50)
LENZE(STANDARD)
LENZE(OPTION)
2-2C
BASE PCB(3/3)
3-1A
IO-CONVEYOR PCB(4/4)
4-1C
CN3 CN673R
CN1 CN671R
CN2CN672R CN656RIO-CN19-1CN19-1
5PHASE
DRIVER(RIGHT)
CONVEYER
MOTOR
CN3 CN673L
CN1 CN671L
CN2CN672L CN656LIO-CN19-2CN19-2
5PHASE
DRIVER(LEFT)
CONVEYER
MOTOR
3-1A
CN031
CN028
POWER UNIT(5/6)
CN3 CN673C
CN1 CN671C
CN2CN672C CN656CCN538CN38
5PHASE
DRIVER(CENTER)
CONVEYER
MOTOR
CN3VCS-CN3
CN2VCS-CN2
CN1VCS-CN1
SIDE LIGHT PCB
VCS
CN10CN310
CN13
LIGHT CTRL PCB
CN2 CN302
BOTTOM LIGHT PCB
COAXIAL LIGHT PCB
VCS
CAMERA
XC-HR50
4-3B
3-1A
IO-CN18
CN313
CN018
CN18
POWER UNIT(6/6)
CN18
OCC-LR
IP-X5 PCB(3/3)
OCC- LR
1
2
3
4
5
6
17
18
15
11
13
12
10
11
11
19
8
9 16
777
14