JX-200-Rev00 - 第68页
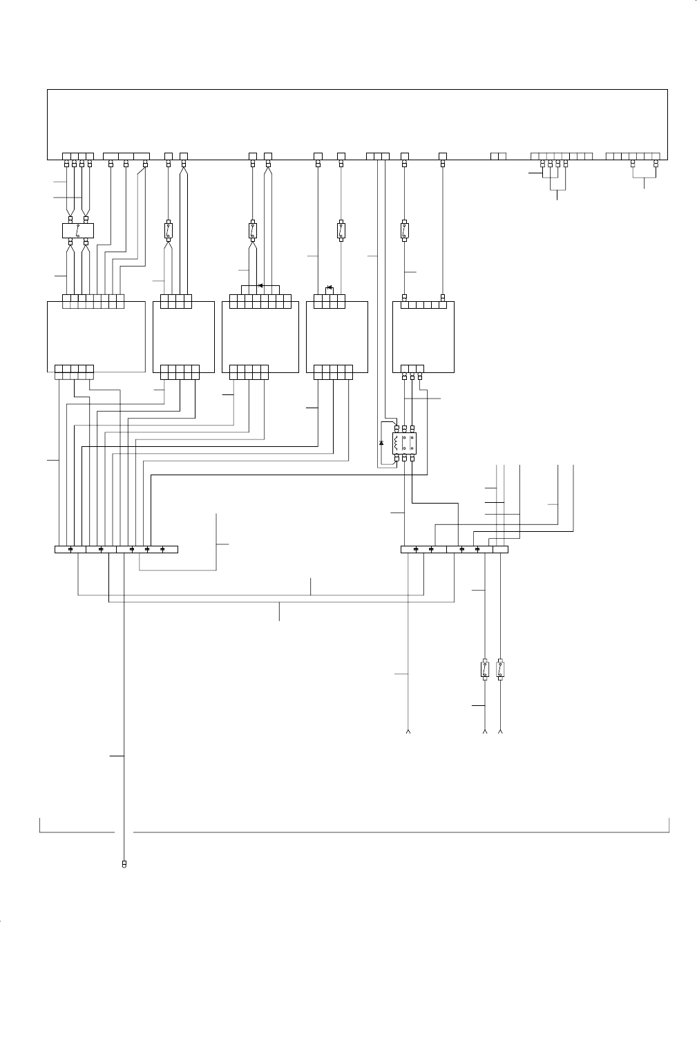
- 65 - 33. SYSTEM DIAGRAM (POWER-UNIT ST 2/2) SYSTEM DIAGRAM (POWER − UNIT ST 2/2) P&B W28XQ1A-15 CP4 15A P&B W28XQ1A-15 CP3 15A 001:2 B 001:2 B ACL1(A) ACN1(A) 002 :3C ACL1 (C) (SAFETY UNIT PO WER) +24VSRTN +24V…

- 64 -
REF.NO NOTE PART NO D E S C R I P T I O N
品 名
Qty
1 401-07273 CP13/14 IN CABLE ASM
CP 13/14 インケーブル組
1
2 401-07274 CP13/14 OUT CABLE ASM
CP 13/14 アウトケーブル組
1
3 401-07266 CN096 CABLE ASM
CN 096 ケーブル組
1
4 401-07256 CP1 CABLE ASM
CP 1 ケーブル組
1
5 400-45364 TB1-741 CABLE ASM
TB 1−741 ケーブル組
1
6 401-07262 CN099 CABLE ASM
CN 099 ケーブル組
1
7 400-45365 RL2-TB1 CABLE ASM
RL 2− TB 1 ケーブル組
1
8 401-07257 CN001 CABLE ASM
CN 001 ケーブル組
1
9 401-07275 CP3/4 IN CABLE ASM
CP 3/4 インケーブル組
1
10 401-07278 TB2-111 CABLE ASM
TB 2−111 ケーブル組
1
11 400-45357 TB2-103 CABLE ASM
TB 2−103 ケーブル組
1
12 400-45316 ACFAN CABLE ASM
ACFAN ケーブル組
1
13 400-45317 RL1-TB2 CABLE ASM
RL 1− TB 2 ケーブル組
1
14 401-07258 CN036 CABLE ASM
CN 036 ケーブル組
1
15 400-45318 RL1-TB5 CABLE ASM
RL 1− TB 5 ケーブル組
1
16 400-45319 TB5-TB2 CABLE ASM
TB 5− TB 2 ケーブル組
1
17 400-45339 CN037 CABLE ASM
CN 037 ケーブル組
1
18 401-07259 TF1-CP2 CABLE ASM
TF 1− CP 2 ケーブル組
1
19 400-45322 CP-TB CABLE ASM
CP − TB ケーブル組
1
20 400-76744 CP2-TB(ZT) CABLE ASM
CP 2− TB(ZT) ケーブル組
1
21 400-76937 ZT POWER PCB ASM
ZT パワー基板組
1
22 400-45323 TB3-TB7 CABLE ASM
TB 3− TB 7 ケーブル組
1
23 400-45324 TB3-CP5 CABLE ASM
TB 3− CP 5 ケーブル組
1
24 400-45325 CP5-RL4 CABLE ASM
CP 5− RL 4 ケーブル組
1
25 400-45327 CN035 CABLE ASM
CN 035 ケーブル組
1
26 400-45326 RL4-TB7 CABLE ASM
RL 4− TB 7 ケーブル組
1
27 401-07271 PS6CN1 CABLE ASM
PS 6 CN 1 ケーブル組
1
28 401-07263 PS6CN2 CABLE ASM
PS 6 CN 2 ケーブル組
1

- 65 -
33.SYSTEM DIAGRAM (POWER-UNIT ST 2/2)
SYSTEM DIAGRAM(POWER − UNIT ST 2/2)
P&B W28XQ1A-15CP4 15A
P&B W28XQ1A-15CP3 15A
001:2B
001:2B
ACL1(A)
ACN1(A)
002:3C ACL1(C)
(SAFETY UNIT POWER)
+24VSRTN
+24VS
TB6
2
4
+24VRTN7
-12VRTN
+12VRTN5
6
GND(A)
GND(A)3
4
GND(A)
GND(B)
TB2
1
2
+24V
-12V7
8
+12V
+5VR5
6
+5VR
+5V3
4
+5V
+3.3V
TB1
1
2
88
77
5
6
5
6
1
2
3
4
1
2
3
4
COSEL LCA100S-5Y
PS
2
+5V
100W
5
4
2
3
1
-V
-V
-V
-V
+V
+V
+V
+V
CN2
CN1
FG5
N.C.4
N.C.
AC(N)
AC(L)
2
3
1
001:2B
ACL1(B)
D5
POWER-PCB(2/2)
POWER-UNIT INSIDE
R3-E
001:2D
PS6-FG
001:2D
ACN1(D)
001:2D
ACL1(D)
TB2(2/4)
TB2(3/4)
001:2B
ACN1(B)
002:2C
ACL1(C)
6
2
8
4
10
11
10
9
8
7
6
5
19
18
17
16
15
14
13
12
G7L-2A-BUBJ(12V)
RL5
+24VON121
+12VRTN2
N.C.
CN034
3
+24VRTN
+24V
IDEC NRW10-15A
CP11 15A
COSEL LCA50S-12Y
-12VRTN
-12V
IDEC NRW10-3A
CP10 3A
IDEC NRW10-8A
CP9 8A
+12VRTN
+12V
-V
-V
+V
+V
+V
+V
-V
-V
88
77
1
2
3
5
4
6
1
2
3
5
4
6
GND
GND
GND
+5V
+5V
+5V
+5V
COSEL LCA50S-3
FUJI CP51BS/020
CP6 20A
IDEC NRW10-3A
CP7 3A
GND
+3.3V
TB3
8
TB4
7
TB3
TB4
6
7
TB4
5
TB3
6
TB4
3
4
2
TB3
TB3
TB4
1
1
5
4
2
3
-V 1
-V 2
PS
1
24V
300W
COSEL LDA300W-24
-V
+V
+V
TB2
+V
3
5
4
6
TB1
AC(N)
FG
AC(L)
2
3
1
PS
4
12V
50W
+V
+V
-V
CN2
-V
2
4
1
3
2
4
1
3
CN1
5
4
2
3
1
FG5
N.C.4
N.C.
AC(N)
AC(L)
2
3
1
PS
7
12V
100W
COSEL LCA100S-12Y
CN2CN1
5
4
2
3
1
FG5
N.C.4
N.C.
AC(N)
AC(L)
2
3
1
PS
5
3.3V
30W
+V
+V
-V
CN2
-V
3
1
4
2
3
1
4
2
CN1
FG5
N.C.4
N.C.
AC(N)
AC(L)
2
3
1
5
4
2
3
1
1
2
6
7
3
4
11
5
11
10
9
2
17
16
15
14
13
18
21
22
23 24
19
20
25
26
12
8

- 66 -
REF.NO NOTE PART NO D E S C R I P T I O N
品 名
Qty
1 401-07260 R3E CABLE ASM
R 3 E ケーブル組
1
2 401-07277 TB2-115 CABLE ASM
TB 2−115 ケーブル組
2
3 401-07265 TB2-815 CABLE ASM
TB 2−815 ケーブル組
1
4 401-07264 TB2-613 CABLE ASM
TB 2−613 ケーブル組
1
5 400-45337 RL5-PS1 CABLE ASM
RL 5− PS 1 ケーブル組
1
6 401-07275 CP3/4 IN CABLE ASM
CP 3/4 インケーブル組
1
7 401-07276 CP3/4 OUT CABLE ASM
CP 3/4 アウトケーブル組
1
8 400-76777 TB2 CABLE ASM
TB 2 ケーブル組
1
9 401-07278 TB2-111 CABLE ASM
TB 2−111 ケーブル組
1
10 400-45357 TB2-103 CABLE ASM
TB 2−103 ケーブル組
1
11 401-07271 PS6CN1 CABLE ASM
PS 6 CN 1 ケーブル組
2
12 400-25579 5V SHORT CABLE 2 ASM
5 V ショート束線2組
1
13 400-45333 PS2-CN1 CABLE ASM
PS 2− CN 1 ケーブル組
1
14 400-45334 PS5-CN1 CABLE ASM
PS 5− CN 1 ケーブル組
1
15 400-45335 PS7-CN1 CABLE ASM
PS 7− CN 1 ケーブル組
1
16 400-45336 PS4-CN1 CABLE ASM
PS 4− CN 1 ケーブル組
1
17 400-45354 RL5-PS1 CABLE ASM
RL 5− PS 1 ケーブル組
1
18 401-07261 PS2-CN2 CABLE ASM
PS 2− CN 2 ケーブル組
1
19 400-45342 CP6-TB3 CABLE ASM
CP 6− TB 3 ケーブル組
1
20 400-45368 CP6OUTPUT2 CABLE ASM
CP 6出力2 ケーブル組
1
21 400-45344 PS5-CP7 CABLE ASM
PS 5− CP 7 ケーブル組
1
22 400-45346 PS7-CP9 CABLE ASM
PS 7− CP 9 ケーブル組
1
23 400-45348 PS4-CP10 CABLE ASM
PS 4− CP 10 ケーブル組
1
24 400-45352 CN034 CABLE ASM
CN 034 ケーブル組
1
25 400-45350 PS1-CP11 CABLE ASM
PS 1− CP 11 ケーブル組
1
26 400-25578 5V SHORT CABLE 1 ASM
5 V ショート束線1組
1