P-0223-001 - 第109页
107 Key No. P AR T No. P AR T NAME Q’ty REMARKS NOTE MODEL TDM-3500E-2 0209-001 6-2 1 630 048 8944 BRACKET(STOPPER) 2 687F--02B-027 2 411 1 41 4 3 05 WASHER V 6X12.5X1.6 2 FW6 3 4 1 1 1 41 30 01 WASHER SPR 6 2 SW6 4 630 …

MODEL TDM-3500E-2
0209-001
106
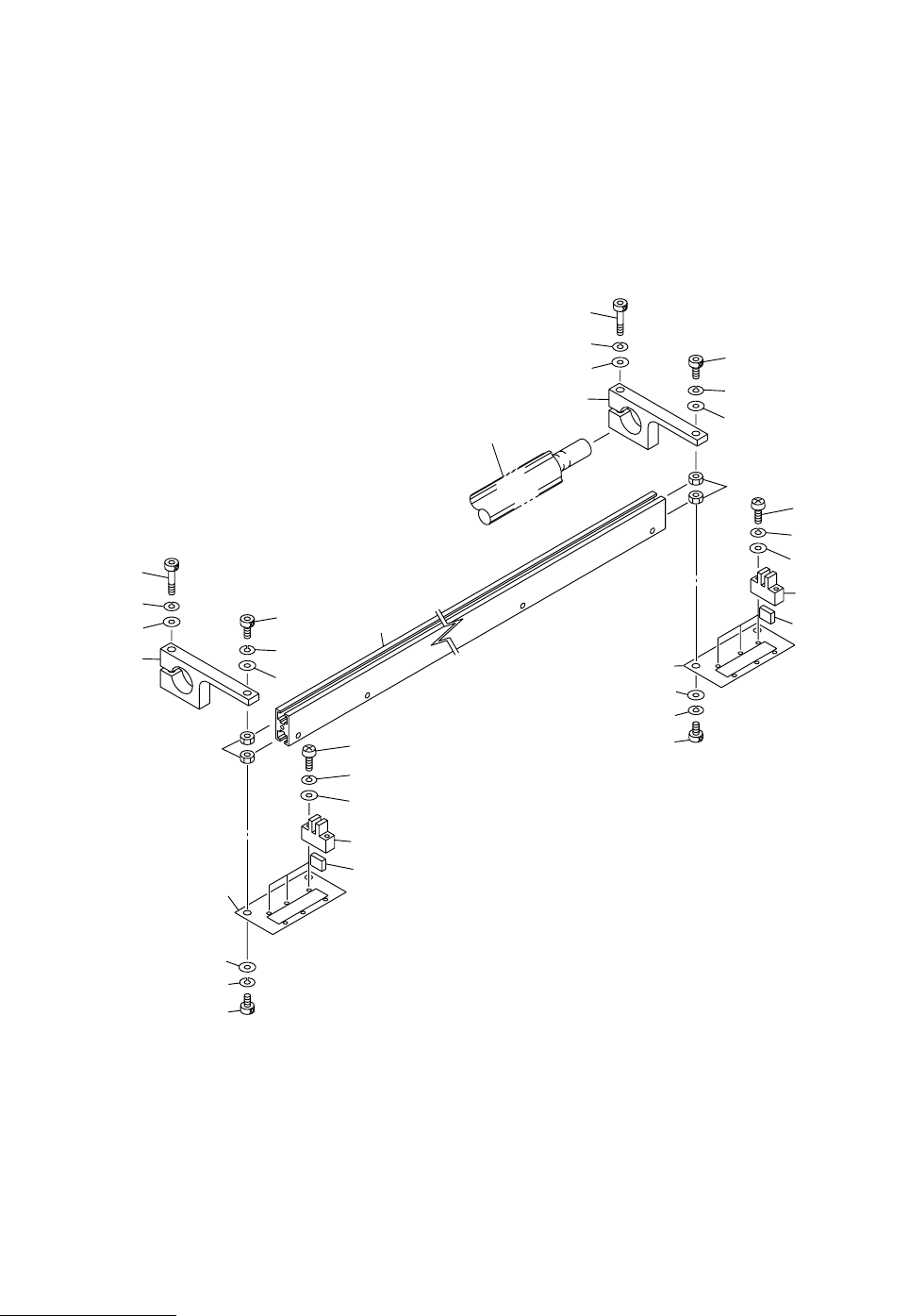
トランスファ部 TRANSFER SECTION
Fig. 6-2 送り位置検出部 Transfer Position Detector
1
2
3
4
5
8
7
6
9
10
10
12
13
14
15
16
19
18
17
Fig.6-2
See Fig.6-1
Key No.12
9
1
2
3
4
8
7
6
15
16
19
18
17
12
13
14
TDM-3500E-2

107
Key No. PART No. PART NAME Q’ty REMARKS
NOTE
MODEL TDM-3500E-2
0209-001
6-2
1 630 048 8944 BRACKET(STOPPER) 2 687F--02B-027
2 411 141 4305 WASHER V 6X12.5X1.6 2 FW6
3 411 141 3001 WASHER SPR 6 2 SW6
4 630 000 7923 BOLT,HEX-SCT 2 M6X35
5 630 066 4591 SUPPORT 1 687F--02B-030
6 411 141 4305 WASHER V 6X12.5X1.6 2 FW6
7 411 141 3001 WASHER SPR 6 2 SW6
8 630 000 7886 BOLT,HEX-SCT 2 M6X16
9 411 141 0703 NUT HEX 6 6 M6
10 630 053 5181 PLATE(PHOTO L) 2 687F--02B-028
12 411 141 4305 WASHER V 6X12.5X1.6 4 FW6
13 411 141 3001 WASHER SPR 6 4 SW6
14 630 000 7879 BOLT,HEX-SCT 4 M6X12
15 630 000 0245 SENSOR,PHOTO 6 PHS3,PHS1,PHS5,PHS101,PHS100,
PHS2 687F--02H-004
16 630 000 0269 SENSOR,PHOTO(CONNECTOR) 6 687F--02H-025
17 411 088 9005 WASHER F 3X6X0.5 12 FWS3 F
18 411 086 4408 WASHER SPR 3 12 SW3 F
19 411 162 1604 SCR PAN 3X20 12 M3X20 PAN

MODEL TDM-3500E-2
0209-001
108
トランスファ部 TRANSFER SECTION
Fig. 6-3 トランスファ駆動部 Transfer Driver
Fig.6-3
TDM-3500E-2
See Fig.6-1
Key No.2
See Fig.6-1
Key No.1
6
4
3
2
5
4
3
1
7
8
9
43
42
41
40
41
39
38-1
56
57
58
59
54
61-2
68
67
66
65
65-2
66
67
68-1
44
45
46
51
52
47
60
50
49
48
62
62-1
63
28
64
69
71
72
73
70
81
82
86
10
20
22
21
16
14
23
26
25
24
15
16
17
18
19
11
12
13
27
63
64
34-1
30
31
32
33
76
77
78
33-1
34
29
30
31
32
33
33-1
34
57
56
62
81
82
69
76
43
77
78
71
72
73
70
55-3
55-2
55-1
58
59
38
61-1
54
65
66
67
68
44
45
46
60
51
52
47
48
49
50
65-1
66
67
68-1
41
42
40
41
39
55-1
55-3
55-2