P-0223-001 - 第116页
MODEL TDM-3500E-2 0209-001 114 空圧制御部 PNEUMA TIC SECTION Fig. 7-1 エアポート配管 Air Port Piping 7 1 30 2 3 4 8 9 15 16 17 18 10 21 22 24 23 Fig.7-1 TDM-3500E-2

113
Key No. PART No. PART NAME Q’ty REMARKS
NOTE
MODEL TDM-3500E-2
0209-001
6-4
1 630 065 4202 STAY 2 687F--02B-023
2 630 066 5055 PLATE(FEED) 1 687F--02B-022
3 411 141 4107 WASHER V 5X10X1 8 FW5
4 411 141 6705 WASHER SPR 5 8 SW5
5 630 000 7763 BOLT,HEX-SCT 8 M5X16
7 411 140 8007 SCR TRS 5X6 2 M5X6 TRS
8 630 005 6525 BLOCK 2 687F--02B-024
9 630 057 7068 PLATE(PUSH) 2 687F--02B-025
10 411 141 4008 WASHER V 4X9X0.8 4 FW4
11 411 141 2905 WASHER SPR 4 4 SW4
12 630 000 7633 BOLT,HEX-SCT 4 M4X12
13 411 141 4305 WASHER V 6X12.5X1.6 2 FW6
14 411 141 3001 WASHER SPR 6 2 SW6
15 411 140 6003 BOLT WING 6X20 2 687F--02H-026
16 630 000 7503 BOLT,HEX-SCT 2 M3X6

MODEL TDM-3500E-2
0209-001
114
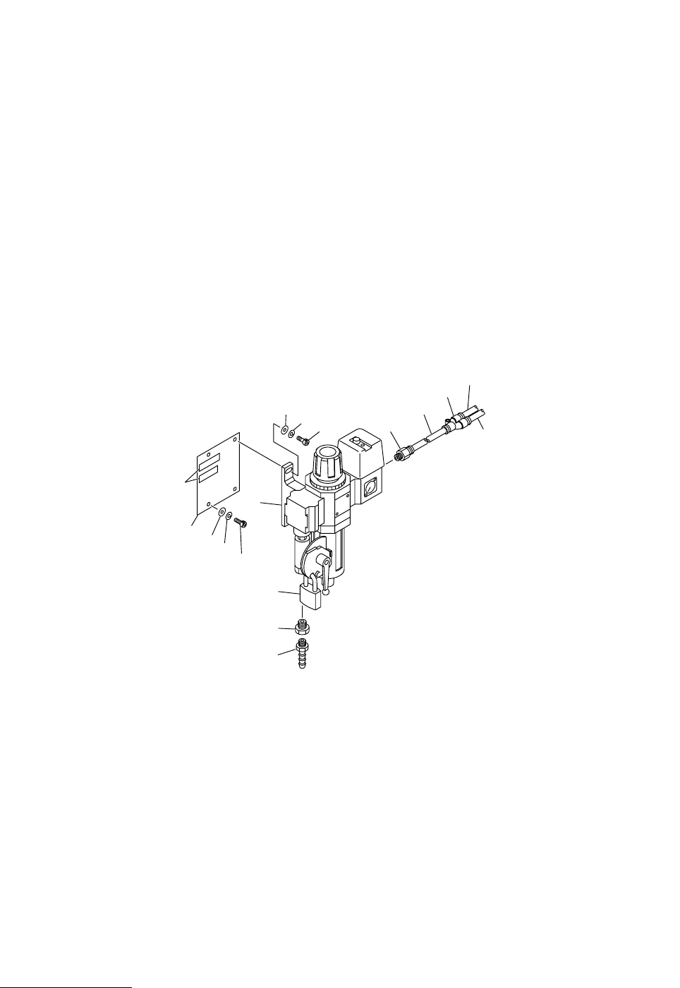
空圧制御部 PNEUMATIC SECTION
Fig. 7-1 エアポート配管 Air Port Piping
7
1
30
2
3
4
8
9
15
16
17
18
10
21
22
24
23
Fig.7-1
TDM-3500E-2

115
Key No. PART No. PART NAME Q’ty REMARKS
NOTE
MODEL TDM-3500E-2
0209-001
7-1
1 630 058 3212 PLATE 1 687L--02B-007
2 411 141 4107 WASHER V 5X10X1 2 FW5
3 411 141 6705 WASHER SPR 5 2 SW5
4 630 000 7763 BOLT,HEX-SCT 2 M5X16
7 630 057 9383 AIR LINE EQPT 1 PS1,#A3-211496- 687L--02H-004
8 630 003 8033 PIPE FITTINGS 1
9 630 008 0285 PIPE FITTINGS 1
10 630 003 7050 PIPE FITTINGS 1
15 411 141 4305 WASHER V 6X12.5X1.6 2 FW6
16 411 141 3001 WASHER SPR 6 2 SW6
17 630 000 7886 BOLT,HEX-SCT 2 M6X16
18 630 053 4917 MECH PARTS (PADLOCK) 1 687L--02H-005
22 630 062 4847 PIPE FITTINGS 1
30 630 061 6378 NAME PLATE,PARTS 1 687M--02D-004