P-0223-001 - 第15页
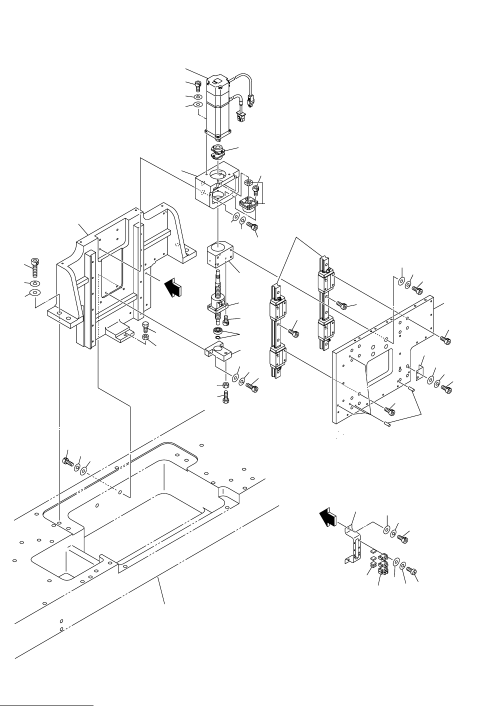
MODEL TDM-3500E-2 0209-001 13 Fig. 2 ヘッド部 HEAD SECTION

MEMO

MODEL TDM-3500E-2
0209-001
13
Fig. 2 ヘッド部 HEAD SECTION

MODEL TDM-3500E-2
0209-001
14
7
6
5
Fig.2-1
TDM-3500E-2
See Fig.1-1
Key No.7
1
13
14
4
3
2
12
28
27
26
25
24
11
17
18
19
16
15
22
20
21
23
15
42
42
54
55
56
51
53
63
62
64
65
52
67
68
69
73
66
32
A
A
31
74
72
70
71
53
41
29
30
ヘッド部 HEAD SECTION
Fig. 2-1 HZ軸 HZ Axis